P-138-001e - 第31页
MEMO

MODEL TCM-3700
9912-001
3- 2
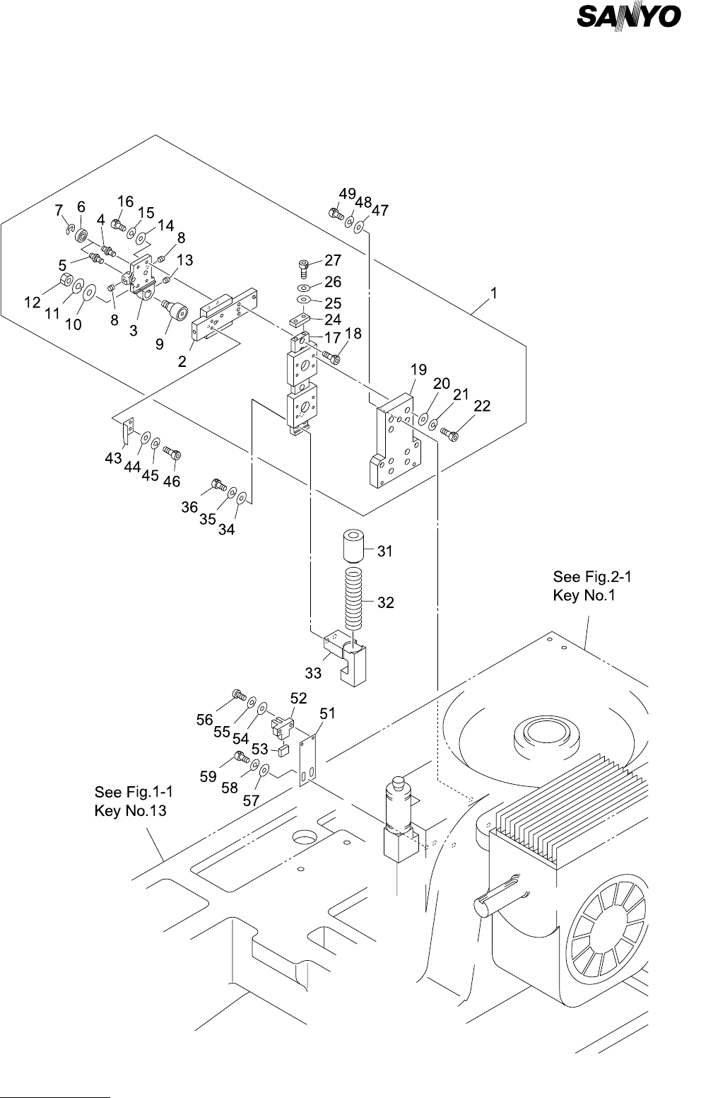
PART No. PART NAME Q'ty REMARKS
56 411 040 7803 SCR PAN 3X12 2 M3X12 PAN
57 411 141 4107 WASHER V 5X10X1 2 FW5
58 411 141 6705 WASHER SPR 5 2 SW5
59 630 000 7749 BOLT,HEX-SCT 2 M5X10
Key No.
NOTE

MEMO

MODEL TCM-3700
9912-001
ヘッド駆動部 HEAD DRIVING SECTION
Fig. 3-3 吸着上下補正部 Pick-up Level Adjuster