P-138-001e - 第75页
MODEL TCM-3700 9912-001 3-19 PART No. PART NAME Q'ty REMARK S 1 630 055 1969 COV ER 1 739K --01B-086 2 630 052 3676 COV ER 1 739K --01B-089 3 630 052 3683 COV ER 1 739K --01B-090 4 630 052 3690 COV ER 1 739K --01B-0…

MODEL TCM-3700
9912-001
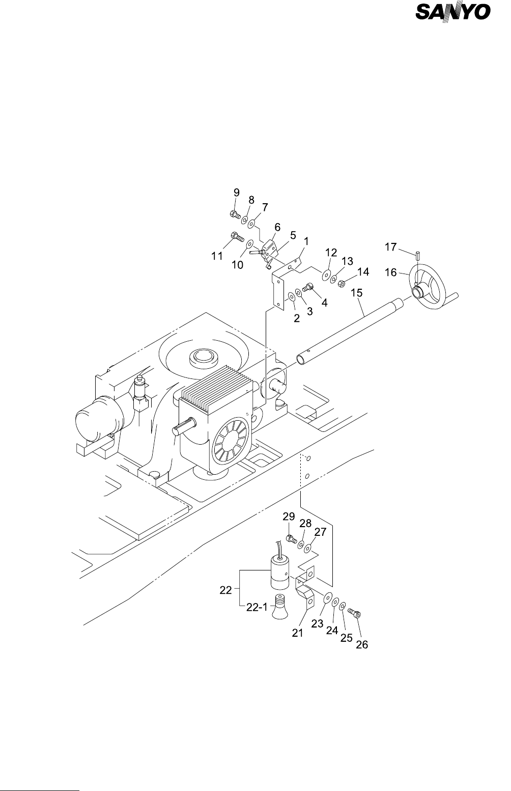
ヘッド駆動部 HEAD DRIVING SECTION
Fig. 3-19 ベルトカバー Belt Cover

MODEL TCM-3700
9912-001
3-19
PART No. PART NAME Q'ty REMARKS
1 630 055 1969 COVER 1 739K--01B-086
2 630 052 3676 COVER 1 739K--01B-089
3 630 052 3683 COVER 1 739K--01B-090
4 630 052 3690 COVER 1 739K--01B-091
5 411 141 4107 WASHER V 5X10X1 8 FW5
6 411 141 6705 WASHER SPR 5 8 SW5
7 630 000 7756 BOLT,HEX-SCT 8 M5X12
Key No.
NOTE

MODEL TCM-3700
9912-001
ヘッド駆動部 HEAD DRIVING SECTION
Fig. 3-20 手回しハンドル、スポットライト Hand Wheel,Spotlight