Revolver head S15 (booster compatible)_20211118_094939
Revolver head S15 (booster compatible) Page 1 / 20 18.11.2021

Revolver head S15 (booster compatible)
Page 1 / 20 18.11.2021

Revolver head S15 (booster compatible)
Page 2 / 20 18.11.2021

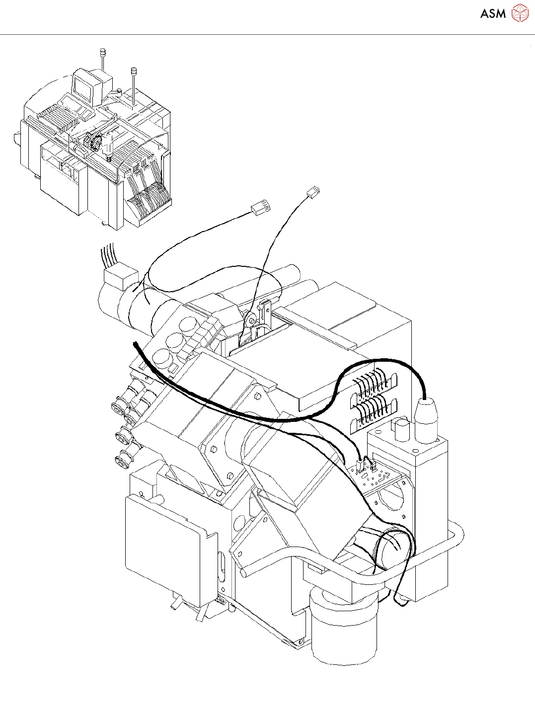
Revolver head S15 (booster compatible)
Page 3 / 20 18.11.2021