M10_InterConnectDiagram.pdf - 第26页
S E C T I O N N A ME x R E G 3 _ A L A R M R E G 2 _ A L A R M R E G 1 _ A L A R M G N D G N D G N D 6 5 4 3 2 1 A X I S R E G . A L A R M X 4 5 P 2 1 2 3 4 5 6 7 8 9 1 0 1 1 1 2 1 4 1 5 1 6 1 3 N E X T I N T E R F A C E…

S E C T I ON N A ME
X
B 1 2 B - P A D S S - 1 B 1 2 B - P A D S S - 1
C OV E R _ L OC K _ R _ D R V
C OV E R _ L OC K _ R
C OV E R _ R
C OV E R _ R _ H W2
C OV E R _ R _ H W1
2 4 V
GN D
2 4 V
2 4 V
GN D
C OV E R _ L OC K _ F _ D R V
C OV E R _ L OC K _ F
2 4 V
C OV E R _ F _ H W2
C OV E R _ F _ H W1
C OV E R _ F
P 2P 2
S A F E T Y _ R S R V _ 2 _ D R V
S A F E T Y _ R S R V _ 2
S A F E T Y _ R S R V _ 2 _ H W2
S A F E T Y _ R S R V _ 2 _ H W1
GN D
2 4 V
6
5
4
3
2
1
E MG_ R 1
E MG_ R 1 _ H W2
E MG_ R 1 _ H W1
2 4 V
E MG_ F 1
2 4 V
E MG_ F 1 _ H W2
E MG_ F 1 _ H W1
E MG S W ( F ) E MG S W ( R )
E MG S W( F )
S B 2 0
A 1
4 2
E MG_ F 1 _ H W2
C OV E R S A F E T Y S W( F )
C OV E R L OC K F
C OV E R _ L OCK _ F _ D R V
1
2
3
4
5
6
7
E MG F 1 H W1
2 4 V
E MG F 1
C OV E R _ F
C OV E R _ F _ H W1
C OV E R _ F _ H W2
2 4 V
GN D
2 4 V
1 1
1 0
1 1
1 2
8
9
A 2
1
2
3
4
2
5
6
2 22 1
5 25 1
1
S B 2 2 - 1
S B 2 2 - 2
E MG S W( R )
S B 2 1
4 2
A 1
C OV E R S A F E T Y S W( R )
C OV E R L OCK R
C OV E R L OCK R D R V
1
2
3
4
5
6
7
8
2 4 V
E MG_ R 1 _ H W1
E MG_ R 1 _ H W2
E MG R 1
2 4 V
GN D
2 4 V
C OV E R R H W1
C OV E R _ R _ H W2
C OV E R _ R
1 0
1 1
1 2
9
1 1
A 2
1
2
3
4
1
2
5
6
2 22 1
5 25 1
S B 2 3 - 1
S B 2 3 - 2
X i O. Mi 1 1
L C 1 - M1 3 H 2 - 0 0 X
X 7
B 6 B - P A S K - 1
X i O. Mi 1 1
L C 1 - M1 3 H 2 - 0 0 X
X 8 X 9
M6 6 F 4 - 0 0 X
M6 6 F 4 - 1 0 X
M6 5 J 6 - 0 0 X
M6 5 J 6 - 0 0 X
C OV E R S A F E T Y S W ( F )
L E 4 - M6 5 6 7 - 0 0 X
H S 5 E - D 7 Y 4 0 1 - G
S B 2 2
C OV E R S A F E T Y S W ( R )
L E 4 - M6 5 6 7 - 0 0 X
H S 5 E - D 7 Y 4 0 1 - G
S B 2 3
Mi ( 4 ) E MG
2 5
M1 0 I N T E R C ON N E C T I ON D I A GR A M
2
1
E MG R 1
D OC K C T F R 1
1
2
M6 6 F 5 - 1 0 X
L E 7 - 0 0 0 - C N 2
L E 6 - M7 1 H W- 0 2 X
L E 6 - M7 1 H W- 0 2 X
GN D
S A F E T Y _ R S R V _ 1 _ D R V
S A F E T Y _ R S R V _ 1
2 4 V
S A F E T Y _ R S R V _ 1 _ H W2
S A F E T Y _ R S R V _ 1 _ H W1
6
5
4
3
2
1
B 6 B - P A S K - 1
X 6
L E 6 - M6 6 F 5 - 0 0 X
P 4 5 , 4 6
M6 6 E 8 - 0 1 X
M6 6 E 8 - 1 0 X

S E C T I ON N A ME
x
R E G3 _ A L A R M
R E G2 _ A L A R M
R E G1 _ A L A R M
GND
GND
GND
6
5
4
3
2
1
A X I S R E G. A L A R M
X 4 5
P 2
1
2
3
4
5
6
7
8
9
1 0
1 1
1 2
1 4
1 5
1 6
1 3
N E X T I N T E R F A C E
P R E V I OU S I N T E R F A C E
GN D
R E A D Y I N
B . A V A I L A B L E OU T
B . A V A I L A B L E C OM
R E A D Y OU T
R E A D Y C OM
B A V A I L A B L E I N
GN D
B A _ OU T _ b
B A _ OU T _ C OM
B U S Y _ I N
B A _ OU T _ a
B U S Y _ OU T _ a
B U S Y _ OU T _ C OM
B U S Y _ OU T _ b
B A _ I N
GN D
-
OK
GN D
-
N G
GN D
GN D
M6 6 G7 - 0 0 X L C 0 - M1 1 K 6 - 0 0 X
L C 0 - M1 1 K 5 - 0 0 X
X 4 3
S P 1
X 1 0
M6 6 G8 - 0 0 X
GND
GND
GND
Y 1 - A MP
Y 2 - A MP
X - A MP
Y 1 R E G
Y 2 R E G
X R E G
M6 5 J 4 - 0 0 X
M6 5 J 4 - 1 0 X
M6 5 J 4 - 2 0 X
M6 6 G2 - 0 0 X
L G0 - M4 1 H 9 - 0 0 X
L G0 - M4 1 H 9 - 0 0 X
L G0 - M4 1 H 9 - 0 0 X
Y 1 R E G. A L A R M
Y 2 R E G. A L A R M
X R E G. A L A R M
R B 1
R B 2
R B 1
R B 2
R B 1
R B 2
C N B
C N B
C N B
1
2
3
4
1
2
3
4
1
2
3
4
R 6
R 5
R 4
R 3
R 2
R 1
1
2
3
4
1
2
3
4
1
2
3
4
1
2
3
4
1 4 P i n
1 4 P i n
C N 1
C N 2
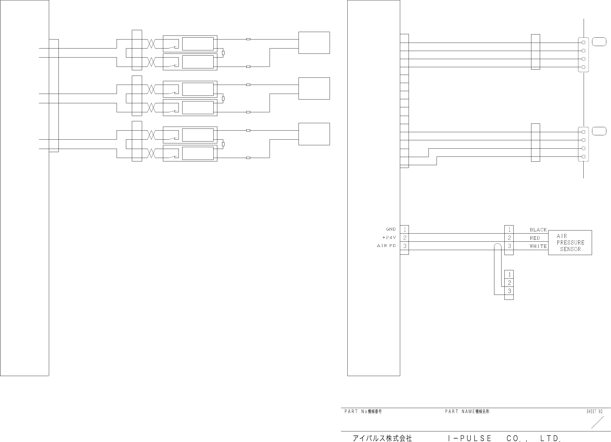
GN D
+ 2 4 V
A I R P R E S S U R E S E N S OR
Mi ( 5 ) R E S I S T OR
2 6
M1 0 I N T E R C ON N E C T I ON D I A GR A M
X i O. Mi 1 1
P 2
X i O. Mi 1 1
1 T
L E 6 - M6 5 E F - 0 0 X
R E GE N E R A T I V E
R E S I S T OR
L E 6 - M7 1 H W- 0 2 X L E 6 - M7 1 H W- 0 2 X
E 4 2
L E 7 - 0 0 0 - C N 2

S E C T I ON N A ME
X
GN D
3
2
1
GN D
OP T I ON
( R E A R ) ( R E A R )
P 1 6
S I D E / MI D D L E
L I GH T A S S Y
S I D E
4 8 V
P A D 2
P A D 1
C OA X I A L
L I GH T A S S Y
-
1 0
9
8
7
6
5
4
3
2
1
GN D
GN D
5 V
C OA X I A L +
C OA X I A L -
MI D D OL +
MI D D OL -
S I D E +
S I D E -
1 0
9
8
7
6
5
4
3
2
1
S I D E / MI D D L E
( F R ON T )
L I GH T A S S Y
P 1 4
S I D E
4 8 V
P A D 2
P A D 1
C OA X I A L
( F R ON T )
L I GH T A S S Y
-
3
2
1
1 0
9
8
7
6
5
4
3
2
1
GN D
GN D
5 V
C OA X I A L +
C OA X I A L -
MI D D OL +
MI D D OL -
S I D E +
S I D E -
1 0
9
8
7
6
5
4
3
2
1
X 3
X 3
X i O. Mi 1 1
X i O. L C 1 1
X i O. L M1 1
X i O. L M1 1
X i O. L C 1 1
F I X E D C A ME R A
F I X E D C A ME R A
4 8 V
4 8 V
MI D D L E
4 8 V
P A D 4
P A D 3
MI D D L E
4 8 V
P A D 4
P A D 3
A 1
B 2
A 1
B 2
X 1
X 2
X 1
X 2
F I X E D C A ME R A
F I X E D C A ME R A
R E A R F I X E D C A ME R A
-
GN D
GN D
5 V
C OA X I A L +
C OA X I A L -
MI D D OL +
MI D D OL -
S I D E +
S I D E -
1 0
9
8
7
6
5
4
3
2
1
X i O. Mi 1 1
A U X
M6 5 K 1 - 0 0 X
M6 6 2 H - 1 0 X
X 5 9
X 6 2
X 6 4
P 2
P 1 3
P 1 5
P 2
M6 6 2 H - 0 0 X
P A D 1 0 p
P A D 1 0 p
X T 6
( P 2 )
X T 6
( P 2 )
B 1
A 2
B 1
A 2
B R
Y
V
W
B R
Y
V
W
M6 5 K 1 - 0 0 X
Mi ( 6 ) F I X C A M L I GH T
2 7
M1 0 I N T E R C ON N E C T I ON D I A GR A M
L E 6 - M7 1 H R - 0 2 X
L E 6 - M7 1 H R - 0 2 X
L E 6 - M7 1 H M- 0 0 X
L E 6 - M7 1 H M- 0 0 X
M6 6 8 K - 0 0 X
M6 6 8 K - 1 0 X
L E 6 - M7 1 H W- 0 2 X L E 6 - M7 1 H W- 0 2 X
L E 7 - 0 0 0 - C N 2