M10_InterConnectDiagram.pdf - 第43页

S E C T I O N N A ME x S O T - S O T + S I R - S I R + X i O . F i 3 0 X i O . M i 1 1 9 8 7 6 5 4 F G 5 V T R G - T R G + G N D 1 2 3 9 8 7 6 5 4 X A 9 P i n F G 5 V T R G - T R G + S O T + S O T - 1 2 3 G N D S I R + S…

100%1 / 63
S E C T I ON N A ME
X
X i O. Mi ( C ON V E Y OR ) ( 4 )
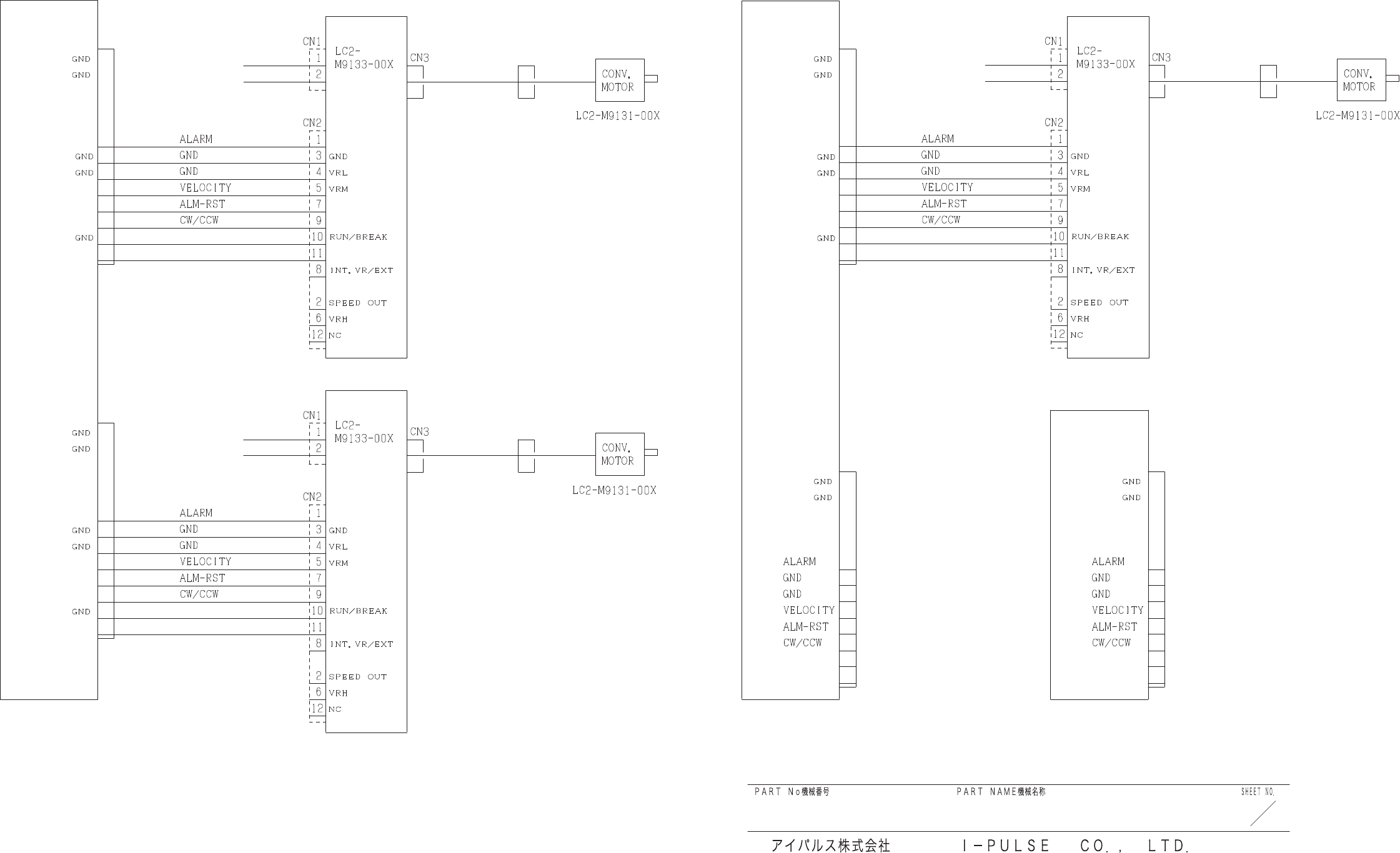
4 2
M1 0 I N T E R C ON N E C T I ON D I A GR A M
R U N / B R A K E
S T A R T / S T OP
S T A RT / S T OP
R U N / B R A K E
S T A R T / S T OP
S T A RT / S T OP
1
2
3
4
5
6
7
8
9
1 0
1
2
3
4
5
6
7
8
9
1 0
P A 1 0 p i n
P A 1 0 p i n
A 1 3
A 1 4
M6 6 2 U - 0 0 X
M6 6 4 M- 0 0 X
M6 6 4 M- 1 0 X
M6 6 4 N - 0 0 X
M6 6 4 N - 1 0 X
X 2 3
X 2 1
T R 1
T
R
2
T R 1 D R V .
T R 2 D R V .
P 2
2 4 V E
2 4 G
2 4 V E
2 4 G
( P 4 )
M
6
6
2
U
-
1
0
X
( P 4 )
( MA I N )
( E N T . B U F F E R )
K M2 A
( P 2 4 )
K M2 A
( P 2 4 )
1
2
3
4
5
6
7
8
9
1 0
P A 1 0 p i n
1
2
3
4
5
6
7
8
9
1 0
P A 1 0 p i n
R U N / B R A K E
S T A R T / S T OP
1
2
3
4
5
6
7
8
9
1 0
P A 1 0 p i n
R U N / B R A K E
S T A R T / S T OP
P 2
P 2
X 2 4
X 2 2 X 2 5
X i O. Mi 1 1
X i O. Mi 1 1
R U N / B R A K E
S T A R T / S T OP
S T A RT / S T OP
A 1 4
2 4 V E
2 4 G
( P 4 )
K M2 A
( P 2 4 )
( E X I T B U F F E R )
X i O. Mi 1 1
L E 6 - M7 1 H W- 0 2 X
M6 6 4 M- 2 0 X
L E 6 - M7 1 H W- 0 2 X
L E 6 - M7 1 H W- 0 2 X
M
6
6
2
U
-
1
0
X
M6 6 4 N - 1 0 X
T R 2 D R V .
T
R
2
L E 7 - 0 0 0 - C N 2
S E C T I ON N A ME
x
S OT -
S OT +
S I R -
S I R +
X i O. F i 3 0
X i O. Mi 1 1
9
8
7
6
5
4
F G
5 V
T R G-
T R G+
GN D
1
2
3
9
8
7
6
5
4
X A 9 P i n
F G
5 V
T R G-
T R G+
S OT +
S OT -
1
2
3
GN D
S I R +
S I R -
X 1
X 3
X A 1 2 P i n
GN D
5 V
GN D _ 5 V
GN D _ 2 4 V
GN D _ 2 4 V
GN D _ 2 4 V
GN D _ 2 4 V
5 V F
2 4 V F
2 4 V F
2 4 V F
2 4 V F
1 2
1 1
1 0
9
8
7
6
5
4
1
2
3
P 2
GN D
5 V
GN D _ 5 V
GN D _ 2 4 V
GN D _ 2 4 V
GN D _ 2 4 V
GN D _ 2 4 V
5 V F
2 4 V F
2 4 V F
2 4 V F
2 4 V F
1 2
1 1
1 0
9
8
7
6
5
4
1
2
3
X i O. F i 6
X A 1 2 P i n
P 4
P 5
S OT -
S OT +
S I R -
S I R +
X i O. F i 3 0
X i O. Mi 1 1
9
8
7
6
5
4
F G
5 V
T R G-
T R G+
GN D
1
2
3
9
8
7
6
5
4
X A 9 P i n
F G
5 V
T R G-
T R G+
S OT +
S OT -
1
2
3
GN D
S I R +
S I R -
X 1
X 3
X A 1 2 P i n
GN D
5 V
GN D _ 5 V
GN D _ 2 4 V
GN D _ 2 4 V
GN D _ 2 4 V
GN D _ 2 4 V
5 V F
2 4 V F
2 4 V F
2 4 V F
2 4 V F
1 2
1 1
1 0
9
8
7
6
5
4
1
2
3
P 2
GN D
5 V
GN D _ 5 V
GN D _ 2 4 V
GN D _ 2 4 V
GN D _ 2 4 V
GN D _ 2 4 V
5 V F
2 4 V F
2 4 V F
2 4 V F
2 4 V F
1 2
1 1
1 0
9
8
7
6
5
4
1
2
3
X i O. F i 6
X A 1 2 P i n
P 4
P 5
M6 6 E 1 - 0 0 X
M6 6 E 1 - 0 0 X
4 3
M1 0 I N T E R C ON N E C T I ON D I A GR A M
F I X E D B A N K F R ON T F I X E D B A N K R E A R
R 1 3 6F 1 3 6
X 2 7
X A 9 P i n
X 3 3
X A 9 P i n
X 3 4
X 3 0
F I X E D B A N K
F 1
F 2
F 3
F 4
T 1
T 2
T 3
T 4
X i O. i N F
F 1
F 2
F 3
F 4
T 1
T 2
T 3
T 4
X i O. i N F
F 1
F 2
F 3
F 4
T 1
T 2
T 3
T 4
X i O. i N F
F 1
F 2
F 3
F 4
T 1
T 2
T 3
T 4
X i O. i N F
L E 6 - M6 5 4 4 - 1 0 X
L E 6 - M6 5 4 4 - 0 0 X
L E 6 - M6 5 4 4 - 1 0 X
L E 6 - M6 5 4 4 - 0 0 X
L E 6 - M7 1 H W- 0 2 X
P 1
X i O. mi n i
L E 6 - M7 1 H W- 0 2 X
P 1
X i O. mi n i
L E 6 - M7 1 H F - 0 0 X
L E 6 - M7 1 H F - 0 0 X
0 . 5 T
0 . 5 T
E 7 6
E 7 7
0 . 5 T 0 . 5 T
E 7 2 E 7 3
E 1 9 , 2 0
0 . 5 T
E 2 1 , 2 2
0 . 5 T
L E 6 - M7 1 H H - 0 2 X
L E 7 - 0 0 0 - C N 2
M6 6 E 2 - 0 1 X
M6 6 E 2 - 0 1 X
L E 6 - M4 0 H 0 - 0 4 X
L E 6 - M4 0 H 0 - 0 4 X
L E 6 - M7 1 H H - 0 2 X
S E C T I ON N A ME
x
M1 0 I N T E R C ON N E C T I ON D I A GR A M
4 4
C F B ( F )
L E 7 - 0 0 0 - C N 2
X i O. F i 3 0
9
8
7
6
5
4
X A 9 P i n
F G
5 V
T R G-
T R G+
S OT +
S OT -
1
2
3
GN D
S I R +
S I R -
X 1
X 3
X A 1 2 P i n
GN D
5 V
GN D _ 5 V
GN D _ 2 4 V
GN D _ 2 4 V
GN D _ 2 4 V
GN D _ 2 4 V
5 V F
2 4 V F
2 4 V F
2 4 V F
2 4 V F
1 2
1 1
1 0
9
8
7
6
5
4
1
2
3
X i O. F i 6
M 7 1 H F - 0 0 X
P 4
P 5
9
8
7
6
5
4
1
2
3
9
8
7
6
5
4
1
2
3
1 1
1 0
9
8
7
6
5
4
1
2
3
1 1
1 0
9
8
7
6
5
4
1
2
3
K H Y - M3 7 2 0 - 1 0 0
2 4 V / 3 A ( P e a k 5 A / 5 0 ms e c )
K H Y - M3 7 8 0 - 1 0 0
D OC K D C
D OC K S
R 1
3 0 0
, 1 0 W
T 1
T 2
T 3
T 4
X i O. i N F
F 1
F 2
F 3
F 4
C F B S I D E
R 2
C F B S I D E
R 2
S H OR T P L U G
D OC K C T F
D OC K D C
C F B
C F B
D OC K S
X i O. Mi 1 1
X i O. mi n i
R 2
M 7 1 H H- 0 2 X
S OT -
S OT +
S I R -
S I R +
X i O. Mi 1 1
9
8
7
6
5
4
F G
5 V
T R G-
T R G+
GN D
1
2
3
P 2
GN D
5 V
GN D _ 5 V
GN D _ 2 4 V
GN D _ 2 4 V
GN D _ 2 4 V
GN D _ 2 4 V
5 V F
2 4 V F
2 4 V F
2 4 V F
2 4 V F
1 2
1 1
1 0
9
8
7
6
5
4
1
2
3
X A 1 2 P i n
X A 9 P i n
X i O. F i 3 0
9
8
7
6
5
4
X A 9 P i n
F G
5 V
T R G-
T R G+
S OT +
S OT -
1
2
3
GN D
S I R +
S I R -
X 1
X 3
X A 1 2 P i n
GN D
5 V
GN D _ 5 V
GN D _ 2 4 V
GN D _ 2 4 V
GN D _ 2 4 V
GN D _ 2 4 V
5 V F
2 4 V F
2 4 V F
2 4 V F
2 4 V F
1 2
1 1
1 0
9
8
7
6
5
4
1
2
3
X i O. F i 6
P 4
P 5
9
8
7
6
5
4
1
2
3
9
8
7
6
5
4
1
2
3
1 1
1 0
9
8
7
6
5
4
1
2
3
1 1
1 0
9
8
7
6
5
4
1
2
3
K H Y - M3 7 2 0 - 1 0 0
2 4 V / 3 A ( P e a k 5 A / 5 0 ms e c )
K H Y - M3 7 8 0 - 1 0 0
D OCK D C
D OCK S
R 1
3 0 0
, 1 0 W
X 2 7
X 3 3
C F B F R ON T 1 F 1 3 6
L E 6 - M6 5 4 4 - 1 0 X
L E 6 - M6 5 4 4 - 0 0 X
L E 6 - M6 6 E A - 0 0 X
X i O. mi n i
P 1
L E 6 - M7 1 H F - 0 0 X
L E 6 - M7 1 H W- 0 2 X
M6 6 E 3 - 0 0 X
X i O. i N F
T 1
T 2
T 3
T 4
F 1
F 2
F 3
F 4
M6 6 E 4 - 0 1 X
X i O. i N F
T 1
T 2
T 3
T 4
F 1
F 2
F 3
F 4
L E 6 - M6 6 E E - 0 1 X
0 . 5 T
E 7 2
E 1 9 , 2 0
0 . 5 T
L E 6 - M7 1 H H - 0 2 X
F I X E D B A N K R E A R R 1 3 6
P 4 5
P 4 5
L E 6 - M6 5 4 4 - 0 0 X
L E 6 - M6 5 4 4 - 1 0 X
L E 6 - M6 6 E E - 0 1 X
L E 6 - M6 6 E A - 0 0 X
L E 6 - M4 0 H 0 - 0 4 X
0 . 5 T
E 8 0
C F B S I D E
M2 0 S I D E
C F B S I D E
M2 0 S I D E