M10_InterConnectDiagram.pdf - 第49页
x S E C T I O N N A ME G N D + 2 4 V G N D + 2 4 V G N D X 4 1 0 4 5 6 7 8 1 2 3 A U X _ D I 4 A U X _ D I 5 A U X _ D O 1 G N D 9 X i O . T i 1 1 P A D 1 0 A U X _ D O 3 C A B L E B E A R 3 2 1 3 2 2 0 1 9 1 8 1 7 1 6 1…

x
S E C T I ON N A ME
0 V
+ 5 V
E B A T -
E B A T +
E S -
E S +
N C
N C
0 V
+ 5 V
1 5
1 8
1 2
3
2 0
1 9
N C
1 4
1 3
E B A T -
E B A T +
E S -
E S +
2
1
N C
2
3
5
4
C A B L E B E A R
OUT 1
2 4 G
OUT 2
I N 2
I N 1
C N 1
1
C N 3
N C
N C
N C
N C
B A T -
B A T +
S G
S G
C MD -
C MD +
1 0
9
8
7
6
5
4
3
2
1
C N A
T
S
R
t
r
A 1 9 ( A 2 1 ) A 2 6 ( A 2 8 )
2 0 0 W
C N 4
N C
N C
N C
N C
B A T -
B A T +
S G
S G
C MD -
C MD +
1 0
9
8
7
6
5
4
3
2
1
F G
H K A MP
H K
H K M
H K P
E V A MP C N 4
M6 6 R F - 0 0 X
E V A MP C N A
T y p e A :
R o t a r y S W
1
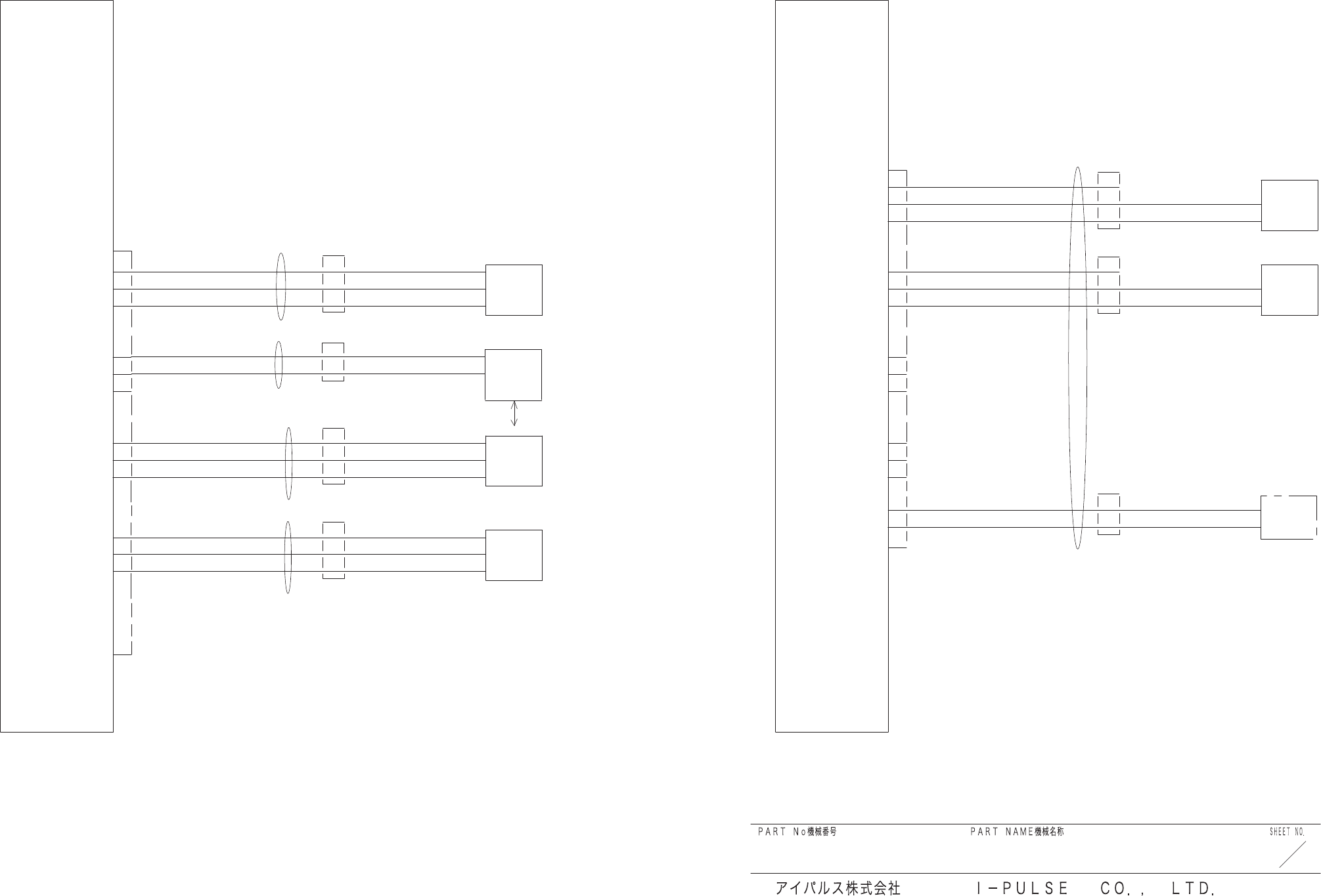
M1 0 I N T E R C ON N E C T I ON D I A GR A M
L E 6 - M6 6 R 4 - 1 0 X
L E 6 - M 6 6 R 2 - 0 0 X
L E 6 - M6 6 R 3 - 1 0 X
L E 6 - M6 5 N 2 - 0 0 X
P a g e 4 7
D OC K C T F
P a g e 4 5
D OC K F T F
P a g e 4 6
P a g e 4 7
4 8
L E 6 - M6 6 R 1 - 2 0 X
L E 6 - M6 6 R 1 - 2 0 X
L E 7 - 0 0 0 - C N 2
C T F , F T F OP T I ON S E R V O ( H K )
B K
W
R
G/ Y
W
V
U
F G
B R
B L
R
B K
S L D
L E 4 - M6 5 1 8 - 0 0 X
L E 6 - M7 1 M4 - 1 0 X

x
S E C T I ON N A ME
GN D
+ 2 4 V
GN D
+ 2 4 V
GN D
X 4
1 0
4
5
6
7
8
1
2
3
A U X _ D I 4
A U X _ D I 5
A U X _ D O1
GN D
9
X i O. T i 1 1
P A D 1 0
A U X _ D O3
C A B L E B E A R
3
2
1
3
2
2 0
1 9
1 8
1 7
1 6
1 5
1 4
1 3
9
4
5
6
8
7
3
2
1
+ 2 4 V
GN D
3
2
1
+ 2 4 V
GN D
3
2
1
1 2
1 1
1 0
S
Q
1
3
7
S Q1 4 6
S P A R E 1 S P A R E 1
X 6
P A D2 0
B
A
S
E
C
T
F
L E 4 - M6 5 R U - 0 0 0
E X - 2 6 A - P
N
E E - S X 9 1 3 P - R
L C 6 - M7 1 H 4 - 0 0 0
+ 2 4 V
P A L L E T E X I S T A N CE
GN D
GN D
GN D
3
2
1
3
2
S Q1 3 8
GND
+ 2 4 V
GN D
+ 2 4 V
GN D
+ 2 4 V
H OOK OR G
E E
- S X 9 1 3 P - R
L C 6 - M7 1
H 4 - 0 0 0
S
T
O
K
P
A
L
L
E
T
E
X
I
S
T
A
N
C
E
E V P A L L E T
E X I S T A N C E
H K A X I S OT +
H K A X I S OT -
B
A
S
E
H
K
M1 0 I N T E R C ON N E C T I ON D I A GR A M
L E 6 - M6 6 R 6 - 0 0 X
1
4
9
C T
F , F T
F
OP
T I O
N
( 1
)
L E 7 - 0 0 0 - C N 2
1
L E 6 - M6
5 N J - 0 0 X
L E 6 - M6 5
N 3 - 0 0 X
B L
B K
B R
B L
B R
B K
L E 6 - M6 5 N H- 0 0 X
B L
B R
B K
L E 6 - M7 1 H 8 - 0 1 X
X i O. T i 1 1
L E 6 - M7 1 H 8 - 0 1 X

x
S E C T I ON N A ME
1 2
1 1
1 0
9
8
7
1
3
2
6
5
4
GN D
+ 2 4 V
3
2
1
3
2
1
+ 2 4 V
GN D
( R )
3
2
1
1 2
1 1
1 0
9
8
7
6
5
4
S
Q
1 4
1
P A D 1 4
X 1 0
1 3
1 4
1
2
S H U T T E R OP E N / C L OS E
GN D
S Q1 3 4
S Q1 3 3
Y V 1 0 1
S T OC K E R A R E A
+ 2 4 V
GN D
GN D
+ 2 4 V
S H U T T E R OP E N
S H U T T E R C L OS E
E E - S X 9 1 1 P - R
1
3
2
GN D
+ 2 4 V
B E L T E X T E N S I ON
GN D
+ 2 4 V
S H U T T E R _ L _ OP E N
GN D
+ 2 4 V
S H U T T E R _ L _ C L OS E
L OWE R
E 3 T - S T 1 3 M
3
2
1
+ 2 4 V
GN D
E E - S X 9 1 1 P - R
3
2
1
X 3
P A D 1 2
U P P E R
D
-
C
7
3
D - C 7 3
E A 1 0 A 5 - 2 5 - 7 5 - P S 1 - D 4
U P P E R
( T )
2
1
S
Q
1 4
1
L OWE R
E 3 T - S T 1 3 M
E V A X I S OT -
E V A X I S OR G/ OT +
S
Q
1 3
0
S
Q
1
3
1
M1 0 I N T E R C ON N E C T I ON D I A GR A M
L E 6 -
M6 5 N 7 - 0 0 X
L E 6 - M6 5 N 8 - 0 0 X
L E 6 - M6 5 N 8 - 0 0 X
L E 6 - M6 5 N 6 - 0 0 X
L E 6 - M 6 6 R 8 - 0 0 X
L E 6
- M6 5 N E - 0 0 X
L E 6 - M6 6
R 7 - 0 0 X
C T F
, F T F
OP T
I ON
( 2 )
5 0
L E 7 - 0 0 0 - C N 2
B L
B K
B R
B L
B R
B L
B R
B K
B L
B R
B K
B R
B L
B R
B L
R
B K
L E 6 - M6 5 N M- 0 0
X
L E 6 - M6 5 N M-
0 0 X
L C 0 - M8 6 H 2 - 0 0 X
L C 0 - M8 6 H 2 - 0 0 X
L C 3 - M9 5 0 K - 0 0 X
L C 2 - M6 5 4 R - 0 0 X
L E 4 - M6 5 R V - 1 0 X
L E 4 - M6 5 R V - 1 0 X
L C 2 - M6 5 4 R - 0 0 X
C D J 2 D 1 6 - 3 0 - C 7 3
L E 6 - M5 B C 1 - 0 0 X A I R C Y L I N D E R
X i O. T i 1 1
L E 6 - M7 1 H 8 - 0 1 X
X i O. T i 1 1
L E 6 - M7 1 H 8 - 0 1 X