KE-3010_20V_使用说明书 - 第402页
第 1 部 基本編 第 3 章 维护 3-60 (2) 管道系统图( Head ) 第 7 排 第 1 排 过滤器 吸嘴 压力 传感器 V:从负压(φ8)真空泵 V:从负压(φ8)真空泵 P:从正压(φ8)真空泵 大气开放 气缸 气缸 气缸 检查阀 P:从正压(φ6)空气单元

第 1 部 基本編 第 3 章 维护
3-59
b-负压 <XL 基板规格>
X Plastic rail X Plastic rail
出
口
出
口
X Plastic rail X Plastic rail
Y Prastic rail Y Plastic rail
L側 HEAD R側
弯头
弯头 弯头
直接接头 直接接头
弯头 弯头
直接接头 直接接头
弯头 弯头
真空泵
减压计 負圧計
插头φ8
万能弯头

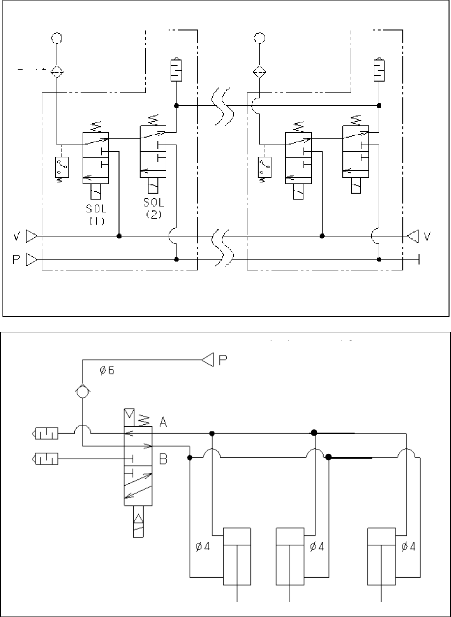
第 1 部 基本編 第 3 章 维护
3-60
(2) 管道系统图(Head)
第
7
排
第
1
排
过滤器
吸嘴
压力
传感器
V:从负压(φ8)真空泵 V:从负压(φ8)真空泵
P:从正压(φ8)真空泵
大气开放
气缸 气缸
气缸
检查阀
P:从正压(φ6)空气单元

第 1 部 基本編 第 3 章 维护
3-61
(3) 管道系统图(统一更换台)
No.
货 号 品 名
①
PA630750300 AIR CYLINDER
②
PC015203000 SPEED CONTROLLER
③
PV0151170A0 SELECTOR
④
PX055104000 SILENCER
⑤
PV010505000 MECHANICAL VALVE
⑥
PX050501000 SILENCER
⑦
40094346 CHECK_VALVE
⑧
40094347 CYLINDER CM2B40-75
⑨
40094348 CYLINDER CDM2B40-200
⑩
PV010505100 MECHANICAL VALVE
⑪
40094349 AIR_OPE_VALVE
<机械更换台、电动更换台通用规格>
前侧
后侧
通向歧管
台架支撑气缸
台架气缸
台架气缸
台架支撑气缸
台架
SW
DC
升降气缸
A
C
阀
1
A
C
阀
2
台架支撑气缸
台架支撑气缸
台架气缸
台架气缸
台架
SW
DC
升降气缸
A
C
阀
2
A
C
阀
1