P220002e.pdf - 第22页
MODEL TPM-1 10F/R-C 021 1-001 20 チャック部 CHUCK SECTION Fig. E-2 Z軸ケーブル部 Z Axis Cable Section 1 12 1 1 1 106 173 165 165 109 168 169 167 167 108 See Fig.E-1 Key No.1 1 See Fig.K-1 Key No.4 169 168 105 102 173 1 12 1 1 1 1 1…

Key No. PART No. PART NAME Q’ty REMARKS
NOTE
MODEL TPM-110F/R-C
0509-002
19
1 630 088 2957 GUIDE,LINEAR 2 748E--310-001
2 630 088 3626 SENSOR,PHOTO 2 BPH232,251, RM-R54 748E--310-002
4 630 088 3886 PIN,LOCATE 2 748E--310-004
5 630 054 8624 PIN,LOCATE 4 748E--310-005
6 630 088 3893 PIN,LOCATE 1 748E--310-006
7 630 092 5159 PIN,LOCATE 1 748E--310-007
8 630 094 2705 MECH PARTS(CABLEVEYOR) 1 748E--310-008
9 630 011 2016 SENSOR 1 SVS052, UPS-50 748E--310-009
11 630 087 8981 BASE 1 748E--310-011
12 630 087 9018 PLATE 2 748E--310-012
13 630 087 9025 PLATE 1 748E--310-013
14 630 090 7865 PLATE 1 748E--310-014
15 630 090 7667 BOSS 1 748E--310-015
16 630 087 9827 PLATE 1 748E--310-016
17 630 087 9865 PLATE 1 748E--310-017
18 630 087 9902 BRACKET 1 748E--310-018
19 630 087 9919 BRACKET 1 748E--310-019
20 630 090 7896 PLATE 1 748E--310-020
21 630 087 9957 BRACKET 1 748E--310-021
22 630 087 9964 BLOCK 2 748E--310-022
61 411 142 6605 SCR PAN 2X16 2 748E--310-061
64 630 008 1053 SET SCREW 1 748E--310-064
65 411 041 8908 SCR PAN 3X6 2 748E--310-065
66 630 000 7527 BOLT,HEX-SCT 29 748E--310-066
68 411 141 3902 WASHER V 3X7X0.5 2 748E--310-068
69 411 141 2806 WASHER SPR 3 2 748E--310-069
70 630 000 7626 BOLT,HEX-SCT 8 748E--310-070
71 411 141 4008 WASHER V 4X9X0.8 8 748E--310-071
72 411 141 2905 WASHER SPR 4 8 748E--310-072
73 630 000 7763 BOLT,HEX-SCT 16 748E--310-073
74 630 000 7787 BOLT,HEX-SCT 8 748E--310-074
75 411 141 4107 WASHER V 5X10X1 8 748E--310-075
76 411 141 6705 WASHER SPR 5 8 748E--310-076
77 630 000 7862 BOLT,HEX-SCT 4 748E--310-077
78 411 141 3001 WASHER SPR 6 4 748E--310-078
79 411 141 4305 WASHER V 6X12.5X1.6 4 748E--310-079
80 411 040 6202 SCR PAN 3X10 2 748E--310-080
81 630 091 0063 PLATE 1 748E--310-081
E-1

MODEL TPM-110F/R-C
0211-001
20
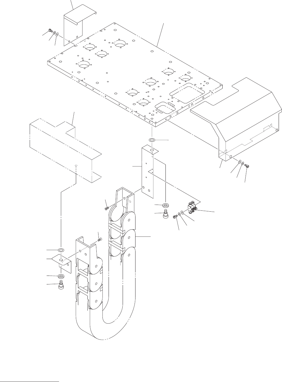
チャック部
CHUCK SECTION
Fig. E-2
Z軸ケーブル部
Z
Axis Cable Section
112
111
106
173
165
165
109
168
169
167
167
108
See Fig.E-1
Key No.11
See Fig.K-1
Key No.4
169
168
105
102
173
112
111
110
171
172
170

Key No. PART No. PART NAME Q’ty REMARKS
NOTE
MODEL TPM-110F/R-C
0211-001
21
102 630 094 2712 MECH PARTS(CABLEVEYOR) 1 748E--310-102
105 630 118 1356 BRACKET 1 748E--310-105
106 630 116 1419 BRACKET(BRACKET) 1 748E--310-106
108 630 103 0128 COVER 1 748E--310-108
109 630 103 0135 COVER 1 748E--310-109
110 630 003 6251 AIR LINE EQPT 2 748E--310-110
111 630 116 3628 BOLT 2 748E--310-111
112 630 118 1035 WASHER 2 748E--310-112
165 630 094 5232 MACHINE SCREW 4 748E--310-165
167 630 000 7626 BOLT,HEX-SCT 4 748E--310-167
168 411 141 4008 WASHER V 4X9X0.8 4 748E--310-168
169 411 141 2905 WASHER SPR 4 4 748E--310-169
170 630 000 7572 BOLT,HEX-SCT 2 748E--310-170
171 411 141 3902 WASHER V 3X7X0.5 2 748E--310-171
172 411 141 2806 WASHER SPR 3 2 748E--310-172
173 411 141 4800 WASHER V 12X24X2.5 2 748E--310-173
E-2