P220002e.pdf - 第28页

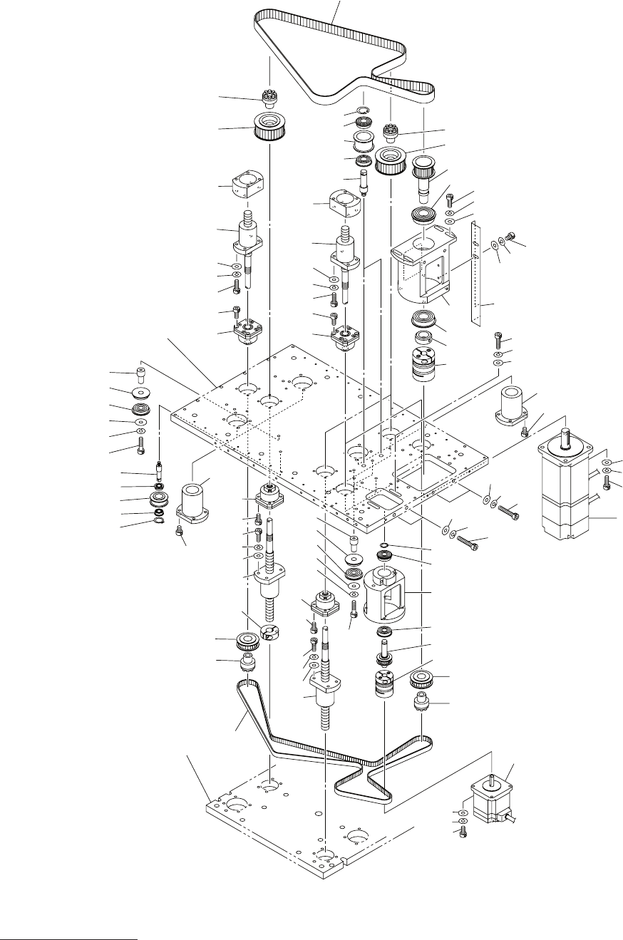
MODEL TPM-1 10F/R-C 021 1-001 26 チャック部 CHUCK SECTION Fig. E-4 Z 軸駆動部 Z Axis Driver 314 323 325 324 329 324 330 334 31 1 367 368 366 362 312 362 366 31 1 368 367 334 321 314 312 See Fig.E-1 Key No.1 1 See Fig.B-1 Key No.7…

100%1 / 172
Key No. PART No. PART NAME Q’ty REMARKS
NOTE
MODEL TPM-110F/R-C
0509-002
25
201 630 088 2988 BEARING,UNIT 2 UFL08 748E--310-201
202 630 088 5200 BALL SCREW 2 748E--310-202
203 630 055 3369 BEARING,RADIAL 2 626ZZ 748E--310-203
204 630 096 6596 RING 2 748E--310-204
205 630 094 5072 PULLEY,TIMING 3 748E--310-205
206 630 088 4067 BEARING,RADIAL 1 698ZZ 748E--310-206
207 630 096 6602 RING 1 748E--310-207
208 630 088 4074 BEARING,RADIAL 2 F604ZZ 748E--310-208
209 630 011 1996 BEARING,RADIAL 1 604ZZ 748E--310-209
210 630 096 6619 RING 1 748E--310-210
211 630 088 4739 COLLAR 1 748E--310-211
212 630 088 3541 COUPLING 1 SFC-020SD 5B-8B 748E--310-212
213 630 091 2470 MOTOR,STEPPING 1 MPM025, B2086-D01ASM
748E--310-213
214 630 088 3626 SENSOR,PHOTO 2 BPH232,233, RM-R54 748E--310-214
216 630 088 3886 PIN,LOCATE 2 748E--310-216
217 630 088 3473 BELT,TIMING 1 748E--310-217
218 630 131 7915 BRACKET 1 748E--310-218
219 630 116 1402 BRACKET(BRACKET) 1 748E--310-219
220 630 087 9674 BRACKET 1 748E--310-220
221 630 087 9681 BRACKET 1 748E--310-221
222 630 087 9698 PLATE 1 748E--310-222
223 630 087 9704 PLATE 1 748E--310-223
224 630 087 9711 PLATE 2 748E--310-224
226 630 087 9759 BRACKET 1 748E--310-226
227 630 116 1396 PIN,HINGE(PIN) 1 748E--310-227
228 630 090 7452 BOSS 1 748E--310-228
229 630 117 2521 BRACKET 1 748E--310-229
230 630 087 9872 COVER 1 748E--310-230
231 630 087 9889 COVER 1 748E--310-231
232 630 090 7834 BRACKET 1 748E--310-232
233 630 091 0063 PLATE 2 748E--310-233
261 411 147 6808 SCR TRS 3X5 2 748E--310-261
262 630 000 7510 BOLT,HEX-SCT 18 748E--310-262
263 411 040 6202 SCR PAN 3X10 4 748E--310-263
264 411 141 3902 WASHER V 3X7X0.5 2 748E--310-264
265 411 141 2806 WASHER SPR 3 2 748E--310-265
266 630 076 4345 SET SCREW 6 748E--310-266
267 411 051 1708 SCR TRS 4X6 4 748E--310-267
268 630 000 7626 BOLT,HEX-SCT 6 748E--310-268
269 630 076 4437 BOLT,HEX-SCT 12 748E--310-269
270 411 141 4008 WASHER V 4X9X0.8 10 748E--310-270
271 411 141 2905 WASHER SPR 4 10 748E--310-271
272 630 000 7749 BOLT,HEX-SCT 2 748E--310-272
273 630 000 7763 BOLT,HEX-SCT 8 748E--310-273
274 630 000 7770 BOLT,HEX-SCT 4 748E--310-274
275 411 141 4107 WASHER V 5X10X1 14 748E--310-275
276 411 141 6705 WASHER SPR 5 14 748E--310-276
277 411 118 8503 NUT HEX 5 1 748E--310-277
278 630 000 7565 BOLT,HEX-SCT 1 748E--310-278
E-3
MODEL TPM-110F/R-C
0211-001
26
チャック部
CHUCK SECTION
Fig. E-4 Z
軸駆動部
Z Axis Driver
314
323
325
324
329
324
330
334
311
367
368
366
362
312
362
366
311
368
367
334
321
314
312
See Fig.E-1
Key No.11
See Fig.B-1
Key No.7
333
317
318
317
316
327
365
312
362
366
368
367
320
326
319
313
366
362
312
368
367
363
305
314
313
301
302
332
372
373
371
372
373
371
372
373
369
310
365
327
302
303
364
362
320
314
321
307
306
372
363
364
331
328
306
308
309
372
373
370
361
373
369
336
336
335
375
368
374
335
336
336
375
374
368
304
Key No. PART No. PART NAME Q’ty REMARKS
NOTE
MODEL TPM-110F/R-C
0509-002
27
301 630 094 5058 PULLEY,TIMING 1 748E--310-301
302 630 001 1425 BEARING,RADIAL 2 6000ZZNR 748E--310-302
303 411 000 7102 RING C 10 1 748E--310-303
304 630 088 3572 COUPLING 1 SFC-030WD 8B-10B 748E--310-304
305 630 091 2449 MOTOR,STEPPING 1 MPM023, B2084-D21ASM
748E--310-305
306 630 001 1463 BEARING,RADIAL 2 6004ZZNR 748E--310-306
307 630 094 5034 PULLEY,TIMING 1 748E--310-307
308 630 088 3916 SET COLLAR 1 748E--310-308
309 630 088 3589 COUPLING 1 SFC-040WD 16B-16B 748E--310-309
310 630 108 4534 MOTOR,AC-SERVO 1 MSVM017, R88M-W75030H-B
748E--310-310
311 630 088 5187 BALL SCREW 3 748E--310-311
312 630 013 6241 BEARING,UNIT 6 WBK12-11 748E--310-312
313 630 094 5065 PULLEY,TIMING 3 748E--310-313
314 630 092 8044 CLAMP 6 748E--310-314
316 630 096 6602 RING 1 748E--310-316
317 630 088 4081 BEARING,RADIAL 2 F688ZZ 748E--310-317
318 630 094 5089 PULLEY,TIMING 1 748E--310-318
319 630 088 3459 BELT,TIMING 1 748E--310-319
320 630 088 5194 BALL SCREW 3 748E--310-320
321 630 094 5041 PULLEY,TIMING 3 748E--310-321
323 630 088 3466 BELT,TIMING 1 748E--310-323
324 630 001 1432 BEARING,RADIAL 4 6001ZZNR 748E--310-324
325 411 000 7300 RING C 12 2 748E--310-325
326 630 116 4632 MECH PARTS 1 748E--310-326
327 630 088 3954 BUSH,BALL 3 SMT25GUU 748E--310-327
328 630 102 9818 BRACKET 1 748E--310-328
329 630 087 9049 PULLEY 2 748E--310-329
330 630 090 6325 BOSS 2 748E--310-330
331 630 090 7759 BRACKET 1 748E--310-331
332 630 102 9801 BRACKET 1 748E--310-332
333 630 090 7643 BOSS 1 748E--310-333
334 630 087 9940 BLOCK 3 748E--310-334
335 630 116 1792 BOSS(PIN) 4 748E--310-335
336 630 001 1548 BEARING,RADIAL 8 6200ZZNR 748E--310-336
361 630 000 7626 BOLT,HEX-SCT 2 748E--310-361
362 630 000 7657 BOLT,HEX-SCT 28 748E--310-362
363 411 141 4008 WASHER V 4X9X0.8 6 748E--310-363
364 411 141 2905 WASHER SPR 4 6 748E--310-364
365 630 000 7749 BOLT,HEX-SCT 12 748E--310-365
366 630 000 7770 BOLT,HEX-SCT 24 748E--310-366
367 411 141 4107 WASHER V 5X10X1 24 748E--310-367
368 411 141 6705 WASHER SPR 5 28 748E--310-368
369 630 000 7893 BOLT,HEX-SCT 8 748E--310-369
370 630 000 7909 BOLT,HEX-SCT 2 748E--310-370
371 630 000 7930 BOLT,HEX-SCT 4 748E--310-371
372 411 141 4305 WASHER V 6X12.5X1.6 14 748E--310-372
373 411 141 3001 WASHER SPR 6 14 748E--310-373
374 630 000 7817 BOLT,HEX-SCT 4 M5X40
E-4