P220002e.pdf - 第96页

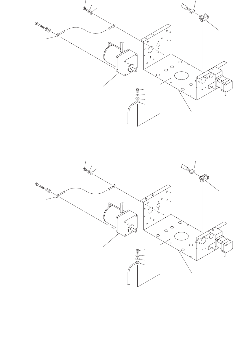
MODEL TPM-1 10F/R-C 021 1-001 94 コンベア部 CONVEYOR SECTION Fig. H-5 ケーブル ( 奥基準) Cable (Rear Reference) 402 463 462 461 403 401 See Fig.H-2 Key No.120 See Fig.H-2 Key No.122 See Fig.H-2 Key No.1 10 461 462 463 405 463 462 46…

100%1 / 172
Key No. PART No. PART NAME Q’ty REMARKS
NOTE
MODEL TPM-110F/R-C
0509-002
93
401 630 088 6634 CORD 1 748H--310-401
402 630 088 6641 CORD 1 748H--310-402
403 630 138 1084 CORD 1 XNC1371- 748H--310-403
404 630 088 6665 CORD 1 748H--310-404
405 630 088 6672 CORD 1 748H--310-405
406 630 138 1091 CORD 1 XNC1391- 748H--310-406
461 411 113 1400 SCR PAN 4X6 4 748H--310-461
462 411 008 1706 WASHER SPR 4 4 748H--310-462
463 411 119 2104 WASHER V 4X9X0.8 4 748H--310-463
H-5
MODEL TPM-110F/R-C
0211-001
94
コンベア部
CONVEYOR SECTION
Fig. H-5
ケーブル ( 奥基準)
Cable (Rear Reference)
402
463
462
461
403
401
See Fig.H-2
Key No.120
See Fig.H-2
Key No.122
See Fig.H-2
Key No.110
461
462
463
405
463
462
461
406
404
See Fig.H-4
Key No.320
See Fig.H-4
Key No.322
See Fig.H-4
Key No.310
461
462
463
Key No. PART No. PART NAME Q’ty REMARKS
NOTE
MODEL TPM-110F/R-C
0509-002
95
401 630 088 6634 CORD 1 748H--310-401
402 630 088 6641 CORD 1 748H--310-402
403 630 138 1084 CORD 1 XNC1371- 748H--310-403
404 630 088 6665 CORD 1 748H--310-404
405 630 088 6672 CORD 1 748H--310-405
406 630 138 1091 CORD 1 XNC1391- 748H--310-406
461 411 113 1400 SCR PAN 4X6 4 748H--310-461
462 411 008 1706 WASHER SPR 4 4 748H--310-462
463 411 119 2104 WASHER V 4X9X0.8 4 748H--310-463
H-5