PTS-NXT-08JE - 第113页
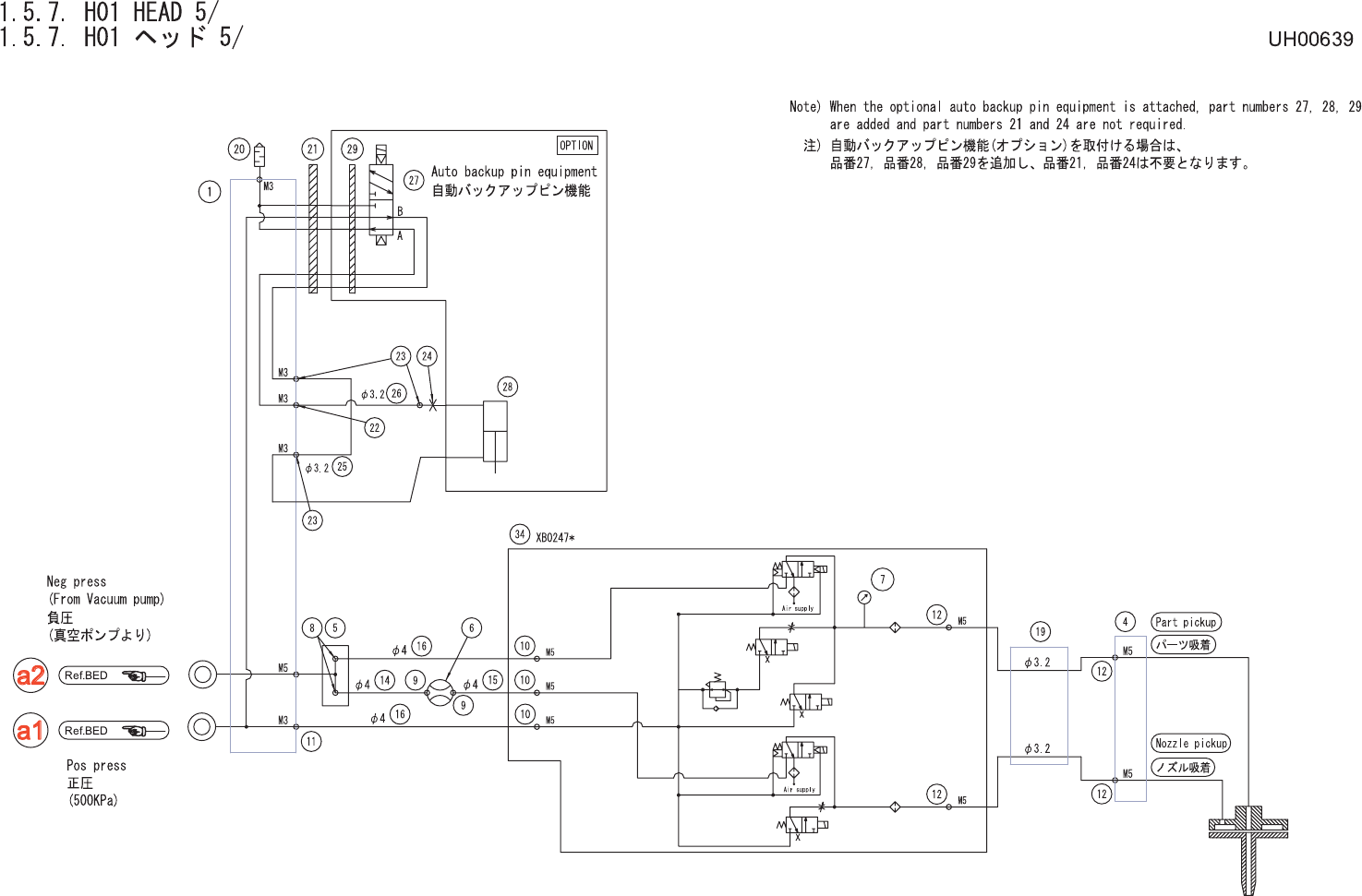
1.5.7. H01 HEAD 5/ 1.5.7. H01 ヘッド 5/ UH00639 No. Drg.No. & Code No. QTY Description Rating Materials Remarks 番号 図番 & コード番号 個数 品名 規格 材質 備考 1 PT01511 1 BODY 本体 FE 4 AA37122 1 HOUSING ハウジング OT 5 PM35523 1 BOLT, JOI…

1. PARTS PLACING / 部品装着 112 PTS-NXT-08JE

1.5.7. H01 HEAD 5/
1.5.7. H01 ヘッド 5/
UH00639
No. Drg.No. & Code No. QTY Description Rating
Materials
Remarks
番号 図番 & コード番号 個数 品名 規格 材質 備考
1 PT01511 1 BODY 本体 FE
4 AA37122 1 HOUSING ハウジング OT
5 PM35523 1 BOLT, JOINT ボルト ジョイント FE
6 XS01581 1 SENSOR センサ OT
7 S4033G 1 SENSOR, PRESSURE センサ 圧力 PSE543-M5 OT
8 A4067T 2 ELBOW エルボ M-5ALHU-4 OT
9 A4068H 2 ELBOW エルボ M-5ALU-4 OT
10 N2030T 3 NIPPLE ニップル M-5AU-4 OT
11 A4067A 1 ELBOW エルボ M-3ALU-4 OT
12 A4068G 4 ELBOW エルボ M-5ALU-3 OT
14 PZ14430 1 TUBE チューブ PL
15 PZ24380 1 TUBE チューブ PL
16 PZ07471 2 TUBE チューブ OT
17 PZ09530 1 HOSE, AIR ホース エアー OT
19 RH04334 1 HARNESS ハーネス OT
20 S1058B 1 SILENCER サイレンサ AN120-M3 OT
21 H3176D 1 PLATE プレート SYJ3000-21-2A OT
22 A4067G 1 ELBOW エルボ M-3AU-3 OT
23 A40669 3 ELBOW エルボ M-3ALU-3 OT
24 N1108K 1 NUT, DOMED CAP ナット 六角袋 M3 ステンレス FE
25 PZ15280 1 TUBE チューブ PL
26 PZ15270 1 TUBE チューブ PL
27 H1122D 1 VALVE, SOL バルブ SOL SYJ3140-5M0U OT
Auto back-up pin Chuck(OPTION)
28 XS01853 1 CYLINDER シリンダ OT
Auto back-up pin Chuck(OPTION)
29 PJ06430 1 PLATE, ACRYLIC プレート アクリル OT
Auto back-up pin Chuck(OPTION)
34 XB02471 1 VALVE UNI
T
バル
ブ
ユニット OT
1. PARTS PLACING / 部品装着 113 PTS-NXT-08JE

1. PARTS PLACING / 部品装着 114 PTS-NXT-08JE