PTS-NXT-08JE - 第134页
A A A B B B B Ref. PARTS CAMERA 12 15 14 13 7 6 21 20 20 22 20 20 19 18 17 22 22 22 15 15 15 16 11 10 22 15 43 44 42 45 46 8 39 24 5 1 1 2 3 2 3 47 47 47 47 23 UG00501 2. VISION SYSTEM / 画像処理 134 PTS-NXT-08JE

2.5. PARTS CAMERA(SIDE LIGHT TYPE)
2.5. パーツカメラ(サイドライト仕様)
UG00501
No. Drg.No. & Code No. QTY Description Rating
Materials
Remarks
番号 図番 & コード番号 個数 品名 規格 材質 備考
1 H2093E 2 PIN, PARALLEL ピン 平行 ゚4X10 Aシュ ステンレス OT
2 XR00240 1 LENS レンズ OT
2.1 N4027A 1 SCREW, HEX SOCKET SET ネジ 六角穴止め M04X005 クボミサキ FE
3 H5178A 3 BOLT, HEX ボルト 六角 M05X020 FE
4 W1023A 3 WASHER, LOCK ワッシャ スプリング 5M/M FE
5 W1044A 3 WASHER, FLAT ワッシャ 平 4W- 5 FE
6 PM60342 1 BKT BKT FE
7 H5295A 4 BOLT, HEX SOCKET ボルト 六角穴 M04X035 FE
8 W1022A 4 WASHER, LOCK ワッシャ スプリング 4M/M FE
9 W1041A 4 WASHER, FLAT ワッシャ 平 4M/MX0.8X9(1W-4) FE
10 PJ06590 4 BUSHING ブシュ OT
11 PH00370 1 BKT BKT OT
12 K5357T 2 SCREW, HEX SOCKET COUNTERSUNK 小ネジ 六角穴皿 M03X008 FE
13 XK00793 1 CAMERA カメラ OT
14 PX04041 1 SEAL, BAR COD
E
シール バーコード OT
2. VISION SYSTEM / 画像処理 133 PTS-NXT-08JE

A
AA
BB
BB
Ref.
PARTS CAMERA
12
15
14
13
7
6
21
20
20
22
20
20
19
18
17
22
22
22
15
15
15
16
11
10
22
15
43
44
42
45
46
8
39
24
5
1
1
2
3
2
3
47
47
47
47
23
UG00501
2. VISION SYSTEM / 画像処理 134 PTS-NXT-08JE

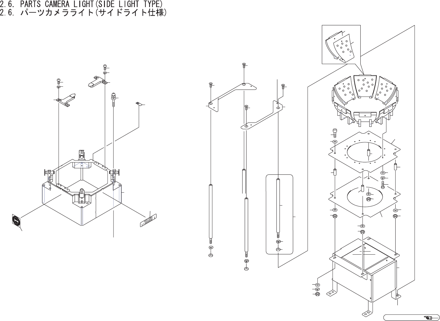
2.6. PARTS CAMERA LIGHT(SIDE LIGHT TYPE)
2.6. パーツカメラライト(サイドライト仕様)
UG00501
No. Drg.No. & Code No. QTY Description Rating
Materials
Remarks
番号 図番 & コード番号 個数 品名 規格 材質 備考
1 AA1KL01 2 COVER, GLASS カバー ガラス OT
2 K5255H 4 SCREW, HEX SOCKET BUTTON 小ネジ 六角穴ボタン M03X005 FE
3 W1021A 4 WASHER, LOCK ワッシャ スプリング 3M/M FE
5 AA3WZ00 4 BOLT ボルト OT
6 PM60310 4 BOLT ボルト FE
7 W1022A 4 WASHER, LOCK ワッシャ スプリング 4M/M FE
8 PM98130 4 WASHER ワッシャ FE NOTE.1 t=2.0
10 DBGC1670 8 HOLDER, LIGHT ホルダ ライト OT
11 XK03400 8 BOARD, PRINTED CIRCUIT 基板 プリント OT
12 XK02930 1 BOARD, PRINTED CIRCUIT 基板 プリント OT
13 H5282A 4 BOLT, HEX SOCKET ボルト 六角穴 M03X030 FE
14 W1021A 4 WASHER, LOCK ワッシャ スプリング 3M/M FE
15 W1040A 8 WASHER, FLAT ワッシャ 平 3M/MX0.5X7 FE
16 W1042A 4 WASHER, FLAT ワッシャ 平 4W- 3 FE
17 K51757 16 SCREW, C/R PAN 小ネジ 十穴鍋 M02.5X006 ステンレス FE
18 W1020H 16 WASHER, LOCK ワッシャ スプリング 2.5M/M FE
19 W1039H 16 WASHER, FLAT ワッシャ 平 2.5M/M FE
20 S32270 4 SPACER スペーサ CZ-315 OT
21 XK03690 1 BOARD, PRINTED CIRCUIT 基板 プリント OT
22 N1076A 8 NUT, HEX ナット 六角 M 3 P=0.5 FE
23 AA17514 1 LAMP ランプ OT
24 AA2HT02 1 LAMP ランプ OT
39 K51990 4 SCREW, WASHER ASS'Y 小ネジ 座金組込み M03X006 ナベセムス P4 FE
42 PX04021 1 SEAL, BAR CODE シール バーコード PL
43 PX04031 1 SEAL, BAR CODE シール バーコード OT
44 PZ25700 1 SEAL シール PL
45 PB33377 1 PLATE プレート FE
46 PB33387 1 PLATE プレート FE
47 K5358F 4 SCREW, HEX SOCKET COUNTERSUN
K
小ネジ 六角穴皿 M03X14 FE
NOTE.1:(Specified parts selection/選択部品) PM03AM0(t=1.7),PM03AN0(t=1.8),PM03AR0(t=1.9),PM03AS0(t=2.1),PM03AT0(t=2.2),PM03AW0(t=2.3)
2. VISION SYSTEM / 画像処理 135 PTS-NXT-08JE