PTS-NXT-08JE - 第177页
3.1.2. 2M-BASE CONTROL BOX 2/ 3.1.2. 2M-ベースコントロールBOX 2/ UB00628 No. Drg.No. & Code No. QTY Description Rating Materials Remarks 番号 図番 & コード番号 個数 品名 規格 材質 備考 1 PB34062 1 COVER カバー FE 2 PB34041 1 PLATE プレート FE 3 H…

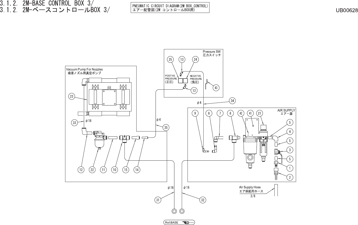
3. BASE / ベース 176 PTS-NXT-08JE

3.1.2. 2M-BASE CONTROL BOX 2/
3.1.2. 2M-ベースコントロールBOX 2/
UB00628
No. Drg.No. & Code No. QTY Description Rating
Materials
Remarks
番号 図番 & コード番号 個数 品名 規格 材質 備考
1 PB34062 1 COVER カバー FE
2 PB34041 1 PLATE プレート FE
3 H5298A 2 BOLT, HEX SOCKET ボルト 六角穴 M05X010 FE
4 W1023A 2 WASHER, LOCK ワッシャ スプリング 5M/M FE
5 PB62370 3 BKT BKT FE
6 H5287A 6 BOLT, HEX SOCKET ボルト 六角穴 M04X008 FE
7 W1022A 6 WASHER, LOCK ワッシャ スプリング 4M/M FE
11 PB34052 1 PLATE プレート FE
11.1 H5298A 2 BOLT, HEX SOCKET ボルト 六角穴 M05X010 FE
11.2 W1023A 2 WASHER, LOCK ワッシャ スプリング 5M/M FE
11.3 H5292A 1 BOLT, HEX SOCKET ボルト 六角穴 M04X020 FE
11.4 W1022A 1 WASHER, LOCK ワッシャ スプリング 4M/M FE
12 PB34131 1 BKT BKT FE
13 H5287A 2 BOLT, HEX SOCKET ボルト 六角穴 M04X008 FE
14 W1022A 2 WASHER, LOCK ワッシャ スプリング 4M/M FE
15 PB34141 1 BKT BKT FE
16 H5287A 2 BOLT, HEX SOCKET ボルト 六角穴 M04X008 FE
17 W1022A 2 WASHER, LOCK ワッシャ スプリング 4M/M FE
18 PZ17520 1 SEAL シール FE
3. BASE / ベース 177 PTS-NXT-08JE

3. BASE / ベース 178 PTS-NXT-08JE