PTS-NXT-08JE - 第271页
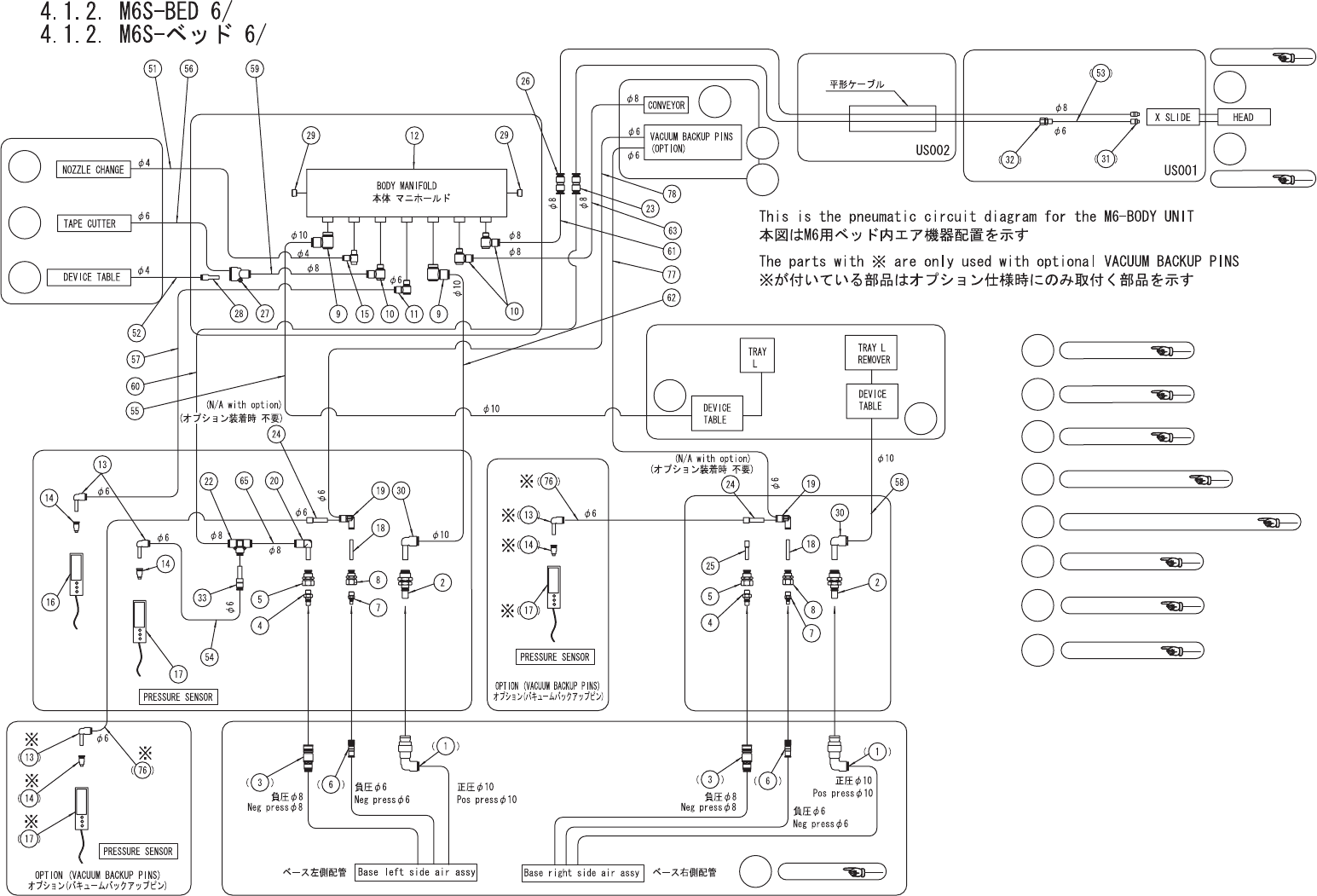
4.1.2. M6S-BED 6/ 4.1.2. M6S-ベッド 6/ UA00390 No. Drg.No. & Code No. QTY Description Rating Materials Remarks 番号 図番 & コード番号 個数 品名 規格 材質 備考 1 S5026R 2 SOCKET ソケット KK4S-10L OT Note.2 2 K11578 2 COUPLER カプラ KK4P-10E …

A
Ref.HEAD
Ref.HEAD
Ref.BASE
Ref.DEVICE BASE
Ref.DEVICE BASE
a1a1
a2a2
ii
ii
hh
hh
ff
Ref.DEVICE BASE
ff
ee
Ref.WASTE TAPE PROCESSING UNIT
ee
dd
dd
Ref.NOZZLE CHANGER
gg
c1c1
Ref.CONVEYOR
bb
Ref.CONVEYOR
bb
c1c1
c2c2
c2c2
Ref.CONVEYOR
FLAT CABLE
UA00390
4. MODULE / モジュール 270 PTS-NXT-08JE

4.1.2. M6S-BED 6/
4.1.2. M6S-ベッド 6/
UA00390
No. Drg.No. & Code No. QTY Description Rating
Materials
Remarks
番号 図番 & コード番号 個数 品名 規格 材質 備考
1 S5026R 2 SOCKET ソケット KK4S-10L OT Note.2
2 K11578 2 COUPLER カプラ KK4P-10E OT
3 S5025X 2 SOCKET ソケット CPS15-8 OT Note.2
4 K1161Z 2 COUPLER カプラ CPP15-02 OT
5 Y3025B 2 UNION ユニオン PMF10-02 OT
6 S50251 2 SOCKET ソケット CPSE7-6 OT Note.2
7 K1161W 2 COUPLER カプラ CPPE7-01 OT
8 Y3024A 2 UNION ユニオン PMF6-01 OT
9 Y3122A 2 UNION, ELBOW ユニオン エルボ KQ2VS10-02S OT
10 Y3082E 3 UNION, ELBOW ユニオン エルボ KQ2VS08-02S OT
11 Y3082M 1 UNION, ELBOW ユニオン エルボ KQ2VS06-02S OT
12 PM00324 1 MANIFOLD マニホールド AL
13 Y3079H 2(4) UNION, ELBOW ユニオン エルボ KQ2L06-99 OT Note.1
14 Y3086Y 2(4) UNION, HALF ユニオン ハーフ KQ2S06-M5 OT Note.1
15 Y3121A 1 UNION, ELBOW ユニオン エルボ KQ2VS04-01S OT
16 XS00920 1 SENSOR, PRESSURE センサ 圧力 PS6-103G-PWM-019 OT
17 XS00930 1(3) SENSOR, PRESSURE センサ 圧力 PS6-102V-PWM-020 OT Note.1
18 N2029N 2 NIPPLE ニップル PIJ6 OT
19 Y3021W 2 UNION ユニオン PAU6 OT
20 A4047E 1 ELBOW エルボ PLJ-10 OT
22 Y3023T 1 UNION ユニオン PEG10-8 OT
23 Y3118K 1 UNION, HALF ユニオン ハーフ GWS810-0 OT
24 H3145L 2(0) PLUG プラグ KQ2P-06 OT Note.1
25 H3145S 1 PLUG プラグ KQ2P-10 OT
26 Y3067K 1 UNION, HALF ユニオン ハーフ KQ2H08-00 OT
27 K50766 1 CONNECTOR コネクタ KQ2U06-08 OT
28 Y30682 1 UNION ユニオン KQ2R04-06 OT
29 H3153T 2 PLUG, HEX SOCKET プラグ 六角穴 R1/4 OT
30 A4066H 2 ELBOW エルボ KQ2L10-99 OT
31 N2031A 1 NIPPLE ニップル M-5H-6 OT Note.3
32 XZ00010 1 JOINT, HOSE ジョイント ホース IN-233-1336 OT Note.3
33 S21571 1 JOINT ジョイント PGJ8-6 OT
51 PZ08290 1 TUBE チューブ TU0425B L=1140 OT
52 PZ06730 1 TUBE チューブ TU0425B L=1340 OT
53 PZ07200 1 TUBE チューブ TU0604B L=95 OT Note.3
54 PZ07790 1 TUBE チューブ TU0604B L=400 OT
55 PZ06760 1 TUBE チューブ TU1065B L=1530 OT
56 PZ06580 1 TUBE チューブ TU0604B L=1000 OT
4. MODULE / モジュール 271 PTS-NXT-08JE

4.1.2. M6S-BED 6/
4.1.2. M6S-ベッド 6/
UA00390
No. Drg.No. & Code No. QTY Description Rating
Materials
Remarks
番号 図番 & コード番号 個数 品名 規格 材質 備考
57 PZ06710 1 TUBE チューブ TU0604B L=700 OT
58 PZ06780 1 TUBE チューブ TU1065B L=710 OT
59 PZ06640 1 TUBE チューブ TU0604B L=2450 OT
60 PZ26430 1 TUBE チューブ TU1065B L=1590 OT
61 PZ07571 1 TUBE チューブ TU0805B L=1500 OT
62 PZ06630 1 TUBE チューブ TU1065B L=980 OT
63 PZ06700 1 TUBE チューブ TU0805B L=2450 OT
65 PZ21100 1 TUBE チューブ TU1065B L=230 OT
76 PZ06620 0(2) TUBE チューブ TU0604B L=225 OT Note.1
77 PZ10400 1 TUBE チューブ TU0604B L=1800 OT
78 PZ1173
0
1 TUBE チュー
ブ
TU0604B L=200
0
OT
Note.1:The quantity in ( ) indicates the quantity for use with optional Vacuum backup pins.
:( )内の個数はオプション仕様のバキュームバックアップピンが取付く場合の個数を示す。
Note.2:The parts for BASE unit.
:ベース構成部品
Note.3:The parts for SLYDE X-AXIS unit (US001**).
:X軸構成部品
4. MODULE / モジュール 272 PTS-NXT-08JE