PTS-NXT-08JE - 第400页
A 32 36 17 33 32 24 25 21.1 23 22 1 19 9 8 32 28 30 31 15 13 14 33 35 39, 39.1 29 31 22 21.1 34 29 28 30 33 31 32 31 33 3 4 2 26 27 37 38 45 44 46 23.1 23.2 23.3 34.1 34.2 34.3 6 7 5 12 11 10 20 21 21 20 40, 40.1 43 41 4…

6.1.2. M6S-SINGLE CONVEYOR 3/
6.1.2. M6S-シングルコンベア 3/
UQ01544
No. Drg.No. & Code No. QTY Description Rating
Materials
Remarks
番号 図番 & コード番号 個数 品名 規格 材質 備考
80 K5358
C
2 SCREW, HEX SOCKET COUNTERSUN
K
小ネジ 六角穴皿 M03X012 FE
6. CONVEYOR / コンベア 63 PTS-NXT-08JE

A
32
36
17
33
32
24
25
21.1
23
22
1
19
9
8
32
28
30
31
15
13
14
33
35
39, 39.1
29
31
22
21.1
34
29
28
30
33
31
32
31
33
3
4
2
26
27
37
38
45
44
46
23.1
23.2
23.3
34.1
34.2
34.3
6
7
5
12
11
10
20
21
21
20
40,
40.1
43
41
42
UQ01544
6. CONVEYOR / コンベア 64 PTS-NXT-08JE

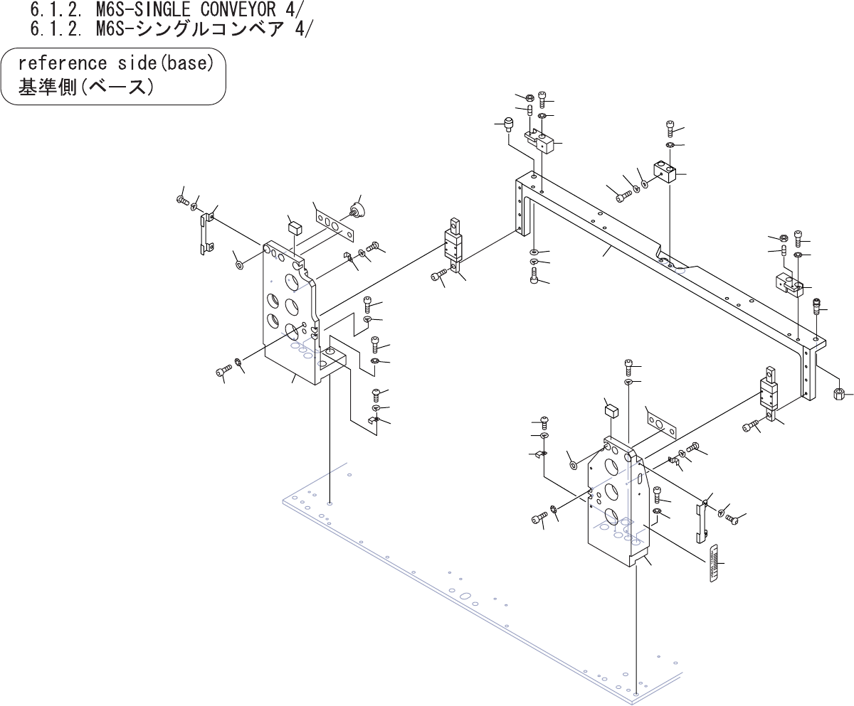
6.1.2. M6S-SINGLE CONVEYOR 4/
6.1.2. M6S-シングルコンベア 4/
UQ01544
No. Drg.No. & Code No. QTY Description Rating
Materials
Remarks
番号 図番 & コード番号 個数 品名 規格 材質 備考
1 PM01890 1 PIN, LOCATING ピン 位置決め FE
2 H5275A 1 BOLT, HEX SOCKET ボルト 六角穴 M03X008 FE
3 W1021A 1 WASHER, LOCK ワッシャ スプリング 3M/M FE
4 W1042A 1 WASHER, FLAT ワッシャ 平 4W- 3 FE
5 PM31372 1 BLOCK, STOPPER ブロック ストッパ FE
6 H5290A 2 BOLT, HEX SOCKET ボルト 六角穴 M04X015 FE
7 W1011A 2 WASHER, CONICAL ワッシャ 皿 M- 4-L FE
8 N4023B 1 SCREW, HEX SOCKET SET ネジ 六角穴止め M03X010 マルサキ FE
9 N1077H 1 NUT, HEX ナット 六角 M 3 P=0.5 3シュ FE
10 PM31382 1 BLOCK, STOPPER ブロック ストッパ FE
11 H5290A 2 BOLT, HEX SOCKET ボルト 六角穴 M04X015 FE
12 W1011A 2 WASHER, CONICAL ワッシャ 皿 M- 4-L FE
13 N4023B 1 SCREW, HEX SOCKET SET ネジ 六角穴止め M03X010 マルサキ FE
14 N1077H 1 NUT, HEX ナット 六角 M 3 P=0.5 3シュ FE
15 PM01900 1 PIN, LOCATING ピン 位置決め FE
17 N10035 1 NUT ナット NT6 OT
19 PM87133 1 BKT, SLIDE BKT スライド FE
20 XG00141 2 GUIDE, RAIL ガイド レール OT
21 H5274A 8 BOLT, HEX SOCKET ボルト 六角穴 M03X006 FE
21.1 H5274A 8 BOLT, HEX SOCKET ボルト 六角穴 M03X006 FE
22 W1010A 8 WASHER, CONICAL ワッシャ 皿 M- 3-L FE
23 PM02GW1 1 BKT BKT FE
23.1 PJ13271 1 SHEET シート OT
23.2 PJ12921 2 WASHER ワッシャ OT
23.3 PS02492 1 SHEET シート OT
24 H5321A 4 BOLT, HEX SOCKET ボルト 六角穴 M06X012 FE
25 W1013A 4 WASHER, CONICAL ワッシャ 皿 M- 6-H FE
26 H5289A 1 BOLT, HEX SOCKET ボルト 六角穴 M04X012 FE
27 W1022A 1 WASHER, LOCK ワッシャ スプリング 4M/M FE
28 PP00690 2 RETAINER, WIRING 押え 配線 FE
29 K5255A 4 SCREW, HEX SOCKET BUTTON 小ネジ 六角穴ボタン M03X004 FE
30 W1021A 4 WASHER, LOCK ワッシャ スプリング 3M/M FE
31 PP00440 7 RETAINER,WIRING 押え 配線 FE
32 K5255A 7 SCREW, HEX SOCKET BUTTON 小ネジ 六角穴ボタン M03X004 FE
33 W1021A 7 WASHER, LOCK ワッシャ スプリング 3M/M FE
34 PM02GX0 1 BKT BKT FE
34.1 PJ13281 1 SHEET シート OT
34.2 PJ12921 2 WASHER ワッシャ OT
6. CONVEYOR / コンベア 65 PTS-NXT-08JE