PTS-NXT-08JE - 第405页
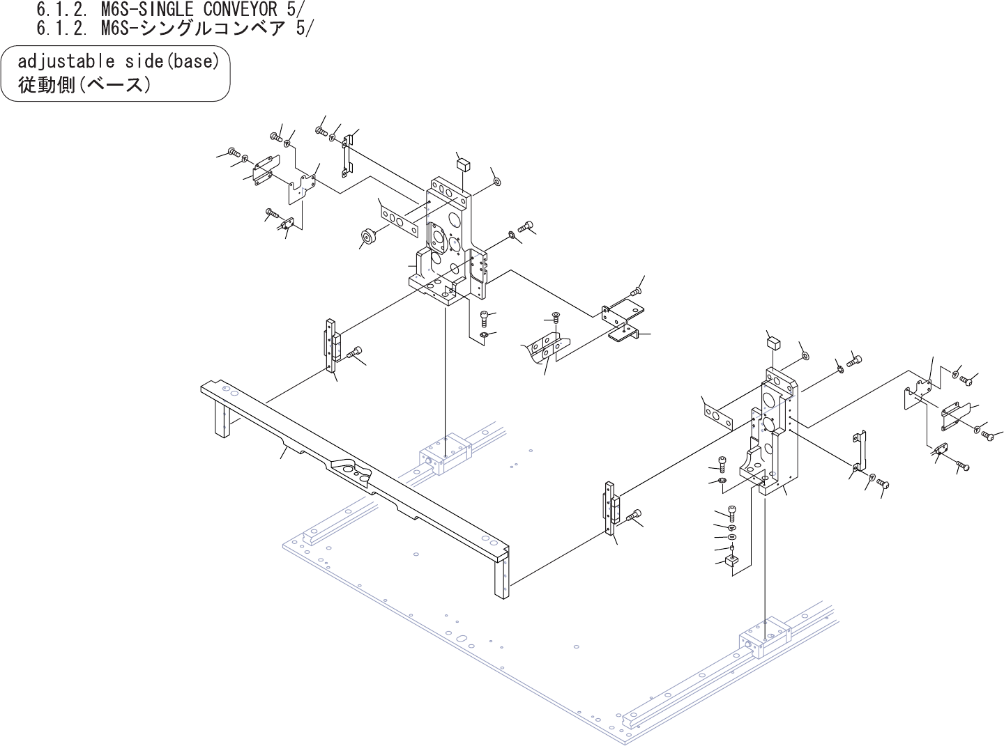
6.1.2. M6S-SINGLE CONVEYOR 5/ 6.1.2. M6S-シングルコンベア 5/ UQ01544 No. Drg.No. & Code No. QTY Description Rating Materials Remarks 番号 図番 & コード番号 個数 品名 規格 材質 備考 1 PP00530 2 BKT, SENSOR BKT センサ FE 2 K5255T 4 SCREW, HEX …

A
27
28
26
25.1
7
4
5
8
6
9
2
31
1
3
1
5
4
22
25.1
6
26
3
2
21
8
9
7
16
19
20
18
17
23
33
29
32
30
35
31.1
31.2
31.3
21.1
21.2
21.3
24
25
24
25
34,
34.1
37
36
36
37
UQ01544
6. CONVEYOR / コンベア 68 PTS-NXT-08JE

6.1.2. M6S-SINGLE CONVEYOR 5/
6.1.2. M6S-シングルコンベア 5/
UQ01544
No. Drg.No. & Code No. QTY Description Rating
Materials
Remarks
番号 図番 & コード番号 個数 品名 規格 材質 備考
1 PP00530 2 BKT, SENSOR BKT センサ FE
2 K5255T 4 SCREW, HEX SOCKET BUTTON 小ネジ 六角穴ボタン M03X006 FE
3 W1021A 4 WASHER, LOCK ワッシャ スプリング 3M/M FE
4 PP00680 2 RETAINER, WIRING 押え 配線 FE
5 K5255A 4 SCREW, HEX SOCKET BUTTON 小ネジ 六角穴ボタン M03X004 FE
6 W1021A 4 WASHER, LOCK ワッシャ スプリング 3M/M FE
7 PP00690 2 RETAINER, WIRING 押え 配線 FE
8 K5255A 4 SCREW, HEX SOCKET BUTTON 小ネジ 六角穴ボタン M03X004 FE
9 W1021A 4 WASHER, LOCK ワッシャ スプリング 3M/M FE
16 PG03250 1 STOPPER ストッパ PL
17 H5276A 1 BOLT, HEX SOCKET ボルト 六角穴 M03X010 FE
18 W1021A 1 WASHER, LOCK ワッシャ スプリング 3M/M FE
19 W1040A 1 WASHER, FLAT ワッシャ 平 3M/MX0.5X7 FE
20 PPT0460 1 COLLAR カラー FE
21 PM02GZ0 1 BKT BKT FE
21.1 PJ13281 1 SHEET シート OT
21.2 PJ12921 2 WASHER ワッシャ OT
21.3 PS02492 1 SHEET シート OT
22 H5288A 4 BOLT, HEX SOCKET ボルト 六角穴 M04X010 FE
23 W1011A 4 WASHER, CONICAL ワッシャ 皿 M- 4-L FE
24 XG00141 2 GUIDE, RAIL ガイド レール OT
25 H5274A 8 BOLT, HEX SOCKET ボルト 六角穴 M03X006 FE
25.1 H5274A 8 BOLT, HEX SOCKET ボルト 六角穴 M03X006 FE
26 W1010A 8 WASHER, CONICAL ワッシャ 皿 M- 3-L FE
27 PB02690 1 BKT BKT FE
28 K5357M 2 SCREW, HEX SOCKET COUNTERSUNK 小ネジ 六角穴皿 M03X006 FE
29 K41622 1 FIEXIBLE TRACK ケーブルベア 07.10-018-0-19-160.10.12 OT
30 K5357M 4 SCREW, HEX SOCKET COUNTERSUNK 小ネジ 六角穴皿 M03X006 FE
31 PM02GY0 1 BKT BKT FE
31.1 PJ13271 1 SHEET シート OT
31.2 PJ12921 2 WASHER ワッシャ OT
31.3 PS02492 1 SHEET シート OT
32 H5288A 4 BOLT, HEX SOCKET ボルト 六角穴 M04X010 FE
33 W1011A 4 WASHER, CONICAL ワッシャ 皿 M- 4-L FE
34 AA45L01 1 PULLEY プーリ OT
34.1 AA0BY01 1 PULLEY プーリ OT Thin panel option
35 PM87143 1 BKT, SLIDE BKT スライド FE
36 S40288 1 SENSOR センサ EX-19A-PN-R OT
6. CONVEYOR / コンベア 69 PTS-NXT-08JE

6.1.2. M6S-SINGLE CONVEYOR 5/
6.1.2. M6S-シングルコンベア 5/
UQ01544
No. Drg.No. & Code No. QTY Description Rating
Materials
Remarks
番号 図番 & コード番号 個数 品名 規格 材質 備考
37 K5175T 4 SCREW, C/R PA
N
小ネジ 十穴鍋 M02X005(0ハ
゙
ン1シュ)SU
S
FE
6. CONVEYOR / コンベア 70 PTS-NXT-08JE