PTS-NXT-08JE - 第445页
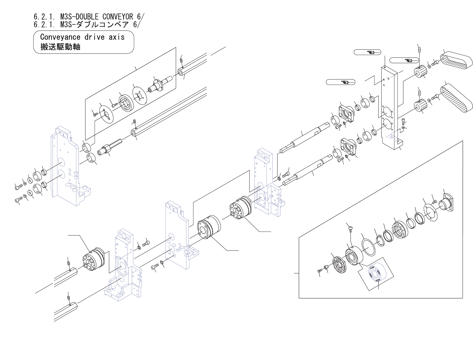
6.2.1. M3S-DOUBLE CONVEYOR 6/ 6.2.1. M3S-ダブルコンベア 6/ UQ01248 No. Drg.No. & Code No. QTY Description Rating Materials Remarks 番号 図番 & コード番号 個数 品名 規格 材質 備考 1 AA1EE04 1 PULLEY プーリ OT 1.1 PM61044 1 FLANGE フランジ FE 1.2…

Ref.17/
Ref.17/
MM
PP
LL
K
KK
KK
KK
A
JJ
Ref.7/
JJ
DETAIL KK
1.6
10
10
2
9
9
3
3
4
3
8
7
6
10
11
11
10.1
10.1
10.1
11
12
13
13
14
14.2
18.1
18.2
14.1
14
15
15
13
13
20
20
22
21
12
18
19
19
22
21
10
4
3
8
7
6
14.2
14.1
1.1
1.2
1.3
1.4
1.5
30
29
28
33
31
35
25
26
24.1
25
37
38
29.1
25.1
25.2
17
17
24
43
43
1
UQ01248
6. CONVEYOR / コンベア 108 PTS-NXT-08JE

6.2.1. M3S-DOUBLE CONVEYOR 6/
6.2.1. M3S-ダブルコンベア 6/
UQ01248
No. Drg.No. & Code No. QTY Description Rating
Materials
Remarks
番号 図番 & コード番号 個数 品名 規格 材質 備考
1 AA1EE04 1 PULLEY プーリ OT
1.1 PM61044 1 FLANGE フランジ FE
1.2 PZ16682 1 PULLEY プーリ OT
1.3 H5274A 4 BOLT, HEX SOCKET ボルト 六角穴 M03X006 FE
1.4 PM61321 1 FLANGE フランジ FE
1.5 K5169A 2 SCREW, C/R COUNTERSUNK 小ネジ 十穴皿 M02.5X004 FE
1.6 PM61030 1 PULLEY プーリ FE
2 PM01792 1 PULLEY プーリ FE
3 H4440A 4 BEARING, MINIATURE ベアリング ミニチュア DDL-1910ZZ OT
4 PM02MS0 2 COLLAR カラー FE
6 H5298A 2 BOLT, HEX SOCKET ボルト 六角穴 M05X010 FE
7 W1023A 2 WASHER, LOCK ワッシャ スプリング 5M/M FE
8 W10872 2 WASHER ワッシャ WSSB12-5-2 FE
9 PM06365 2 SHAFT シャフト FE
10 N40256 4 SCREW, HEX SOCKET SET ネジ 六角穴止め M04X003 クボミサキ FE
10.1 H5288A 12 BOLT, HEX SOCKET ボルト 六角穴 M04X010 FE
11 W1011A 12 WASHER, CONICAL ワッシャ 皿 M- 4-L FE
12 PM06373 2 SHAFT シャフト FE
13 H4440A 4 BEARING, MINIATURE ベアリング ミニチュア DDL-1910ZZ OT
14 PM29131 2 HOLDER, BEARING ホルダ ベアリング FE
14.1 H5287A 8 BOLT, HEX SOCKET ボルト 六角穴 M04X008 FE
14.2 W1011A 8 WASHER, CONICAL ワッシャ 皿 M- 4-L FE
15 PM02MS0 2 COLLAR カラー FE
17 W10049 2 WASHER ワッシャ LRB10-1.0 FE
18 PM35044 1 BKT BKT FE
18.1 H5322A 2 BOLT, HEX SOCKET ボルト 六角穴 M06X015 FE
18.2 W1024A 2 WASHER, LOCK ワッシャ スプリング 6M/M FE
19 PZ11470 2 PULLEY プーリ OT
20 N4026A 2 SCREW, HEX SOCKET SET ネジ 六角穴止め M04X004 クボミサキ FE
21 H5300A 2 BOLT, HEX SOCKET ボルト 六角穴 M05X015 FE
22 W1023A 2 WASHER, LOCK ワッシャ スプリング 5M/M FE
24 AA46G04 3 PULLEY プーリ OT
24.1 PM63090 3 HOLDER ホルダ FE
25 H4104A 6 BEARING ベアリング DDA-2520 OT
25.1 PM61352 3 FLANGE フランジ FE
25.2 PZ31880 9 SCREW, C/R COUNTERSUNK 小ネジ 十穴皿 OT
26 PM10312 3 COLLAR カラー FE
28 PZ16792 3 PULLEY プーリ OT
6. CONVEYOR / コンベア 109 PTS-NXT-08JE

6.2.1. M3S-DOUBLE CONVEYOR 6/
6.2.1. M3S-ダブルコンベア 6/
UQ01248
No. Drg.No. & Code No. QTY Description Rating
Materials
Remarks
番号 図番 & コード番号 個数 品名 規格 材質 備考
29 S1046A 3 CIR-CLIP サークリップ WR19 OT
29.1 PM61362 3 FLANGE フランジ FE
30 PM61334 3 PULLEY プーリ AL
31 PZ14360 12 SPRING スプリング FE
33 PZ31890 12 SCREW, C/R TRUSS 小ネジ 十穴トラス OT
35 PJ12122 3 PULLEY プーリ OT
37 PM02050 12 COLLAR カラー FE
38 PZ31900 12 SCREW, HEX SOCKET COUNTERSUNK 小ネジ 六角穴皿 OT
43 H4572G 2 BELT, TIMIN
G
ベルト タイミン
グ
180-3GT-9 OT
6. CONVEYOR / コンベア 110 PTS-NXT-08JE