PTS-NXT-08JE - 第808页
A DETAIL T2 DETAIL T1 T1 T2 K K Ref.2/ H H Ref.2/ 1 20 21 21 22 24 26 27 28 26 27 28 23 2 14 15 16 14 15 16 25 26 27 28 26 27 28 3 4 3 4 12 13 37 38 36 48 50 51 48 50 51 52 53 54 52 53 54 56 57 59 60 58 59 60 61 62 63 61…

This page intentionally blank.
8. ACCESSORIES / アクセサリ 245 PTS-NXT-08JE

A
DETAIL T2
DETAIL T1
T1
T2
KK
Ref.2/
HH
Ref.2/
1
20
21
21
22
24
26
27
28
26
27
28
23
2
14
15
16
14
15
16
25
26
27
28
26
27
28
3
4
3
4
12
13
37
38
36
48
50
51
48
50
51
52
53
54
52
53
54
56
57
59
60
58
59
60
61
62
63
61
62
63
49
49
64
65
66
64
65
66
69
70
71
68
69
70
71
68
55
72
72
45
46
45
46
47
47
80
89
93
91
92
90
89
82
81
82
81
83
73
74
75
74
76
77
78
73
73
74
75
74
76
77
78
73
37
38
36
31
32
33
29
30
29
31
32
33
30
34
35
29
31
32
33
30
29
30
31
32
33
34
35
67
67
39
41
44
43
43
42
41
40
43
43
42
95
94
44
84
85
86
87
88
UX04300(M6S)
UX04200(M3S)
8. ACCESSORIES / アクセサリ 246 PTS-NXT-08JE

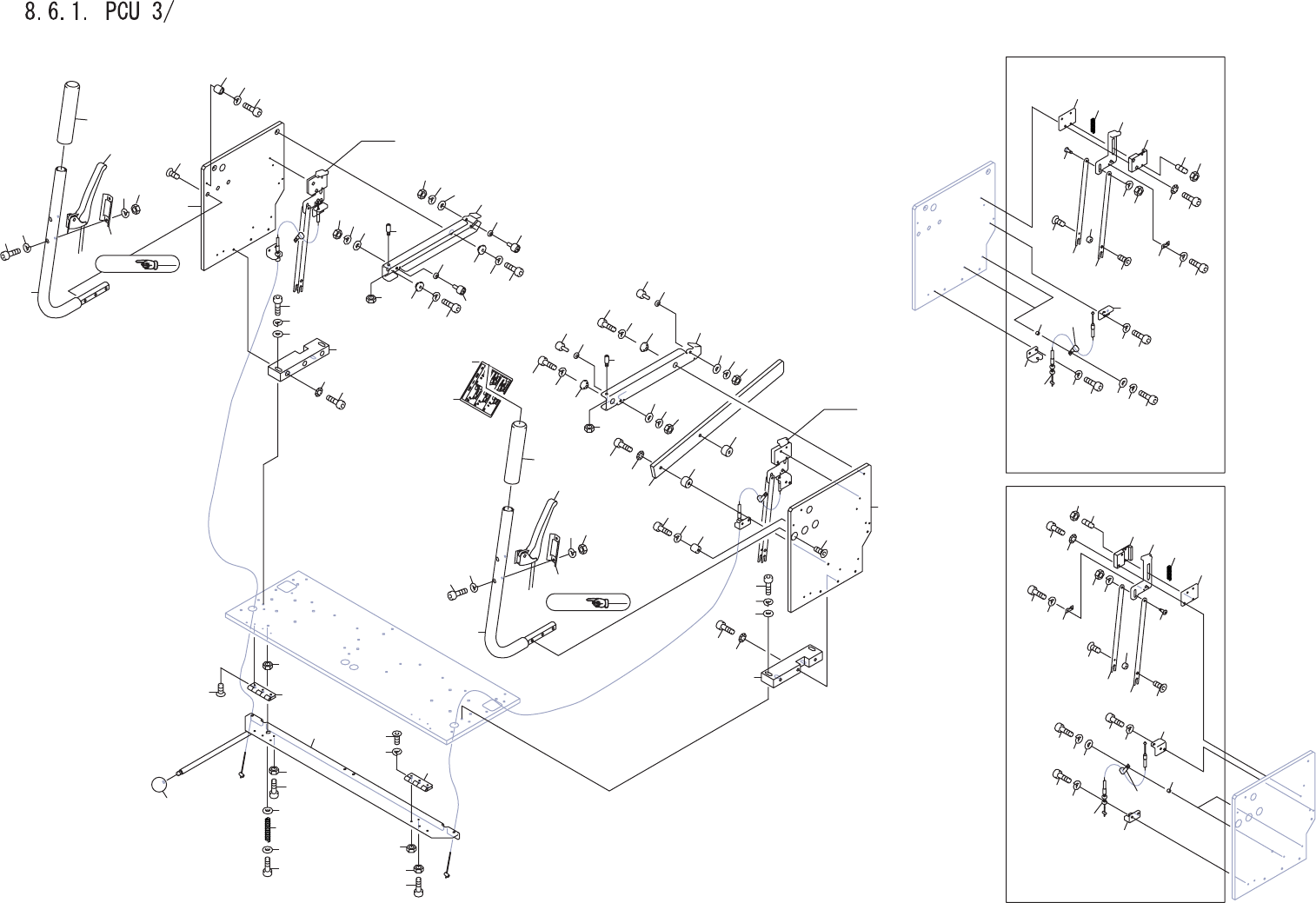
8.6.1. PCU 3/
UX04200(M3S)
UX04300(M6S)
No. Drg.No. & Code No. QTY Description Rating
Materials
Remarks
番号 図番 & コード番号 個数 品名 規格 材質 備考
1 PM02EY0 1 PLATE, ARM プレート アーム AL
2 PM02EX0 1 PLATE, ARM プレート アーム AL
3 H54274 6 BOLT, HEX SOCKET ボルト 六角穴 M06X025(3カ シロ) FE
4 W1013B 6 WASHER, CONICAL ワッシャ 皿 M-6-H(3カ シロ) FE
12 PM02EH1 1 BLOCK ブロック AL
13 PM02EK1 1 BLOCK ブロック AL
14 H54276 4 BOLT, HEX SOCKET ボルト 六角穴 M06X035(3カ シロ) FE
15 W1106F 4 WASHER, LOCK ワッシャ スプリング 6M/M(3カ シロ) FE
16 W1108F 4 WASHER, FLAT ワッシャ 平 4W-6(3カ シロ) FE
20 PB77980 1 PLATE プレート FE
21 PM84322 2 COLLAR カラー FE
22 H54273 2 BOLT, HEX SOCKET ボルト 六角穴 M06X022(3カ シロ) FE
23 W1013B 2 WASHER, CONICAL ワッシャ 皿 M-6-H(3カ シロ) FE
24 PB78011 1 ARM アーム FE
25 PB78021 1 ARM アーム FE
26 PM88100 4 PIN ピン FE
27 H5427D 4 BOLT, HEX SOCKET ボルト 六角穴 M05X016(3カ シロ) FE
28 W1106E 4 WASHER, LOCK ワッシャ スプリング 5M/M(3カ シロ) FE
29 K1113Z 4 CAM FOLLOWER カムフォロア CF06-A OT
30 W10877 4 WASHER ワッシャ WSSB12-6-3 OT
31 N1079K 4 NUT, HEX ナット 六角 M06(3カ シロ) FE
32 W1106F 4 WASHER, LOCK ワッシャ スプリング 6M/M(3カ シロ) FE
33 W1108F 4 WASHER, FLAT ワッシャ 平 4W-6(3カ シロ) FE
34 PM92190 2 PIN ピン FE
35 N1079Z 2 NUT, HEX ナット 六角 M06 3シュ(3カ シロ) FE
36 S30180 2 STOPPER ストッパ AZXHC15-15-M4 OT
37 H5426N 2 BOLT, HEX SOCKET ボルト 六角穴 M04X015(3カ シロ) FE
38 W1106D 2 WASHER, LOCK ワッシャ スプリング 4M/M(3カ シロ) FE
39 AA5EY00 1 LEVER レバー OT
40 AA5EZ00 1 LEVER レバー OT
41 PB68501 2 RETAINER 押え FE
42 H5426M 4 BOLT, HEX SOCKET ボルト 六角穴 M04X012(3カ シロ) FE
43 W1106D 8 WASHER, LOCK ワッシャ スプリング 4M/M(3カ シロ) FE
44 N1079G 4 NUT, HEX ナット 六角 M04(3カ シロ) FE
45 N2117E 2 GRIP 握り C-57(02) OT
46 PM008W1 2 HANDLE ハンドル FE
47 K53632 6 SCREW, HEX SOCKET COUNTERSUNK 小ネジ 六角穴皿 M08X020(3カ シロ) FE
48 PM02EL0 2 GUIDE ガイド FE
8. ACCESSORIES / アクセサリ 247 PTS-NXT-08JE