Mechanical Parts List - 第111页
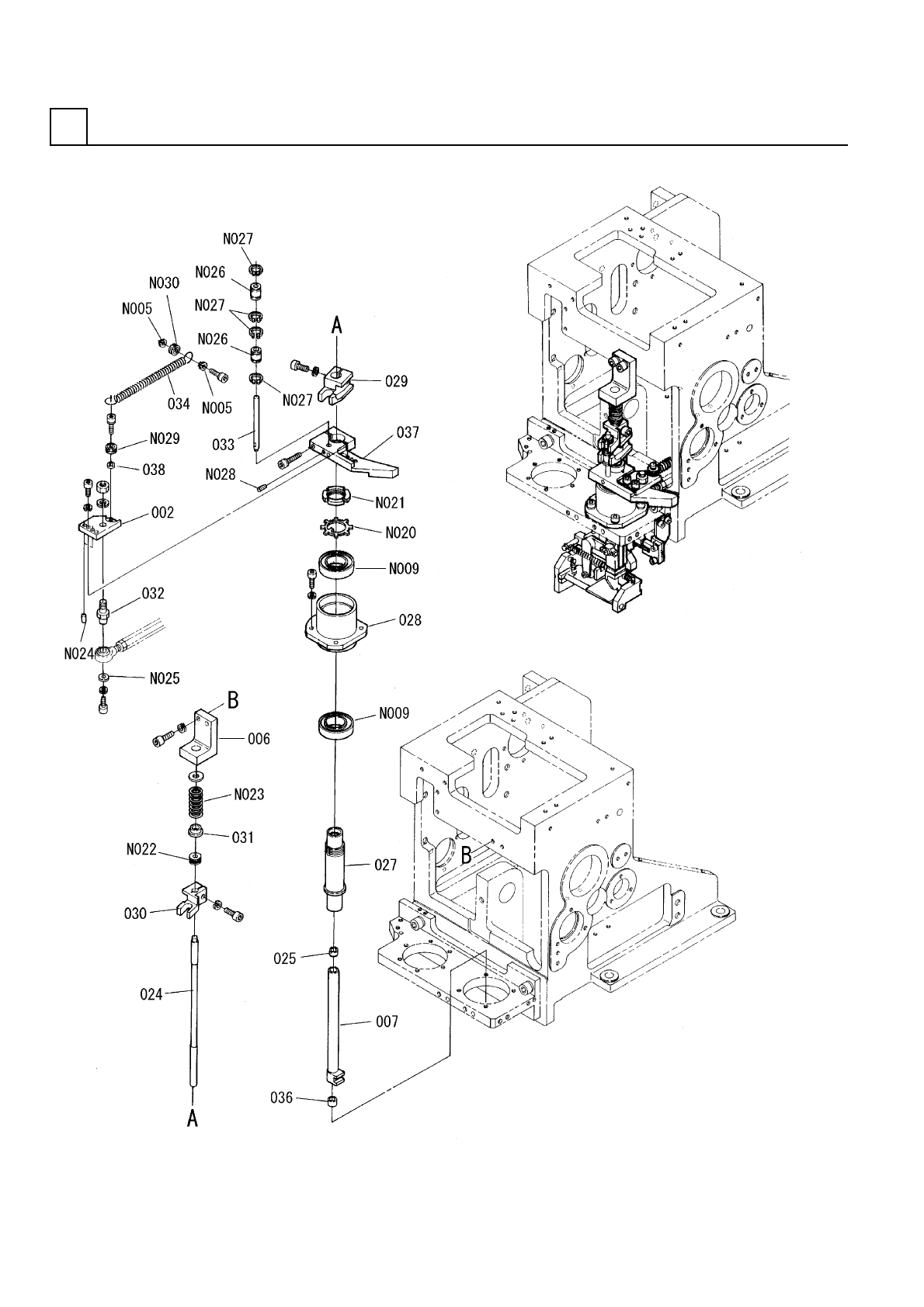
PART No. イラスト No. REF No. PART NAME REMARKS Q'TY 8 挿入部(移シ替 エヘッド 部2) INSERT SECT.(T RANSFER HEAD SECT .-2) 部 品 名 品 番 個数 備 考 R 1 R 2 1 002 X02G44102 PLATE プレート 1 006 X02G44109 BRACKET ブラケット 1 007 X02G44111 SHAFT ジ…

挿入部(移シ替エヘッド部2)
INSERT SECT.(TRANSFER HEAD SECT.-2)
8
FX02G44000AB_03-2
M93

PART No.
イラスト
No.
REF
No.
PART NAME
REMARKS
Q'TY
8
挿入部(移シ替エヘッド部2)
INSERT SECT.(TRANSFER HEAD SECT.-2)
部 品 名 品 番 個数 備 考
R
1
R
2
1002 X02G44102
PLATE プレート
1
006 X02G44109
BRACKET ブラケット
1
007 X02G44111
SHAFT ジク
1024 X01A44101
SHAFT ジク
1025 X01A44102
BUSHING ブッシュ
1
027 N210087152AA
SHAFT シャフト
1
028 X01A44107
FLANGE フランジ
1029 X01A44112
HOLDER(A) ホルダ(A)
1030 X01A44113
HOLDER(B) ホルダ(B)
1
031 X01A44115
GUIDE(SPRING) ガイド(スプリング)
1032 X01A44122
PIN ピン
1033 X01A44124
SHAFT ジク
1
034 X01A44135
SPRING バネ
1
036 X01A44139
BUSHING ブッシュ
1037 N210085394AA
LEVER レバー
1038 N210065178AA
WASHER ワッシャ
LLRB4-1.0
2
N005
N510023371AA
WASHER ザガネ
7005ADB
1
N009
KXF0E23QA00
BEARING ベアリング
AW05
1
N020
XLTAW05F
LOCK WASHER ロックザガネ
AN05,STEEL
1
N021
XNRAN05F
LOCK-NUT ロックナット
CRT8-16
1
N022
N500CRT816
BEARING ベアリング
5662
1
N023
N9865662
SPRING アッシュクバネ
MMS4-10
2
N024
N986MMS410
PIN ピン
87WSF13
1
N025
N510024735AA
WASHER ワッシャ
LM6
2
N026
N513LM6
BUSHING ブッシュ
1180201-18012
4
N027
N510027566AA
RETAINING RING C-TYPE,SHAFT C ガタジクヨウトメワ
M5X5-45H A2J (Trivalen
1
N028
N510018381AA
HEX. SOCKET SET SCREW ロッカクアナツキトメネジ
3-12VZZ
1
N029
N648312VZZ
BEARING ベアリング
4-13VZZ
1
N030
N648413VZZ
BEARING ベアリング
M94
FX02G44000AB_03-2

挿入部(移シ替エチャック部)
INSERT SECT.(TRANSFER CHUCK SECT.)
8
FX02G43000_01
M95