Mechanical Parts List - 第121页
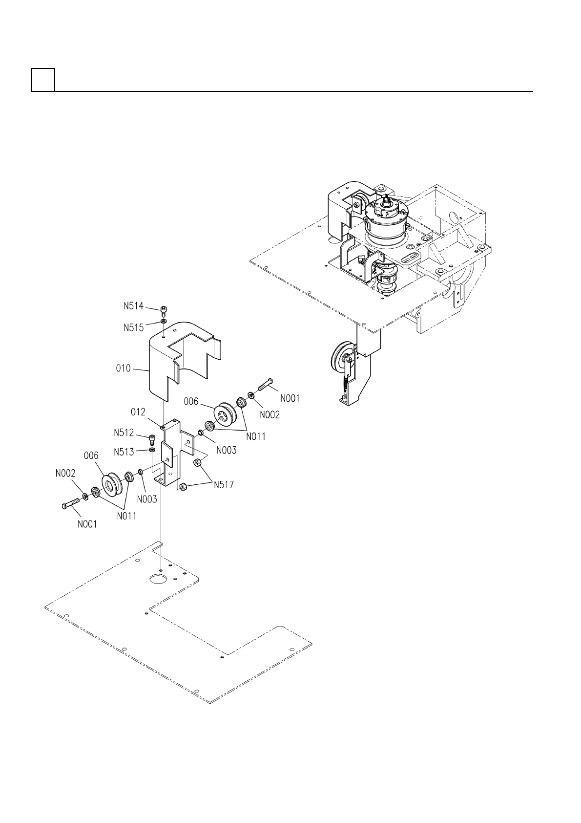
PART No. イラスト No. REF No. PART NAME REMARKS Q'TY 10 下部アンビル部(本体部2) LOWER ANVIL SE CT.(MAIN BODY SEC T.-2) 部 品 名 品 番 個数 備 考 R 1 R 2 1 001 X02G52101 BLOCK ブロック 1 004 X02G52104 COVER カバー 1 005 X02G52105 PLATE プレート 1…

下部アンビル部(本体部2)
LOWER ANVIL SECT.(MAIN BODY SECT.-2)
10
FN610074515AA_02-2
M103

PART No.
イラスト
No.
REF
No.
PART NAME
REMARKS
Q'TY
10
下部アンビル部(本体部2)
LOWER ANVIL SECT.(MAIN BODY SECT.-2)
部 品 名 品 番 個数 備 考
R
1
R
2
1001 X02G52101
BLOCK ブロック
1
004 X02G52104
COVER カバー
1
005 X02G52105
PLATE プレート
1008 N210047291AA
PULLEY プーリー
8028 N210058870AA
BRACKET カナグ
1
029 X01L52041
RETAINER オサエ
1
030 N210092130AA
BRACKET ブラケット
1031 X01L52049
PLATE(JOINT) プレート(ジョイント)
1032 X01L52051
LEVER レバー
87RFN6-30
1
N001
N510038147AA
PIN ピン
WR7
1
N002
N508WR7
CLIP クリップ
87FWSSM-D8.0-V6.0-T3.0
1
N003
N510037885AA
WASHER ワッシャ
M4
1
N004
N510020099AA
WASHER ワッシャ
87PFXAB8-6-F23-MA4
1
N005
N510038144AA
PIN ピン
MMS4-10
1
N006
N986MMS410
PIN ピン
TM-08
1
N009
KXF0AEUAA00
HOLDER(TUBE) ホルダ(チューブ)
F-0 8WX1545
1
N010
N641F08W1545
BELT(FLAT) ベルト(ヒラ)
F696ZZ
2
N011
KXF020RAA00
BEARING ベアリング
6734
1
N012
N9866734
SPRING バネ
87PAIPO8-40
1
N013
N510038143AA
POST ポスト
M2.6X6-4.8 A2J (Trival
2
N014
N510018131AA
FLUSH HEAD SCREW サラコネジ
M5X25-10.9 A2J (Trival
2
N501
N510017399AA
HEX. SOCKET HEAD CAP BOLT ロッカクアナツキボルト
3 10H A2J (Trivalent)
4
N503
N510018494AA
ROUND PLAIN WASHER ミガキマルヒラザガネ
M3X5-10.9 A2J (Trivale
12
N506
N510017333AA
HEX. SOCKET HEAD CAP BOLT ロッカクアナツキボルト
M6X16-10.9 A2J (Trival
2
N511
N510017433AA
HEX. SOCKET HEAD CAP BOLT ロッカクアナツキボルト
M4X6-10.9 A2J (Trivale
2
N514
N510017376AA
HEX. SOCKET HEAD CAP BOLT ロッカクアナツキボルト
4 10H A2J (Trivalent)
2
N515
N510018479AA
ROUND PLAIN WASHER コガカマルヒラザガネ
M3-6H-4T A2J (Trivalen
12
N516
N510017849AA
HEXAGON NUT ロッカクナット
M6-6H-4T A2J (Trivalen
1
N517
N510017867AA
HEXAGON NUT ロッカクナット
6 10H A2J (Trivalent)
2
N518
N510018501AA
ROUND PLAIN WASHER ミガキマルヒラザガネ
M4X10-10.9 A2J (Trival
1
N519
N510017344AA
HEX. SOCKET HEAD CAP BOLT ロッカクアナツキボルト
M4-6H-4T A2J (Trivalen
1
N520
N510017855AA
HEXAGON NUT ロッカクナット
M8-6H-4T A2J (Trivalen
3
N521
N510017877AA
HEXAGON NUT ロッカクナット
M4X8-10.9 A2J (Trivale
1
N522
N510017381AA
HEX. SOCKET HEAD CAP BOLT ロッカクアナツキボルト
M104
FN610074515AA_02-2

下部アンビル部(本体部3)
LOWER ANVIL SECT.(MAIN BODY SECT.-3)
10
FN610074515AA_02-3
M105