Mechanical Parts List - 第149页
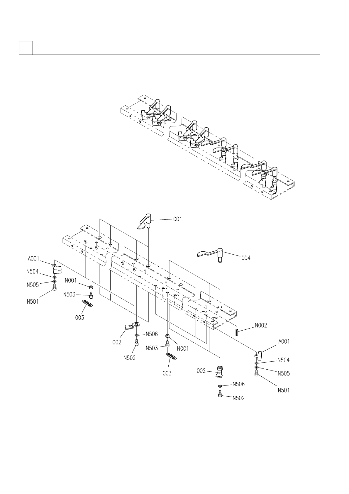
PART No. イラスト No. REF No. PART NAME REMARKS Q'TY 16 天板部(部品 ケース(天板)部2) UPPER PLATE SE CT.(PART S CASE (U PPER PLAT E) SECT.-2 ) 部 品 名 品 番 個数 備 考 R 1 R 2 8 008 X02P22080 PLATE プレート 12 020 X02P22081 PLATE プレート 1 048 …

天板部(部品ケース(天板)部2)
UPPER PLATE SECT.(PARTS CASE (UPPER PLATE) SECT.-2)
16
FN610076029AA_02-2
M131

PART No.
イラスト
No.
REF
No.
PART NAME
REMARKS
Q'TY
16
天板部(部品ケース(天板)部2)
UPPER PLATE SECT.(PARTS CASE (UPPER PLATE) SECT.-2)
部 品 名 品 番 個数 備 考
R
1
R
2
8008 X02P22080
PLATE プレート
12
020 X02P22081
PLATE プレート
1
048 N210094113AA
GUIDE ガイド
1049 N210094114AA
GUIDE ガイド
1050 N210094115AA
GUIDE ガイド
1
051 N210094116AA
GUIDE ガイド
1
052 N210094117AA
GUIDE ガイド
1053 N210094118AA
GUIDE ガイド
1054 N210094119AA
GUIDE ガイド
1
055 N210094120AA
GUIDE ガイド
1056 N210094121AA
GUIDE ガイド
1057 N210094122AA
GUIDE ガイド
1
058 N210094123AA
GUIDE ガイド
1
059 N210094124AA
GUIDE ガイド
1060 N210094125AA
GUIDE ガイド
1061 N210094126AA
GUIDE ガイド
1
062 N210094127AA
GUIDE ガイド
1
063 N210094128AA
GUIDE ガイド
1064 N210094129AA
GUIDE ガイド
1065 N210094130AA
GUIDE ガイド
1
066 N210094131AA
GUIDE ガイド
1
067 N210094132AA
GUIDE ガイド
1068 N210094133AA
GUIDE ガイド
1069 N210094134AA
GUIDE ガイド
1
070 N210094135AA
GUIDE ガイド
1071 N210094136AA
GUIDE ガイド
1072 N210094137AA
GUIDE ガイド
5
073 X02G0007501
RETAINER オサエ
M2.5-6H-4T A2J (Trival
186
N001
N510017840AA
HEXAGON NUT ロッカクナット
M3X8-10.9 A2J (Trivale
26
N002
N510017613AA
BOLT ロッカクアナツキサラボルト
M3-6H-4T A2J (Trivalen
26
N003
N510017849AA
HEXAGON NUT ロッカクナット
M4X6-10.9 A2J (Trivale
28
N501
N510017376AA
HEX. SOCKET HEAD CAP BOLT ロッカクアナツキボルト
M3X6-10.9 A2J (Trivale
76
N502
N510017337AA
HEX. SOCKET HEAD CAP BOLT ロッカクアナツキボルト
4 10H A2J (Trivalent)
28
N504
N510018497AA
ROUND PLAIN WASHER ミガキマルヒラザガネ
3 10H A2J (Trivalent)
86
N505
N510018494AA
ROUND PLAIN WASHER ミガキマルヒラザガネ
2.5 10H A2J (Trivalent
186
N506
N510018490AA
ROUND PLAIN WASHER ミガキマルヒラザガネ
M132
FN610076029AA_02-2

天板部(部品終端検出部)
UPPER PLATE SECT.(PARTS DETECT SECT.)
16
FN610071779AA_00
M133