Mechanical Parts List - 第180页
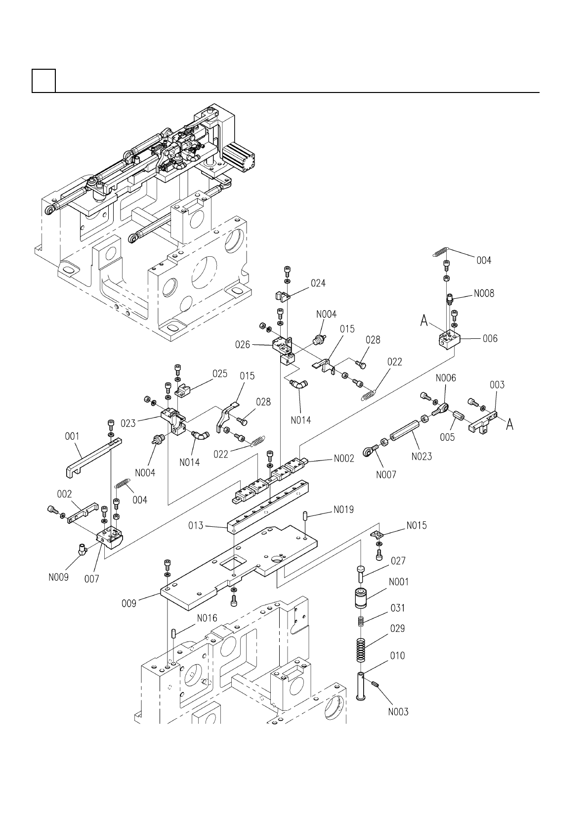
部品加工部( 部品位置 決め部1 ) PARTS PROCESS SECT.(PA RTS POSIT IONING SE CT.-1) 20 FN610071373AA_02-1 M163

PART No.
イラスト
No.
REF
No.
PART NAME
REMARKS
Q'TY
20
部品加工部(動力部3)
PARTS PROCESS SECT.(DRIVING SECT.-3)
部 品 名 品 番 個数 備 考
R
1
R
2
1013 N210103572AA
LEVER レバー
1
014 N210095146AA
BRACKET ブラケット
1
023 N210086544AB
LEVER レバー
1026 X01L1400401
COLLAR カラー
1027 X01L1400502
LEVER レバー
1
028 X01L1400701
COLLAR カラー
1
029 N210087148AA
SHAFT シャフト
1035 N210087146AA
COLLAR カラー
1039 N210086543AC
COLLAR カラー
1
040 N210087149AA
LEVER レバー
1044 X01A14032
LEVER レバー
1048 N210087147AA
COLLAR カラー
1
049 N210087543AA
NUT ナット
1
055 X01A14062
SPRING バネ
1059 N210106127AA
DUCT ダクト
4-13VZZ
5
N001
N648413VZZ
BEARING ベアリング
87FWSSB-D6.0-V4.0-T1.0
8
N002
N510031417AA
WASHER ザガネ
CFN10R-A
1
N008
N531CFN10RA
CAM FOLLOWER カムフォロア
CFN6R-A
2
N009
N531CFN6RA
CAM FOLLOWER カムフォロア
6004ZZ
2
N010
XLC6004ZZ
BALL BEARING ボールベアリング
6905ZZ
6
N011
KXF06P1AA00
BEARING ベアリング
CFN5R-A
2
N012
N531CFN5RA
CAM FOLLOWER カムフォロア
CFN6R-A
4
N014
N531CFN6RA
CAM FOLLOWER カムフォロア
CFS5
1
N022
N532CFS5
CAM FOLLOWER カムフォロア
87FWSSB-D25-V8.0-T5.0
2
N028
N510037908AA
WASHER ワッシャ
87FWSSB-D6.0-V4.0-T2.0
2
N029
N510028901AA
WASHER ワッシャ
87FWSSB-D30-V25.0-T2.0
1
N030
N510037210AA
WASHER ワッシャ
M162
FN610073289AA_02-3

部品加工部(部品位置決め部1)
PARTS PROCESS SECT.(PARTS POSITIONING SECT.-1)
20
FN610071373AA_02-1
M163

PART No.
イラスト
No.
REF
No.
PART NAME
REMARKS
Q'TY
20
部品加工部(部品位置決め部1)
PARTS PROCESS SECT.(PARTS POSITIONING SECT.-1)
部 品 名 品 番 個数 備 考
R
1
R
2
1 N610071373AA
PARTS PROCESS UNIT ブヒンカコウユニット
1
001 N210085709AB
HOOK フック
1
002 N210085710AB
STOPPER ストッパ
1003 N210085711AB
STOPPER ストッパ
2004 N210085713AA
SPRING スプリング
1
005 N210098677AA
SHAFT シャフト
1
006 N210088896AB
BLOCK(SLIDE) ブロック(スライド)
1007 N210088895AB
BLOCK(SLIDE) ブロック(スライド)
1009 N210089104AE
PLATE プレート
1
010 N210085719AB
PIN ピン
1013 N210088894AA
PLATE プレート
2015 N210084372AB
LEVER(GUIDE) レバー(ガイド)
2
022 X02P18008
SPRING スプリング
1
023 X02P18007
HOLDER(SLIDE) ホルダ(スライド)
1024 X02P18006
GUIDE ガイド
1025 X02P18005
GUIDE ガイド
1
026 X02P45002
HOLDER(SLIDE) ホルダ(スライド)
1
027 X01L1102201
PIN ピン
2028 X02P1800301
PIN ピン
1029 N210088897AA
SPRING スプリング
1
031 X01A1102603
SPRING アッシュクバネ
LM10UU
1
N001
N513LM10UU
BUSHING ブッシング
4RSH9ZMUU+175LM
1
N002
N510040570AA
LINEAR WAY リニアウェイ
2X10,STEEL
1
N003
XPL2A10WFW
SPRING PIN スプリングピン
CJPS6-5-B
2
N004
KXF07S0AA00
CYLINDER シリンダ
N0S4T
1
N006
N533N0S4T
ROD END ロッドエンド
NOS4TL
1
N007
N533N0S4TL
ROD END ロッドエンド
M-5H-6
1
N008
KXF02T8AA00
FITTING ツギテ
M-5HL-6
1
N009
KXF02TAAA00
FITTING ツギテ
KJL06-M5
2
N014
KXF029LAA00
FITTING ツギテ
87LMST10
1
N015
N510036441AA
PLATE プレート
87SFJ6-20-LKC
2
N016
N510036442AA
SHAFT シャフト
MMS4-10
4
N019
N986MMS410
PIN ピン
87LBMKN4-60
1
N023
N510041171AA
ROD ロッド
M164
FN610071373AA_02-1