Mechanical Parts List - 第236页
テープフィーダ部(12.7X5 .0(1)) TAPE FEEDER SE CT.(12.7 X5.0(1)) 27 FN610071917AA_00-1 M219

PART No.
イラスト
No.
REF
No.
PART NAME
REMARKS
Q'TY
26
ローダ・アンローダ部(自動幅寄せ部2)
LOADER & UNLOADER SECT.(AUTO WIDTH CONTROL SECT.-2)
部 品 名 品 番 個数 備 考
R
1
R
2
1001 N210078205AA
PULLEY プーリー
1
003 N210083151AA
DOG FOR SENSOR (L) ドグ(L)
1
004 N210070021AA
BLOCK ブロック
1005 N210070022AB
PULLEY プーリー
1006 N210070025AA
PLATE プレート
1
007 N210075906AA
BRACKET ブラケット
1
008 N210079974AA
BRACKET ブラケット
1010 N210070783AA
SCREW ネジ
1011 109970514001
COLLAR カラー
T5-10-50
1
N001
N641T51050
BELT(TIMING) ベルト(タイミング)
P914S1
1
N002
N310P914S1
SENSOR センサ
103H7832-0312(DDA) S
1
N003
KXF0DZDRA00
MOTOR モータ
SCSS1618ZD
2
N004
N510034925AA
COLLAR カラ-
6001ZZ
2
N005
XLC6001ZZ
BALL BEARING ボールベアリング
M4X8-4.8 A2J (Trivalen
6
N006
N510018282AA
TRUSS HEAD SCREW トラスコネジ
FU01SS
2
N007
KXF0233AA00
LOCK-NUT ロックナット
M4X6-45H A2J (Trivalen
3
N008
N510018438AA
HEX. SOCKET SET SCREW ロッカクアナツキトメネジ
SCSS1618ZD
2
N009
N510034925AA
COLLAR カラ-
M218
FN610055731AA_00-2

テープフィーダ部(12.7X5.0(1))
TAPE FEEDER SECT.(12.7X5.0(1))
27
FN610071917AA_00-1
M219

PART No.
イラスト
No.
REF
No.
PART NAME
REMARKS
Q'TY
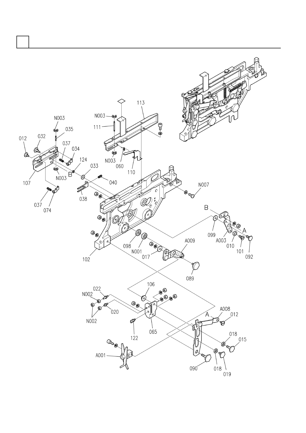
27
テープフィーダ部(12.7X5.0(1))
TAPE FEEDER SECT.(12.7X5.0(1))
部 品 名 品 番 個数 備 考
R
1
R
2
1 N610071917AA
TAPE FEEDER UNIT テープフィーダユニット
1
A001
X01A38126
SCISSORS UNIT ハサミユニット
1
A003
N610016680AA
LEVER UNIT レバーユニット
1
A008
N610026099AA
LEVER UNIT レバーユニット
1
A009
N610026101AA
LEVER UNIT レバーユニット
1
010 X01A38010
ROLLER ローラ
2
012 X01A38012
PIN ピン
1015 X01A3801501
PIN ピン
1017 X01A38017
COLLAR カラー
2
018 X01A38018
ROLLER ローラ
1019 X01A3801901
PIN ピン
1020 X01A3802002
PIN ピン
1
022 X01A3802202
PIN ピン
2
032 X01A3803201
PIN ピン
2033 X01A3803301
SPACER スペーサ
1034 X01A3803402
CLAW ツメ
2
035 X01A38035
PIN ピン
2
037 X01A38037
SPRING アッシュクバネ
1038 X01A3803803
CLAW ツメ
1040 X01A38040
SPRING アッシュクバネ
1
060 X01A38060
SPRING バネ
1
065 X01A38065
SLIDER スライダ
1074 N210087041AA
CLAW ツメ
1089 X01A38089
PIN ピン
1
090 X01A38090
PIN ピン
1092 X01A38092
PIN ピン
1098 X01A38098
SPACER スペーサ
1
099 X01A38099
SPACER スペーサ
1
101 X01A38101
PIN ピン
1102 X01A3810204
MAIN FRAME フレーム(メイン)
1106 X01A38106
COLLAR カラー
1
107 X01A3810702
SLIDER スライダ
1
110 X01A3811002
LEVER レバー(ケンシュツ)
1111 X01A38111
PIN ピン
1113 X02P58056
TAPE GUIDE テープガイド
1
122 X01A38122
PIN ピン
2
124 X01A38124
ROLLER ローラ
MR106ZZS
1
N001
KXF05XWAA00
BEARING ベアリング
683ZZ
3
N002
KXF0C8ZAA00
BEARING ベアリング
ETW-1.5
6
N003
KXF01X6AA00
RETAINING RING E-TYPE E ガタトメワ
M3X5-4.8 A2J (Trivalen
1
N007
N510017981AA
ROUND HEAD SCREW マルコネジ
M220
FN610071917AA_00-1