Mechanical Parts List - 第246页
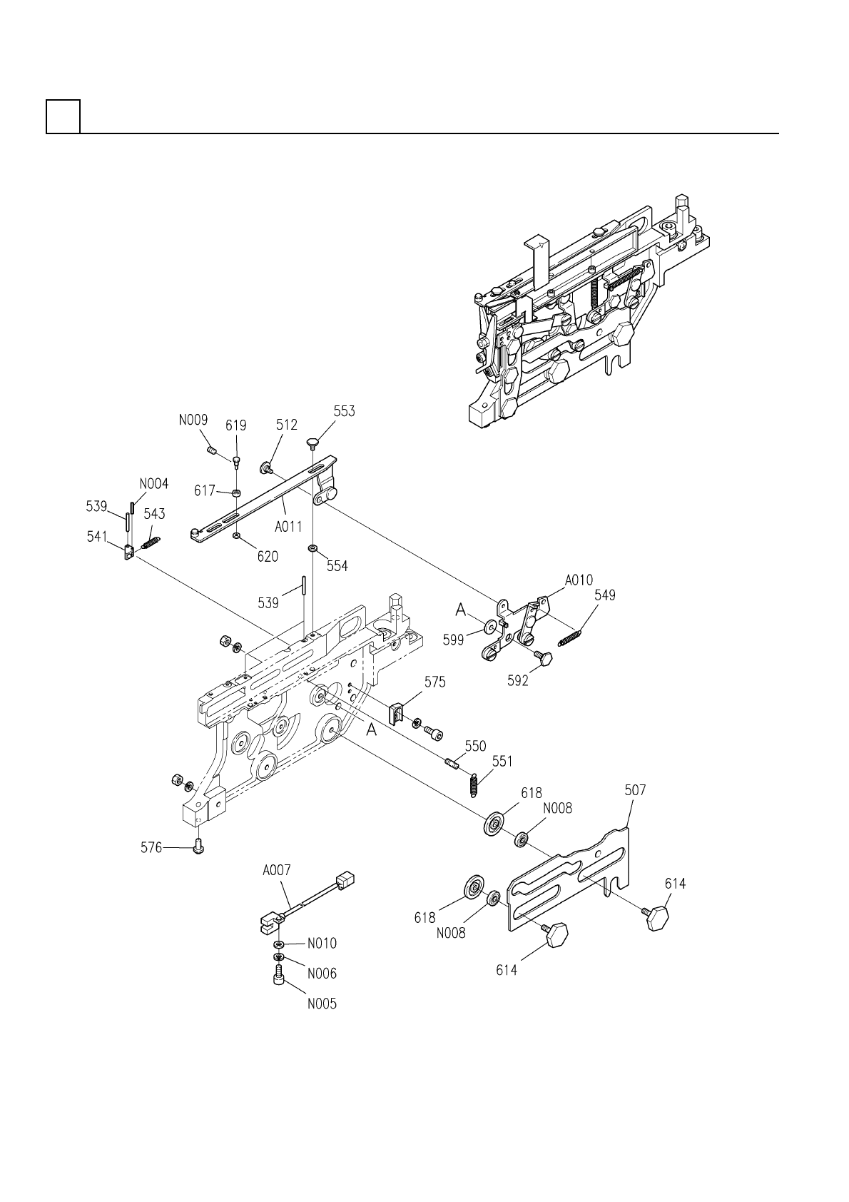
テープフィーダ部(15.0X5 .0(2)) TAPE FEEDER SE CT.(15.0 X5.0(2)) 27 FN610071919AA_00-2 M229

PART No.
イラスト
No.
REF
No.
PART NAME
REMARKS
Q'TY
27
テープフィーダ部(15.0X5.0(1))
TAPE FEEDER SECT.(15.0X5.0(1))
部 品 名 品 番 個数 備 考
R
1
R
2
1 N610071919AA
TAPE FEEDER UNIT テープフィーダユニット
1
A001
X01A38126
SCISSORS UNIT ハサミユニット
1
A003
N610016681AA
LEVER UNIT レバーユニット
1
A008
N610026100AA
LEVER UNIT レバーユニット
1
A009
N610026101AA
LEVER UNIT レバーユニット
1
506 X01A3850604
MAIN FRAME フレーム(メイン)
1
508 X01A3850802
SLIDER スライダ
1510 X01A38010
ROLLER ローラ
2512 X01A38012
PIN ピン
1
515 X01A3801501
PIN ピン
1517 X01A38017
COLLAR カラー
2518 X01A38018
ROLLER ローラ
1
519 X01A3801901
PIN ピン
1
520 X01A3802002
PIN ピン
1522 X01A3802202
PIN ピン
2532 X01A3803201
PIN ピン
2
533 X01A3803301
SPACER スペーサ
1
534 X01A3803402
CLAW ツメ
2535 X01A38035
PIN ピン
2537 X01A38037
SPRING アッシュクバネ
1
538 X01A3803803
CLAW ツメ
1
540 X01A38040
SPRING アッシュクバネ
1560 X01A38060
SPRING バネ
1565 X01A38065
SLIDER スライダ
1
574 N210087041AA
CLAW ツメ
1589 X01A38089
PIN ピン
1590 X01A38090
PIN ピン
1
592 X01A38092
PIN ピン
1
598 X01A38098
SPACER スペーサ
1599 X01A38099
SPACER スペーサ
1601 X01A38101
PIN ピン
1
606 X01A38106
COLLAR カラー
1
610 X01A3811002
LEVER レバー(ケンシュツ)
1611 X01A38111
PIN ピン
1613 X02P58056
TAPE GUIDE テープガイド
1
622 X01A38122
PIN ピン
2
624 X01A38124
ROLLER ローラ
MR106ZZS
1
N001
KXF05XWAA00
BEARING ベアリング
683ZZ
3
N002
KXF0C8ZAA00
BEARING ベアリング
ETW-1.5
6
N003
KXF01X6AA00
RETAINING RING E-TYPE E ガタトメワ
M3X5-4.8 A2J (Trivalen
1
N007
N510017981AA
ROUND HEAD SCREW マルコネジ
M228
FN610071919AA_00-1

テープフィーダ部(15.0X5.0(2))
TAPE FEEDER SECT.(15.0X5.0(2))
27
FN610071919AA_00-2
M229

PART No.
イラスト
No.
REF
No.
PART NAME
REMARKS
Q'TY
27
テープフィーダ部(15.0X5.0(2))
TAPE FEEDER SECT.(15.0X5.0(2))
部 品 名 品 番 個数 備 考
R
1
R
2
1
A007
N610071899AA
SENSOR UNIT センサユニット
1
A010
N610026102AA
LEVER UNIT レバーユニット
1
A011
N610026103AA
SLIDER UNIT スライダユニット
1507 X01A38507
CAM カム
1512 X01A38012
PIN ピン
3
539 X01A38039
PIN ピン
1
541 X01A3804102
CLAW ツメ
1543 X01A38043
SPRING バネ
1549 X01A38049
SPRING バネ
1
550 X01A38050
PIN ピン(バネカケ)
1551 X01A38051
SPRING バネ
2553 X01A38053
PIN ピン
2
554 X01A38054
SPACER スペーサ
1
575 X01A3807502
STOPPER ストッパ
1576 X01A38076
PIN ピン
1592 X01A38092
PIN ピン
1
599 X01A38099
SPACER スペーサ
2
614 X01A38114
PIN ピン
1617 X01A38117
ROLLER ローラ
2618 X01A38118
SPACER スペーサ
1
619 X01A3811901
PIN ピン
1
620 X01A38120
SPACER スペーサ
1.2X5
1
N004
XPL12A5WFW
SPRING PIN スプリングピン
M2X8-10.9 A2J (Trivale
1
N005
N510017261AA
HEX. SOCKET HEAD CAP BOLT ロッカクアナツキボルト
No.2 5 S A2J (Trivalen
1
N006
N510018332AA
SPRING WASHER バネザガネ
L-1260ZZ
2
N008
KXF02F9AA00
BEARING ベアリング
M2X2-45H A2J (Trivalen
1
N009
N510018353AA
HEX. SOCKET SET SCREW ロッカクアナツキトメネジ
2 10H A2J (Trivalent)
1
N010
N510018477AA
ROUND PLAIN WASHER コガカマルヒラザガネ
M230
FN610071919AA_00-2