Mechanical Parts List - 第251页
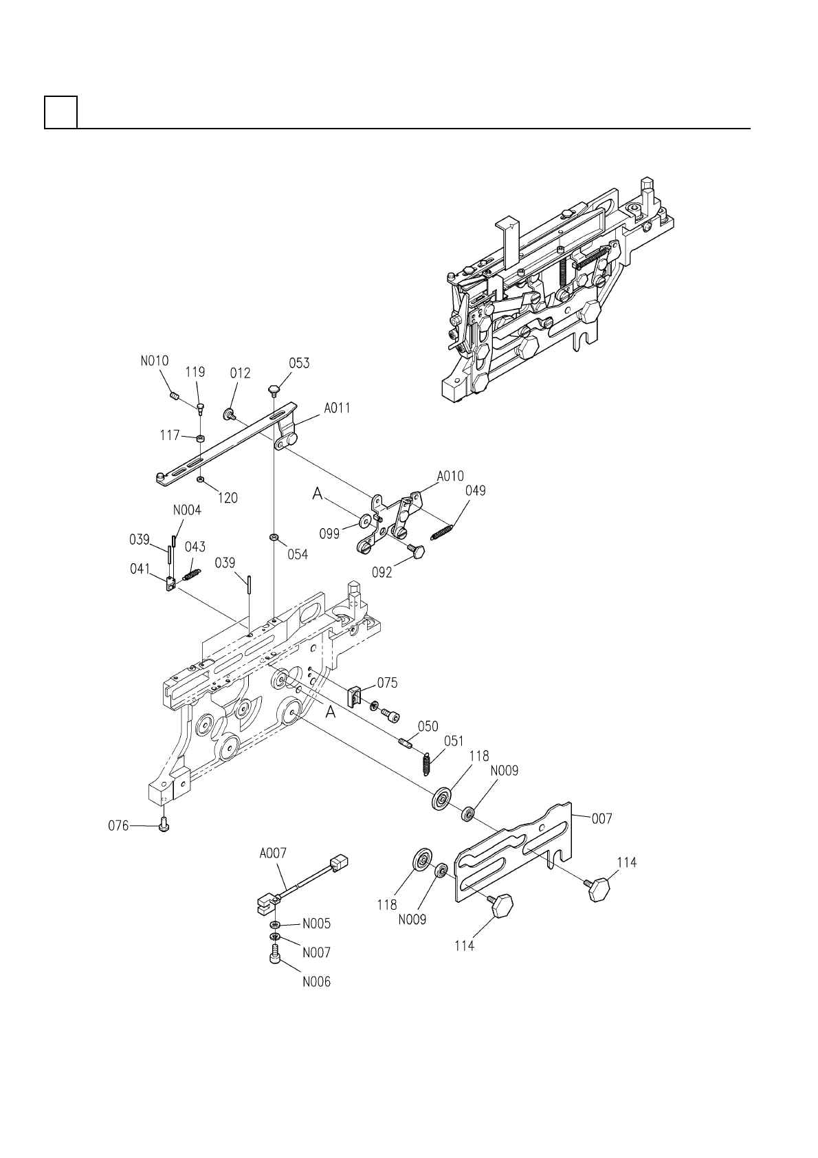
PART No. イラスト No. REF No. PART NAME REMARKS Q'TY 27 テープフィーダ部(15.0X7 .5(2)) TAPE FEEDER SE CT.(15.0 X7.5(2)) 部 品 名 品 番 個数 備 考 R 1 R 2 1 A007 N610071899AA SENSOR UNIT センサユニット 1 A010 N610026102AA LEVER UNIT レバーユニット …

テープフィーダ部(15.0X7.5(2))
TAPE FEEDER SECT.(15.0X7.5(2))
27
FN610071920AA_00-2
M233

PART No.
イラスト
No.
REF
No.
PART NAME
REMARKS
Q'TY
27
テープフィーダ部(15.0X7.5(2))
TAPE FEEDER SECT.(15.0X7.5(2))
部 品 名 品 番 個数 備 考
R
1
R
2
1
A007
N610071899AA
SENSOR UNIT センサユニット
1
A010
N610026102AA
LEVER UNIT レバーユニット
1
A011
N610026103AA
SLIDER UNIT スライダユニット
1007 X01A38507
CAM カム
1012 X01A38012
PIN ピン
3
039 X01A38039
PIN ピン
1
041 X01A3804102
CLAW ツメ
1043 X01A38043
SPRING バネ
1049 X01A38049
SPRING バネ
1
050 X01A38050
PIN ピン(バネカケ)
1051 X01A38051
SPRING バネ
2053 X01A38053
PIN ピン
2
054 X01A38054
SPACER スペーサ
1
075 X01A3807502
STOPPER ストッパ
1076 X01A38076
PIN ピン
1092 X01A38092
PIN ピン
1
099 X01A38099
SPACER スペーサ
2
114 X01A38114
PIN ピン
1117 X01A38117
ROLLER ローラ
2118 X01A38118
SPACER スペーサ
1
119 X01A3811901
PIN ピン
1
120 X01A38120
SPACER スペーサ
1.2X5
1
N004
XPL12A5WFW
SPRING PIN スプリングピン
2 10H A2J (Trivalent)
1
N005
N510018477AA
ROUND PLAIN WASHER コガカマルヒラザガネ
M2X8-10.9 A2J (Trivale
1
N006
N510017261AA
HEX. SOCKET HEAD CAP BOLT ロッカクアナツキボルト
No.2 2 S A2J (Trivalen
1
N007
N510018324AA
SPRING WASHER バネザガネ
L-1260ZZ
2
N009
KXF02F9AA00
BEARING ベアリング
M2X2-45H A2J (Trivalen
1
N010
N510018353AA
HEX. SOCKET SET SCREW ロッカクアナツキトメネジ
M234
FN610071920AA_00-2

シグナルタワー部(赤/黄/緑)
SIGNAL TOWER SECT.(RED/YELLOW/GREEN)
28
F10483-52-000-AA_02
M235