Mechanical Parts List - 第83页
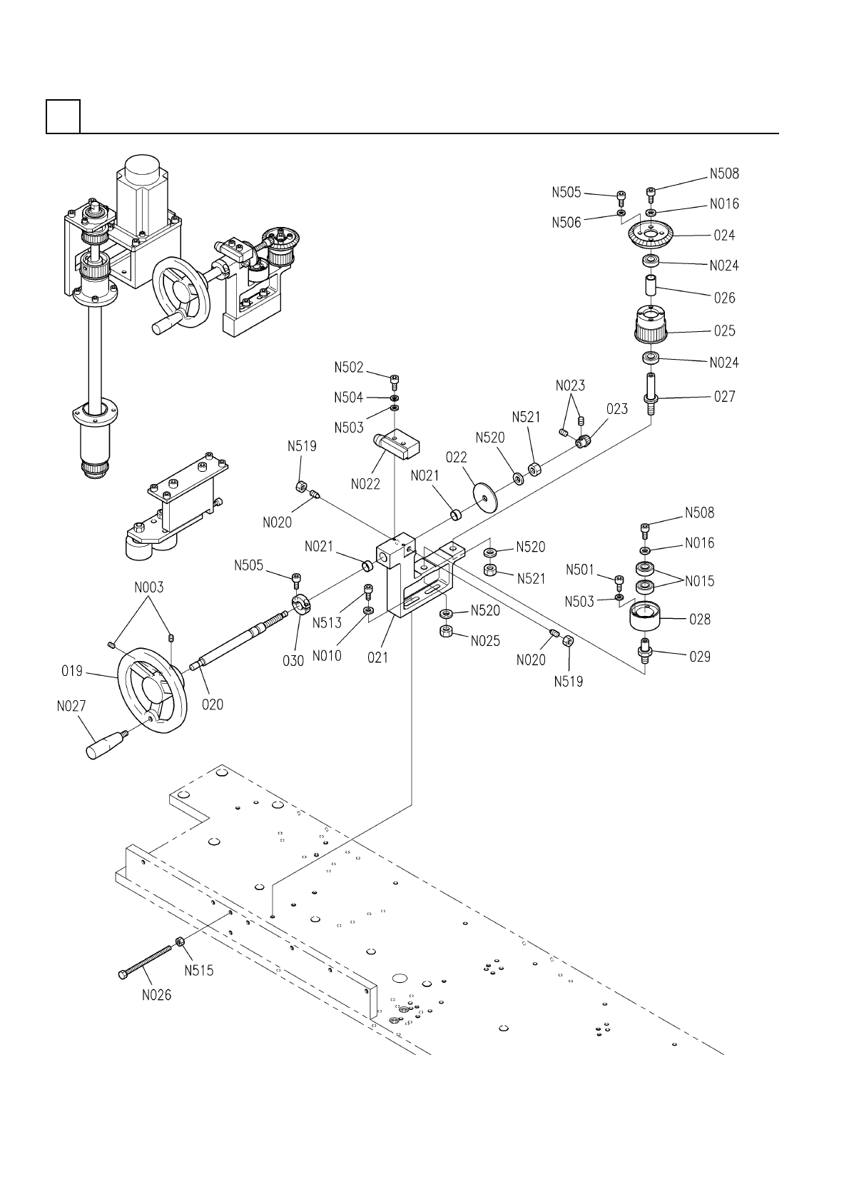
PART No. イラスト No. REF No. PART NAME REMARKS Q'TY 6 メイン駆動部(2) MAIN DRIVING S ECT.(2) 部 品 名 品 番 個数 備 考 R 1 R 2 1 019 N210086225AA HANDLE ハンドル 1 020 N210086226AB SHAFT シャフト 1 021 N210086227AA FRAME フレーム 1 022 N2100862…

メイン駆動部(2)
MAIN DRIVING SECT.(2)
6
FN610070013AA_05-2
M65

PART No.
イラスト
No.
REF
No.
PART NAME
REMARKS
Q'TY
6
メイン駆動部(2)
MAIN DRIVING SECT.(2)
部 品 名 品 番 個数 備 考
R
1
R
2
1019 N210086225AA
HANDLE ハンドル
1
020 N210086226AB
SHAFT シャフト
1
021 N210086227AA
FRAME フレーム
1022 N210086228AA
COLLAR カラー
1023 X02G02114
GEAR ギヤ
1
024 X02G02118
GEAR ギヤ
1
025 X02G02119
PULLEY(TIMING) プーリー(タイミング)
1026 X02G02120
COLLAR カラー
1027 N210078704AA
PIN ピン
1
028 N210076448AA
PULLEY プーリー
1029 N210076447AA
PIN ピン
1030 N210108600AA
COLLAR カラー
M6X8-45H A2J (Trivalen
2
N003
N510018387AA
HEX. SOCKET SET SCREW ロッカクアナツキトメネジ
Thick washer for M8
2
N010
N510020102AA
WASHER ザガネ
6202ZZ
2
N015
KXF00KUAA00
BEARING ベアリング
87WASMH20-6
2
N016
N510035527AA
WASHER ザガネ
BST10
2
N020
N984BST10
PLUNGER ボールプランジャ
K5B1810
2
N021
N510023073AA
BUSHING ブッシュ
AZ7100
1
N022
N300AZ7100
SWITCH スイッチ
M5X5-45H A2J (Trivalen
2
N023
N510018381AA
HEX. SOCKET SET SCREW ロッカクアナツキトメネジ
6002ZZ
2
N024
KXF0E24BA00
BEARING ベアリング
M12-6H-4T A2J (Trivale
1
N025
N510017897AA
HEXAGON NUT ロッカクナット
M8X130 (Trivalent) Whi
1
N026
N510035877AA
HEXAGON HEAD BOLT ロッカクボルト
ER22S
1
N027
N510035687AA
GRIP グリップ
M4X8-10.9 A2J (Trivale
3
N501
N510017381AA
HEX. SOCKET HEAD CAP BOLT ロッカクアナツキボルト
M4X30-10.9 A2J (Trival
2
N502
N510017361AA
HEX. SOCKET HEAD CAP BOLT ロッカクアナツキボルト
4 10H A2J (Trivalent)
5
N503
N510018497AA
ROUND PLAIN WASHER ミガキマルヒラザガネ
No.2 4 S A2J (Trivalen
2
N504
N510018330AA
SPRING WASHER バネザガネ
M5X16-10.9 A2J (Trival
6
N505
N510017395AA
HEX. SOCKET HEAD CAP BOLT ロッカクアナツキボルト
5 10H A2J (Trivalent)
4
N506
N510018499AA
ROUND PLAIN WASHER ミガキマルヒラザガネ
M6X16-10.9 A2J (Trival
2
N508
N510017433AA
HEX. SOCKET HEAD CAP BOLT ロッカクアナツキボルト
M8X30-10.9 A2J (Trival
2
N513
N510017475AA
HEX. SOCKET HEAD CAP BOLT ロッカクアナツキボルト
M8-6H-4T A2J (Trivalen
1
N515
N510017877AA
HEXAGON NUT ロッカクナット
M10-6H-4T A2J (Trivale
2
N519
N510017887AA
HEXAGON NUT ロッカクナット
12 10H A2J (Trivalent)
3
N520
N510018507AA
WASHER ヒラザガネ
M12-6H-4T A2J (Trivale
2
N521
N510017895AA
HEXAGON NUT ロッカクナット
M66
FN610070013AA_05-2

メイン駆動部(3)
MAIN DRIVING SECT.(3)
6
FN610070013AA_05-3
M67