Mechanical Parts List - 第89页
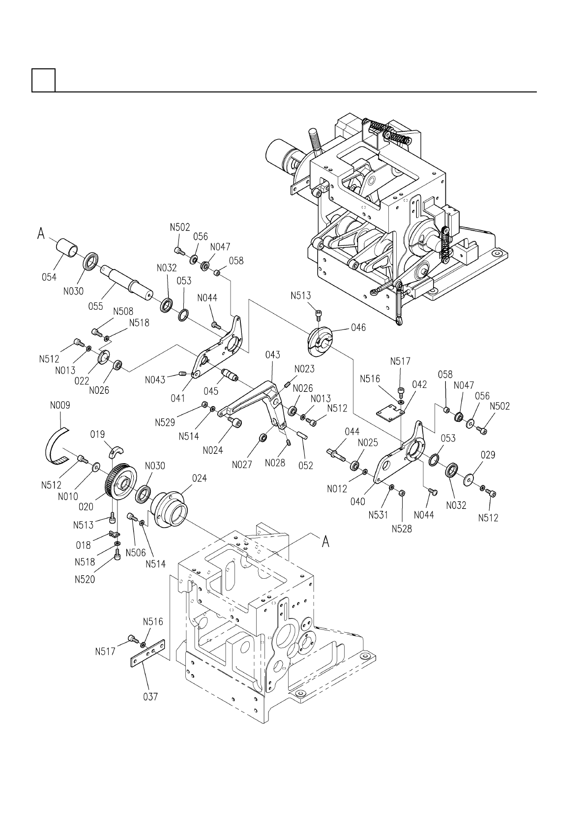
PART No. イラスト No. REF No. PART NAME REMARKS Q'TY 7 挿入ヘッ ド 部(挿入動力部2 ) INSERTION HEAD SECT.(I NSERTION POWER SEC T.-2) 部 品 名 品 番 個数 備 考 R 1 R 2 1 018 X02G45107 PLATE プレート 1 019 X02G45109 NUT ナット 1 020 X02G45110 PULL…

挿入ヘッド部(挿入動力部2)
INSERTION HEAD SECT.(INSERTION POWER SECT.-2)
7
FN610074519AA_06-2
M71

PART No.
イラスト
No.
REF
No.
PART NAME
REMARKS
Q'TY
7
挿入ヘッド部(挿入動力部2)
INSERTION HEAD SECT.(INSERTION POWER SECT.-2)
部 品 名 品 番 個数 備 考
R
1
R
2
1018 X02G45107
PLATE プレート
1
019 X02G45109
NUT ナット
1
020 X02G45110
PULLEY(TIMING) プーリー(タイミング)
1022 X02G45116
PLATE ベアリングオサエ
1024 X02G45120
FLANGE フランジ
1
029 X02G45126
WASHER ワッシャ
1
037 X02G45138
PLATE プレート
1040 N210084986AA
LEVER レバー
1041 N210084987AB
LEVER レバー
1
042 X01L45001
PLATE プレート
1043 N210084985AA
LEVER レバー
1044 X01L4500501
PIN ピン
1
045 X01L45006
SHAFT シャフト
1
046 X01L45016
CAM(PLATE) カム(イタ)
1052 X01A45037
PIN ピン
2053 X01A45039
COLLAR カラー
1
054 X01A45042
COLLAR カラー
1
055 X01A45043
PIN シテンピン
6056 N210048696AA
WASHER ワッシャ
5058 N210084980AA
COLLAR カラ-
360-5GT-15
1
N009
N6413605GT15
BELT(TIMING) ベルト(タイミング)
87WASMH25-6
1
N010
N510034997AA
WASHER ワッシャ
87FWSSM-D16.0-V8.0-T2.
1
N012
N510033690AA
WASHER ワッシャ
87FWSSM-D14.0-V6.0-T3.
2
N013
N510035006AA
WASHER ワッシャ
M5X8-45H A2J (Trivalen
1
N023
N510018384AA
HEX. SOCKET SET SCREW ロッカクアナツキトメネジ
CFN6R-A
1
N024
N531CFN6RA
CAM FOLLOWER カムフォロア
NART8R
1
N025
N531NART8R
ROLLER FOLLOWER ローラフォロア
6901ZZ
2
N026
KXF00MLAA00
BEARING ベアリング
NART6R
1
N027
N531NART6R
ROLLER FOLLOWER ローラフォロア
M4X8-45H A2J (Trivalen
2
N028
N510018375AA
HEX. SOCKET SET SCREW ロッカクアナツキトメネジ
6005ZZ
2
N030
KXF00K8AA00
BEARING ベアリング
6905ZZ
2
N032
KXF06P1AA00
BEARING ベアリング
M4X5-45H A2J (Trivalen
1
N043
N510018372AA
HEX. SOCKET SET SCREW ロッカクアナツキトメネジ
M4X6-10.9 A2J (Trivale
8
N044
N510017534AA
HEX. SOCKET BUTTON HEAD BOL ロッカクアナツキボタンボルト
F696ZZIMC3PS2S
6
N047
N510020363AA
BEARING ベアリング
M6X20-10.9 A2J (Trival
6
N502
N510017435AA
HEX. SOCKET HEAD CAP BOLT ロッカクアナツキボルト
M6X16-10.9 A2J (Trival
4
N506
N510017433AA
HEX. SOCKET HEAD CAP BOLT ロッカクアナツキボルト
M3X8-10.9 A2J (Trivale
3
N508
N510017341AA
HEX. SOCKET HEAD CAP BOLT ロッカクアナツキボルト
M6X12-10.9 A2J (Trival
4
N512
N510017428AA
HEX. SOCKET HEAD CAP BOLT ロッカクアナツキボルト
M4X16-10.9 A2J (Trival
4
N513
N510017351AA
HEX. SOCKET HEAD CAP BOLT ロッカクアナツキボルト
6 10H A2J (Trivalent)
5
N514
N510018501AA
ROUND PLAIN WASHER ミガキマルヒラザガネ
4 10H A2J (Trivalent)
6
N516
N510018497AA
ROUND PLAIN WASHER ミガキマルヒラザガネ
M4X10-10.9 A2J (Trival
6
N517
N510017344AA
HEX. SOCKET HEAD CAP BOLT ロッカクアナツキボルト
3 10H A2J (Trivalent)
5
N518
N510018494AA
ROUND PLAIN WASHER ミガキマルヒラザガネ
M3X5-10.9 A2J (Trivale
2
N520
N510017333AA
HEX. SOCKET HEAD CAP BOLT ロッカクアナツキボルト
M8-6H-4T A2J (Trivalen
1
N528
N510017877AA
HEXAGON NUT ロッカクナット
M6-6H-4T A2J (Trivalen
1
N529
N510017867AA
HEXAGON NUT ロッカクナット
8 10H A2J (Trivalent)
1
N531
N510018503AA
WASHER ヒラザガネ
M72
FN610074519AA_06-2

挿入ヘッド部(挿入動力部3)
INSERTION HEAD SECT.(INSERTION POWER SECT.-3)
7
FN610074519AA_06-3
M73