P-0228-001.pdf - 第136页
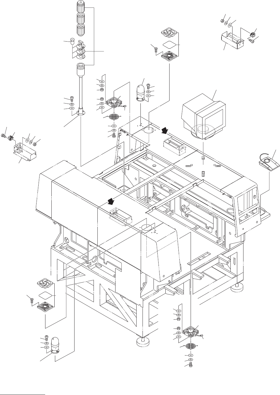
MODEL TIM-5000 9905-001 本体電装部 MACHINE ELECTRICAL SECTION Fig. BB-4 装置上面 Mechine Upper A 370 336 337 340 339 B DETAIL"A" DETAIL"B" See Fig.G-1 Key No.30 See Fig.G-1 Key No.30 370 368 369 336 337 339 36…

MODEL TIM-5000
9905-001
BB-3
Key No. PART No. PART NAME Q'ty REMARKS
216 411 141 4107 WASER V 5X10X1 8 FW5
217 411 141 6705 WAHER SPR 5 8 SW5
218 630 000 7749 BOLT,HEX-SCT 8 M5X10
221 411 141 4008 WASHER V 4X9X0.5 13 FW4
222 411 141 2905 WASHER SPR 4 13 SW4
223 630 000 7602 BOLT,HEX-SCT 13 M4X6
231 411 119 1909 WASHER V 3X7X0.5 56 FW3 F
232 411 086 4408 WASHER SPR 3 56 SW3 F
233 411 041 8908 SCR PAN 3X6 52 M3X6 PAN
234 411 113 0502 SCR PAN 3X14 4 M3X14 PAN
260 630 071 2551 UNIT,I/O 4 675BB-11D-860
261 630 071 2568 UNIT,I/O 3 675BB-11D-861
266 630 069 1078 ACCESSORY,P.C.B 28 675BB-11D-866
267 630 006 0218 ACCESSORY,P.C.B 4 675BB-11D-968
268 630 070 2972 CONNECTOR 5 675BB-11D-868
269 630 070 2965 CONNECTOR 7 675BB-11D-652
273 630 074 3760 BRACKET 2 675N--11V-071
274 630 074 3777 COVER 2 675N--11V-072
275 630 074 3746 BOX 1 675BB-11V-275
276 630 072 5568 COVER 1 675BB-11V-276
277 630 074 3753 BOX 1 675BB-11V-277
278 630 074 3784 COVER 1 675BB-11V-278
NOTE

MODEL TIM-5000
9905-001
本体電装部 MACHINE ELECTRICAL SECTION
Fig. BB-4装置上面 Mechine Upper
A
370
336
337
340
339
B
DETAIL"A"
DETAIL"B"
See Fig.G-1
Key No.30
See Fig.G-1
Key No.30
370
368
369
336
337
339
368-1
340
337
336
339
366
335
367
341
343
342
362
363
340
336
337
336
361
359
360
338
337
366
335
359
360
340
336
337
366
340
337
336
361
338
337
336
340
337
336
337
339
369
.
369-1
.
369-1

MODEL TIM-5000
9905-001
BB-4
Key No. PART No. PART NAME Q'ty REMARKS
335 411 113 5002 SCR FLT 4X12 4 M4X12 FLT
336 411 119 2104 WASHER V 4X9X0.8 18 FW4 F
337 411 008 1706 WASHER SPR 4 18 SW4 F
338 411 042 3001 SCR PAN 4X10 4 M4X10 PAN
339 411 003 0001 SCR PAN 4X12 10 M4X12 PAN
340 411 054 8506 NUT HEX 4 12 M4 F
341 411 141 4107 WASHER V 5X10X1 3 FW5 F
342 411 141 6705 WASHER SPR 5 3 SW5 F
343 411 140 4900 SCR PAN 5X12 3 M5X12 PAN
359 630 053 2883 MOTOR,AC 2 675BB-11D-359
360 630 049 1128 ACCESSORY,MOT-M 2 675BB-11D-360
361 630 049 1074 ACCESSORY,MOT-M 2 675BB-11D-451
362 630 070 6390 UNIT,DISPLAY 1 675BB-11D-762
363 630 067 0257 UNIT,I/O 1 675BB-11D-763
366 630 050 0745 ACCESSORY,MOT-M 2 675BB-11D-766
367 630 073 5376 ACCESSORY,LAMP 1 675BB-11D-767
368 630 041 4172 PILOT LAMP 1 675BB-11D-556
368 -01 630 000 1983 LAMP 3
369 630 070 4433 PILOT LAMP 2 675BB-11D-559
369 -01 630 075 3325 LAMP 1
370 630 000 4243 SOCKET 2 675BB-11D-457
NOTE