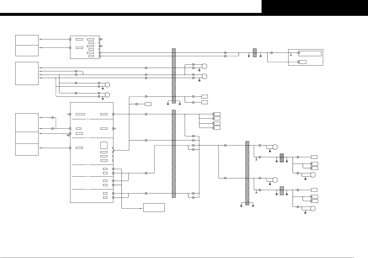
YSH20_cwd_je.pdf - 第26页
Confidential & Proprietary P A G E J1320 LUM LUP LU DI J1196 PINA VAC PINB VAC J1082 LU2 J1081 LU1 LU1 PINB VAC PINA VAC PINB UP PINA UP J1203 LX-AXIS ORG J1197 N0110240 LU1-AXIS 30W LU2-AXIS 30W □35 MAX 4500 rpm □35…

Confidential & Proprietary
PAGE
J1305
HY2
HY1
J1307
J1313
J1312
J1306
LRORG
LP1
LP2
LRORG
J1077
LR1-AXIS ORG
AIR FLOW SENSOR 2
AIR FLOW SENSOR 1
LR2-AXIS ORG
AIR FLOW SENSOR 3
AIR FLOW SENSOR 4
J1310
HYA/D
CN5
J1309
LP1
LR1
J1315
J1075
LCY-AXIS ORG
LP1-AXIS 30W
□35 MAX 1500rpm
LP2-AXIS 30W
□35 MAX 1500rpm
LR1-AXIS 15W
□42 MAX 650rpm
LR2-AXIS 15W
□42 MAX 650rpm
DI/DO CN6
CN1 POW
CN18 GOOD
CN4FAN
TXD/RXDCN2 CN5
CN2
CN2
CN2
CN3 XORG,XOT
AD0,AD1
AD3/DA3
AD2/DA2
DI/DO
CN7SPARE
INTOL CN8
CN10LASER
CN4
CN4
CN4
M0
M1
M0
M1
M0
M1
HEAD SERVO UNIT YWF
HEAD I/O1 BOARD ASSY P061
HEAD I/O2 BOARD ASSY P062
HEAD I/O3 BOARD ASSY P063
HEAD SERVO BOARD ASSY 1 P064
HEAD SERVO BOARD ASSY 3 P066
HEAD SERVO BOARD ASSY 2 P065
HY DO
CN6 HEAD1
HEAD2
HEAD3
HEAD4
HEAD2 (VACUUM/BLOW)
HEAD1 (VACUUM/BLOW)
HEAD3 (VACUUM/BLOW)
HEAD4 (VACUUM/BLOW)
J1303
CN4
J1311
CN3
J1304
J1301 HY POW
HY+48V
HY+24V
J0056
J0037
J1401
H1
H2
J1302
J1308
DC24VCN11
CN5
CN4CAM1
CN7LIGHT1
CN6CAM2
CN9LIGHT2
CN8CAM3
CN10LIGHT3CAMOUTVISION BOARD 2 V2 CAM4
E-C+24V
See YSH20
INTERCONNECTION DIAGRAM
CAMERA SELECTOR YWF P083
CN35
J1506
J1507
LIGHT1
J1503
CN5
CAM
WAFER CAMERA
P094
S.LIGHT COAX ASSY
WAFER CAMERA
LIGHT1J1505
LIGHT1
FLEXIBLE LCXFLEXIBLE LCY1
J1504
J1502
LIGHT1
CAM1 CAM1
□54 MAX 5000rpm
□54 MAX 5000rpm
LFX-AXIS 200W
□54 MAX 5000rpm
J1150
LFXM
LCX-AXIS 200W
□54 MAX 4500rpm
LCXM
J1142
LCXM
LCXP
LFXP
LFXM
J1122
LCY1P LCY1P
LCY1M
LCY1-AXIS 200W
LCY2P LCY2P
LCY2M
LCY2-AXIS 200W
LCXP
LFXP
SERVO3 MO
PI1
SERVO1 MO
SERVO CONTROL BOX
See Page 1
PI3
J1121
LCXP/LFXP
J1125
J1126
FLEXIBLE LCY2
FLEXIBLE LFX
LCX ORG
LFX ORG
LCX/LFX ORG
N100D005
N100D006
N100D004
LCX-AXIS ORG
LFX-AXIS ORG
LCY ORG
T100C000/T100C002
T100C001/T100C003
T100C400/T100C402
T100C401/T100C403
HY DI
HYA/D
LU1
LP1 J1314
LPR 1
LR1
LU2
LP2 J1317
LR2
LP2
LR2
J1318
LPR 2
LUP,LUM
See Page 4
EJECTOR
J1320
FLEXIBLE LP1
FLEXIBLE LP2
H1
H2
H3
H4
LR
LR
LR1
LR2
N100D002
N100D003
J0163 HY CN18
CN11
KM51,XT31
QF54,XT42
J1501
J0055
J0141
J1141
J1123
J0121
IF2 SRVA
See YSH20
INTERCONNECTION DIAGRAM
SERVO BOARD 3
SERVO BOARD 1
REMOTE IF BOARD
CN2
J0180
POWER CIRCUIT
See Page 6
CONTROL BOX
See YSH20
INTERCONNECTION DIAGRAM
I/O CONVEYOR -5-
CONTROL BOX
See YSH20
INTERCONNECTION DIAGRAM
I/O CONVEYOR -1-
M53
M54
M59
M52
M62
M63
M65
M66
YV509
YV510
YV511
YV512
SQ541
SQ543
SQ542
SQ545
SQ546
SQ538
SQ540
SQ539
SQ544
CC.V1
23
WAFER HEAD
YWF-300

Confidential & Proprietary
PAGE
J1320
LUM
LUP
LU DI
J1196
PINA VAC
PINB VAC
J1082
LU2
J1081
LU1LU1
PINB VAC
PINA VAC
PINB UP
PINA UP
J1203
LX-AXIS ORG
J1197
N0110240
LU1-AXIS 30W
LU2-AXIS 30W
□35 MAX 4500rpm
□35 MAX 4500rpm
J1322
J1323
FLEXIBLE LU1
FLEXIBLE LU2
FLEXIBLE LX
LU1LU1
LU2
LU1,LU2
See Page 3
TFCN8
I/O TF BOARD
See Page 2
PINA UP
PINA LOW
PIN UP A
PIN B LOWER
PIN B UPPER
PIN A LOWER
PIN A UPPER
PIN A VACUUM
PIN B VACUUM
N0110242
N0110243
N0110246
N0110247
N0110244
N0110245
PIN LOW A
PINB UP
PINB LOW
PIN UP B
PIN LOW B
LX ORG
TFCN4
PIN A VACUUM
T0110012
PIN B VACUUM
T0110014
PIN A UP
T0110010
PIN B UP
T0110011
YWF HEAD SERVO BOARD 1,2
LXP
LX-AXIS 200W
LXP
LXM
□54 MAX 4500rpm
SERVO2 MO
PI2
SERVO CONTROL BOX
See Page 1
J1127
J1143
J1129
SERVO UNIT 2
M56
M61
M64
SQ504
SQ532
SQ533
SQ536
SQ537
SQ534
SQ535
YV504
YV505
YV506
YV507
CC.V1
24
EJECTOR
YWF-300

Confidential & Proprietary
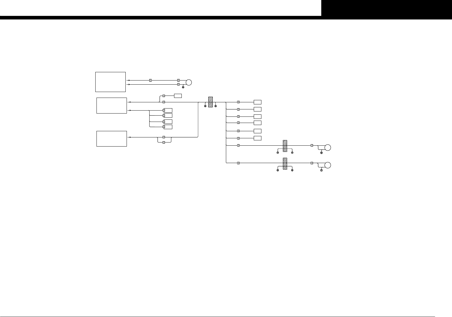
PAGE
S61
INTERCONNECTION DIAGRAM
See YSH20
See Page 2
I/O TF BOARD
See Page 7
EMERGENCY CIRCUIT
HTR TMP OK
TFCN13
TFCN6
CN36
THRM EMG
2
1
4
5
2
1
A622 TC-
A621 TC+
A6115 CT
A6114 CT
15
14
A615 TC+
A612 OUT-
A611 OUT+
A6112 RUN3
A6111 RUN1
11
12
13
KA621 RUN-
KA625 RUN+ KA624 RUN2
KA623 RUN1
HTR AIR HEATER VALVE
T0110031
10
THERMO WARNING UNIT A62
THERMO CONTROL UNIT A61
A2A1
KM61A1 +24V
KM6133 RUN2
KM6141 T32BA
KM61/KM61A
KM6134 RUN3
KM6113 +24BA KM6114 +24CC
KM6142 T32B
KM61A2 0V24
U11DU11C
XT61
MAX600V/15A
V10 V10
A1
A2
14
11
12
8
7
6
9
See Page 6
POWER CIRCUIT
J1190
A619 +24V
A6110 0V
A6110 0V
A616 TMP OK
A617 EMG0A
A618 EMG0
A62A1 +24V
A62A2 0V
A6211 EMG1
A6212 EMG0A
HEATER PWR
XT62
TC2 +
TC2 -
TC1 +
TC1 -
MAX600V/15A
KA612 OUT-
KA617 OUT+ KA613 U11D
KA611 U11E
A614 TC-
I/O CONVEYOR -1-
I/O CONVEYOR -5-
CT1
U11E
V10
HEATER
YV508
J2059
J2060
J2057
J2061
J2058
J2064 J2065
J2054
J2053J2052
J2055
J2063
J2056
J2062
J2051
HEATER KM61
HEATER PWR
INPUT LOAD
5 +
1 - 3
4
KA62
A1 A2
1/L1
3/L2
5/L3
2/T1
4/T2
6/T3
33 34
41 42
13 14
V10
TC1 +
TC1 -
TC2 +
TC2 -
INPUT LOAD
KA61
1
37 +
2 -
U11E
V10
CC.V1
25
HEATER(OPTION)
YWF-300