YSH20_cwd_je.pdf - 第13页
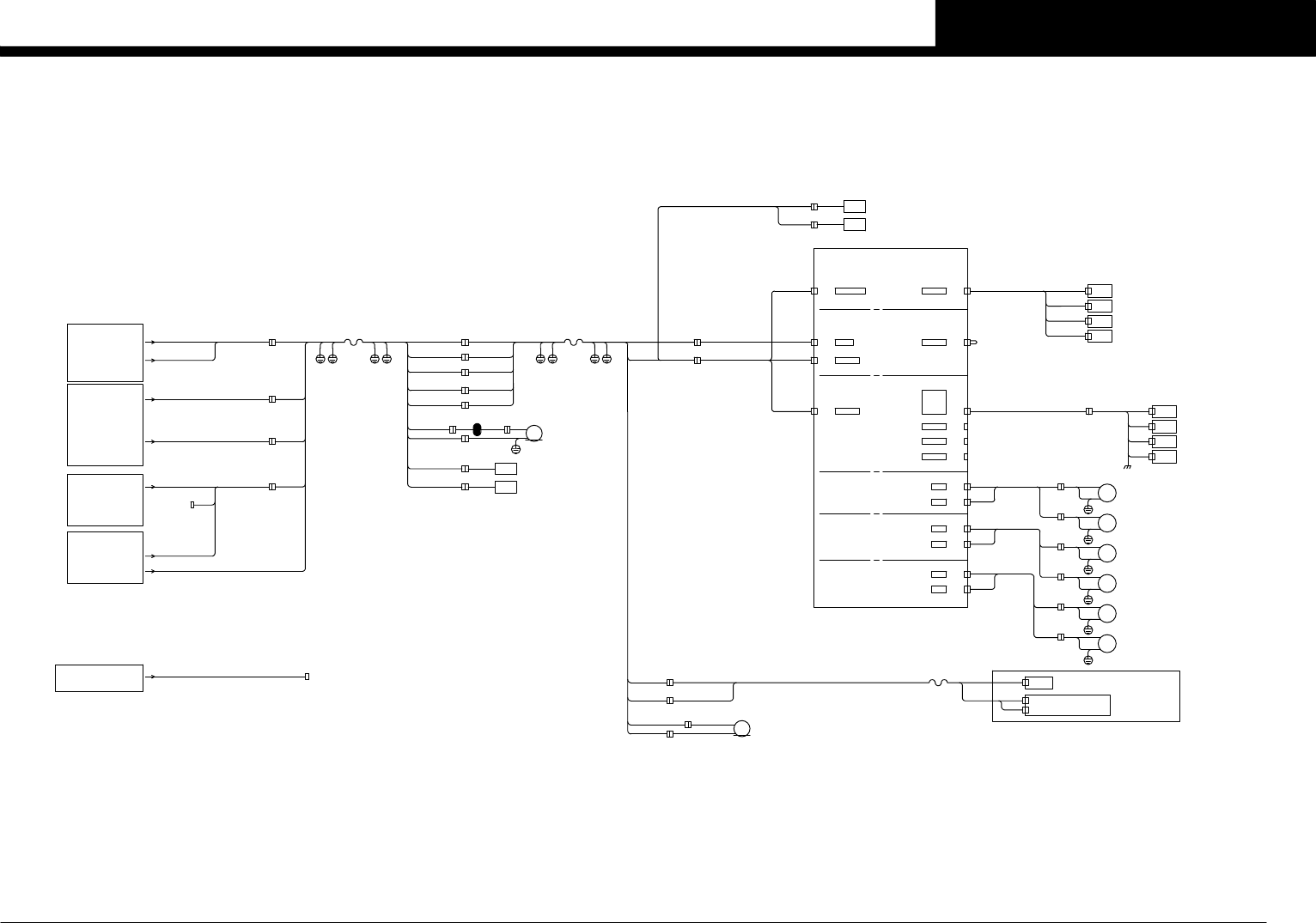
Confidential & Proprietary P A G E ZB J0526 D.CAM2 HB CAM FIDUCI AL LIGHT B P093 EL02 FIDUCIA L CAMERA B FIDUCIAL CAMERA B LIGHT LIGHT1 FID FID.LI GHT BRD. ASSY CN2 CN1 CAMERA SELECTO R B See Page 12 CAM1 LIGHT1 CAME…

Confidential & Proprietary
PAGE
CN18
CN1
CN2
CN3
J0504
H CAM
H IO
XM
H PWR
HA IO
J0503
HA PWR
HA SRV XYP
J0402
J0033
J0141
J0161
KM12,XT31
CN12
See Page 3
DI/DO CN6
CN1 POW
CN18 GOOD
CN4FAN
CN4
TXD/RXDCN2 CN5
CN2
CN2
CN2
CN3
T002C001/T002C003
T002C000/T002C002
HEAD 1(VACUUM/BLOW)
HEAD 2(VACUUM/BLOW)
J0311
N002D001
N002D000
SQ301
XA-AXIS ORG
XA-AXIS OVER TRAVEL
HEAD2
HEAD1CN6
CN5
J0057
AIR FLOW SENSOR 2
AIR FLOW SENSOR 1
HEAD1
HEAD2
HA TEMP
XYAM
QF43,XT42
IF1 SRVB,XAP,YAP
SERVO3 MO,SRV4 M0
See Page 2
CONTROL BOX
POWER SIRCUIT -1-
H SRV XP
J0309
J0310
X ORG
X OT
H PWR HEAD PWR
H SRV IO H IO
XORG,XOT
HEAD SERVO UNIT A
AD0,AD1
AD3/DA3
AD2/DA2
DI/DO
CN7SPARE
INTOL CN8
CN10LASER
CN4
CN4
CN4
Z1
Z2
□20 MAX 4000rpm
□20 MAX 4000rpm
CN26
FCTR HA CN28
See Page 7
SQ303
I/O CONVEYOR BOARD
I/O CONVEYOR BOARD
YP
YM
YORG
YOT
YA-AXIS OVER TRAVEL
YA-AXIS ORG
N0100480
N0100481
YP
SQ001
SQ003
J0124
E07
M0
M1
M0
M1
M0
M1
HEAD I/O1 BOARD ASSY P041
HEAD I/O2 BOARD ASSY P042
HEAD I/O3 BOARD ASSY P043
HEAD SERVO BOARD ASSY 1 P044
HEAD SERVO BOARD ASSY 3 P046
M03
MAX 1.8m/s
YA-AXIS 1020W
HEAD3
HEAD4
HEAD 3(VACUUM/BLOW)
HEAD 4(VACUUM/BLOW)
T002C400/T002C402
T002C401/T002C403
H VAC
HEAD3
HEAD4
AIR FLOW SENSOR 3
AIR FLOW SENSOR 4
HEAD SERVO BOARD ASSY 2 P045
Z1
Z2
Z1
Z2
Z3
Z4
CZA-AXIS 20W
□20 MAX 4800rpm
R
CZ
Z3 Z3
Z4Z4
R
CZ CZ
□20 MAX 4000rpm
R1
□42 MAX 3800rpm
□20 MAX 4000rpm
ZA1-AXIS 20W
ZA2-AXIS 20W
ZA3-AXIS 20W
ZA4-AXIS 20W
RA-AXIS 15W
M20
M21
M22
M23
M24
M25
YV305
YV306
YV307
YV308
SQ309
SQ310
SQ311
SQ312
J0341
J0342 J0343
J0344
J0345
J0346
YA XA
CAMERA UNIT SEL.
LIGHT1
CAM1
See Page 12
CAMERA SELECTOR A
See Page 17
M01
XP
XM
D.CAM1
CN1
CN2
FID.LIGHT BRD. ASSY
EL01
FIDUCIAL CAMERA A
FIDUCIAL CAMERA A
FIDUCIAL LIGHT A
FIDLIGHT1 LIGHT
HA CAM
P092
MAX 1.8m/s
XA-AXIS 450W
J0506
ZA
CC.V3
10
HEAD A :TYPE 4M
YSH20

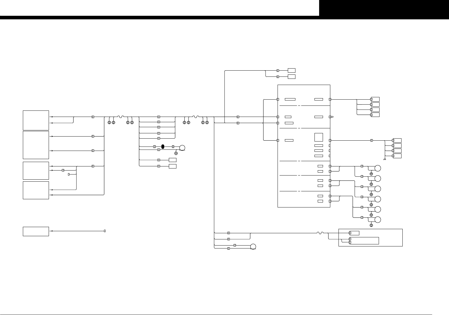
Confidential & Proprietary
PAGE
ZB
J0526
D.CAM2
HB CAM
FIDUCIAL LIGHT B
P093
EL02
FIDUCIAL CAMERA B
FIDUCIAL CAMERA B
LIGHTLIGHT1 FID
FID.LIGHT BRD. ASSY
CN2
CN1
CAMERA SELECTOR B
See Page 12
CAM1
LIGHT1
CAMERA UNIT SEL.
See Page 17
YB XB
J0356
J0355
J0354
J0353J0352
J0351
SQ316
SQ315
SQ314
SQ313
YV312
YV311
YV310
YV309
M31
M30
M29
M28
M27
M26
HEAD SERVO BOARD ASSY 2 P055
CZB-AXIS 20W
RB-AXIS 15W
ZB4-AXIS 20W
ZB3-AXIS 20W
ZB2-AXIS 20W
ZB1-AXIS 20W
□20 MAX 4000rpm
□42 MAX 3800rpm
R1
□20 MAX 4000rpm
CZCZ
R
Z4 Z4
Z3Z3
CZ
R
□20 MAX 4800rpm
Z4
Z3
Z2
Z1
Z2
Z1
□20 MAX 4000rpm
□20 MAX 4000rpm
Z2
Z1
H VAC
AIR FLOW SENSOR 4
AIR FLOW SENSOR 3
HEAD4
HEAD3
T003C401/T003C403
T003C400/T003C402
HEAD 4(VACUUM/BLOW)
HEAD 3(VACUUM/BLOW)
HEAD4
HEAD3
J0163
HB EMG
HB TEMP
YB-AXIS 1020W
MAX 1.8m/s
M1
M0
M1
M0
M1
M0
HEAD SERVO BOARD ASSY 3 P056
HEAD I/O3 BOARD ASSY P053
HEAD I/O2 BOARD ASSY P052
HEAD I/O1 BOARD ASSY P051
HEAD SERVO BOARD ASSY 1 P054
E08
J0125
SQ002
N01004E0
N01004B7
SQ004
M04
YB-AXIS OVER TRAVEL
YB-AXIS ORG
YOT
YORG
YP
YM
YP
I/O CONVEYOR BOARD
I/O CONVEYOR BOARD
SQ302
CN11
See Page 7
See Page 2
See Page 3
J0161
J0141
J0033
J0402
SERVO3 MO,SRV4 M1
IF1 SRVB,XBP,YBP
CONTROL BOX
QF44,XT42
XYBM
H SRV XP
J0329
J0330
H IO
HEAD PWR
H SRV IO
H PWR
CN4
CN4
CN4
CN2
CN2
CN2
LASER CN10
CN8INTOL
SPARE CN7
DI/DO
AD2/DA2
AD3/DA3
AD0,AD1
CN5
J0331
XORG,XOT
N003D001
N003D000
POWER SIRCUIT -1-
HEAD SERVO UNIT B
T003C001/T003C003
T003C000/T003C002
HEAD2
HEAD1
AIR FLOW SENSOR 1
AIR FLOW SENSOR 2
CN5
SQ304
CN26
FCTR HB CN28
CN48
XB-AXIS OVER TRAVEL
XB-AXIS ORG
HB SRV XYP
HB PWR
HB IO
KM12,XT31
DI/DO CN6
CN1 POW
CN18 GOOD
CN4FAN
CN4
TXD/RXDCN2
CN3
HEAD 1(VACUUM/BLOW)
HEAD 2(VACUUM/BLOW)
H CAM
H IO
XM
H PWR
HEAD2
HEAD1CN6
XORG
XOT
CN3
CN2
CN1
CN18
J0514J0513
J0057
XB-AXIS 450W
MAX 1.8m/s
M02
XM
XP
CC.V3
11
HEAD B :TYPE 4M
YSH20

Confidential & Proprietary
PAGE
HA IO
CAM1
LIGHT1
J0503
J0161
A1 CAM+24V
A1 MULTI
J0507
J0508
C.SEL A DC24V
A CAMOUT
DC24VCN11
CN5
CN4CAM1
CN7LIGHT1
CN6CAM2
CN9LIGHT2
CN8CAM3
CN10LIGHT3CAMOUT
J0521 J0522
CN28
J0052
J0502
J0501
CN8 POCL
CN4 +24V
MULTI CAM2 BRD.ASSY
MULTI CAM.SUB ASSY
CN8 POCL
CN4 +24V
MULTI CAM2 BRD.ASSY
MULTI CAM.SUB ASSY
A2 MULTI
A2 CAM+24V
P084
P086
J0511
J0512
V1 CAM1
V1 CAM2
V1 CAM3
V2 CAM1
V2 CAM2
V2 CAM3
V2 CAM4
B2 MULTI
B2 CAM+24V
CN8 POCL
CN4 +24V
MULTI CAM2 BRD.ASSY
MULTI CAM.SUB ASSY
B1 MULTI
B1 CAM+24V
P085
CN8 POCL
CN4 +24V
MULTI CAM2 BRD.ASSY
MULTI CAM.SUB ASSY
P087
J0161LIGHT1
HB IO
CAM1 J0513
B CAMOUT
C.SEL B DC24V
J0518
J0517
DC24VCN11
CN5
CN4CAM1
CN7LIGHT1
CN6CAM2
CN9LIGHT2
CN8CAM3
CN10LIGHT3CAMOUT
J1501
See YWF
INTERCONNECTION DIAGRAM
DIGITAL MULTI CAMERA A1 DIGITAL MULTI CAMERA B1
DIGITAL MULTI CAMERA B2(OPTION)DIGITAL MULTI CAMERA A2(OPTION)
H CAM H CAM
WAFER HEAD
CN5 CAMERA SELECTOR YWF
SYSTEM CONTROL BOX
VISION BOARD 2
See Page 2
SYSTEM CONTROL BOX
VISION BOARD 1
See Page 2
See Page 7
I/O CONVEYOR BOARD
CAMERA SELECTOR A P081 CAMERA SELECTOR B P082
See Page 8 :TYPE FF
See Page 10:TYPE 4M
See Page 9 :TYPE FF
See Page 11:TYPE 4M
HEAD BHEAD A
CC.V3
12
CAMERA UNIT SEL.
YSH20