YSH20_cwd_je.pdf - 第20页

Confidential & Proprietary P A G E +24V +24VA0 +24VA1 +24VA2 +24VA3 +24VA4 +24VA5 +24VA6 +24VA7 +24VA8 +24VA9 +24VAA 0.9A 0.9A 0.9A 0.9A 0.9A 0.9A 0.9A 0.9A 0.9A 0.9A 0.9A CN1 2 1 2 1 I/O CONVEYOR BOARD ASSY P025 See…

100%1 / 37
Confidential & Proprietary
PAGE
J0049
J0050
+24A
+24A
+24A
0V24A
J0043
0V24B
+24B
+24A
0V24A
0V24A
+24A
+24A
+24A
+24A
1
2
DCN1
CONV+24V
QF41 5A
+48B +48B
+48B
HA +24V
HB +24V
+48B
0V48
+48A
J0032
+48A
T1
S1
R1
+24A
+24A
+24A
J0044
J0029
U11C
FG
V10
J0028
U11A
V10
FG
1
2
3
J0027
U10
V10
J0021
J0020
J0017
J0018
J0019
J0011
J0012
J0013
J0014
J0015
J0016
U30
V30
W30
1
2
3
V51
U51
U51
V51
W51
FG
W50
V50
U50
W50
U50
V50
T2S2
R2
R2
S2
T2T1
S1
J0001
R1
J0001
L3
L2
L1
QF44 4A(45℃ 3.5Amax)
QF42 2A(45℃ 1.75Amax)
+24A
+24A
MAX690V/40A
TC11
BUZZER
1
2 DRIVER
CONVEYOR
P011
ACIN
AC100V:CONTROL
EXT.PWR
See Page2
B10
B8
A8
B7
A7
B6
A6
B2
A2
B1
A1
BRACKET MAIN SWITCH
L1
L2
L3
PE
L1
L2
L3
T1
T2
T3
600W
-
+
-
+
N
L
FG
4/T2
5/L3
3/L2
1/L1 2/T1
6/T3
1.5KVA
0V
0V
100V
100V
240V
0V
190V
200V
208V
220V
0V
100V
240V
0V
190V
200V
208V
220V
+
FG
N
L
-
-
+
+
FG
N
L +
-
-
200V
200V
200V
N
0V
190V
200V
208V
220V
240V
0V
190V
200V
208V
220V
240V
0V
190V
200V
208V
220V
240V
0V
190V
200V
208V
220V
240V
0V
190V
200V
208V
220V
240V
0V
190V
200V
208V
220V
240V
U
V
W
XB11
QS11
TM11
QF31 10A
GS31
GS21
GS22
L1
L2
L3
J0051
J0080
J0079
J0077
J0076
J0072
J0073
J0074
0V24A
0V24A
QF43 4A(45℃ 3.5Amax)
T1
T2
T3
L1
L2
L3
CN1
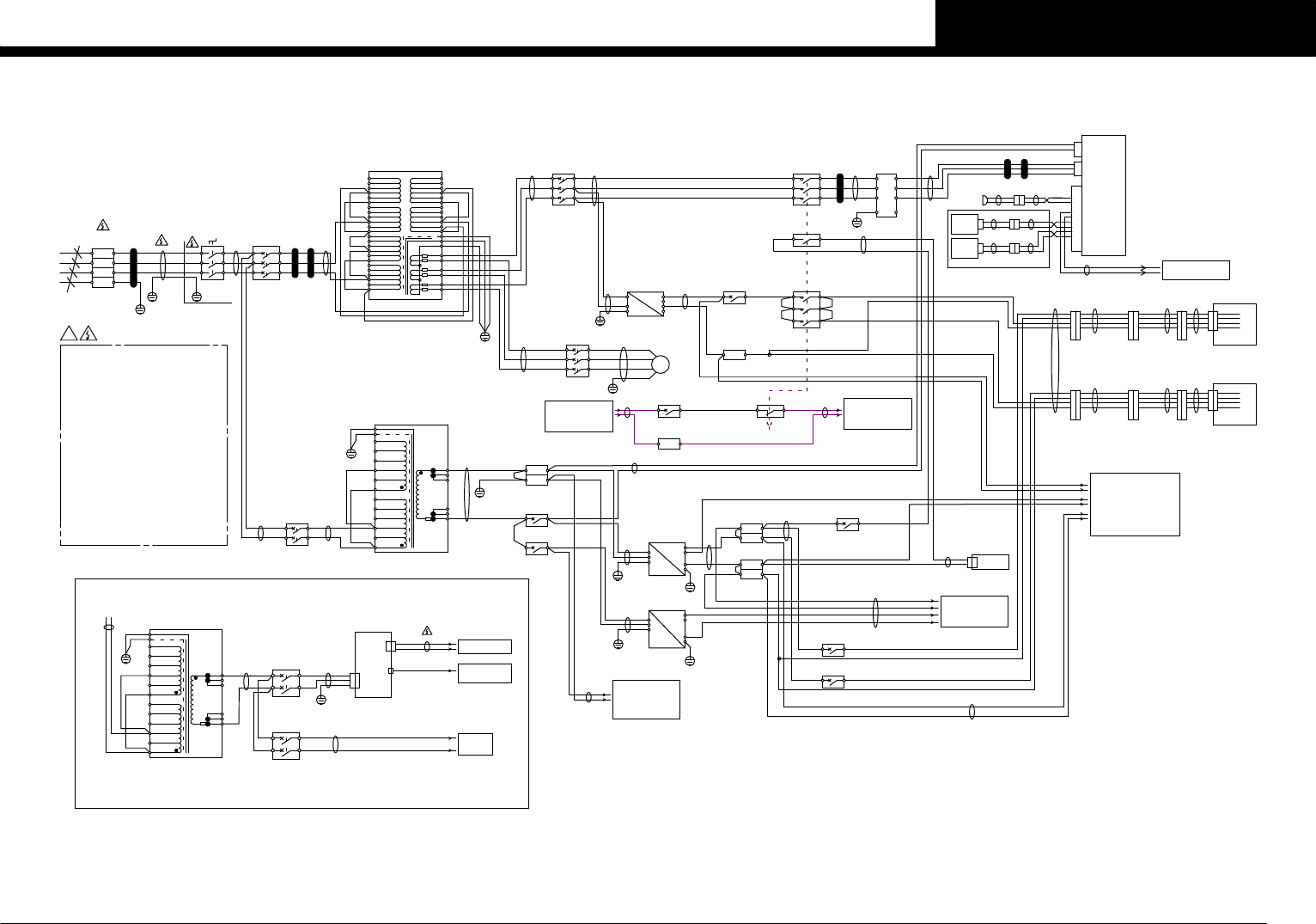
POWER CIRCUIT -2-
12.5A
300W 12.5A
≧AWG10
(5.3sq)
MAX750V/44A
J0071
MAX690V/20A
QF11
220V
220V
220V
See Page 14
J0004J0003
AC220V
AC220V:DRIVE
MOTOR
POWER
E01 E02
NOTE:Icu≧7.5kA(AC440V)
J0002
E03
J0006
E05 E06
J0009
MAX690V/15A
NOTE:Icu≧6kA(AC440V)
R1
S1
R3
R3
S3
J0010
See Page 14
J0022
AC100V
XT41
MAX600V/30A
XT42
MAX600V/30A
0V24A
0V24A 0V24A
0V24A
SERVO CONTROL BOX A2
J0032
+48C
J0033
J0041
J0042
1
22
1
BUZZERJ0119
J0046
LCD2
LCD1
CN27
POWER CIRCUIT -2-
J0051
FRONT
REAR
J2031
J2032
1
2
1
2
1
2
1
2
LCD1
LCD2
J0252
J0253
TOUCH PANEL MONITOR(OPTION)
HB PWR
HA PWR
6
5
4
1
2
3
6
5
4
1
2
3
1
2
3
4
5
6
1
2
3
4
5
6
J0503
J0513
6
5
4
1
2
3
1
2
3
4
5
6
H PWR
6
5
4
1
2
3
1
2
3
4
5
6
H PWR
J0504
6
5
4
1
2
3
1
2
3
4
5
6
H PWR
J0310
1
2
3
4
3
2
1
4
+48V
+24V
GND+24V
GND+48V
6
5
4
1
2
3
1
2
3
4
5
6
H PWR
1
2
3
4
3
2
1
4
+48V
+24V
GND+24V
GND+48V
J0330J0514
CN1
CN1 CN1
CN1
P052
P042
*
Residual risk
when MAIN SW QS11 is OFF.
High Voltage
QF12
S3
600W 27A
See YWF
INTERCONNECTION DIAGRAM
Peak 41.5A 5sec
I/O CONVEYOR BOARD
I/O CONVEYOR BOARD
HA01
HEAD I/O2 BOARD ASSY A
HEAD I/O2 BOARD ASSY B
QF53,TFCN2
J0040
J0056 QF54,HY+24V
YWF I/O HEAD BOARD
I/O TF BOARD
J0037
J0035
QF51,HY+48V
YWF POWER CIRCUIT
0V48
0V48
MAX600V/15A
XT31
0V48
0V48
W53
V53
U53
W52
V52
U52
J0075
NF11
MAX500V/20A
E E
1
2
3
4
5
6
J0041
CONV+24V CONV+24E
U52
V52
W52W51
V51
U51
6/T35/L3
3/L2
2/T11/L1
4/T2
MAX660V/13A
73 74
KM11
KM11A
J0005
E04
MAX690V/6A
KM12
V10
V10
U11A
U11A
V10
J0025
J0023
V10
U10
QF21 10A
V10
V10
XT21
MAX600V/30A
U11C
QF22 5A
U11C
V10
*The charge mark is put on the place
that might be gotten an electric shock.
・Secondary side of UPS.
・Chemical capacity for motor power in
・On the cover at the front right side.
・Near the MAIN SW QS11.
・Between INCOMING SUPPLY TERMINAL BLOCKS XB11
and MAIN SW QS11.
・Lower of INCOMING SUPPLY TERMINAL BLOCKS XB11.
・Around J0001 harness.
SERVO CONTROL BOX A2.
W31
V31
U31
J0008
W31
V31
U31U30
V30
W30
J0007
M19
E
VACUUM PUMP
QF32 Set 1.3A
(1.0-1.6A)
0.2kW
3.552KVA
See Page 18
See Page 18
MAX600V/15A
0V24VAF
LIGHT +24VA 41 42 LIGHT +24VBLIGHT +24VA
QF45 1A
XT43
KM12A
See Page 18
POWER CIRCUIT -2-
I/O CONVEYOR BOARD CN45
I/O CONVEYOR BOARD
See Page 18
POWER CIRCUIT -2-
LED LIGHT
J0601 J0603
J0602
EMERGENCY CIRCUIT(WITH YWF):See Page 20
EMERGENCY CIRCUIT(NO YWF) :See Page 19
+24VF4
0V24VF4 0V24VF4
・On the cover at the rear left side.
・On the cover at the rear right side.
・On the cover at the front left side.
・On the rear side of the right side panel.
・On the rear side of the left side panel.
・On the front cover at SERVO CONTROL BOX A2.
・On the front cover at HEATER RELAY PANEL .
J0078
YWF POWER CIRCUIT
See YWF
INTERCONNECTION DIAGRAM
J2071
HEATER PWR
U11C
V10C
U10
V10
100V
100V
0V
0V
240V
0V
190V
200V
208V
220V
0V
100V
1.75kVA
QF61 15A
V10A
U10A
240V
0V
190V
200V
208V
220V
U10
V10
At the UPS specification
UPS IN
UPS OUT
GB1
SIGNAL
UPS
J0010
J0076
J0077
J0020
J0021
V10
U10
V10
U10
J0022
J0029
XT21
V10
QF21
U10
UPS OUT
UPS
UPS IN
J0781
J0782
J0783
See Page 2
EXT.POWER
U11C
V10C
GS22 N
GS22 L
TC11
See Page 14
S3
R3
J0023
J0025
QF62 5A
SERVO CONTROL BOX
Note : QF22 is not used at the UPS specification.
CC.V3
17
POWER CIRCUIT -1-
YSH20
Confidential & Proprietary
PAGE
+24V
+24VA0
+24VA1
+24VA2
+24VA3
+24VA4
+24VA5
+24VA6
+24VA7
+24VA8
+24VA9
+24VAA
0.9A
0.9A
0.9A
0.9A
0.9A
0.9A
0.9A
0.9A
0.9A
0.9A
0.9A
CN1
2
1
2
1
I/O CONVEYOR BOARD ASSY P025
See Page 3-7
4
3
4
3
XT41,XT42
POWER CIRCUIT -1-
GS22
CN6 0.9ACN6
1
2
3
4
CALIB+24V
1
2
3
4
J0042
J0060J0115
1
2
3
4
5
6
1
2
3
4
5
6
P023
CALIB.BOARD ASSY A
1
2
3
4
5
6
1
2
3
4
5
6
CALIB.BOARD ASSY B
P024
CN1
CN1
CALIB A CN1
CALIB B CN1
1
2
3
4
1
2
3
4
BCR+24V
2.5ACN26CN26
1
2
3
4
1
2
3
4
1
2
3
4
1
2
3
4
FCTR I/O HEAD BOARD ASSY A
FCTR HA CN28
FCTR HA CN28
CN28
CN28
P022
P021
FCTR I/O HEAD BOARD ASSY B
1
2
1
2
ANC A PWR
1
2
1
2
J0057
ANC B PWR
1
2
1
2
CN3
AACN3
1
2
1
2
CN3
J0058
J0059ABCN3
2.5ACN27
J0051
POWER CIRCUIT -1- EXT.PWR B6
EXT.PWR A6
CN27
CN28
11
22
33
CN4
11
22
33
CN4
11
22
33
CN4
11
22
33
CN4
11
22
33
11
22
33
DIGITAL MALTI CAMERA A1
MULTI CAM2 BRD. ASSY
A1 CAM+24V
DIGITAL MALTI CAMERA B1
MULTI CAM2 BRD. ASSY
DIGITAL MALTI CAMERA A2
MULTI CAM2 BRD. ASSY
MULTI CAM2 BRD. ASSY
DIGITAL MALTI CAMERA B2
CAMERA SELECTOR A
CAMERA SELECTOR B
CAMSEL BRD. ASSY
CAMSEL BRD. ASSY
CN11
CN11
B1 CAM+24V
A2 CAM+24V
B2 CAM+24V
C.SEL A DC24V
C.SEL B DC24V
J0052 CN28
P084
P085
P086
P087
P081
P082
1.6A
1.6A
2.5A CN29 CN29
CN306.0A
+24V2
6.0A
+24V2
CN31
CN34 CN34
1
2
3
4
1
2
3
4
I PWR
1
2
1
2
F.FDR ST FDR ST
1
2
R.FDR ST
J0045
1 1
2 2
FEEDER SET STATION
CN1
P107
CN1
FDR ST BOARD ASSY
J0901
J0793
1
2
3
4
1
2
3
4
ION A
J0791
1
2
3
4
1
2
3
4
5
6
5
6
1
2
3
4
1
2
3
4
5
6
5
6
1
2
3
4
1
2
3
4
ION B
CN351.35A
YWF CAMERA SELECTOR
See YWF
INTERCONNECTION DIAGRAM
J0055CN35
1.85A CN36 CN36
See YWF
INTERCONNECTION DIAGRAM
1
2
1
2
CN376.0A
1
2
1
2
CN37 FDR PWR F1J0053
1
2
1
2
1
2
1
2
CN386.0A CN38 FDR PWR F2J0054
2
1
4
3
3.0A
2.5A
CN43
+24V
+24V
A1
B1
A2
B2
A3
A1
B1
A2
B2
A3
B3 B3
2.5A CN44 J0751
2
1
4
3
3.0A
2.5A
+24V
+24V
CN45
1 1
2 2
FIX10 FRONT-1 FEEDER
CN21
CN21
P103
FDR CTRL BOARD ASSY
1 1
2 2
CN21
CN21
FDR CTRL BOARD ASSY
FIX10 FRONT-2 FEEDER
P104
J0700
J0720
+24VAD
+24VAE
+24VAF
+24VAG
+24VB1
0.9A
0.9A
0.9A
0.9A
1.35A
1.35A
1.35A
+24VB4
+24VB5
1.35A
+24VB2
+24VB3
0.3A
0.9A
+24VS3
0.9A
+24VF1
+24VB8
1.35A
+24VB7
0.9A
RIGHT SIDE
LEFT SIDE
IONIZER B A22
IONIZER A A21
THERMO CONTROL UNIT
See YWF
INTERCONNECTION DIAGRAM
YWF IONIZER
WAFER TABLE
WAFER HEAD
HEATER
THERMO WARNING UNIT
J2057
1
2
1
2
DIP/DOT 24V
J0753
DIP/DOT A 24V
1
2
1
2
DIP/DOT 24V
1
2
3
4
5
6
7
8
9
DIPDIP/DOT B 24V
J0754
1
2
3
4
5
6
7
8
9
DIP
2
1
4
3
QF45
XT43
KM12A
XT43
2
1
4
3
5
6
7
8
2
1
4
3
5
6
7
8
LIGHT
LIGHT
LIGHT
LIGHT
LIGHT BR
LIGHT AR
LIGHT BF
LIGHT AF
B-STAGE REAR
LED
A-STAGE REAR
LED
B-STAGE FRONT
LED
A-STAGE FRONT
LED
1
2
1
2
1
2
1
2
1
2
1
2
1
2
1
2
LED LIGHT
POWER CIRCUIT -1-
See Page 17
CN44
CN45
See Page 17
See Page 17
J0601 J0603
J0604
EL01 COVER LIGHT
EL02 COVER LIGHT
EL03 COVER LIGHT
EL04 COVER LIGHT
A1
B1
A2
B2
A1
B1
A2
B2
A3
B3
A3
B3
A4
B4
A4
B4
A5
B5
A6
B6
A7
B7
A8
B8
A9
B9
A10
B10
A7
B7
A8
B8
A9
B9
A10
B10
+24VAB +24V
A5
B5
A6
B6
+24V
+24V2
A5
B5
A4
B4
A3
B3
A2
B2
A1
B1
A6
B6
A5
B5
A4
B4
A3
B3
A2
B2
A1
B1
A6
B6
+24V+24VS2
ANC CTRL BOARD ASSY A
P015
ANC CTRL BOARD ASSY B
P016
A5
B5
A4
B4
A3
B3
A2
B2
A1
B1
A6
B6
A5
B5
A4
B4
A3
B3
A2
B2
A1
B1
A6
B6
+24V+24VF5
A6
B6
A6
B6
A1
B1
A2
B2
A3
B3
A4
B4
A5
B5
A1
B1
A2
B2
A3
B3
A4
B4
A5
B5
+24VC2 +24V
+24V
+24VC3
A1
B1
A2
B2
A1
B1
A2
B2
+24VD5+24V2
2
1
+24VD3
2
1
+24VD4
7
8
5
6
3
4
2
1
+24E
7
8
5
6
3
4
2
1
9
10
7
8
5
6
3
4
2
1
9
10
2
1
3
4
5
6
7
8
+24VF6+24V
9
10
7
8
5
6
3
4
2
1
+24V
9
10
2
1
3
4
5
6
7
8
+24VF7
+24VD1+24V2
+24VD2
+24VF3
+24VC1
+24VS1+24V
+24VF4
+24VB6
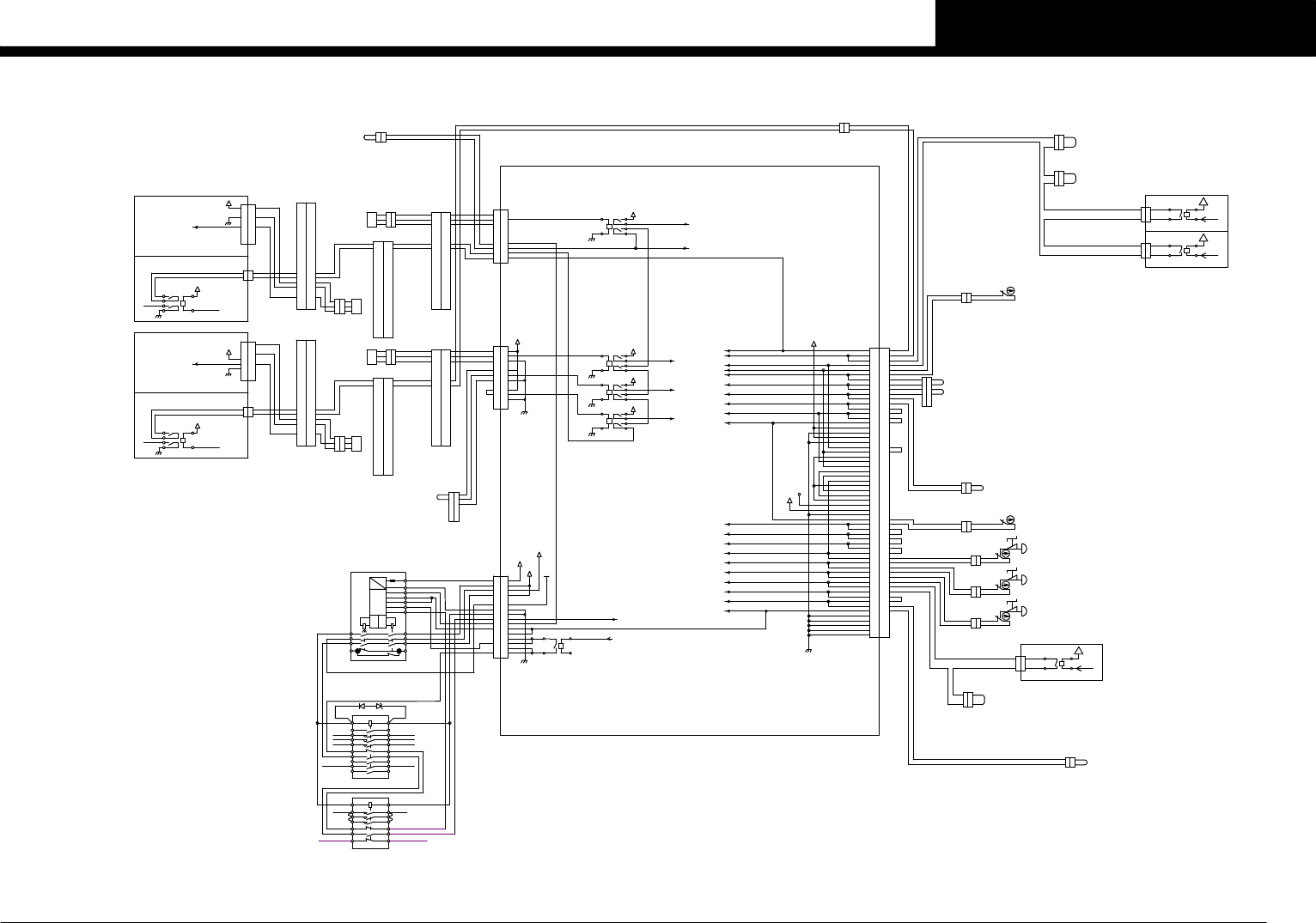
CC.V3
18
POWER CIRCUIT -2-
YSH20
Confidential & Proprietary
PAGE
2
GOOD
3
1
GOOD
2
GOOD
3
1
GOOD
2
3
1
2
3
1
2
3
1
2
3
1
1
2 2
1
HB EMG
SRV1 GOOD
SRV2 GOOD
SERVO3
SERVO4
SRV3 GOOD
SRV4 GOOD
2
GOOD
3
1
GOOD
2
3
1
INTERFACE1
SYSTEM CONTROL BOX A1
A1
B1
A2
B2
A3
B3
A1
B1
A2
B2
A3
B3
A29
B29
A30
B30
A29
B29
A30
B30
SPARE
+24E
CN11
+24VS3
EMG3
EMG4
EMG5
EMG6
EMG7
EMG9
EMG10
EMG11
EMG12
EMG8
E12A
E11A
E13A
E12A
E12A
E11A
E13A
0V
0V
0V
EMG5
EMG6
EMG6
EMG12
EMG13
EMG14
EMG15
EMG16
EMG17
EMG18
EMG19
EMG20
EMG21
EMG22
+24VS3
+24VS3
EMG16
EMG11
+24E
+24VB2
+24VB2
SPARE
SPARE
SPARE
SPARE
SPARE
1
2 2
1
SQ101
FRONT COVER SW
COVERF COVER
N0100484
N0100485
N0100486
N0100487
N0100490
N0100491
N0100492
N0100493
N0100494
N0100495
FRONT COVER SW
MAGAZINE COVER UPPER SW
MAGAZINE COVER LOWER SW
N0100496
N0100497
N01004A0
N01004A1
N01004A2
N01004A3
N01004A4
N01004A5
N01004A6
N01004A7
REAR COVER SW
1
2 2
1
EMG
1
2 2
1
EMGF2 EMG
1
2 2
1
EMGF1 EMG
REAR EMG SW
SB33
SB32
FRONT 2 EMG SW
SB31
FRONT 1 EMG SW
XAOT
XBOT
SRV C/R
YWF SET SW
FRONT 1 EMG SW
FRONT 2 EMG SW
REAR EMG SW
SYSTEM C/R
YWF HEAD EMG
1
2 2
1 REAR COVER SW
SQ102
COVERR COVER
R1 EMG
SPARE
B28
A28
B27
A27
B26
A26
B28
A28
B27
A27
B26
A26
B25
A25
B24
A24
B23
A23
B22
B25
A25
B24
A24
B23
A23
B22
A22
B21
A22
B21
A21
B20
A20
B19
A19
B18
A18
B17
A17
B16
A16
B15
A15
B14
A14
B13
A13
B12
A12
B11
A11
B10
A10
B9
A21
B20
A20
B19
A19
B18
A18
B17
A17
B16
A16
B15
A15
B14
A14
B13
A13
B12
A12
B11
A11
B10
A10
B9
A9
B8
A9
B8
A8
B7
A7
B6
A6
B5
A5
B4
A4
A8
B7
A7
B6
A6
B5
A5
B4
A4
CN11
1
2
3
4
5
6
2
1
HY CN18
2
3
1
1
2
THRM EMG
CN12
1
2
3
4
5
6
7
8
9
10
EMG0
EMG1
EMG2
EMG3
+24VB2
RL1
1
2
3
4
5
6
7
8
9
10
YAOT
CN13
+24VB2
RL2
EMG0
EMG22
EMG22
+24E
SERVO ON
READY OUT
T0100037
+24VB3
+24VB4
1
2
3
4
5
6
7
8
9
10
11
12
13
14
15
16
N0100483
N0100482
HTR TEMP EMG
N01004B6
DI
+24E
0V
T31
T32C
EMG22
EMG0
0V
16
15
14
13
12
11
10
9
8
7
6
5
4
3
2
1
CN12
CN13
1
2
3
4
5
6
7
8
9
10
11
12
CN48
+24VB2
+24VB2
+24VB2
RL7
RL8
RL9
1
2
3
4
5
6
7
8
9
10
11
12
YBOT
LYOT
SPARE
+24VS3
N01004E1
N01004E4
N01004E7
CN48
DI
+24E
0V
T31
T32C
EMG22
EMG0
0V
16
15
14
13
12
11
10
9
8
7
6
5
4
3
2
1
CN13
I/O CONVEYOR BOARD ASSY P025
6
5
4
3
1
2
3 3
2
1
2
1
YAOT
A1
A2
B1
B2
A3
B3
A4
B4
A5
B5
A6
B6
A7
B7
A8
B8
A9
B9
A10
B10
HA IO
A1
A2
B1
B2
A3
B3
A4
B4
A5
B5
A6
B6
A7
B7
A8
B8
A9
B9
A10
B10
YOT
A1
A2
B1
B2
A3
B3
A4
B4
A5
B5
A6
B6
A7
B7
A8
B8
A9
B9
A10
B10
A1
A2
B1
B2
A3
B3
A4
B4
A5
B5
A6
B6
A7
B7
A8
B8
A9
B9
A10
B10
H IO
22
11
CN18
SAFE1
SAFE2
+5V
GOOD LED
ALARM,XAOT
CN3
4
5
6
1
2
3
4
5
6
1
2
3
XAOT
N002D001
7
8
7
8
RL202
HEAD A
+24VA
A1
A2
B1
B2
A3
B3
A4
B4
A5
B5
A6
B6
A7
B7
A8
B8
A9
B9
A10
B10
A1
A2
B1
B2
A3
B3
A4
B4
A5
B5
A6
B6
A7
B7
A8
B8
A9
B9
A10
B10
A11
B11
A11
B11
H SRV IO
XAOT
3 3
2
1
2
1
XOT
HEAD I/O1 BOARD P041
HEAD I/O2 BOARD P042
SQ002
SQ302
3 3
2
1
2
1
YBOT
A1
A2
B1
B2
A3
B3
A4
B4
A5
B5
A6
B6
A7
B7
A8
B8
A9
B9
A10
B10
A1
A2
B1
B2
A3
B3
A4
B4
A5
B5
A6
B6
A7
B7
A8
B8
A9
B9
A10
B10
HB IOYOT
22
11
CN18
SAFE1
SAFE2
+5V
GOOD LED
ALARM,XBOT
+24VA
CN3
4
5
6
1
2
3
4
5
6
1
2
3
7
8
7
8
XBOT
N003D001
HEAD B
A1
A2
B1
B2
A3
B3
A4
B4
A5
B5
A6
B6
A7
B7
A8
B8
A9
B9
A10
B10
A1
A2
B1
B2
A3
B3
A4
B4
A5
B5
A6
B6
A7
B7
A8
B8
A9
B9
A10
B10
H IO
A1
A2
B1
B2
A3
B3
A4
B4
A5
B5
A6
B6
A7
B7
A8
B8
A9
B9
A10
B10
A1
A2
B1
B2
A3
B3
A4
B4
A5
B5
A6
B6
A7
B7
A8
B8
A9
B9
A10
B10
A11
B11
A11
B11
H SRV IO
3 3
2
1
2
1
XOT XBOT
RL202
HEAD I/O1 BOARD P051
HEAD I/O2 BOARD P052
SQ004
SQ304
6
5
4
3
1
2
YWF EMG
2
1
2
1
EMG
2
3
1
2
1
3
4
5
6
MGZN EMG
2
3
1
2
3
1
SERVO CONTROL BOX A2
IF2 GOOD
IF1 GOOD
1
2 2
1
TF SET
+24VB2
+24VB2
+24VB4
+24VB3
+24VB2
+24VB2
+24VB4
+24VB3
+24VB2
+24VB2
+24VB4
+24VB3
W52
V52
U52
W51
V51
U51
4241
1234 +24D1233 +24C 3433
1222 T32A
T32
1154+24C
1122 T32B
34 +24B
1153 +24B
14
+48B
+48B
+48B
+48B
+48B
+48B
24 +24E
A2 0V24
13 +24V
23 +24V
33 +24V
T31
A2 0V24
A1 +24V
T11 EMG0
T12 EMG22
T22 EMG22
6/T3
4/T2
2/T1
5/L3
3/L2
1/L1
A2A1
2221
CONV+24V
KM10
CONV+24E
T32
T31
T22
T12
T11
CH2 CH1
AC
DC
LOGIC
K1K2
A2
A1
1314
24
34
23
33
4142
KM12/KM12A
13 14
A1 A2
53 54
73 74
83 84
21 22
63 64
1/L1
3/L2
5/L3
2/T1
4/T2
6/T3
KM11/KM11A
A1 A2 0V24
S10
A1 A2
1221 T32B
1121 T32C
LIGHT +24VA LIGHT +24VB
CC.V3
19
EMERGENCY CIRCUIT (NO YWF)
YSH20