YSH20_cwd_je.pdf - 第29页
Confidential & Proprietary P A G E 2 GOOD 3 1 GOOD 2 GOOD 3 1 GOOD SERVO1 YWF SERVO2 YWF 13 14 A1 A2 1/L1 3/L2 5/L3 2/T1 4/T2 6/T3 51 61 71 81 52 62 72 82 KM52/ KM52A A2 A1 13 EMG9 14 EMG8 1 2 3 4 5 6 1 2 3 4 5 6 MGZ…

Confidential & Proprietary
PAGE
See YSH20
INTERCONNECTION DIAGRAM
9
10
7
8
5
6
3
4
2
1
9
10
2
1
3
4
5
6
7
8
+24VF6
CN35
+24V
1.35A J0055CN35
9
10
7
8
5
6
3
4
2
1
+24V
1.85A
+24VF7
CN36
7
8
5
6
3
4
2
1
CN34
+24E
7
8
5
6
3
4
2
1
CN34
1
2
3
4
1
2
3
4
I PWRJ0793 J0791
1
2
3
4
1
2
3
4
ION Y POW
1
2
3
1
2
3
44
5
6 6
5
CN3
ION I/F BOARD ASSY P026
1
2
3
1
2
3
44
5
6
5
CN1I CN3
6
7
8
9
7
8
9
I CN1
1
2
3
4
1
2
3
4
5
6
5
6
IONIZER YWF A23
+24E
+24E
YSH20 POWER CIRCUIT -2-
INTERCONNECTION DIAGRAM
IONIZER A,B
See YSH20
1 1
2 2
3 3
CAMSEL BRD. ASSY
CN11
CAMERA SELECTOR YWF
P083
E-C+24V
J1791
I/O CONVEYOR BOARD
YSH20 POWER CIRCUIT -2-
+24A
0V24A
J0040 +24A+24A
QF54 2A(45℃ 1.75Amax)
HY+24V
J0056
+48C
QF51 3A
+48C
0V48
QF41
XT31
J0035 +48C+48C
4/T2
5/L3
3/L2
1/L1 2/T1
6/T3
J0037
J0036
+24A
0V24A
TF +24A+24A
QF53 2A
J0046
GS21
XT42
XT41
XT42
YSH20 POWER CIRCUIT -1-
See YSH20
INTERCONNECTION DIAGRAM
QF22
XT21
U11C
V10
KM51
MAX690V/6A
J0046
HY+24V
2
1
2
1
1
3
2
HY+48V
2
3
1
4
6 6
4
5 5
TFCN2
4
3
2
1
4
3
2
1
CN2
I/O TF BOARD ASSY
P028
3
2
1
4
1
2
3
4
J1301
+48V
+24V
GND+24V
GND+48V
CN1
I/O HEAD BOARD ASSY YWF
P062
CN1
J2071
1
2
4/T2
5/L3
3/L2
1/L1 2/T1
6/T3
U11C
U11C
U11C
U11C
MAX690V/6A
U11D
U11D
U11D
U11D
XT61
V10V10
V10
MAX600V/15A
2
1
2
1
HEATER PWR
V10
MAX600V/15A
V10
HEATER
U11E U11E
V10
XT62
V10
KA61
3 1KA613 U11D KA611 U11E
KM61
J2064 J2065
J2053
J2053
J2054J2051
1
2
HEATER PWR
HEATER PWR
WAFER HEATER(OPTION)
9
10
2
1
3
4
5
6
7
8
CN36 J2057
WAFER HEATER(OPTION)
THERMO CONTROL UNIT A61
THERMO WARNING UNIT A62
9 DC24V
10 0V
A1 DC24V
A2 0V
A619 +24V
A6110 0V
A62A1 +24V
A62A2 0V
CC.V1
26
POWER CIRCUIT
YWF-300

Confidential & Proprietary
PAGE
2
GOOD
3
1
GOOD
2
GOOD
3
1
GOOD
SERVO1 YWF
SERVO2 YWF
13 14
A1 A2
1/L1
3/L2
5/L3
2/T1
4/T2
6/T3
51
61
71
81
52
62
72
82
KM52/KM52A
A2A1
13 EMG9 14 EMG8
1
2
3
4
5
6
1
2
3
4
5
6
MGZN EMG
1
2
3
4
5
6
7
8
9
10
11
12
14
15
13
1
2
3
4
5
6
7
8
9
10
11
12
14
15
13
MGZN EMG DO
2
1
2
1
+24V1
2
3
4
1
2
3
4
TF +24V
1
2
3
4
5
6
1
2
3
4
5
6
TFCN1
7
8
7
8
CN1
+24VI/O TF BOARD
2 LZ U51
4 LZ V51
6 LZ W51
52 LZ U52
62 LZ V52
72 LZ W52
1 LZ U50
3 LZ V50
5 LZ W50
51 LZ U51
61 LZ V51
71 LZ W51
2
3
1
2
3
1
MGZN COVER LOW CLOSE
COVER SW LOWER
SQ104
2
1
COVER
2
1
MGZN COVER UP
COVER SW UPPER
SQ105
ELEVATION
2
GOOD
3
1
GOOD
INTERFACE2
2
1
CN18
SAFE2
SAFE1
+5V
GOOD LED
ALARM,OT SPARE
+24VA
4
5
6
1
2
3
4
5
6
1
2
3
7
8
7
8
OT SPARE
N100D001
HEAD I/O1 BOARD P061
HEAD I/O2 BOARD P062
RL202
CN3CN3
YSH20 EMERGENCY CIRCUIT
See YSH20 INTERCONNECTION DIAGRAM
Page 18
HY CN18
SRV1 GOOD
SRV2 GOOD
MGZN EMG
TF SET
IF2 GOOD
SQ103
TF SET SW
SYSTEM CONTROL BOX A1
HEAD YWF
SERVO CONTROL BOX A2
SERVO CONTROL BOX
SYSTEM CONTROL BOX
CN13
I/O CONVEYOR BOARD
LYOT LY OT
1
2
1
2
33
TBL DI
B13
A13
B12
A12
B11
A11
B13
A13
B12
A12
B11
A11
B10
A10
B9
A9
B8
A8
B7
A7
B6
A6
B5
A5
B4
A4
B3
A3
B2
B1
A2
A1
B10
A10
B9
A9
B8
A8
B7
A7
B6
A6
B5
A5
B4
A4
B3
A3
B2
B1
A2
A1
LY ORG/OT
6
5
4
3
1
2
6
5
4
3
1
2
SQ107
YWF EMG
W52
V52
U52
W51
V51
U51
1153 +24B
1121 T32C
CONV+24V
13 14
A1 A2
53 54
73 74
83 84
21 22
63 64
1/L1
3/L2
5/L3
2/T1
4/T2
6/T3
KM11/KM11A
A1 A2 0V24
S10
1122 T32BA
1154+24BA
A1 A2
T32
34 +24B
14
24 +24E
13 +24V
23 +24V
33 +24V
T31
A2 0V24
A1 +24V
T11 EMG0
T12 EMG22
T22 EMG22
T32
T31
T22
T12
T11
CH2CH1
AC
DC
LOGIC
K1K2
A2
A1
1314
24
34
23
33
4142
KM10
CONV+24E
A2 0V24A1
4241
1234 +24D1233 +24C 3433
1222 T32A1221 T32B
A1
+48B
+48B
+48B
+48B
+48B
+48B
A2 0V24
6/T3
4/T2
2/T1
5/L3
3/L2
1/L1
A2A1
2221
KM12/KM12A
4241
5134 SRV ON5133 +24D 3433
5121 T32A 5122 T32
+48C
+48C
+48C
A1
6/T3
4/T2
2/T1
5/L3
3/L2
1/L1
A2A1
2221
A2 0V24
KM51/KM51A
+48VC
+48VC
+48VC
51A1 +24V
51A2 0V24
THRM EMG
6
5
4
3
1
2
HEATER KM61
THERMO CONTROL UNIT
A61
14
11
12
A62
THERMO WARNING UNIT
8
7
A6212 EMG0A
A6211 EMG1
A617 EMG0A
A618 EMG0
6
5
4
3
1
2
6
5
4
3
1
2
YWF HEATER(OPTION)
NON YWF HEATER(OPTION)
A1 A2
1/L1
3/L2
5/L3
2/T1
4/T2
6/T3
33 34
41 42
13 14
U11D
U11D
U11D
U11C
U11C
U11C
KM61/KM61A
KM6114 +24CC
KM6134 RUN3
KM6142 T32B
KM6113 +24BA
KM6141 T32BA
KM6133 RUN2
KM61A1 +24V
A1 A2
KM61A2 0V24
S61
HEATER KM61
HEATER KM61
CC.V1
27
EMERGENCY CIRCUIT
YWF-300

Condential & Proprietary
H 0 1 8 0 2 2
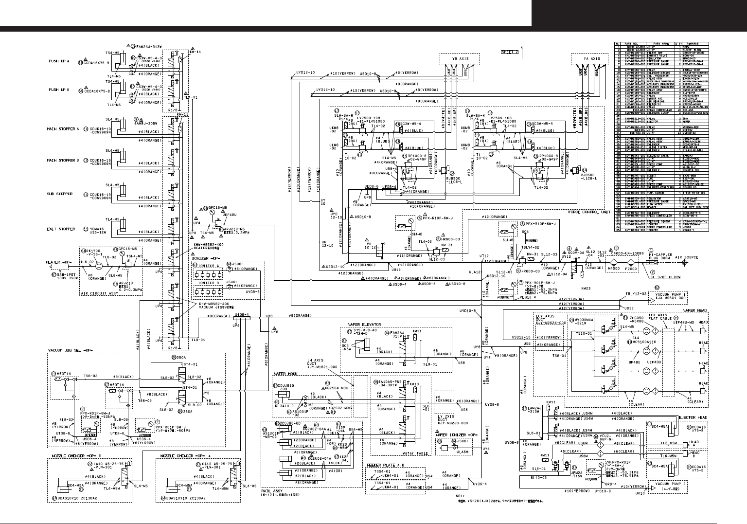
Air circuit
YSH20
PAGE
28