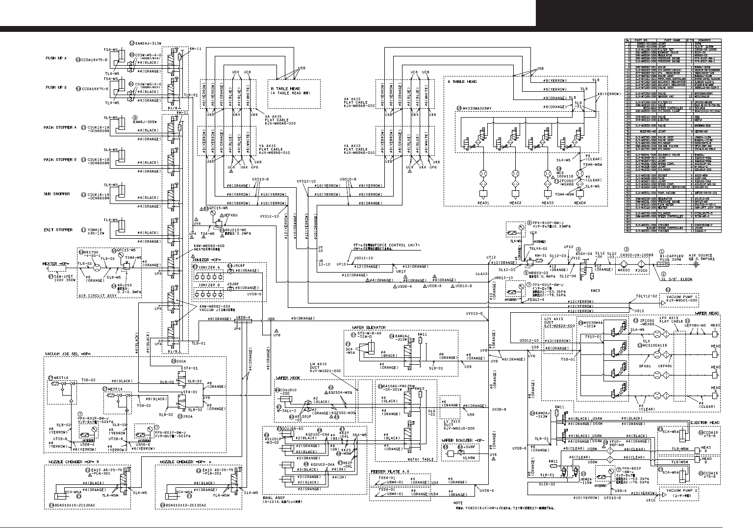
YSH20_cwd_je.pdf - 第33页
Condential & Proprietary P AGE 31 KJX1201 W i r i n g p a r t s l i s t No Part No. Part Name Q'ty Remarks No Part No. Part Name Q'ty Remarks 1 KJX-M661A-001 HNS,XB1 1-QS11-QF1 1 1 J0001 39 KJX-M663L-000 H…

Condential & Proprietary
H 0 1 8 0 2 2
Air circuit
(4M)
YSH20
PAGE
30

Condential & Proprietary
PAGE
31
KJX1201
W i r i n g p a r t s l i s t
No Part No. Part Name Q'ty Remarks No Part No. Part Name Q'ty Remarks
1 KJX-M661A-001 HNS,XB11-QS11-QF11 1 J0001 39 KJX-M663L-000 HNS,CAMERA.DC24V 1 J0052
2 KJX-M661F-002 HNS,QF11-TM11 1 J0002 40 KJX-M66RA-000 HNS,FDR PWR F1 1 J0053
3 KJX-M661G-000 HNS,TM11-QF31 1 J0003 41 KJX-M66RA-100 HNS,FDR PWR F2 1 J0054
4 KJX-M661H-000 HNS,QF31-KM11 GS31 1 J0004 42 KJY-M663L-000 HNS,WAFER CAM DC24V 1 J0055
5 KJX-M661J-000 HNS,KM11-NF11 1 J0005 43 KJY-M663A-000 HNS,YWF HEAD DC24V 1 J0056
6 KJX-M661K-000 HNS,C/R AC220V 1 J0006 44 KJX-M663H-010 HNS,FCTR HEAD IO PWR 1 J0057
7 KJX-M661P-000 HNS,TM11-QF32 1 J0007 45 KJX-M663J-000 HNS,ANC A PWR 1 J0058
8 KJX-M661R-000 HNS,PUMP1 PWR 1 J0008 46 KJX-M663J-100 HNS,ANC B PWR 1 J0059
9 KHN-M661C-000 HNS,QF12-QF13 1 J0009 47 KJX-M66R5-000 HNS,CALIB BCR PWR 1 J0060
10 KJX-M661E-000 HNS,QF12-TC11 1 J0010 48 KHY-M665F-000 HNS,CONV.DRIVER 1 J0061
11 KM6-M66M1-102 HNS,TAP CHANGE 10 J0011-J0016,J0018-J0021 49 KJX-M665E-000 HNS,CONV.MOTOR 1 J0062
12 KM6-M66M1-202 HNS,TAP CHANGE 1 J0017 50 KKE-M536A-020 HNS,PE 1 J0071
13 KJX-M662A-000 HNS,TC11-QF21 XT21 1 J0022 51 90K30-789020 HNS,EARTH 1 J0072
14 KHW-M66M4-000 HNS,V10 JUMPER 1 J0023 52 90K30-789030 HNS,EARTH 1 J0072,J0076
15 KHW-M66M4-000 HNS,V10 JUMPER 1 J0024 53 90K30-789035 HNS,EARTH 3 J0073,J0074
16 KGA-M662M-001 HNS,U10 JUMPER 1 J0025 54 90K30-367010 HNS,EARTH 1 J0075
17 KGA-M662M-001 HNS,U10 JUMPER 1 J0026 55 90K30-367030 HNS,EARTH 1 J0078
18 KJX-M661M-000 HNS,C/R AC100V 1 J0027 56 90K30-367080 HNS,EARTH 1 J0079
19 KJX-M662E-000 HNS,QF21 XT21-GS21 1 J0028 57 90K30-377070 HNS,EARTH 1 J0080
20 KJX-M662E-200 HNS,QF22 XT21-GS22 1 J0029 58 KV8-M66L1-001 HNS,FG-C/R 2 J0081,J0082
21 KHW-M662G-000 HNS,LCD POWER 1 1 J0030 59 90K30-444100 HNS,EARTH 1 J0083
22 KHW-M662G-000 HNS,LCD POWER 1 2 J0030,J0031 60 90K30-245040 HNS,EARTH 5 J0084-J0088
23 KJX-M664A-000 HNS,GS31-KM12 XT31 1 J0032 61 90K30-944010 HNS,EARTH 1 J0089
24 KJX-M664F-000 HNS,HEAD PWR 1 J0033 62 KJX-M668A-000 HNS,I/O CMN 1 J0101
25 KJY-M664B-000 HNS,QF41-QF51 1 J0035 63 KJX-M668F-000 HNS,I/O CONV CMN 1 J0102
26 KJY-M664A-000 HNS,QF51-KM51 1 J0036 64 KJX-M668G-010 HNS,FDR F1 CMN 1 J0103
27 KJY-M664F-000 HNS,KM51 +48V 1 J0037 65 KHY-M66X9-001 HNS,TERMINATION 1 J0104
28 KJY-M663G-000 HNS,GS21-QF54 1 J0040 66 KJX-M668J-010 HNS,I/O HEAD A CMN 1 J0105
29 KJX-M663E-000 HNS,CONV PWR 1 J0041 67 KJY-M668F-000 HNS,TF CMN 1 J0106
30 KJX-M663F-000 HNS,I/O CONV PWR 1 J0042 68 KJX-M668F-100 HNS,I/O HEAD B CMN 1 J0107
31 KJX-M663G-000 HNS,GS21-XT41 1 J0043 69 KJX-M668H-010 HNS,FDRCTRL1 CMN 1 J0108
32 KJX-M663G-100 HNS,XT41-QF42/43/44 1 J0044 70 KJX-M668H-100 HNS,FDRCTRL2 CMN 1 J0109
33 KJY-M663H-000 HNS,TF I/O PWR 1 J0046 71 KJX-M668L-010 HNS,FDR CMN F1-F2 1 J0110
34 KJX-M66GG-000 HNS,ROOF FAN 1 J0047 72 KHY-M66X9-001 HNS,TERMINATION 1 J0111
35 KJX-M66GF-000 HNS,BASE FAN 1 J0048 73 KJX-M668N-000 HNS,IO A-ANC A CMN 1 J0113
36 KJX-M663G-300 HNS,+24A JUMPER 1 J0049 74 KJX-M668N-100 HNS,ANC A-ANC B CMN 1 J0114
37 KJX-M663G-400 HNS,0V24A JUMPER 1 J0050 75 KJX-M668R-000 HNS,CALIB CMN 1 J0115
38 KJX-M663R-000 HNS,C/R EXT POWER 1 J0051 76 KG2-M669R-113 HNS,BUZZER 1 J0119

Condential & Proprietary
PAGE
32
KJX1201
W i r i n g p a r t s l i s t
No Part No. Part Name Q'ty Remarks No Part No. Part Name Q'ty Remarks
77 KJX-M6680-000 HNS,ADAPTER USB 1 J0120 115 KHA-M669V-030 HNS,SWITCH STOP 1 J0209/J0215
78 KJX-M66A1-000 HNS,PI3 1 J0121 116 KGA-M669V-421 HNS,SWITCH ERR.CLR. 1 J0210/J0216
79 KJX-M66A2-000 HNS,PI4 1 J0122 117 KHA-M669V-121 HNS,SWICTH ERR.CLR. 1 J0210/J0216
80 KJX-M66A5-000 HNS,X-FLAME YP 2 J0124,J0125 118 KGA-M669V-140 HNS,SWITCH READY 1 J0211/J0217
81 KHW-M66A8-000 HNS,BASE W1P 1 J0133 119 KGA-M669V-540 HNS,SWITCH RESET 1 J0212/J0218
82 KJX-M66E1-000 HNS,SRV34 MO 1 J0141 120 KV7-M66V5-013 HNS,NEXT 1 J0223
83 KJX-M66E2-000 HNS,SERVO4 MO 1 J0142 121 KV7-M66V4-011 HNS,PREVIOUS 1 J0224
84 KJX-M66F1-020 HNS,H. IO/LY OT ORG 1 J0161 122 KGT-M6680-011 HNS,SERIAL 3M ASSY 1 J0242,J0243
85 KHT-M66F6-000 HNS,EMG SHORT 1 J0162 123 KHW-M662G-101 HNS,LCD POWER 2 1 J0250/J0251
86 KJX-M66F3-000 HNS,CONV.CN11 EMG 1 J0163 124 KHW-M662H-102 HNS,LCD POWER 2 1 J0252,J0253
87 KJX-M66F4-000 HNS,CONTACTOR 1 1 J0164 125 KU8-M66F5-203 HNS,VGA 2M 1 J0254/J0255
88 KGA-M667J-002 HNS,EMG SW 3 J0165,J0166,J0168 126 KJX-M66J1-000 HNS,HEAD DO 1 J0301
89 KJX-M66F6-000 HNS,CONTACTOR 3 1 J0171 127 KJX-M66J2-110 HNS,HEAD A/D 1 J0302
90 KJX-M66F5-010 HNS,CONTACTOR 2 1 J0172 128 KJX-M66J5-000 HNS,HEAD VAC.SENSOR 1 J0303
91 KJX-M66F7-XXX HNS,CONTACTOR SEL 1 J0173 129 KJX-M66J3-000 HNS,HEAD A Z/R/CZ 1 J0305
92 KJX-M66F7-000 HNS,CONTACTOR 4 1 J0173 130 KJX-M66N4-010 HNS,Z-FLEX R 2 J0306,J0307
93 KJX-M66F8-000 HNS,YWF EMG SHORT 1 J0174 131 KJX-M66J3-200 HNS,HEAD A Z/R 1 J0308
94 KJX-M66F9-000 HNS,TF SET EMG SHORT 1 J0175 132 KJX-M66J6-000 HNS,HEAD I/O 1 J0309
95 KJX-M66F8-100 HNS,MGZN EMG SHORT 1 J0176 133 KJX-M66J6-000 HNS,HEAD I/O 1 J0309/J0329
96 KJX-M66FA-000 HNS,C/R GOOD SHORT 3 J0177,178,179 134 KJX-M66J7-000 HNS,HEAD PWR 1 J0310
97 KJX-M66FA-100 HNS,GOOD SHORT 1 J0180 135 KJX-M66J7-000 HNS,HEAD PWR 1 J0310/J0330
98 KJX-M66G1-000 HNS,F.OPE.PANEL 1 J0181 136 KJX-M66J8-000 HNS,HEAD FAN SHORT 1 J0311
99 KJX-M66G1-100 HNS,R.OPE.PANEL 1 J0182 137 KJX-M66J8-000 HNS,HEAD FAN SHORT 1 J0311/J0331/J1311
100 KJX-M66G6-000 HNS,SMEMA 1 J0183 138 90K30-944010 HNS,EARTH 1 J0312
101 KJX-M66GP-000 HNS,PUMP FAN/ERROR 1 J0184 139 90K30-944010 HNS,EARTH 1 J0312/J0332
102 KJX-M66G2-000 HNS,BACK UP VAC DI 1 J0185,J0186 140 KJX-M66J1-000 HNS,HEAD DO 1 J0321
103 KJX-M66GE-000 HNS,CONV.TERMINAL R 1 J0191 141 KJX-M66J2-110 HNS,HEAD A/D 1 J0322
104 KJX-M66GE-100 HNS,CONV.TERMINAL L 1 J0192 142 KJX-M66J5-000 HNS,HEAD VAC.SENSOR 1 J0323
105 KJX-M66GH-000 HNS,CONV.CN24 DO 1 J0193 143 KJX-M66J3-100 HNS,HEAD B Z/R/CZ 1 J0325
106 KJX-M66H3-000 HNS,AMF 1 J0194 144 KJX-M66N4-010 HNS,Z-FLEX R 2 J0326,J0327
107 KW3-M66GW-004 HNS,NEXT INTERFACE 1 J0198 145 KJX-M66J3-300 HNS,HEAD B Z/R 1 J0328
108 KW3-M66GX-005 HNS,PRE.INTERFACE 1 J0199 146 KJX-M66J6-000 HNS,HEAD I/O 1 J0329
109 KJX-M66G3-010 HNS,AIR PRESSURE 1 J0201 147 KJX-M66J7-000 HNS,HEAD PWR 1 J0330
110 KJX-M66G4-000 HNS,SIG.TOWER 1 J0202 148 KJX-M66J8-000 HNS,HEAD FAN SHORT 1 J0331
111 KHY-M66JP-000 HNS,ANC OPEN/UP 2 J0203,J0204 149 90K30-944010 HNS,EARTH 1 J0332
112 KGA-M669V-040 HNS,SWITCH ACTIVE 1 J0207/J0213 150 KJX-M66J1-100 HNS,HEAD DO 1 J0341/J0351
113 KGA-M669V-241 HNS,SWITCH START 1 J0208/J0214 151 KJX-M66J2-200 HNS,HEAD A/D 1 J0342/J0352
114 KGA-M669V-321 HNS,SWITCH STOP 1 J0209/J0215 152 KJX-M66J5-100 HNS,HEAD VAC.SENSOR 1 J0343/J0353