YSH20_cwd_je.pdf - 第9页

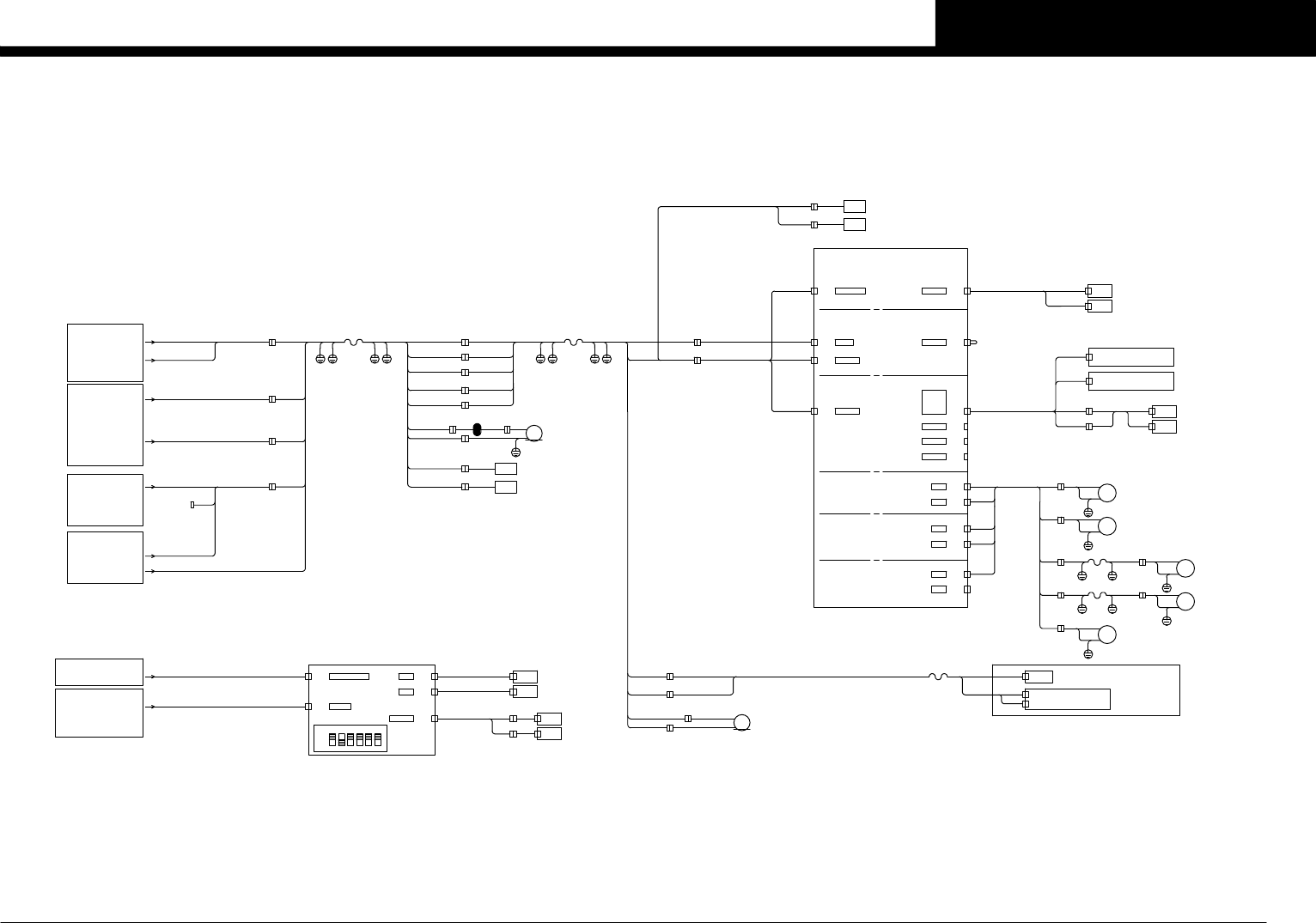
Confidential & Proprietary P A G E DC24V IN +24VC2,+ 24VC3 +24VS2 CN1 COM1 CN2 COM2 DI00/A NC CN11 DI01/A NC DI02/A NC DI03/A NC CN6 CN7 CN8 CN9 CN10 ANC-A OPEN ANC-A CLOSE ANC-A RELEASE CN3 DC24V IN ANC OPEN 2 1 OFF…

100%1 / 37
Confidential & Proprietary
PAGE
CN34
CN9
+24E
DI14
CN43
DI15 CN10
I/O CONVEYOR BOARD ASSY P025
+24VF3,+24VC1
CN1
CN1 +24V
CN3
CN3PITCH UP
CN4
CN4PITCH DWN
CN5
CN5PITCH SET
PITCH UP SW
PITCH DOWN SW
PITCH SET SW
CN6FDR
SS FEEDER
CN2
CN2 LED OUTCN1
CN1
DIP SW(S1)
1
OFF
ON
2
CN29SS FEEDER
F.FDR ST J0901
FEEDER SET STATION(OPTION)
J0903
J0905
J0907
J0909
J0911
FDR ST BOARD ASSY P107
PITCH LED BOARD ASSY
P108
LED IN
DI13 CN8
CN34
IONIZER ASSY
I PWR
TRAY+24E
IONIZER(OPTION)
J0793
TERMINAL BOARD
TCN17/TCN21
J0753
+24VS1 CN44
CN21DO0,DO1
DIP/DOT A 24V
J0752
J0751CN44
CN21 DIP/DOT A DO
DIP/DOT 24V
DIP/DOT DO
See Page 5
RIGHT side
DIP STATION A(OPTION)
DIP
TERMINAL BOARD
TCN17/TCN21
J0754DIP/DOT 24V
DIP/DOT DO
See Page 5
LEFT side
DIP STATION B(OPTION)
DIP
W.TRAY DO
DIP/DOT B 24V
DIP/DOT B DO
R.FDR ST
SB51
SB53
SB55
CN29 J0045 FDR ST
See Page 15
CC.V3
6
I/O CONVEYOR -4-
YSH20
Confidential & Proprietary
PAGE
DC24V IN
+24VC2,+24VC3
+24VS2
CN1 COM1
CN2 COM2
DI00/ANC
CN11
DI01/ANC
DI02/ANC
DI03/ANC
CN6
CN7
CN8
CN9
CN10
ANC-A OPEN
ANC-A CLOSE
ANC-A RELEASE
CN3 DC24V IN
ANC OPEN
21
OFF
ON
3 5 64 1
OFF
ON
CN1 COM1
CN2 COM2
DI00/ANC
CN11
DI01/ANC
DI02/ANC
DI03/ANC
CN6
CN7
CN8
CN9
CN10
ANC-B OPEN
ANC-B CLOSE
ANC-B RELEASE
CN3 DC24V IN
ANC OPEN
21
OFF
ON
3 5 64 1
OFF
ON
J0058
N0100570
N0100571
DI04/ANC DI04/ANC
DO00/ANC
DO01/ANC
DO00/ANC
DO01/ANC
T0100180 T0100200
N01005F0
N01005F1
J0203
AACN1
AACN2
AACN3
ABCN1
ABCN2
ABCN3
J0114
J0059
CN11A CN11A
CN6A
CN7A
CN6A
CN7A
J0204
I/O ANC
CN1
21
OFF
ON
3 5 64
CN1
21
OFF
ON
3 5 64
REMOTE IF BOARDI/O A
I/O A
DI2
CN1
CN28
CN6
CN26
I/O CONVEYOR BOARD ASSY P025
ANC B PWR
ANC A PWR
J0057
FCTR I/O HEAD BOARD B
FCTR I/O HEAD BOARD A
J0052CN28
CN1
CAMERA UNIT SEL.
POWER CIRCUIT-1-
GS22,XT41,XT42
J0042
J0060
BCR+24V
CALIB A CN1 CALIB B CN1
SYSTEM CONTROL BOX
See Page 2
CALIB+24V
J0115
J0113
+24VF7
+24VD3
CN36
CN30
+24VD4 CN31
A61,A62
MULTI CAMERA POWER
CAMERA SELECTOR POWER
+24VD1
+24VD2
CN37
CN38
CN38 J0054
CN37 J0053
FDR CTRL BOARD F2
FDR CTRL BOARD F1
FEEDER STRUCTURE
FDR PWR F1
FDR PWR F2
+24VF6 CN35 E-C+24V
CN35 J0055
See YWF
INTERCONNECTION DIAGRAM
CN6
SQ051
SQ052
SQ053
SQ054
YV009 YV010
YWF(OPTION)
See YWF
INTERCONNECTION DIAGRAM
CN36
CALIB.BOARD ASSY A
P023
CALIB.BOARD ASSY B
P024
P015
ANC CTRL BOARD ASSY A
P016
ANC CTRL BOARD ASSY B
CN26
HEATER
YWF(OPTION)
CAMERA SELECTOR YWF
WAFER HEAD
J2057
COVER EARTH
FRONT RIGHT
J0084
FRONT CENTER
J0085
USB
J0089
FRONT LEFT
J0086
REAR RIGHT
J0087
REAR LEFT
J0088
DIP SW(S1) DIP SW(S1)
DIP SW(SW1)DIP SW(SW2) DIP SW(SW2) DIP SW(SW1)
FCTR HA CN28
See Page 10 : TYPE 4M
FCTR HB CN28
See Page 11 : TYPE 4M
See Page 8 : TYPE FF
See Page 9 : TYPE FF
ANC UNIT A (OPTION) ANC UNIT B (OPTION)
See Page 14
See Page 12
See Page 17
CC.V3
7
I/O CONVEYOR -5-
YSH20
Confidential & Proprietary
PAGE
J0505
CN18
CN1
CN2
CN3
J0504
H CAM
H IO
XM
H PWR
HA IO
J0503
HA PWR
HA SRV XYP
J0402
J0033
J0141
J0161
KM12,XT31
CN12
M01
CN5
CN6
CN27
CUnet
EV2
EV1DC24V/2ndLMT
CN28
See Page 3
DI/DO CN6
CN1 POW
CN18 GOOD
CN4FAN
CN4
TXD/RXDCN2 CN5
ZA1-AXIS 20W
CN2
CN2
CN2
CN3
T002C001/T002C003
T002C000/T002C002
HEAD 1(VACUUM/BLOW)
HEAD 2(VACUUM/BLOW)
YV301
YV302
J0311
N002D001
N002D000
SQ301
XA-AXIS ORG
XA-AXIS OVER TRAVEL
HEAD2
HEAD1J0301CN6
CN5
J0105
J0057
AIR FLOW SENSOR 2
AIR FLOW SENSOR 1
HEAD1
HEAD2
XP
XM
HA TEMP
XYAM
QF43,XT42
IF1 SRVB,XAP,YAP
SERVO3 MO,SRV4 M0
See Page 2
CONTROL BOX
POWER SIRCUIT -1-
H SRV XP
J0309
J0310
X ORG
X OT
H PWR HEAD PWR
H SRV IO H IO
D.CAM1
CN1
CN2
FID.LIGHT BRD. ASSY
EL01
FIDUCIAL CAMERA A
FIDUCIAL CAMERA A
FIDUCIAL LIGHT A
FIDLIGHT1 LIGHT
HA CAM
XORG,XOT
P092
HEAD SERVO UNIT A
AD0,AD1
AD3/DA3
AD2/DA2
DI/DO
CN7SPARE
INTOL CN8
CN10LASER
CN4
CN4
CN4
M06
M09
M10
HEAD1
HEAD2
SQ305
SQ306
CN1
CN1
HEAD1
HEAD2
ZA1
ZA2
RA1
RA2
CZA
ZA1
RA2
CZA
Z1
□20 MAX 4000rpm
R2
R2
RA2-AXIS 25W
□23 MAX 1500rpm
CZA-AXIS 20W
□20 MAX 4800rpm
I/O HEAD BOARD ASSY P021
CN26
FCTR HA CN28
CN32
I/O F2-2
CN27 HA
DO1,2,3
HA CN32
HA1
HA2
J0763
EV1
EV2
YV321
YV322
T0108300
ETR1
ETR2
T0108301
ETR1
ETR2
J0761
J0762
SQ303
I/O CONVEYOR BOARD
YP
YM
YORG
YOT
YA-AXIS OVER TRAVEL
YA-AXIS ORG
N0100480
N0100481
YP
SQ001
SQ003
J0124
E07
M0
M1
M0
M1
M0
M1
HEAD I/O1 BOARD ASSY P041
HEAD I/O2 BOARD ASSY P042
HEAD I/O3 BOARD ASSY P043
HEAD SERVO BOARD ASSY 1 P044
R SERVO UNIT ASSY
HEAD SERVO BOARD ASSY 2 P045
SERIAL IF BOARD ASSY P047
HEAD SERVO BOARD ASSY 3 P046
J0302 J0303
J0305
J0307
M03
MAX 1.8m/s
MAX 1.8m/s
XA-AXIS 450W
YA-AXIS 1020W
P048
P049
HEAD A1
HEAD A2
PRESSURE SENSOR ASSY
PRESSURE SENSOR ASSY
21
OFF
ON
3 5 64
DIP SW(S1)
YA
RA2
ZA
XA
See Page 17
CAMERA UNIT SEL.
LIGHT1
CAM1
See Page 12
CAMERA SELECTOR A
See Page 14
See Page 7
I/O CONVEYOR BOARD
FEEDER STRUCTURE
FDR CTRL BOARD 2
ZA2-AXIS 20W
M07
ZA2 Z2
□20 MAX 4000rpm
M08
RA1 R1
R1
□23 MAX 1500rpm
RA1-AXIS 25W
J0306
RA1
CC.V3
8
HEAD A :TYPE FF
YSH20