BM231 Mechanical 20070514老款H轴马达 - 第85页
ヘッド部(基板カメラ部) HEAD SECT.( P.C.B. CA MERA SECT .) 7 FN610014627AA_01 M63

PART NAME
REMARKS
Q'TY
7
ヘッド部(駆動部3)
HEAD SECT.(DRIVING SECT.-3)
イラスト
No.
REF
No.
PART No.
部 品 名 品 番 個数 備 考
R
1
R
2
1227 1086209227
LABEL ラベル
1
235 1086209235
COVER カバー
2
239 N210041175AA
SHAFT シャフト
M4X8-4.8 A2J (Trivalen
3
N227
N510018282AA
TRUSS HEAD SCREW トラスコネジ
FN0003M1
1
N233
N986FN0003M1
LABEL ラベル
PC010201 S
1
N241
N986PC010201
LABEL ラベル
M4X15-45H A2J (Trivale
2
N243
N510018430AA
HEX. SOCKET SET SCREW ロッカクアナツキトメネジ
M62
FN610014576AA_01_B-3

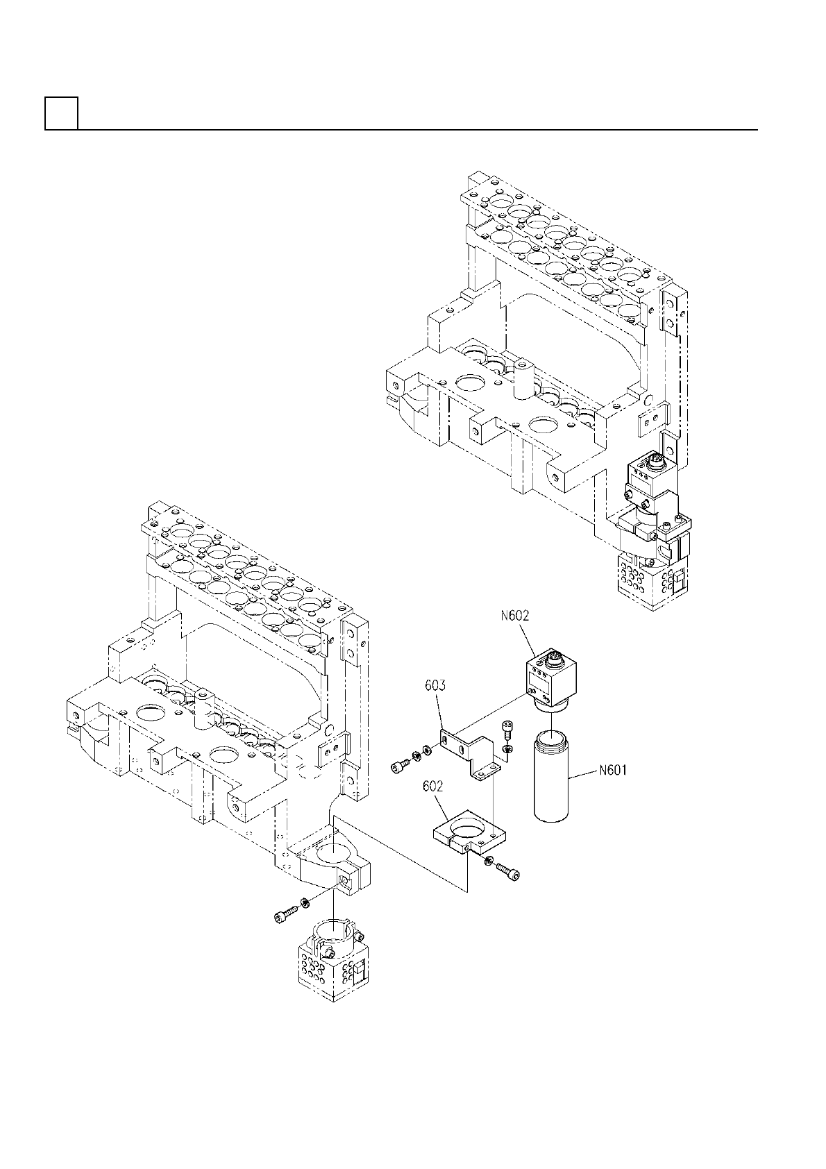
ヘッド部(基板カメラ部)
HEAD SECT.(P.C.B. CAMERA SECT.)
7
FN610014627AA_01
M63

PART NAME
REMARKS
Q'TY
7
ヘッド部(基板カメラ部)
HEAD SECT.(P.C.B. CAMERA SECT.)
イラスト
No.
REF
No.
PART No.
部 品 名 品 番 個数 備 考
R
1
R
2
1 N610014627AA
CAMERA UNIT カメラユニット
1
602 1086209602
HOLDER ホルダ
1
603 1086209603
BRACKET ブラケット
97YC
1
N601
N94197YC
LENS レンズ
CS8630i-03
1
N602
N510023803AA
CAMERA カメラ
M64
FN610014627AA_01