SM320 Technical Reference - 第6页
C over Ass'y 6 Pag e SAM SUNGTECHWIN J6108003AHINGE J6015601039SHOULDERSCREW ^art Phot。 ) J67191010A GAS_SPRING [KS2-300-P1-02 J1300497 SHOULDER BOLT [MSB6S10]

C
overAss'y
55
5
Page
SAMSUNGTECHWIN
NO. LEVEL PART NO. PART NAME Q'TY TYPE Old No. Stock Reference
J6099002B
J7070239B
J70700288D
J1300645
J7070288A
FASTENER CAP
J6099002B
J70700288D
㎜
Lis"
MO.
LEVEL
PART
NO.
PART
MME
Q'TY
TYPE
?4
J7O7O
邓
R
KFYROARD
RASF
2
J707029RR
不
J745202HA
MOUSF
PAD
-
OPT
1
CAI
2
J745203RA
76
J7070299A
KEYBOARD
RASF
RKT
2
J7070299A
77
I7CI7A9Q9R
KFVROARD
CARI
F
Cn\/FR
1
17Q7Q292R
2a
J707029RA
FDD
COVFR
1
J7070293A
2Q
J7C7OO42A
FDD
RRACKFT
1
J7O7OO42A
2n
J7O7OROOA
KFYROARD
CARI
F
COVFR
1
J7O7OROOA
21
J90R0784A
FRONT
ARFA
SFNSOR
CARI
F
ASS'
Y
SM-CV016
??
J
90ao
7H
6A
RFAR
ARFA
SFNSOR
CARI
F
ASS'
Y
SM-CV01H
22
J7052H8
7A
1
OWFR
COVFR
RRACKFT
4
J7OS9AR7A
?4
J7()7(),O1R
COVFR-I
F
M
2
J7O7ORO1R
as
mom
m
DRAWFR
Pill
1
4
HD-108
?A
fl
27
COVFR-I
.
F.
R
1
J7O7O2R9B
*
J70702R9A
COVFR-I
M
R
1
J70702H9A
2Q
J7O7O2H7A
COVFR-I
R R
1
J7O7O2H
7A
40
J7O7O2RRB
COVFR-I
F
1
1
J7O7O
诩
R
41
J7O7O296A
COVFR-I
M
1
1
J7070296A
42
COVFR-I
R
1
1
44
niOROlOA
COOI
1
NG
FAN
4
4715MS-22T-R50
44
佑
309025A
FAN
Fl
1
TFR
COVFR
2
PFC120(F0R
120
FAN)
4S
4A
47
4A
4Q
RO

C
overAss'y
6
Page
SAMSUNGTECHWIN
J6108003AHINGE J6015601039SHOULDERSCREW
^art
Phot。
)
J67191010A
GAS_SPRING
[KS2-300-P1-02
J1300497
SHOULDER
BOLT
[MSB6S10]

A
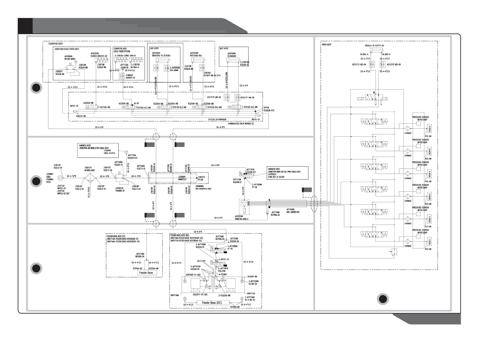
irAss'y
7
Page
SAMSUNGTECHWIN
C
A
B
D
C1 C2
B1 B2
D
J6711118A
KQ2H08-01
J13O1187
KQ2L12-O4
J9058089A
SM1
MANIFOLD
ASSY
J1301187
KQ2L12-04
J2101163
NIPPLE-QC
J2101164
NIPPLE-QC
NUT
02-4-8*5
J1
301213
PT
3/8
J6709012A
KQ2L12-04
TAR4000-04
U2-4-12*8
J6711244A
KQ2L12-03
J6711028A
KQ2L04-01
J1301187
KQ2L12-04
J1301175
J1301187
AF4000-04BC
KQ2L12-04
ANCASSY
J6701064A
BDAS10X5-1A-ZC153A2
U2-4-4*2.5
J6711157A
町
1/8
J6711116A
KQ2E04-01S
U2-4W4
J7458001A
SOL
VALVE
MODULE
(5)
U2-4-8-5
M5
SY3120-20-KRW0098
AN101-01
KQ2S04-
MVQ110U-
5M
7F
J2100QQ9
MANIFOLD
J67010188
WTS10X30-RS2
J1
301188
KQ2L04-M5
U2-4-4-2.5
AS1211F-M5-06
AS1211F-M5-06
4-M5
3SY3120-5LZ-M5
i
,
KPT18
KQ2L08-01S
«
SY3120-5LZ-M5
KQ2SO4-M5
MS
KQ2SO4-M5
MS
KQ2S04-M5
七
SY3120-5LZ-M5
JM-5P
(
pZISY312O-5LZ-M5
KQ2S04-M5
z
U
EZZ
AN101-01
I
J1301354
AS1201F-M5-G4-X214
U2-4-4*2.5
CONVEYOR
ASSY
J9053130B
EDGE
FIXER
ASSY
12-
U2-4・4*2.5
J1301188
KQ2L04-M5
J1301188
KQ2L04-M5
J6709004A
AR1000-M5BG
J6701037B
CQ2B12-KRC0137-2D
J1300277
KQ2L06-M5
U2-4-C2.5
RC3-M5
PRESSURE
SEfWR
MPX5100AP
U2-4-6*4
7
J6711168A
BUYD06-04
J6707018A
VKME10A-
048s
-3
J6713048A
UML-408(BK+BK)
HEAD
ASSY
BUT
ASSY
J6701039A
CA1B40X30
LF5M6OZ
秋
CONVEYOR
ASSY
(HOLE
FIXER
OPTION)
2-J1301361
CJPB6-10H4-B
J6711133A
〔
2-J1301181
灯严
-99
|
M-5ALU-4
-4^25
「
U2・4-4*2.5
晟
J1300620
二'
AS2001F-04
LF5M60Z
RC3-M5
LF5M60Z
PRESSURE
SEflSOR
MPX5100AP
令
LF5M60Z
RC3
-底
PRESSURE
SENSOR
MPX5100AP
LF5M60Z
RC3
-加
PRESSURE
SENSOR
MPX510OAP
LF5M60Z
RC3-M5
PRESSURE
SEI1SOR
MPX510)AP
BDAS6-15-CS11T-A2
HARNESS
ASSY
J9080795A
MN
AIR
SOL
PWR
CABLE
ASSY
J6702021A
K18Q-4E1-21-DC24V
Feeder
Base
(DC)
HARNESS
ASSY
J9080794A
AIR
INDICATOR
CABLE
ASSY
JI
300995
GP46-10-01L5
n
68
0M
69
s
-901©
68
Won
TI
g
EOV3H
r
9
4
a
za
2
9
S
3H
ov
3H