SM481_TechnicalReference(Eng_Ver1.1) - 第101页
Page SAMSUNG TECHWIN 91 SM481 Blank

Page
SAMSUNG TECHWIN
90
SM481
Electric Control Part

Page
SAMSUNG TECHWIN
91
SM481
Blank

Page
SAMSUNG TECHWIN
92
SM481
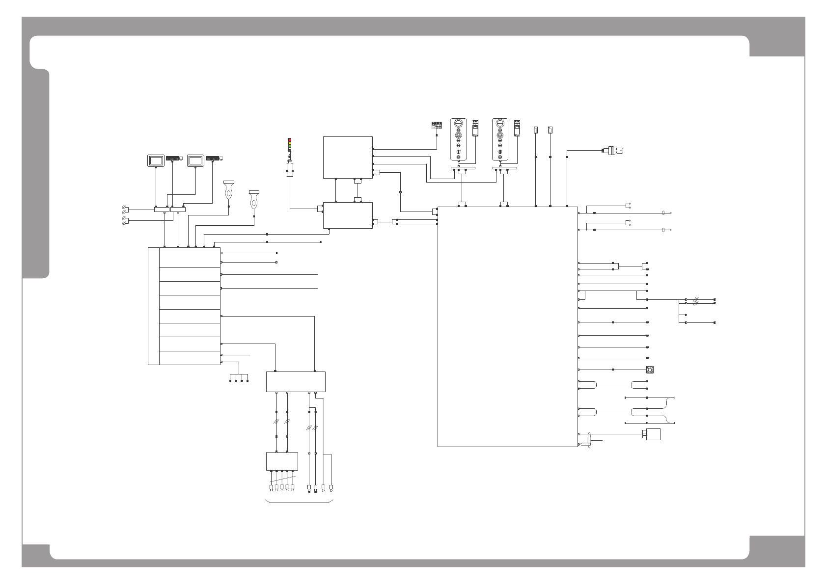
SM481 Harness Wiring Diagram
3C
8C
1D
9D
TOWER LAMP
FLY CAM1~5
SM471_VIS011
G
LOCK
R
S
T
M
E
E
CHANGE
F/FEEDER
RESET
0N
STOP
START
READY
E
O
P
C
N
Y
RESET
F/FEEDER
CHANGE
STOP
START
READY
P
O
T
S
Y
N
C
E
E
E
M
R
G
<FRONT-OP> <REAR-OP>
LOCK
0N
INDUSTRIAL PC
COM1USBMON LAN1
PC-232
SBC
<FRONT>
<REAR>
PCIE ADAPTER #1
PCIE X1
AXIO B/D #1-CN1
MON분배기
SM411_KV003-1
SM471_KV003-3
USB HUB
SM471-PC005
SM471-PC006
SAMC-ME #1
PC RACK 12V
SM471_PC003
SM471_KV003-2
SAFETY CONTROL B/D
CN30
CN3
F-OP
CN31
CN3
R-OP
[SC]
CN34
T-BOX
SM48-CV034
FRONT
CN36
T-BOX
REAR
SM33_CV023-5
SM48_FD101-1
P1 P2
COM1
COM2
COM3
COM4
COM5
CN9
PWR
SM48_VIS012
SM400 VISION IF B/D
CN1
FID.CAM
SM400 CAMERA IO B/D#1
[FID1]
CN6CN8
SM471_VIS007
CN10
SM471_VIS010
IT MASTER
12V
SM471_VIS000
SM471_VIS006
HEAD
CN11
CN1
CN2
입력
입력
CN10
CN11
CN20
CN21
CN22
CN23
CN27
CN25
CN26
CN7
SCANNER
CN5
CONV I/F B/D
[CV]
CN33
CN26
SM48_CV132
[SUB]
CONV.SUB I/F B/D
CN32
CN27
CN28
SM33_CV003
CN6
CN1
CN18
CN3
SM421_CV113
CN17
CN2
START,FFD,RFD
CN7
SM48_PW120
PS#1
PS#2
CN4
CN2
SM421_OP103
START,STOP,RESET,FFD
CN5
SM421_OP104
START,STOP,RESET,FFD
CN2
SM33_OP005
SM33_OP005
CN7
CN13
SM48_CV004
CN8
SM48_CV026
M
1
2
OUT
AIR SENSOR
SM48_SC001
CN3
CN1
CN4
CN1
CN6
CN13
EM,READY,DOOR,FSO
[VIS]
CN24
RY11-14/13
1234 5
RY1-6
RY1-4
SM48_PW032
(+24V)
(+24V)
RY2-6
RY2-4
SM48_PW033
(+24V)
(+24V)
CN18
MC1
+A1
-21
-A2
-22
CN19
SM33_CV026-1
J1R-3
J1R-4
SM33_CV023-4
SM471_OP001
SM471_OP001
SM471_PC003-1
SM48_PW120
T1L(3.4)
T1L(1.2)
SM471_PW067
PWR
PWR
CN35
SM48_SC201
J1R-2
SM48_CV035
SM48_SC002
SM471_SC105
SM471_SC105-1
SAFEGUARD OVERRIDE KEY
SM33_SC008
SM33_SC009
R DRIVER-PW
SM41_SC006
21/22
JUMPER
SM48_VM111 SM41_VM111-1
REAR PANEL LAN PORT
RFD-CN4
CV-CN4
SM48_PW044
FFD-CN4
AX-CN1
SM471_IT005
PWR
PS#2
SM471_IT004
CAN
CAN_CH1_L
CAN_CH2_R
CAN_CH3_L
CAN_CH4_R
FIX.CAM
BS1 DRV CN1
SM41_SC012
CN12
BS2 DRV CN1
COM5
COM6
TF1
TF2
CN14
SM421_VM101-2
CN15
AXIO#1-CN2
SM48_SC007
CN28
HD-PW-EXT
FL1-#12
HEAD IF CN1
FL2-#1
X_SEN.
FIX_ILL-CN1
SM48_SC008
CN29
J1R-1
R-SC-CN12/32
AM03-000084
CN6
SM471_PW020
SM471_PW022
STEP/HEAD DRIVER FAN
PCIE ADAPTER #2
PCIE X1
AXIO B/D #2-CN1
SM471_VIS009
#2F-FL13.14
#1F-FL-13.14
#1F-FL-15
SM471_VIS002-1
#2F-FL-15
12
SM471_VIS002-2
SM481_VIS001
1
SM48_VIS002
2
AXIO#2-CN2
SM481_SC009
CN6
SM48_SC201
SM48_FD101
SM41_AX001
SM41_IT003
SM41_SC011
SM48_CV101
SM481_AX006
#2F-1-1
SM48_VM101
SM48_VM102
SM471_PW068
AXIO#1-CN7
AX-CN2
SM481_AX005
SC-CN15-EXT [R]
SC-CN14-EXT [R]
TF-CH1
TF-CH2
PMC1-EXT
PMC2-EXT
COM5
COM6
SM48_VM101
SM48_VM102
SM421_VM101-1
SM421_VM102-1
Serial1 Serial2
<FRONT>
BARCODE READER
<REAR>
SM471_IT001
SM411_IT002