JM-20_电路图.pdf - 第35页
5 0 2 1 0 5 5 * * * 4 0 1 3 7 4 2 5 1 N o J U K I 品 番 H X 0 0 5 4 2 0 0 0 B 部 品 名 P O W E R S U P P L Y L C A 1 0 0 S - 2 4 - Y 部 品 数 ロ ケ ー シ ョ ン 備 考 1 P S 2 3 2 4 5 6 7 8 9 1 0 1 1 1 3 1 2 1 4 1 5 1 6 1 7 1 8 1 9 2 0 2 …

5
0
2
1
0
4
5
*
*
*
4
0
1
3
7
4
2
5
A
1
A
2
2
0
0
L
2
0
0
N
F
G
B
1
B
2
C
N
0
4
B
C
N
0
6
7
t
o
B
A
S
E
P
C
B
P
S
3
+
2
4
V
6
0
0
W
H
X
0
0
6
7
5
0
0
0
0
A
D
A
6
0
0
F
-
2
4
R
1
C
1
H
B
0
0
1
2
8
0
0
0
C
H
B
0
0
0
5
8
0
0
1
0
G
7
J
-
4
A
-
B
(
D
C
2
4
V
)
R
L
9
3
3
4
3
2
3
1
3
A
1
3
4
2
4
1
4
A
2
4
4
D
1
P
4
0
7
P
4
0
6
L
I
N
E
C
P
1
0
(
7
.
5
A
)
L
O
A
D
L
I
N
E
H
A
0
0
5
5
9
0
0
0
0
C
P
5
1
B
M
/
2
0
D
C
C
P
1
1
(
2
0
A
)
1
2
C
N
0
7
0
+
2
4
V
+
2
4
V
t
o
F
R
O
N
T
B
A
N
K
I
/
F
3
4
+
2
4
V
+
2
4
V
R
E
T
5
6
+
2
4
V
R
E
T
+
2
4
V
R
E
T
t
o
R
E
A
R
B
A
N
K
I
/
F
R
3
C
3
H
B
0
0
1
2
8
0
0
0
C
H
B
0
0
0
5
8
0
0
1
0
G
7
J
-
4
A
-
B
(
D
C
2
4
V
)
R
L
1
0
3
3
4
3
2
3
1
3
A
1
3
4
2
4
1
4
A
2
4
4
D
3
P
4
1
0
P
4
1
1
1
2
M
O
N
I
(
6
A
)
H
K
0
6
9
8
1
0
0
4
B
H
K
0
6
9
8
3
0
0
0
0
L
N
F
G
+
V
L
I
N
E
H
A
0
0
5
2
6
0
0
0
B
C
P
5
2
B
S
/
7
.
5
+
2
4
V
R
E
T
B
N
K
F
2
4
V
_
O
N
1
2
3
4
+
2
4
V
B
N
K
R
2
4
V
_
O
N
+
2
4
V
P
4
0
1
P
4
0
5
P
4
1
2
P
4
0
9
(
3
-
2
B
)
P
4
1
4
+
2
4
V
L
O
A
D
L
I
N
E
H
A
0
0
5
5
9
0
0
0
0
C
P
5
1
B
M
/
2
0
D
C
C
P
1
2
(
2
0
A
)
L
O
A
D
L
O
A
D
P
4
0
2
P
4
0
3
-
V
-
V
+
V
+
V
-
V
-
V
7
8
+
2
4
V
R
E
T
+
2
4
V
1
2
3
4
5
6
7
8
+
2
4
V
+
2
4
V
+
2
4
V
+
2
4
V
R
E
T
+
2
4
V
R
E
T
+
2
4
V
R
E
T
+
2
4
V
R
E
T
+
2
4
V
C
N
0
7
1
P
4
1
3
P
4
0
4
P
4
0
8
+
2
4
V
R
E
T
P
O
W
E
R
U
N
I
T
(
S
T
)
W
I
R
I
N
G
D
I
A
G
R
A
M
N
O
T
尺
度
ペ
ー
ジ
型
式
品
番
品
名
承
認
検
図
設
計
製
図
作
成
保
管
類
似
担
当
記
号
日
付
変
更
番
号
変
更
記
事
R
/
N
D
C
B
A
P
C
B
N
O
L
O
C
A
T
I
O
N
5
4
3
2
1
C
B
A
D
T
S
K
1
0
-
A
3
-
V
0
1
E
D
A

5
0
2
1
0
5
5
*
*
*
4
0
1
3
7
4
2
5
1
N
o
J
U
K
I
品
番
H
X
0
0
5
4
2
0
0
0
B
部
品
名
P
O
W
E
R
S
U
P
P
L
Y
L
C
A
1
0
0
S
-
2
4
-
Y
部
品
数
ロ
ケ
ー
シ
ョ
ン
備
考
1
P
S
2
3
2
4
5
6
7
8
9
1
0
1
1
1
3
1
2
1
4
1
5
1
6
1
7
1
8
1
9
2
0
2
1
2
2
2
4
2
3
2
5
2
6
2
7
2
8
2
9
3
0
3
1
3
2
3
4
3
3
3
5
3
6
3
7
3
8
3
9
4
0
4
1
4
2
4
4
4
3
4
5
H
X
0
0
6
7
5
0
0
0
0
P
O
W
E
R
S
U
P
P
L
Y
A
D
A
6
0
0
F
-
2
4
2
P
S
1
,
3
H
A
0
0
5
2
4
0
0
0
B
C
I
R
C
U
I
T
P
R
O
T
E
C
T
O
R
W
2
8
X
Q
1
A
-
8
1
C
P
5
H
A
0
0
5
2
4
0
0
0
D
C
I
R
C
U
I
T
P
R
O
T
E
C
T
O
R
W
2
8
X
Q
1
A
-
1
5
2
C
P
3
,
4
H
A
0
0
5
2
4
0
0
0
E
C
I
R
C
U
I
T
P
R
O
T
E
C
T
O
R
W
2
8
X
Q
1
A
-
1
2
1
C
P
6
H
A
0
0
5
2
6
0
0
0
B
C
I
R
C
U
I
T
P
R
O
T
E
C
T
O
R
C
P
5
2
B
S
/
7
.
5
1
C
P
1
0
H
A
0
0
5
2
7
0
0
0
C
C
I
R
C
U
I
T
P
R
O
T
E
C
T
O
R
C
P
5
1
B
S
/
0
2
5
1
C
P
8
H
A
0
0
5
4
2
0
0
0
A
C
I
R
C
U
I
T
P
R
O
T
E
C
T
O
R
N
R
W
1
0
-
5
A
1
C
P
9
H
A
0
0
5
5
9
0
0
0
0
C
I
R
C
U
I
T
P
R
O
T
E
C
T
O
R
C
P
5
1
B
M
/
2
0
D
C
3
C
P
7
,
1
1
,
1
2
H
A
0
0
6
4
6
0
0
0
0
C
I
R
C
U
I
T
P
R
O
T
E
C
T
O
R
C
P
3
3
V
/
7
.
5
D
N
1
C
P
2
H
A
0
0
6
4
6
0
0
0
A
C
I
R
C
U
I
T
P
R
O
T
E
C
T
O
R
C
P
3
3
V
/
1
5
D
N
1
C
P
1
H
B
0
0
1
2
8
0
0
0
C
R
E
L
A
Y
G
7
J
-
4
A
-
B
(
D
C
2
4
V
)
6
R
L
1
,
5
,
6
,
8
,
9
,
1
0
H
B
0
0
0
5
8
0
0
1
0
R
E
L
A
Y
R
9
9
-
0
4
F
O
R
G
5
F
6
R
L
1
,
5
,
6
,
8
,
9
,
1
0
H
B
0
0
1
5
4
0
0
0
0
R
E
L
A
Y
G
2
R
-
2
-
S
D
D
C
2
4
V
2
R
L
2
,
3
H
B
0
0
1
5
4
0
0
1
0
R
E
L
A
Y
P
2
R
F
-
0
8
2
R
L
2
,
3
H
B
0
0
1
1
0
0
0
0
0
R
E
L
A
Y
G
7
L
-
2
A
-
B
U
B
J
D
C
2
4
V
1
R
L
4
H
B
0
0
1
1
0
0
0
1
0
R
E
L
A
Y
P
7
L
F
-
C
1
R
L
4
H
K
0
6
9
6
5
0
0
1
0
B
L
O
C
K
T
E
R
M
I
N
A
L
S
T
2
.
5
-
T
W
I
N
1
2
T
B
1
端
子
台
H
K
0
6
9
3
5
0
0
1
0
B
L
O
C
K
T
E
R
M
I
N
A
L
S
T
2
.
5
-
T
W
I
N
-
P
E
3
T
B
1
F
G
H
K
0
6
9
6
9
0
0
0
0
B
L
O
C
K
T
E
R
M
I
N
A
L
D
-
S
T
2
.
5
T
W
I
N
1
T
B
1
終
端
板
H
K
0
6
9
1
9
0
0
0
B
B
L
O
C
K
T
E
R
M
I
N
A
L
C
L
I
P
F
I
X
3
5
5
T
B
1
,
T
B
2
,
T
B
3
終
端
固
定
H
K
0
6
9
6
9
0
0
0
A
B
L
O
C
K
T
E
R
M
I
N
A
L
Z
B
5
L
G
S
:
1
-
1
0
1
T
B
1
N
o
プ
レ
ー
ト
H
K
0
6
9
6
9
0
0
0
B
B
L
O
C
K
T
E
R
M
I
N
A
L
Z
B
5
L
G
S
:
1
1
-
2
0
1
T
B
1
N
o
プ
レ
ー
ト
H
K
0
6
9
6
9
0
0
3
0
B
L
O
C
K
T
E
R
M
I
N
A
L
F
B
S
3
-
5
4
T
B
1
シ
ョ
ー
ト
バ
ー
4
0
0
4
7
0
7
5
D
I
N
_
R
A
I
L
2
0
0
m
m
1
T
B
1
レ
ー
ル
H
K
0
6
9
5
5
0
0
1
0
B
L
O
C
K
T
E
R
M
I
N
A
L
S
T
4
-
T
W
I
N
8
T
B
2
,
T
B
3
端
子
台
H
K
0
6
9
5
9
0
0
0
0
B
L
O
C
K
T
E
R
M
I
N
A
L
D
-
S
T
4
T
W
I
N
2
T
B
2
,
T
B
3
終
端
板
H
K
0
6
9
5
9
0
0
2
0
B
L
O
C
K
T
E
R
M
I
N
A
L
F
B
S
2
-
6
2
T
B
2
シ
ョ
ー
ト
バ
ー
H
K
0
6
9
5
9
0
0
0
A
B
L
O
C
K
T
E
R
M
I
N
A
L
Z
B
6
L
G
S
:
1
-
1
0
2
T
B
2
,
T
B
3
N
o
プ
レ
ー
ト
4
0
0
9
5
3
8
6
D
I
N
_
R
A
I
L
1
2
0
m
m
1
T
B
2
,
T
B
3
レ
ー
ル
4
0
1
0
9
8
8
1
P
O
W
E
R
P
C
B
A
S
M
1
P
C
B
4
0
1
0
9
8
8
3
Z
T
P
O
W
E
R
P
C
B
A
S
M
1
P
C
B
4
0
1
3
6
3
4
8
P
O
W
E
R
U
N
I
T
C
A
B
L
E
1
0
1
A
S
M
1
1
1
1
1
1
1
1
1
1
1
1
1
4
0
1
3
6
3
4
9
P
O
W
E
R
U
N
I
T
C
A
B
L
E
1
0
2
A
S
M
4
0
1
3
6
3
5
0
P
O
W
E
R
U
N
I
T
C
A
B
L
E
1
0
3
A
S
M
4
0
1
3
6
3
5
1
P
O
W
E
R
U
N
I
T
C
A
B
L
E
1
0
4
A
S
M
4
0
1
3
6
3
5
2
P
O
W
E
R
U
N
I
T
C
A
B
L
E
1
0
5
A
S
M
4
0
1
3
6
3
5
3
P
O
W
E
R
U
N
I
T
C
A
B
L
E
1
0
6
A
S
M
4
0
1
3
6
3
5
4
P
O
W
E
R
U
N
I
T
C
A
B
L
E
1
0
7
A
S
M
4
0
1
3
6
3
5
5
P
O
W
E
R
U
N
I
T
C
A
B
L
E
1
0
8
A
S
M
4
0
1
3
6
3
5
6
P
O
W
E
R
U
N
I
T
C
A
B
L
E
1
0
9
A
S
M
4
0
1
3
6
3
5
7
P
O
W
E
R
U
N
I
T
C
A
B
L
E
1
1
0
A
S
M
4
0
1
3
6
3
5
8
P
O
W
E
R
U
N
I
T
C
A
B
L
E
1
1
1
A
S
M
4
0
1
3
6
3
5
9
P
O
W
E
R
U
N
I
T
C
A
B
L
E
1
1
2
A
S
M
4
0
1
3
6
3
6
0
P
O
W
E
R
U
N
I
T
C
A
B
L
E
1
1
3
A
S
M
4
6
4
7
4
9
4
8
5
0
4
0
1
3
6
3
6
1
4
0
1
3
6
3
6
2
4
0
1
3
6
3
6
3
4
0
1
3
6
3
6
4
4
0
1
3
6
3
6
5
1
1
1
1
1
P
O
W
E
R
U
N
I
T
C
A
B
L
E
2
0
1
A
S
M
P
O
W
E
R
U
N
I
T
C
A
B
L
E
2
0
2
A
S
M
P
O
W
E
R
U
N
I
T
C
A
B
L
E
2
0
3
A
S
M
P
O
W
E
R
U
N
I
T
C
A
B
L
E
2
0
4
A
S
M
P
O
W
E
R
U
N
I
T
C
A
B
L
E
2
0
5
A
S
M
P
1
0
1
P
1
0
2
P
1
0
3
P
1
0
4
P
1
0
5
P
1
0
6
P
1
0
7
P
1
0
8
P
1
0
9
P
1
1
0
P
1
1
1
P
1
1
2
P
1
1
3
P
2
0
1
P
2
0
2
P
2
0
3
P
2
0
4
P
2
0
5
5
1
N
o
J
U
K
I
品
番
部
品
名
部
品
数
ロ
ケ
ー
シ
ョ
ン
備
考
5
3
5
2
5
4
5
5
5
6
5
7
5
8
5
9
6
0
6
1
6
3
6
2
6
4
6
5
6
6
6
7
6
8
6
9
7
0
7
1
7
2
7
4
7
3
7
5
7
6
7
7
7
8
7
9
8
0
8
1
8
2
8
4
8
3
8
5
8
6
8
7
8
8
8
9
9
0
9
1
9
2
9
4
9
3
9
5
4
0
1
3
6
3
9
8
P
O
W
E
R
U
N
I
T
C
A
B
L
E
3
1
6
A
S
M
1
1
1
1
1
1
1
1
1
1
1
1
1
4
0
1
3
6
3
9
9
P
O
W
E
R
U
N
I
T
C
A
B
L
E
3
1
7
A
S
M
4
0
1
3
6
4
0
0
P
O
W
E
R
U
N
I
T
C
A
B
L
E
3
1
8
A
S
M
4
0
1
3
6
4
0
1
P
O
W
E
R
U
N
I
T
C
A
B
L
E
3
1
9
A
S
M
4
0
1
3
6
4
0
2
P
O
W
E
R
U
N
I
T
C
A
B
L
E
4
0
1
A
S
M
4
0
1
3
6
4
0
4
P
O
W
E
R
U
N
I
T
C
A
B
L
E
4
0
2
A
S
M
4
0
1
3
6
4
0
5
P
O
W
E
R
U
N
I
T
C
A
B
L
E
4
0
3
A
S
M
4
0
1
3
6
4
0
6
P
O
W
E
R
U
N
I
T
C
A
B
L
E
4
0
4
A
S
M
4
0
1
3
6
4
0
7
P
O
W
E
R
U
N
I
T
C
A
B
L
E
4
0
5
A
S
M
4
0
1
3
6
4
0
8
P
O
W
E
R
U
N
I
T
C
A
B
L
E
4
0
6
A
S
M
4
0
1
3
6
4
0
9
P
O
W
E
R
U
N
I
T
C
A
B
L
E
4
0
7
A
S
M
4
0
1
3
6
4
1
1
P
O
W
E
R
U
N
I
T
C
A
B
L
E
4
0
8
A
S
M
4
0
1
3
6
4
1
2
P
O
W
E
R
U
N
I
T
C
A
B
L
E
4
0
9
A
S
M
9
6
9
7
9
9
9
8
1
0
0
4
0
1
3
6
4
1
3
4
0
1
3
6
4
1
4
4
0
1
3
6
4
1
5
4
0
1
3
6
4
1
7
4
0
1
3
6
4
1
8
1
1
1
1
1
P
O
W
E
R
U
N
I
T
C
A
B
L
E
4
1
0
A
S
M
P
O
W
E
R
U
N
I
T
C
A
B
L
E
4
1
1
A
S
M
P
O
W
E
R
U
N
I
T
C
A
B
L
E
4
1
2
A
S
M
P
O
W
E
R
U
N
I
T
C
A
B
L
E
4
1
3
A
S
M
P
O
W
E
R
U
N
I
T
C
A
B
L
E
4
1
4
A
S
M
P
3
1
6
P
3
1
7
P
3
1
8
P
3
1
9
P
4
0
1
P
4
0
2
P
4
0
3
P
4
0
4
P
4
0
5
P
4
0
6
P
4
0
7
P
4
0
8
P
4
0
9
P
4
1
0
P
4
1
1
P
4
1
2
P
4
1
3
P
4
1
4
4
0
1
3
6
3
6
6
P
O
W
E
R
U
N
I
T
C
A
B
L
E
2
0
6
A
S
M
1
1
1
1
1
1
1
1
1
1
1
1
1
4
0
1
3
6
3
6
7
P
O
W
E
R
U
N
I
T
C
A
B
L
E
2
0
7
A
S
M
4
0
1
3
6
3
6
8
P
O
W
E
R
U
N
I
T
C
A
B
L
E
2
0
8
A
S
M
4
0
1
3
6
3
6
9
P
O
W
E
R
U
N
I
T
C
A
B
L
E
2
0
9
A
S
M
4
0
1
3
6
3
7
0
P
O
W
E
R
U
N
I
T
C
A
B
L
E
2
1
0
A
S
M
4
0
1
3
6
3
7
1
P
O
W
E
R
U
N
I
T
C
A
B
L
E
2
1
1
A
S
M
4
0
1
3
6
3
7
2
P
O
W
E
R
U
N
I
T
C
A
B
L
E
2
1
2
A
S
M
4
0
1
3
6
3
7
3
P
O
W
E
R
U
N
I
T
C
A
B
L
E
2
1
3
A
S
M
4
0
1
3
6
3
7
4
P
O
W
E
R
U
N
I
T
C
A
B
L
E
2
1
4
A
S
M
4
0
1
3
6
3
7
5
P
O
W
E
R
U
N
I
T
C
A
B
L
E
2
1
5
A
S
M
4
0
1
3
6
3
7
6
P
O
W
E
R
U
N
I
T
C
A
B
L
E
2
1
6
A
S
M
4
0
1
3
6
3
7
7
P
O
W
E
R
U
N
I
T
C
A
B
L
E
2
1
7
A
S
M
4
0
1
3
6
3
7
8
P
O
W
E
R
U
N
I
T
C
A
B
L
E
2
1
8
A
S
M
4
0
1
3
6
3
7
9
4
0
1
3
6
3
8
0
4
0
1
3
6
3
8
1
4
0
1
3
6
3
8
2
4
0
1
3
6
3
8
3
1
1
1
1
1
P
O
W
E
R
U
N
I
T
C
A
B
L
E
2
1
9
A
S
M
P
O
W
E
R
U
N
I
T
C
A
B
L
E
2
2
0
A
S
M
P
O
W
E
R
U
N
I
T
C
A
B
L
E
2
2
1
A
S
M
P
O
W
E
R
U
N
I
T
C
A
B
L
E
2
2
2
A
S
M
P
O
W
E
R
U
N
I
T
C
A
B
L
E
3
0
1
A
S
M
P
2
0
6
P
2
0
7
P
2
0
8
P
2
0
9
P
2
1
0
P
2
1
1
P
2
1
2
P
2
1
3
P
2
1
4
P
2
1
5
P
2
1
6
P
2
1
7
P
2
1
8
P
2
1
9
P
2
2
0
P
2
2
1
P
2
2
2
P
3
0
1
4
0
1
3
6
3
8
4
P
O
W
E
R
U
N
I
T
C
A
B
L
E
3
0
2
A
S
M
1
1
1
1
1
1
1
1
1
1
1
1
1
4
0
1
3
6
3
8
5
P
O
W
E
R
U
N
I
T
C
A
B
L
E
3
0
3
A
S
M
4
0
1
3
6
3
8
6
P
O
W
E
R
U
N
I
T
C
A
B
L
E
3
0
4
A
S
M
4
0
1
3
6
3
8
7
P
O
W
E
R
U
N
I
T
C
A
B
L
E
3
0
5
A
S
M
4
0
1
3
6
3
8
8
P
O
W
E
R
U
N
I
T
C
A
B
L
E
3
0
6
A
S
M
4
0
1
3
6
3
8
9
P
O
W
E
R
U
N
I
T
C
A
B
L
E
3
0
7
A
S
M
4
0
1
3
6
3
9
0
P
O
W
E
R
U
N
I
T
C
A
B
L
E
3
0
8
A
S
M
4
0
1
3
6
3
9
1
P
O
W
E
R
U
N
I
T
C
A
B
L
E
3
0
9
A
S
M
4
0
1
3
6
3
9
2
P
O
W
E
R
U
N
I
T
C
A
B
L
E
3
1
0
A
S
M
4
0
1
3
6
3
9
3
P
O
W
E
R
U
N
I
T
C
A
B
L
E
3
1
1
A
S
M
4
0
1
3
6
3
9
4
P
O
W
E
R
U
N
I
T
C
A
B
L
E
3
1
2
A
S
M
4
0
1
3
6
3
9
5
P
O
W
E
R
U
N
I
T
C
A
B
L
E
3
1
3
A
S
M
4
0
1
3
6
3
9
6
P
O
W
E
R
U
N
I
T
C
A
B
L
E
3
1
4
A
S
M
4
0
1
3
6
3
9
7
1
P
O
W
E
R
U
N
I
T
C
A
B
L
E
3
1
5
A
S
M
P
3
0
2
P
3
0
3
P
3
0
4
P
3
0
5
P
3
0
6
P
3
0
7
P
3
0
8
P
3
0
9
P
3
1
0
P
3
1
1
P
3
1
2
P
3
1
3
P
3
1
4
P
3
1
5
P
O
W
E
R
U
N
I
T
(
S
T
)
W
I
R
I
N
G
D
I
A
G
R
A
M
N
O
T
尺
度
ペ
ー
ジ
型
式
品
番
品
名
承
認
検
図
設
計
製
図
作
成
保
管
類
似
担
当
記
号
日
付
変
更
番
号
変
更
記
事
R
/
N
D
C
B
A
P
C
B
N
O
L
O
C
A
T
I
O
N
5
4
3
2
1
C
B
A
D
T
S
K
1
0
-
A
3
-
V
0
1
E
D
A

5
0
2
1
0
P
O
W
E
R
U
N
I
T
(
E
N
)
W
I
R
I
N
G
D
I
A
G
R
A
M
1
5
*
*
*
4
0
1
3
7
4
2
6
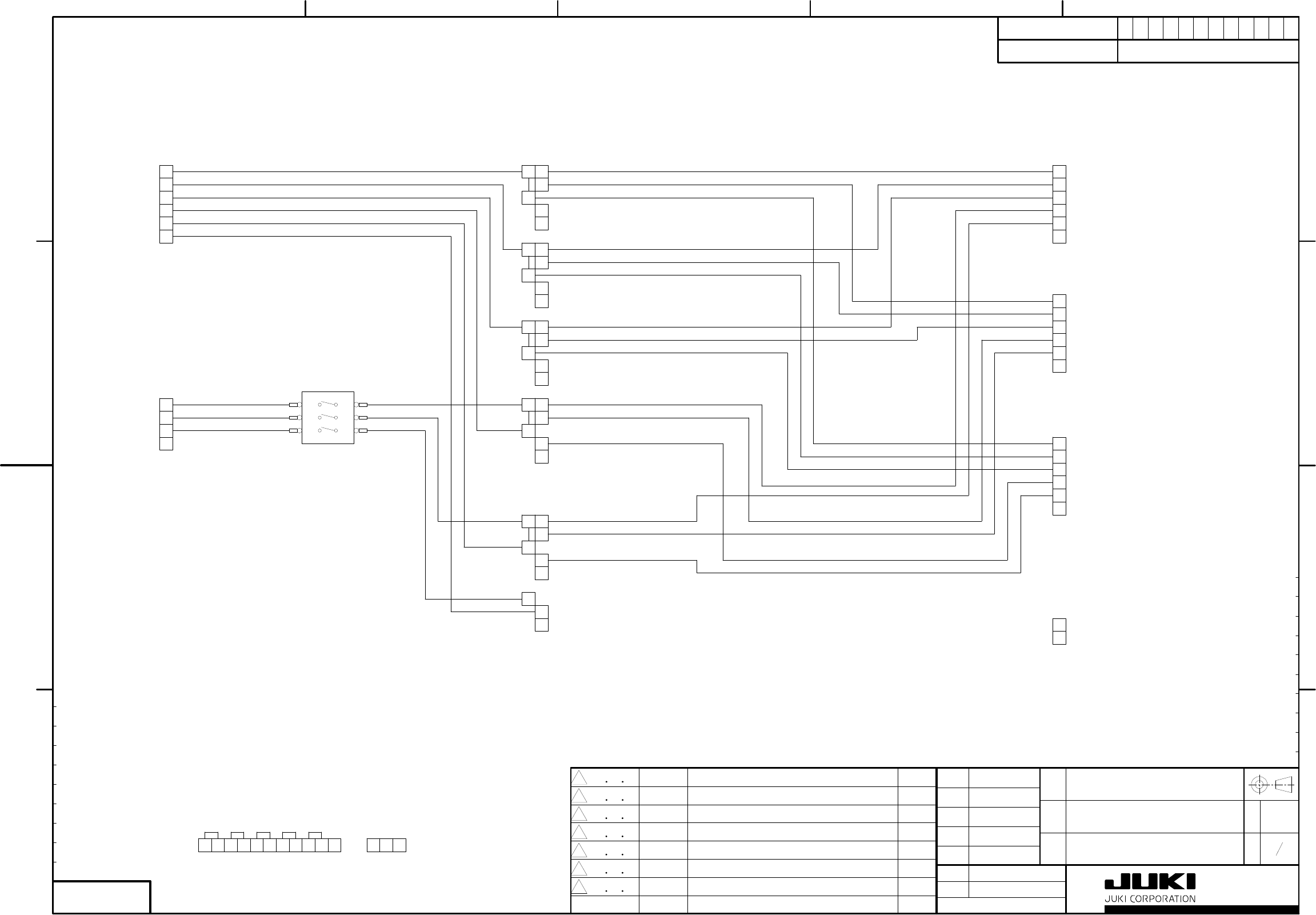
注
1
.
端
子
台
T
B
の
ジ
ャ
ン
パ
接
続
は
上
図
の
通
り
。
T
B
2
H
K
0
6
9
5
5
0
0
1
0
(
端
子
台
)
H
K
0
6
9
5
9
0
0
0
0
(
終
端
板
)
H
K
0
6
9
1
9
0
0
0
B
(
終
端
固
定
)
H
K
0
6
9
5
9
0
0
0
A
(
N
o
プ
レ
ー
ト
)
H
K
0
6
9
5
9
0
0
0
B
(
N
o
プ
レ
ー
ト
)
H
K
0
6
9
5
9
0
0
2
0
(
シ
ョ
ー
ト
バ
ー
)
4
0
0
9
5
3
8
6
(
レ
ー
ル
1
2
0
)
T
B
3
H
K
0
6
9
5
5
0
0
1
0
(
端
子
台
)
H
K
0
6
9
5
9
0
0
0
0
(
終
端
板
)
H
K
0
6
9
1
9
0
0
0
B
(
終
端
固
定
)
H
K
0
6
9
5
9
0
0
0
A
(
N
o
プ
レ
ー
ト
)
T
B
1
H
K
0
6
9
6
5
0
0
1
0
(
端
子
台
)
H
K
0
6
9
3
5
0
0
1
0
(
端
子
台
F
G
)
H
K
0
6
9
6
9
0
0
0
0
(
終
端
板
)
H
K
0
6
9
1
9
0
0
0
B
(
終
端
固
定
)
H
K
0
6
9
6
9
0
0
0
A
,
B
(
N
o
プ
レ
ー
ト
)
H
K
0
6
9
6
9
0
0
3
0
(
シ
ョ
ー
ト
バ
ー
)
4
0
0
4
7
0
7
5
(
レ
ー
ル
2
0
0
)
1
2
3
4
5
T
B
2
2
0
0
U
2
0
0
V
2
0
0
W
1
2
3
1
0
0
V
T
B
3
2
0
0
U
I
N
2
0
0
V
I
N
2
0
0
W
I
N
P
5
0
1
A
1
1
B
1
C
2
A
2
B
2
C
3
A
3
B
3
C
4
B
4
C
5
A
5
B
5
C
6
A
6
B
6
C
7
B
7
C
8
A
8
B
4
A
7
A
8
C
C
N
1
1
(
X
)
C
N
1
2
(
Y
L
)
C
N
1
3
(
Y
R
)
A
2
A
3
B
1
B
2
B
3
A
1
A
2
A
3
B
1
B
2
B
3
A
1
A
2
A
3
B
1
B
2
B
3
1
A
T
B
2
P
5
0
3
P
5
0
4
P
5
0
5
C
N
0
6
4
6
3
+
2
4
V
X
Y
-
S
V
O
N
H
K
0
6
9
8
1
0
0
6
B
H
K
0
6
9
8
3
0
0
0
A
(
A
W
G
1
4
&
1
6
)
H
K
0
6
9
8
1
0
0
6
B
H
K
0
6
9
8
3
0
0
0
A
(
A
W
G
1
4
&
1
6
)
H
K
0
6
9
8
1
0
0
6
B
H
K
0
6
9
8
3
0
0
0
A
(
A
W
G
1
4
&
1
6
)
H
K
0
3
4
6
2
0
0
6
0
H
K
0
3
4
6
3
0
0
0
0
(
A
W
G
2
2
)
C
N
0
2
E
N
(
1
2
A
)
L
O
A
D
L
I
N
E
H
A
0
0
6
4
6
0
0
0
A
C
P
3
3
V
/
1
5
D
N
2
0
0
U
2
0
0
V
2
0
0
W
P
1
0
1
C
P
1
(
1
5
A
)
P
5
0
2
A
1
A
2
B
1
B
2
H
K
0
6
9
8
1
0
0
4
0
H
K
0
6
9
8
3
0
0
0
0
(
A
W
G
1
0
)
C
N
0
1
(
1
2
A
)
f
o
r
S
A
F
E
T
Y
f
o
r
T
R
A
N
S
9
B
9
C
1
0
A
1
0
B
9
A
1
0
C
1
1
B
1
1
C
1
1
A
A
1
A
2
A
3
B
1
B
2
B
3
H
K
0
6
9
8
1
0
0
6
0
H
K
0
6
9
8
3
0
0
0
0
(
A
W
G
1
0
)
2
0
0
U
O
U
T
2
0
0
V
O
U
T
2
0
0
W
O
U
T
6
7
8
9
1
0
1
1
2
0
0
U
2
0
0
V
2
0
0
W
N
O
T
尺
度
ペ
ー
ジ
型
式
品
番
品
名
承
認
検
図
設
計
製
図
作
成
保
管
類
似
担
当
記
号
日
付
変
更
番
号
変
更
記
事
R
/
N
D
C
B
A
P
C
B
N
O
L
O
C
A
T
I
O
N
5
4
3
2
1
C
B
A
D
T
S
K
1
0
-
A
3
-
V
0
1
E
D
A