X4电路图 - 第216页
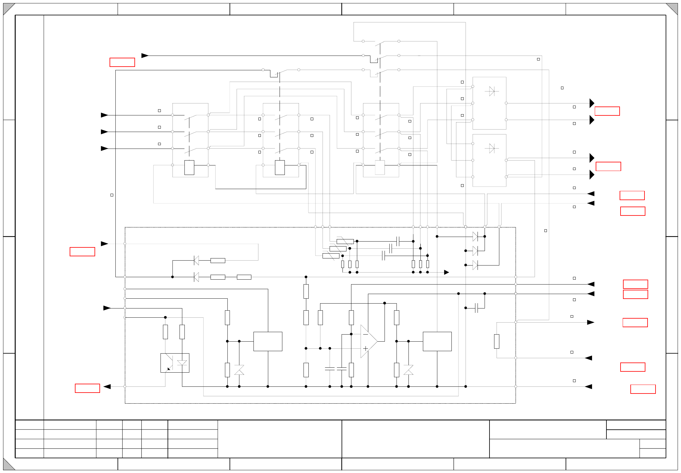
3 - 4 0035462 6-130 101LD4 Power su pply (sh . 4 of 7 ) 21.05.2002 Tekin Tek FS13 401314 FS11 401107 Tek FS12 402176 Tek 13.02.06 02.06.04 11.01.06 Strom versorgung Power Supply 00354626-130 101LD4 7 Kl e i n H . SIPLACE…

3 - 3
00354626-130101LD4 Power supply (sh. 3 of 7)
21.05.2002
Tekin
Tek
FS13
401314
FS11
401107
Tek
FS12
402176
Tek
13.02.06
02.06.04
11.01.06
Stromversorgung
Power Supply
00354626-130101LD4
7
Klein H.
SIPLACE X-Series
Date
Drawn
Checked
StandardsNameModification
Sheet
of
21 6543
A
B
C
D
Date
Designer 9
21 6543
A4
Document No. / Dokumentennummer:
Item name / Benennung
Copyright reserved
SIEMENS AG
A&D
Stat.
W
e
i
t
e
r
g
a
b
e
s
o
w
i
e
V
e
r
v
i
e
l
f
ä
l
t
i
g
u
n
g
d
i
e
s
e
r
U
n
t
e
r
l
a
g
e
,
V
e
r
w
e
r
t
u
n
g
u
n
d
M
i
t
t
e
i
l
u
n
g
i
h
r
e
s
I
n
h
a
l
t
s
n
i
c
h
t
g
e
s
t
a
t
t
e
t
,
s
o
w
e
i
t
n
i
c
h
t
a
u
s
d
r
ü
c
k
l
i
c
h
z
u
g
e
s
t
a
n
d
e
n
.
Z
u
w
i
d
e
r
h
a
n
d
l
u
n
g
e
n
v
e
r
p
f
l
i
c
h
t
e
n
z
u
S
c
h
a
d
e
n
e
r
s
a
t
z
.
A
l
l
e
R
e
c
h
t
e
v
o
r
b
e
h
a
l
t
e
n
,
i
n
s
b
e
s
o
n
d
e
r
e
f
ü
r
d
e
n
F
a
l
l
d
e
r
P
a
t
e
n
t
e
r
t
e
i
l
u
n
g
o
d
e
r
G
M
-
E
i
n
t
r
a
g
u
n
g
.
P
r
o
p
r
i
e
t
a
r
y
d
a
t
a
,
c
o
m
p
a
n
y
c
o
n
f
i
d
e
n
t
i
a
l
.
A
l
l
r
i
g
h
t
s
r
e
s
e
r
v
e
d
.
C
o
n
f
i
e
a
t
i
t
r
e
d
e
s
e
c
r
e
t
d
'
e
n
t
r
e
p
r
i
s
e
.
T
o
u
s
d
r
o
i
t
s
r
e
s
e
r
v
e
s
.
C
o
m
u
n
i
c
a
d
o
c
o
m
o
s
e
g
r
e
d
o
e
m
p
r
e
s
a
r
i
a
l
.
R
e
s
e
r
v
a
d
o
s
t
o
d
o
s
o
s
d
i
r
e
i
t
o
s
.
C
o
n
f
i
a
d
o
c
o
m
o
s
e
c
r
e
t
e
i
n
d
u
s
t
r
i
a
l
.
N
o
s
r
e
s
e
r
v
a
m
o
s
t
o
d
o
s
l
o
s
d
e
r
e
c
h
o
s
.
A
B
C
D
~
~
~
+
-
~
~
~
+
-
6A
10A
23,8V
28V
T2
U4
U5
F6
F8
4
2,5
2,5
2,5
1,5
1,5
1,5
1,5
1,5
1,5
1,5
12
K1.2
1,5
1,5
1,5
1,5
230V
2U1
2V1
2W1
3U1
3V1
3W1
GND_P
D32A
36V
4U1
4V1
4W1
4
4
4
1U1
1V1
1W1
U
V
W
~
~
~
+
-
U9
~
~
~
+
-
3A
19,7V
U10 F13
1,5
1,5
1,5
1,5
1,5
1,5
5U1
5V1
5W1 1,5
GND_P
4
4
4
4
4
4
4
4
4
4
6
2
3
5
1
F61
T10A
F62
T10A
F81
T10A
F82
T10A
F131
T4A
F132
T4A
F2
~
~
~
+
-
6A
18,7V
U11 F14
1,5
1,5
1,5
1,5
1,5
1,5
6U1
6V1
6W1 1,5
GND_P
F141
T6,3A
F142
T6,3A
X20-9
V
X20-9
3
Transf. 2
Earthing clip
On-board power
supply system
(Sheet 2/4)
BusVoltageZ/DP(-)
(Sheet 7)
(Sheet 6/7)
(Sheet 7)
VoltageConveyor(-)
VoltageConveyor(+)
(Sheet 7)
(Sheet 5)
BusVoltageZ/DP_R
BusVoltageZ/DP(+)
Fan-Y-Motor(+)
(Sheet 7)
Fan-Y-Motor(-)
(Sheet 7)
VoltageMonitor(-)
VoltageMonitor(+)
Varistor term.
(Sheet 7)
Component feeder table

3 - 4
00354626-130101LD4 Power supply (sh. 4 of 7)
21.05.2002
Tekin
Tek
FS13
401314
FS11
401107
Tek
FS12
402176
Tek
13.02.06
02.06.04
11.01.06
Stromversorgung
Power Supply
00354626-130101LD4
7
Klein H.
SIPLACE X-Series
Date
Drawn
Checked
StandardsNameModification
Sheet
of
21 6543
A
B
C
D
Date
Designer 9
21 6543
A4
Document No. / Dokumentennummer:
Item name / Benennung
Copyright reserved
SIEMENS AG
A&D
Stat.
W
e
i
t
e
r
g
a
b
e
s
o
w
i
e
V
e
r
v
i
e
l
f
ä
l
t
i
g
u
n
g
d
i
e
s
e
r
U
n
t
e
r
l
a
g
e
,
V
e
r
w
e
r
t
u
n
g
u
n
d
M
i
t
t
e
i
l
u
n
g
i
h
r
e
s
I
n
h
a
l
t
s
n
i
c
h
t
g
e
s
t
a
t
t
e
t
,
s
o
w
e
i
t
n
i
c
h
t
a
u
s
d
r
ü
c
k
l
i
c
h
z
u
g
e
s
t
a
n
d
e
n
.
Z
u
w
i
d
e
r
h
a
n
d
l
u
n
g
e
n
v
e
r
p
f
l
i
c
h
t
e
n
z
u
S
c
h
a
d
e
n
e
r
s
a
t
z
.
A
l
l
e
R
e
c
h
t
e
v
o
r
b
e
h
a
l
t
e
n
,
i
n
s
b
e
s
o
n
d
e
r
e
f
ü
r
d
e
n
F
a
l
l
d
e
r
P
a
t
e
n
t
e
r
t
e
i
l
u
n
g
o
d
e
r
G
M
-
E
i
n
t
r
a
g
u
n
g
.
P
r
o
p
r
i
e
t
a
r
y
d
a
t
a
,
c
o
m
p
a
n
y
c
o
n
f
i
d
e
n
t
i
a
l
.
A
l
l
r
i
g
h
t
s
r
e
s
e
r
v
e
d
.
C
o
n
f
i
e
a
t
i
t
r
e
d
e
s
e
c
r
e
t
d
'
e
n
t
r
e
p
r
i
s
e
.
T
o
u
s
d
r
o
i
t
s
r
e
s
e
r
v
e
s
.
C
o
m
u
n
i
c
a
d
o
c
o
m
o
s
e
g
r
e
d
o
e
m
p
r
e
s
a
r
i
a
l
.
R
e
s
e
r
v
a
d
o
s
t
o
d
o
s
o
s
d
i
r
e
i
t
o
s
.
C
o
n
f
i
a
d
o
c
o
m
o
s
e
c
r
e
t
e
i
n
d
u
s
t
r
i
a
l
.
N
o
s
r
e
s
e
r
v
a
m
o
s
t
o
d
o
s
l
o
s
d
e
r
e
c
h
o
s
.
A
B
C
D
DC Converter
DC/DC Converter
2,5
50V=
5V
0V
5V / 24V
"+5V"
GND(5V)
DC/DC Converter
2,5
50V=
24V
0V
24V
"+24V"
34
K4.5
0,75 0,75
GND_P
GND_P
PF(E)
PF(C)
PE
PE
U20
U30
GND_P
X20_16
X20_14
X20_12
X20_15
X20_13
510W
1
3
2
GND_P
1kW 1kW
7
10
6
5,1kW
7x1N4007
4
SFH610-3
8,2V
2
13
6,2V
10kW
8
22W
4
5
9
R4
z28
d30
z32
z28
d30
z32
z16
d18
z20
d22
z16
d18
z20
d22
z24 d26
X20-3
X20-3
X20-3
X20-4
X20-4
X20-4
X20-4
X20-5
X20-5
X20-6
X20-6
X20-6
5,1kW
6,2V
BTS117
1
2
3
BTS117
1
2
3
PCB PowerFail
z4
d6
z8
d10
X20-40
X20-40
X20-30
X20-30
GND_P
0V
24V
GND(+24V)
GND(+24V2)
"+24V2"
X20-3
X20-4
!
!
Remove the jumpers between the X20-3
and X20-30 terminal blocks,
when inserting the 5V/24V DC/DC converter!
4
R4
PowerFailureAxis
(Sheet 7)
PowerFailureSpare
(Sheet 2)
AC_Vin
Vin(+)Axis
(Sheet 2)
(Sheet 2)
Vin(+)
Vin(-)
(Sheet 2)
Vin(+)
(Sheet 2)
(Sheet 2)
Vin(-)
(Sheet 2)
(Sheet 7)
(Sheet 7)
(Sheet 7)
(Sheet 7)
(Sheet 7)
(Sheet 7)
(Sheet 6)
(Sheet 5)
(Sheet 6)
(Sheet 5)
(Sheet 7)
PowerFailure
(Sheet 7)
ServoEnable
Contactor relay block
R12 / 1k
test plug adapter module
with resistance 1K
X98-1
X98-3
rd
bu
E1
fan

3 - 5
00354626-130101LD4 Power supply (sh. 5 of 7)
21.05.2002
Tekin
Tek
FS13
401314
FS11
401107
Tek
FS12
402176
Tek
13.02.06
02.06.04
11.01.06
Stromversorgung
Power Supply
00354626-130101LD4
7
Klein H.
SIPLACE X-Series
Date
Drawn
Checked
StandardsNameModification
Sheet
of
21 6543
A
B
C
D
Date
Designer 9
21 6543
A4
Document No. / Dokumentennummer:
Item name / Benennung
Copyright reserved
SIEMENS AG
A&D
Stat.
W
e
i
t
e
r
g
a
b
e
s
o
w
i
e
V
e
r
v
i
e
l
f
ä
l
t
i
g
u
n
g
d
i
e
s
e
r
U
n
t
e
r
l
a
g
e
,
V
e
r
w
e
r
t
u
n
g
u
n
d
M
i
t
t
e
i
l
u
n
g
i
h
r
e
s
I
n
h
a
l
t
s
n
i
c
h
t
g
e
s
t
a
t
t
e
t
,
s
o
w
e
i
t
n
i
c
h
t
a
u
s
d
r
ü
c
k
l
i
c
h
z
u
g
e
s
t
a
n
d
e
n
.
Z
u
w
i
d
e
r
h
a
n
d
l
u
n
g
e
n
v
e
r
p
f
l
i
c
h
t
e
n
z
u
S
c
h
a
d
e
n
e
r
s
a
t
z
.
A
l
l
e
R
e
c
h
t
e
v
o
r
b
e
h
a
l
t
e
n
,
i
n
s
b
e
s
o
n
d
e
r
e
f
ü
r
d
e
n
F
a
l
l
d
e
r
P
a
t
e
n
t
e
r
t
e
i
l
u
n
g
o
d
e
r
G
M
-
E
i
n
t
r
a
g
u
n
g
.
P
r
o
p
r
i
e
t
a
r
y
d
a
t
a
,
c
o
m
p
a
n
y
c
o
n
f
i
d
e
n
t
i
a
l
.
A
l
l
r
i
g
h
t
s
r
e
s
e
r
v
e
d
.
C
o
n
f
i
e
a
t
i
t
r
e
d
e
s
e
c
r
e
t
d
'
e
n
t
r
e
p
r
i
s
e
.
T
o
u
s
d
r
o
i
t
s
r
e
s
e
r
v
e
s
.
C
o
m
u
n
i
c
a
d
o
c
o
m
o
s
e
g
r
e
d
o
e
m
p
r
e
s
a
r
i
a
l
.
R
e
s
e
r
v
a
d
o
s
t
o
d
o
s
o
s
d
i
r
e
i
t
o
s
.
C
o
n
f
i
a
d
o
c
o
m
o
s
e
c
r
e
t
e
i
n
d
u
s
t
r
i
a
l
.
N
o
s
r
e
s
e
r
v
a
m
o
s
t
o
d
o
s
l
o
s
d
e
r
e
c
h
o
s
.
A
B
C
D
ServoXY
W_XY
V_XY
~
~
~
+
-
A2(-)
1
3
5
2
4
6
A1(+)
1
3
5
2
4
6
A1(+) A2(-)
U1
K2
K3
10
0,75
0,75
U_XY
1
3
5
2
4
6
A1(+) A2(-)
K4
6
6
6
6
6
6
150
150
1,5
10
0,75
1,5
1,5
1,5
1,5
1,5
1,5
6
6
6
1,5
1,5
1,5
W
W
12
12
12
K3.3
34
3
2
1
BTS117
10k
33k
10k
10k
100n
6,2V12k
49,9k
47k
3 x 1N4007
1µ
10n
K4.3
K4.2
K4.1
1,5
1,5
0,75
0,75
150 W
150 W
3
2
1
BTS117
10k
33k
6,2V
SFH610-3
2,4k
1
2
3
4
510
0,75
0,75
1,5
1,5
2x33µ
2x33µ
2x33µ
3x2,6 W
W
+
+
+
~
~
~
+
-
U2
10
10
49,9k
X7-7
X7-8
X8-19
X8-20
X8-21
(X8-22)
X8-23 X8-17
X6-9
X6-16
X8-15
X7-14
X7-18
1,5
X7-13X7-11X7-10 -12X6-2X6-1 -3 -5 -4 -6
3
2
1
BTS117
3x1M W
X6-16
3x2M W
3x1M W
5
BusVoltageS_R
(Sheet 7)
EmergStopLoop
S_EmergStopLoopOK
(Sheet 2)
(Sheet 6/7)
Inrush current limiter - servo
GND(24V)
(Sheet 4)
(Sheet 3)
BusVoltageZ/DP_R
(Sheet 7)
RGP
(Sheet1)
SZ1(+)
(Sheet 4)
"+24V"
(Sheet 7)
BusVoltageX/Y(-)
(Sheet 6)
S_TapeCutter
(Sheet 6)
S_XY
BusVoltageX/Y(+)
BusVoltageX/Y(-)
(Sheet 7)
BusVoltageX/Y(+)
Contactor relay blocks
Contactor
(Sheet 2)
Star point
(Sheet 2)
not used (GND (X6))
not used (EmergStopLoop2)