YSM20R_KMK-2b_cwd - 第15页
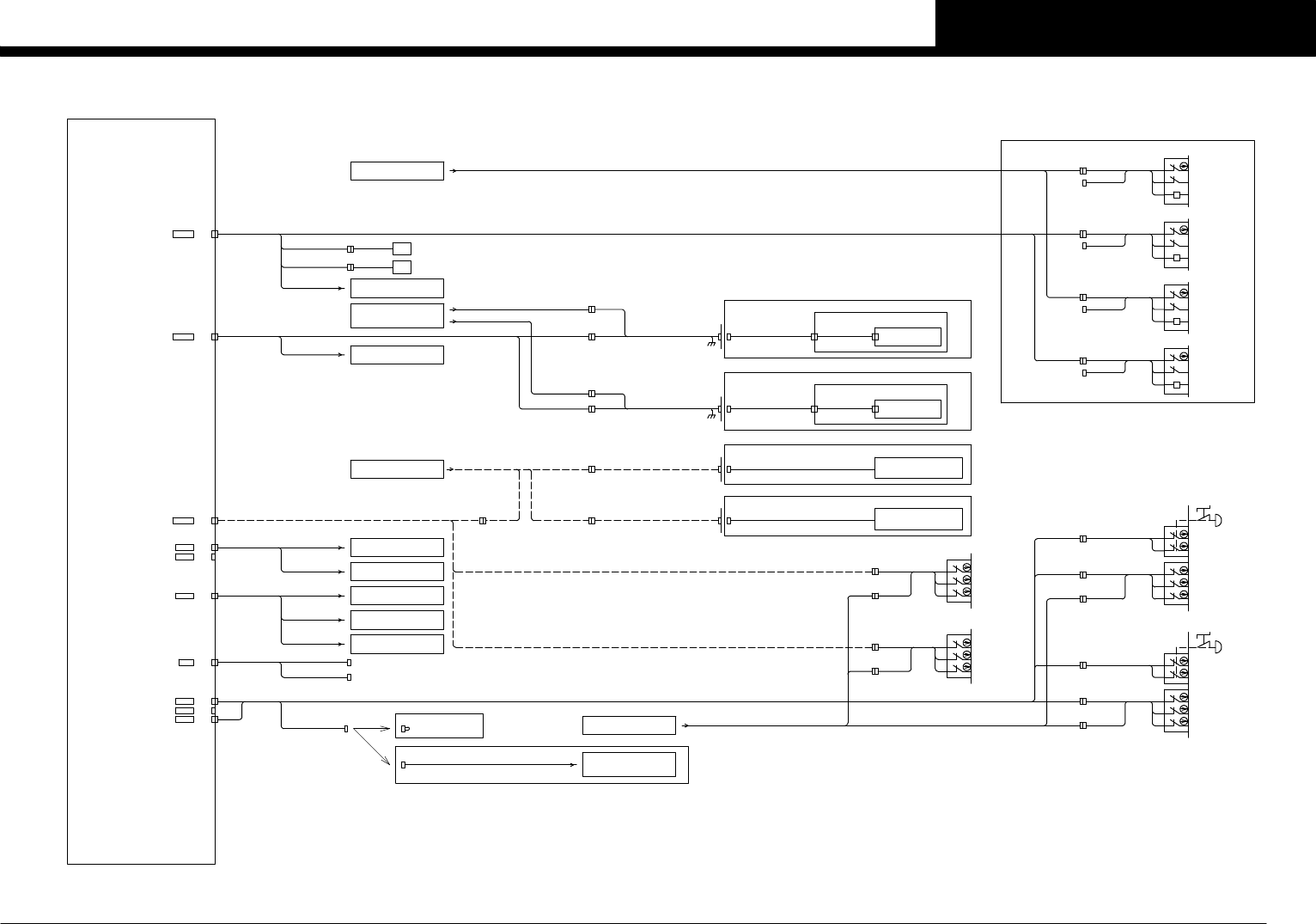
Confidential & P roprietary P A G E Y SA FE HA E MG I/O CONVEYOR BOARD ASSY P021 CN28 ANC-2 CALIB J0916 J0917 CALIB CALIB CN1 CN1 CALIB.ST.ASSY. CALIB.B OARD ASSY P151 J0915 CALIB J0919 J0920 CALIB CALIB CN1 CN1 CALI…

Confidential & Proprietary
PAGE
SL CONVEYOR
DS CONVEYOR
CONVEYOR SELECT
SL CONVEYOR
DS CONVEYOR
CONVEYOR SELECT
CN24 J0317
CN23 J0316
F.ACTIVE(WHITE)
F.RESET(WHITE)
J0231
J0232
J0233
J0234
J0235
J0236
SB01
SB02
SB03
SB04
SB05
SB06
F.READY(WHITE)
F.START(GREEN)
F.STOP(RED/WHITE)
F.ERROR CLEAR(YELLOW/BLUE)
F.OPERATION PANEL
F2 FES CLAMP SW
J0238
SB08
N0100476/T0100073
N0100477/T0100074
N0100480/T0100075
N0100481/T0100076
N0100482/T0100077
N0100483/T0100090
N0100484/T0100091
FES32 FEEDER STRUCTURE Spec.
RESET
ERR.CLR
STOP
START
READY
ACTIVE
HL13
COMPONENT SUPPLY INDICATOR LAMP
T01000A3
HL13
REAR ERROR LAMP(WHITE)
I/O CONVEYOR BOARD ASSY P021
CN1724E OUT1
24E OUT2 CN18
CN19SIG.TOWER
J0102CN20
COM CN20
CN21FES/CART
CN22DI14,15
CN23F.OPE.PANEL
CN24R.OPE.PANEL
R.RESET(WHITE)
R.ACTIVE(WHITE)
SB11
SB12
SB13
SB14
SB15
SB16
R.READY(WHITE)
R.START(GREEN)
R.STOP(RED/WHITE)
R.ERROR CLEAR(YELLOW/BLUE)
R.OPERATION PANEL
J0241
J0242
J0243
J0244
J0245
J0246
R2 FES CLAMP SW
J0248
SB18
N0100491/T0100094
N0100492/T0100095
N0100493/T0100096
N0100495/T01000A0
N0100494/T0100097
N0100496/T01000A1
N0100497/T01000A2
FES32 FEEDER STRUCTURE Spec.
HL12
COMPONENT SUPPLY INDICATOR LAMP
F1 CUT OP
F1 CUT CL
F1 CUTTER
F1 CUT OP
F1 CUT CL
F2 CUT CL
F2 CUT OP
F2 CUTTER
F2 CUT OP
F2 CUT CL
OPEN CLOSE
F1 TAPE CUTTER YV031
T0100046/T0100047
COVER SW
F1 TAPE CUTTER
TAPE CUTTER F1 OPEN
TAPE CUTTER F1 CLOSE
N0100440
N0100441
F2 TAPE CUTTER(Only for FES32)
TAPE CUTTER F2 CLOSE
TAPE CUTTER F2 OPEN
COVER SW
F2 TAPE CUTTER
OPEN CLOSE
T0100080/T0100081
F2 TAPE CUTTER YV032
N0100450
N0100451
F1 TAPE CUTTER
R1 CUT CL
R1 CUTTER
R1 CUT OP
R1 CUT OP
R1 CUT CL
R2 CUT CL
R2 CUT OP
R2 CUTTER
F2 CUT OP
F2 CUT CL
TAPE CUTTER R1 CLOSE
COVER SW
R1 TAPE CUTTER
TAPE CUTTER R1 OPEN
OPEN CLOSE
R1 TAPE CUTTER YV033
T0100050/T0100051
N0100444
N0100445
R1 TAPE CUTTER
TAPE CUTTER R2 CLOSE
TAPE CUTTER R2 OPEN
COVER SW
R2 TAPE CUTTER
N0100452
N0100453
OPEN CLOSE
F2 TAPE CUTTER YV032
T0100084/T0100085
R2 TAPE CUTTER(Only for FES32)
TAPE CUTTER
MAINTENANCE LIGHT(Option)
REAR MAINTENANCE LIGHT
HL32
FRONT MAINTENANCE LIGHT
HL31
LIGHT R
LIGHT F
T0100093
T01000A4
DI18,DO9 CN25
J0237
J0247
F1 FES CLAMP SW
SB17
R1 FES CLAMP SW
N01004A4/T01000A5
N01004A5/T01000A6
SB07
FES32 FEEDER STRUCTURE Spec.
CN26DI19
I/O A
CONTROL BOX -3-
J0313CN18
J0312CN17
J0291
J0292
J0293
J0294
J0353CN19
J0314CN21
CN22 J0315
T0100092
HL12
FRONT ERROR LAMP(WHITE)
J0318CN25
REAR BLOW STATION SIDE BLOW
REAR BLOW STATION
FRONT BLOW STATION
YV051
FORNT BLOW STATION SIDE BLOW
T01000B1
T01000B2
YV056
F SIDE BLOW
R SIDE BLOW
CN27ANC-1
CN27
J0363
CAMERA STAND
CAM FM
J0362
CAMERA STAND
CAM HM
SPEC
STANDARDCAM NON
J0361
J0368
CAMERA STAND
CAM FM
J0367
CAMERA STAND
CAM HM
SPEC
STANDARDCAM NON
J0366
F CAM DI
R CAM DI
J0319
SQ127
SQ128
SQ125
SQ126
SQ123
SQ124
SQ122
SQ121
SQ111
SQ112
SQ113
SQ114
ACTIVE
READY
START
STOP
ERCLR
RESET
F2 SEL SW
R2 SEL SW
F1 SEL SW
R1 SEL SW
HM HEAD REAR CAMERA(Option)
FM HEAD REAR CAMERA(Option)
HM HEAD FRONT CAMERA(Option)
FM HEAD FRONT CAMERA(Option)
FRONT BLOW NOZZLE
N01004B6
F BLOW POW
F BLOW
SQ191A
SQ191B
REAR BLOW NOZZLE
N01004B7
R BLOW POW
R BLOW
SQ192A
SQ192B
See Page 14
See Page 15
See Page 15
See Page 14
See Page 7
F1/R1 LOCK
I/O CONVEYOR -3-
See Page 12
CC.V0
11
I/O CONVEYOR -2-
YSM20R-2

Confidential & Proprietary
PAGE
Y SAFE
HA EMG
I/O CONVEYOR BOARD ASSY P021
CN28ANC-2
CALIBJ0916 J0917CALIB CALIB CN1
CN1
CALIB.ST.ASSY.
CALIB.BOARD ASSY
P151
J0915
CALIBJ0919 J0920CALIB CALIB CN1
CN1
CALIB.ST.ASSY.
CALIB.BOARD ASSY
P152
J0918
R CAL.CMN
CN29ANC-3
CONTROL BOX -3-
F CAL.CMN
DIP ST
DIP ST
DIP.ST.ASSY.
DIP.ST.ASSY.
A51
A52
J0953
J0956
F DIP ST
R DIP ST
FRONT DIP.ST.ASSY(SPECIAL)
REAR DIP.ST.ASSY(SPECIAL)
DIP
DIP
EMG6 CN31
CN32EMG7
CN33EMG5
AMF CN34
CN34
AMF2
T01000D5
T01000D6
AMF1
CN37EMG4
EMG3 CN36
EMG2 CN35
REAR EMG SW
SB32
REAR2 SIDE
EMG DI:N01004F3
FRONT EMG SW
SB31
FRONT2 SIDE
EMG DI:N01004F2
CN30ANC-4
DIP DO
I/O CONVEYOR -4-
FRONT1 SIDE
REAR1 SIDE
ION.FLOW
R DUMP
REAR DUMP BOX
F DUMP
FRONT DUMP BOX
CN28 J0320
J0321
SIDE LIGHT
CN29
J0951CN30
CV C/R
REMOTE IF
CONVERTER
SERVO
HB EMG
CN33 J0252
J0251CN31
J0354
FDR EMG
R1 COVER
F1 COVER
SQ101
CN6 FDR DO
EMG DI:N01004F4
EMG DI:N01004F5
CN35
J0253CN35
N01004C5
N01004C6
J0351
J0281
J0283
FRONT2 COVER SW
REAR2 COVER SW
REAR1 COVER SW
FRONT1 COVER SW
SQ102
SQ103
SQ104
SQ196
SQ197
I/O CONVEYOR -1-
I/O D
I/O A
J0911
J0912
J0952
CN45
I/O CONVEYOR -1-
CONTROL BOX -2-
CONVEYOR C/R
CONTROL BOX -3-
CONTROL BOX -1-
HEAD B
HEAD A
J0254
FDR EMG
F1/F2/R1/R2
FIX70 FEEDER Spec.
J0269
FDR EMG
FES32/ATS Spec.
FES32,ATS
FEEDER HOLDER
J0272
J0271
J0282
J0284
R EMG SW
F EMG SW
R2 COVER
F2 COVER
F CAL.PWR
R CAL.PWR
REAR CALIB.ST.ASSY(Option)
FRONT CALIB.ST.ASSY(Option)
F1 COVER2
R1 COVER2
F2 COVER2
R2 COVER2
FDR EMG
See Page 22-25
See Page 10
See Page 8,9
See Page 7
See Page 4,5
See Page 18
See Page 17
See Page 13
See Page 6
See Page 7
See Page 10
J0318I/O CONVEYOR -2-
CN25
LOCK DO:T01000C0
LOCK DO:T01000B6
LOCK DO:T01000B0
LOCK DO:T01000A7
LOCK DI:N01004D2
LOCK DI:N01004D1
LOCK DI:N01004A7
LOCK DI:N01004A6
REAR2 SIDE
FRONT2 SIDE
FRONT1 SIDE
REAR1 SIDE
SQ106
SQ107
SQ108
SQ109
COVER LOCK SW
FRONT1
FRONT2
COVER LOCK SW
REAR1
COVER LOCK SW
REAR2
COVER LOCK SW
J0286
J0287
J0288
J0289
F1 LOCK
F2 LOCK
R1 LOCK
R2 LOCK
COVER3 DI
COVER3 DI
COVER3 DI
COVER3 DI
See Page 11
sATS30NE Only(Option)
CC.V0
12
I/O CONVEYOR -3-
YSM20R-2

Confidential & Proprietary
PAGE
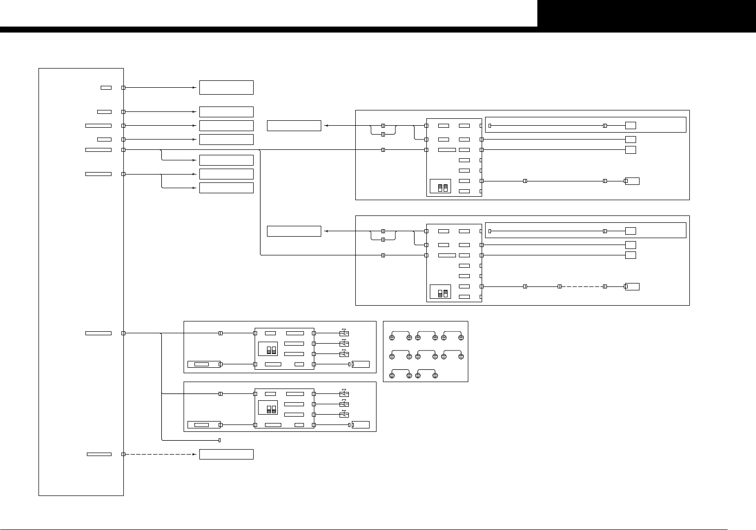
F-ANC+24V
CN42 J0059
C/R FAN DC24V
CONTROL BOX -1-
HEAD A
HEAD B
CONTROL BOX -1-
CONTROL BOX -2-
CONVEYOR C/R
HEAD A DC24V
J0057CN43
+24V45,+24V46 CN43
HEAD B DC24V
CN38
CN38EMG1
+24V43,+24V44 CN42
SRV BK+24V
J0321
+24V39
CN39
CN39
CAMERA DC24V
J0322
+24V40,+24V41
CN40
CN40
CV C/R DC24V
J0056
CN41
CN41
+24V42
I/O CONVEYOR BOARD ASSY P021
CN19
DC24V INCN19
J0392
I/O F-ANC
I/O F-ANC
CONTROL BOX -3- J0109
I/O A
CN1
CN11DI08
ANC CTRL BOARD ASSY P160
CN1 COM1
J0376
SQ165
CN11
F NZL AMP
N0100954
PUSH UP PIN NOZZLE DETECTJ0391
PUSH UP PIN NOZZLE(Option)
FRONT ANC UNIT(Option)
DI00 CN3 SQ161
CN3 OP
N0100950
NOZZLE STATION OPEN
DI01 CN4 SQ162
CN4 CL
N0100951
NOZZLE STATION CLOSE
DI02 CN5
DI03 CN6
DO00 CN17
CN17 J0398
YV041
ANC OP
J0394
ANC OP
T0100280
NOZZLE STATION OPEN
CN18DO01
CN2
COM2CN2
J0110
I/O R-ANC
I/O R-ANC
CONTROL BOX -3-
I/O A
ANC CTRL BOARD ASSY P161
CN1
CN11DI08CN1 COM1
CN11 J0377
SQ170
R NZL AMP
N0100A54
PUSH UP PIN NOZZLE DETECTJ0396
PUSH UP PIN NOZZLE(Option)
REAR ANC UNIT(Option)
CN3 OP
DI00 CN3 SQ166
N0100A50
NOZZLE STATION OPEN
R-ANC+24V
CN19
DC24V INCN19
J0397 CN4 CL
DI01 CN4 SQ167
NOZZLE STATION CLOSE
N0100A51
CN2
COM2CN2
DI02 CN5
DI03 CN6
DO00 CN17 YV041
NOZZLE STATION OPEN
T0100300
CN17 J0398
ANC OP
J0399 J0395
(Only for SL CONV.)
ANC OP ANC OP
CN18DO01
21
ON
OFF
DIP SW(SW1)
21
ON
OFF
DIP SW(SW1)
SP+24V
FDR ST BOARD ASSY P143
REAR FEEDER SET STATION(Option)
P142
PITCH LED BOARD ASSY
J1006J1002 CN2CN1
LED IN CN1 FDR CN6 FEEDERLED OUTCN2
SB43
J1005CN5 PITCH SET SW
PITCH SET CN5
SB42
J1004CN4 PITCH DOWN SW
PITCH DWN CN4
OFF
ON
1 2
DIP SW(S1)
SB41
J1003J1001 CN3CN1
F FDR ST
PITCH UP SW
PITCH UP+24V CN3CN1
FDR ST BOARD ASSY P141
FRONT FEEDER SET STATION(Option)
CN44 J0058
+24V47,+24V48 CN44
J0688J0687
REAR ATS I/FFRONT ATS I/F
REAR CENTER2REAR CENTER1
J0686J0685J0684
REAR LEFT
FRONT CENTER2FRONT CENTER1
J0683J0682J0681
FRONT RIGHT
COVER EARTH
J1013J1011 CN3CN1
R FDR ST
PITCH UP SW
OFF
ON
1 2
PITCH UP+24V CN3
DIP SW(S1)
CN1
J1014CN4 PITCH DOWN SW
PITCH DWN CN4
SB48
J1015CN5 PITCH SET SW
PITCH SET CN5
SB47
SB46
P144
J1016J1012
PITCH LED BOARD ASSY
CN2CN1
LED IN CN1 FDR CN6 FEEDERLED OUTCN2
I/O CONVEYOR -3-
R DIP ST
F DIP STJ0952CN45
DI30,31,DO14 CN45
See Page 12
See Page 7
See Page 7
SAFETY UNIT(Standard)
KM10,KM11,KM12
See Page 16
See Page 4,5
See Page 6
See Page 8,9
See Page 4,5
See Page 17
See Page 18
CC.V0
13
I/O CONVEYOR -4-
YSM20R-2