SP-023-001e - 第12页
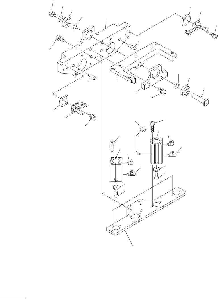
G-S1 18-09 0509-001 10 プロフローユニット Pro Flow Unit Fig. PF-2 プレッシャー部 Pressure Section P-S1 18-09 G-S1 18-09 122 103 120 108 1 19 106 121 103 122 107 1 19 108 105 101 1 15 1 17 104 157 104 157 1 15 1 16 1 16 151 152 153 162 .…

Key No. PART No. PART NAME Q’ty REMARKS
NOTE
G-S118-08
0509-001
9
1 630 104 8215 BLOCK 1
2 630 115 2271 BLOCK 1
3 630 097 3105 PLATE 1
4 630 097 3112 BLOCK 1
5 630 097 3129 PLATE 2
6 630 115 2257 SHAFT 2
7 630 097 3143 BLOCK 1
8 630 118 0823 COVER 1
9 630 096 1140 BRACKET 2
10 630 115 2264 SHAFT 2
11 630 096 1232 PLATE 2
12 630 094 8424 PLATE 4
13 630 094 8431 PLATE 4
14 630 108 9263 MECH PARTS 4
15 630 104 8246 SPRING 2 UF5-15
51 630 000 7503 BOLT,HEX-SCT 4 M3X6
52 630 000 7527 BOLT,HEX-SCT 14 M3X10
53 411 140 7208 SCR FLT 4X6 6 M4X6 FLT
56 411 141 2806 WASHER SPR 3 14 SW3
57 411 141 3902 WASHER V 3X7X0.5 14 FW3
PF-1

G-S118-09
0509-001
10
プロフローユニット
Pro Flow Unit
Fig. PF-2
プレッシャー部
Pressure Section
P-S118-09 G-S118-09
122
103
120
108
119
106
121
103
122
107
119
108
105
101
115
117
104
157
104
157
115
116
116
151
152
153
162
.
167
.
153
162
.
167
.
154
170
163
.
168
.
156
164
.
169
.
155
164
.
169
.
102
114
11
3

Key No. PART No. PART NAME Q’ty REMARKS
NOTE
G-S118-09
0509-001
11
101 630 116 4892 BLOCK(BAR) 1
102 630 111 0776 BRACKET 1
103 630 107 1503 BLOCK 2
104 630 107 3576 BLOCK 4
105 630 097 3174 STAY 1
106 630 097 3327 PLATE 1
107 630 088 0243 SHAFT 1
108 630 088 0250 PLATE 2
113 630 107 3927 CYLINDER 3
114 630 117 1517 CYLINDER 1 BPS067
115 630 003 5124 AIR LINE EQPT 4
116 630 080 5420 PIPE FITTINGS 4
117 630 088 7358 CORD 1
119 630 001 1425 BEARING,RADIAL 2 6000ZZNR
120 630 116 5165 PIN,LOCATE 1
121 630 116 5172 PIN,LOCATE 1
122 630 097 7967 CLAMP 2
151 630 074 4644 BOLT,HEX-SCT 6 M3X45
152 630 091 5419 BOLT,HEX-SCT 2 M3X50
153 630 000 7633 BOLT,HEX-SCT 8 M4X12
154 630 000 7732 BOLT,HEX-SCT 1 M5X8
155 630 000 7893 BOLT,HEX-SCT 2 M6X20
156 630 000 7909 BOLT,HEX-SCT 4 M6X25
157 411 140 7208 SCR FLT 4X6 4 M4X6 FLT
162 411 141 2905 WASHER SPR 4 8 SW4
163 411 141 6705 WASHER SPR 5 1 SW5
164 411 141 3001 WASHER SPR 6 6 SW6
167 411 141 4008 WASHER V 4X9X0.8 8 FW4
168 411 141 4107 WASHER V 5X10X1 1 FW5
169 411 141 4305 WASHER V 6X12.5X1.6 6 FW6
170 630 001 0220 WASHER 1 BW5
PF-2