ZHX-R20B-IN说明书201610-21新款 - 第104页
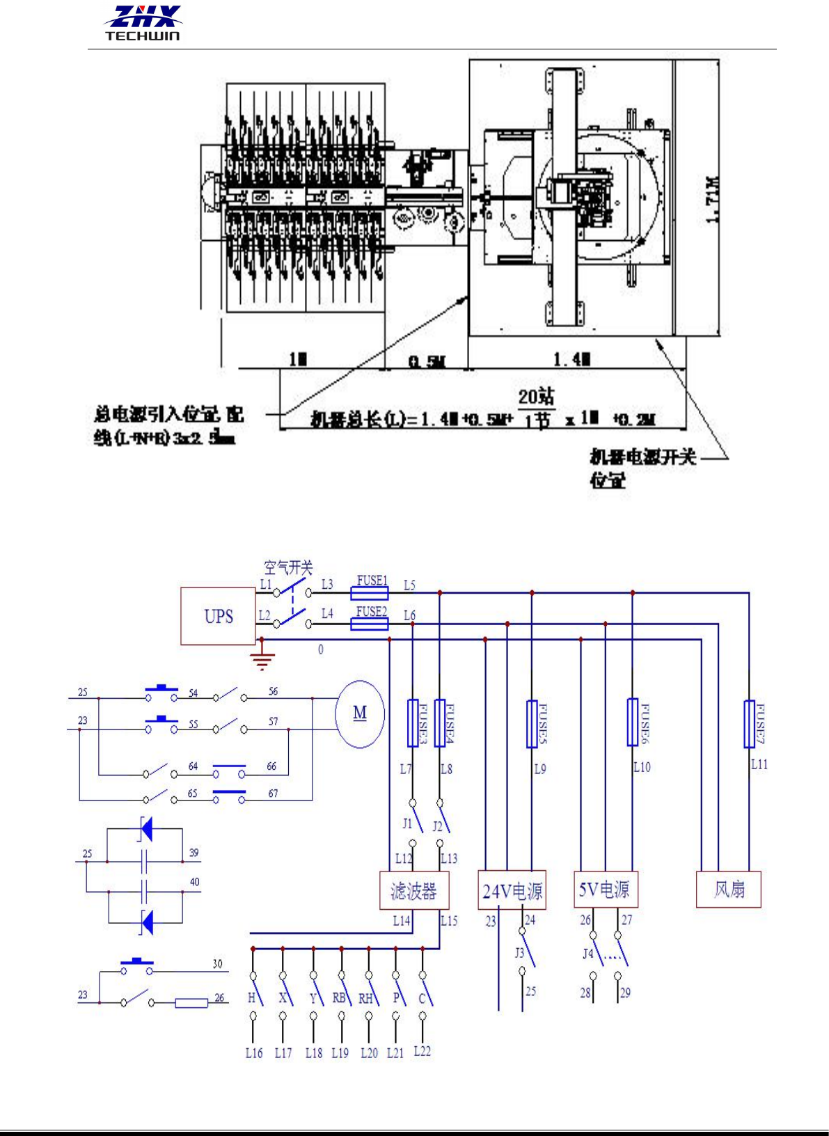
ZHX-R20B/-IN 自动上下板立式插件机操作说明书 深圳市中禾旭精密机械有限公司 www.zhxai.com - 102 - L20-立式 机电气控制示意图

ZHX-R20B/-IN 自动上下板立式插件机操作说明书
深圳市中禾旭精密机械有限公司 www.zhxai.com
- 101 -
2、电气控制接线总图:

ZHX-R20B/-IN 自动上下板立式插件机操作说明书
深圳市中禾旭精密机械有限公司 www.zhxai.com
- 102 -
L20-立式机电气控制示意图

ZHX-R20B/-IN 自动上下板立式插件机操作说明书
深圳市中禾旭精密机械有限公司 www.zhxai.com
- 103 -
3、计算机控制示意图: