ZHX-R20B-IN说明书201610-21新款 - 第57页
ZHX-R20B/-IN 自动上下板立式插件机操作说明书 深圳市中禾旭精密机械有限公司 www.zhxai.com - 55 - 剪脚头零件 清单 3.5/7.5 mm 序号 中文名称 编号 数量 单位 备注 1 调节座 LS1D-07029 1 个 2 英制螺丝 LS1D-04027 16 个 3 弹簧 LWGY-00087 1 个 4 剪脚切刀 2 LS75-02026 2 个 (长脚刀) 5 剪脚弯刀 1 LS75-02029 1…

ZHX-R20B/-IN 自动上下板立式插件机操作说明书
深圳市中禾旭精密机械有限公司 www.zhxai.com
- 54 -

ZHX-R20B/-IN 自动上下板立式插件机操作说明书
深圳市中禾旭精密机械有限公司 www.zhxai.com
- 55 -
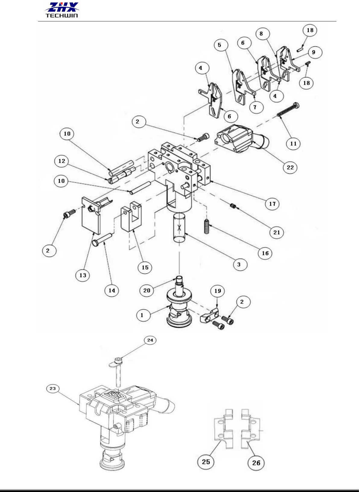
剪脚头零件清单 3.5/7.5 mm
序号
中文名称
编号
数量
单位
备注
1
调节座
LS1D-07029
1
个
2
英制螺丝
LS1D-04027
16
个
3
弹簧
LWGY-00087
1
个
4
剪脚切刀 2
LS75-02026
2
个
(长脚刀)
5
剪脚弯刀 1
LS75-02029
1
个
(长脚刀)
6
剪脚弯刀 2
LS75-02024
2
个
(长脚刀)
7
剪脚切刀 1
LS75-02027
1
个
(长脚刀)
8
3.5 剪脚弯刀 3
LS35-15008
1
个
3.5mm 使用
7.5 剪脚弯刀 3
LS75-02025
1
个
7.5mm 使用
9
3.5 剪脚切刀 3
LS35-15007
1
个
3.5mm 使用
7.5 剪脚切刀 3
LS75-02028
1
个
7.5mm 使用
10
销
LS1D-07033
3
个
11
底座漏斗螺丝
LS1D-07039
2
个
12
检测杆
LS1D-07034
2
个
13
线脚漏槽
LS1D-07036
1
个
14
Pin(剪脚器用)
LS1D-07026
1
个
15
剪脚头小滑块 5
LS75-02030
1
个
3.5mm 使用
16
弹簧螺丝
LS1D-07032
2
个
17
剪脚头本体
LS75-02031
1
个
3.5mm 使用
18
空心销 1.5mm
WJ-11509
2
个
19
连杆固定块
LS1D-07030
1
个
20
调节座连杆
LS1D-07028
1
个
21
帯胶机米螺丝
LS1D-07040
4
个
22
底座漏斗
LS1D-07027
1
个
23
剪脚头盖
LS75-02032
1
个
3.5mm 使用
剪脚头盖
LS75-02032
2
个
7.5 mm 使用
24
杯头螺丝 M4*35
WJ-10149
4
个
25
3.5 剪脚头刀盖
LS35-15009
1
个
3.5mm 专用
26

ZHX-R20B/-IN 自动上下板立式插件机操作说明书
深圳市中禾旭精密机械有限公司 www.zhxai.com
- 56 -
工作台零件清单 1
序号
中文名称
编号
数量
单位
1
导轨座 1
LS1D-03001
2
个
2
XY 轴丝杆
LWGY-00082
1
条