SM411 Technical Reference_Ver2 - 第100页
Page SAMSUNG TECHWIN 100 SM411 S te p Mot or In te rf ace ( Con ve yor B elt ) 4 2 3 1 B/ B A/ A 4 2 3 1 B/ B A/ A 4 2 3 1 4 2 3 1 B/ B A/ A 4 2 3 1 B/ B A/ A 4 2 3 1 2 1 2 1 2 1 4 2 3 1 4 2 3 1 2 1 CN1 CN2 DC POWER #1 B…

Page
SAMSUNG TECHWIN
99
SM411
Step Motor Interface (R1-2, R3-4, R5-6)
CN3
1
7
2
8
1
7
2
8
X7043N
#1 B/D
1POUT+
1POUT-
1PDIR+
1PDIR-
S M33_V M011(S M33_VM012)
R AXIS
STEPPING
DRIVER
6
5
4 4
2
3
1
2
3
1
MOT1
5 5
R-B
R-A
R-C
R-D
S M33_MD017(S M33_MD018)
R12 STEP MOTOR
2
1
4
3
5
1
3
2
4
9
3
4
10
9
3
4
10
3
5
4
2
1
R34 STEP MOTOR
4
2
3
1
5
24G
S M33_S C 011
11
5
6
12
11
5
6
12
+24VM
1
1
2
2
POWER
4
5
3
2
1
R56 STEP MOTOR
2
4
3
1
S M33_MD026
FLAT
CABLE
6
5
2
1
4
3
SIG1
SIG2
SIG3
1
2
CN10(CN11)
SAFETY CONTROL
& DC POWER B/D
MOT2
MOT3
R-E
5
R-B
R-A
R-C
R-D
7
9
8
6
R-E
10
R-B
R-A
R-C
R-D
12
14
13
11
R-E
15
2
4
3
1
5
7
9
8
6
10
12
14
13
11
15
4
2
3
1
5
4
2
3
1
5
R-B
R-A
R-C
R-D
R-E
4
2
3
1
5
4
2
3
1
5
R-B
R-A
R-C
R-D
R-E
4
2
3
1
5
4
2
3
1
5
R-B
R-A
R-C
R-D
R-E
S M33_MD033
6
5
2
1
4
3
6
5
2
1
4
3
2POUT+
2POUT-
2PDIR+
2PDIR-
6
5
2
1
4
3
6
5
2
1
4
3
3POUT+
3POUT-
3PDIR+
3PDIR-
S M33_MD034
S M33_MD035
(X7043N
#2 B/D)

Page
SAMSUNG TECHWIN
100
SM411
Step Motor Interface (Conveyor Belt)
4
2
3
1
B/
B
A/
A
4
2
3
1
B/
B
A/
A
4
2
3
1
4
2
3
1
B/
B
A/
A
4
2
3
1
B/
B
A/
A
4
2
3
1
2
1
2
1
2
1
4
2
3
1
4
2
3
1
2
1
CN1
CN2
DC POWER
#1 B/D
24G
24V
S M33_P W 028
S M33-C S 028-1
S M33-C S 028-2
S M33-C S 028-3
S M33-C S 028-4
S M33-C S 028-5
S M33-C S 028-6
S M33-C S 028-7
S M33-C S 028-8
BS1-1 STEP MOTOR
S M33_C S 020
BS1-2 STEP MOTOR
S M33_C S 021
CN2
CN3
BS12 STEP DRIVER
1
2
3
6
4
8
9
7
CN4
1
2
3
5
4
8
7
6
1POUT+
1POUT-
1PDIR-
2POUT+
2PDIR+
2PDIR-
2POUT-
1PDIR+
5
13
6
7
14
16
8
15
10
5
5
13
6
7
14
16
8
15
4
2
3
1
B/
B
A/
A
4
2
3
1
B/
B
A/
A
4
2
3
1
4
2
3
1
B/
B
A/
A
4
2
3
1
B/
B
A/
A
4
2
3
1
2
1
2
1
2
1
4
2
3
1
4
2
3
1
2
1
CN1
CN3
DC POWER
#1 B/D
24G
24V
S M33_P W 028
BW1-1 STEP MOTOR
S M33_C S 022
BW1-2 STEP MOTOR
S M33_C S 023
CN2
CN3
BW12 STEP DRIVER
1
2
3
6
4
8
9
7
CN4
1
2
3
5
4
8
7
6
1POUT+
1POUT-
1PDIR-
2POUT+
2PDIR+
2PDIR-
2POUT-
1PDIR+
1
9
2
3
10
12
4
11
10
5
1
9
2
3
10
12
4
11
CN3
X7043S
#1 B/D
4
2
3
1
B/
B
A/
A
4
2
3
1
B/
B
A/
A
4
2
3
1
4
2
3
1
B/
B
A/
A
4
2
3
1
B/
B
A/
A
4
2
3
1
2
1
2
1
2
1
4
2
3
1
4
2
3
1
2
1
CN1
CN4
DC POWER
#1 B/D
24G
24V
S M33_P W 028
BS2-1 STEP MOTOR
S M33_C S 024
BS2-2 STEP MOTOR
S M33_C S 025
CN2
CN3
BS34 STEP DRIVER
1
2
3
6
4
8
9
7
CN4
1
2
3
5
4
8
7
6
1POUT+
1POUT-
1PDIR-
2POUT+
2PDIR+
2PDIR-
2POUT-
1PDIR+
5
13
6
7
14
16
8
15
10
5
5
13
6
7
14
16
8
15
4
2
3
1
B/
B
A/
A
4
2
3
1
B/
B
A/
A
4
2
3
1
4
2
3
1
B/
B
A/
A
4
2
3
1
B/
B
A/
A
4
2
3
1
2
1
2
1
2
1
4
2
3
1
4
2
3
1
2
1
CN1
CN5
DC POWER
#1 B/D
24G
24V
S M33_P W 028
BW2-1 STEP MOTOR
S M33_C S 026
BW2-2 STEP MOTOR
S M33_C S 027
CN2
CN3
BW34 STEP DRIVER
1
2
3
6
4
8
9
7
CN4
1
2
3
5
4
8
7
6
1POUT+
1POUT-
1PDIR-
2POUT+
2PDIR+
2PDIR-
2POUT-
1PDIR+
1
9
2
3
10
12
4
11
10
5
1
9
2
3
10
12
4
11
CN3
X7043S
#2 B/D
S M33_VM017
S M33_VM018

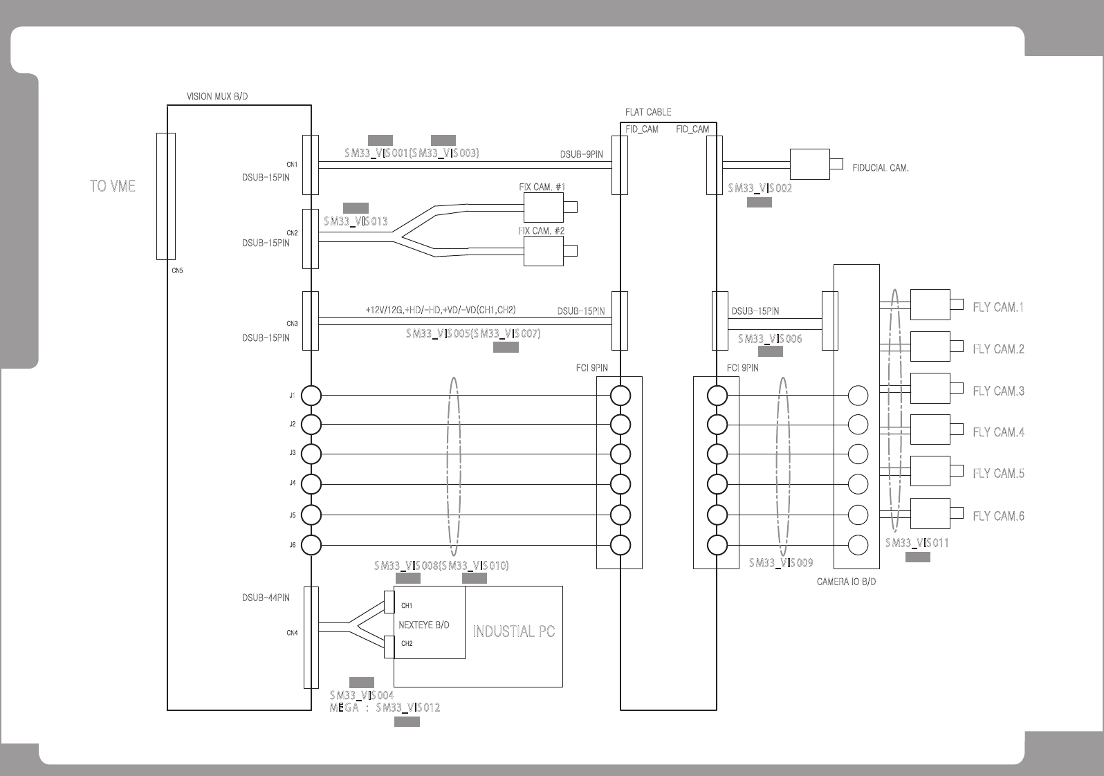
Page
SAMSUNG TECHWIN
101
SM411
Vision Board Interface
CN5
CN2
CN1
CN3
J1
CN4
J2
J3
J4
J5
J6
CH1
CH2
DSUB-15PIN
DSUB-15PIN
DSUB-15PIN
DSUB-44PIN
FCI 9PINFCI 9PIN
DSUB-15PIN DSUB-15PIN
+12V/12G,+HD/-HD,+VD/-VD(CH1,CH2)
S M33_V IS 013
S M33_V IS 001(S M33_VIS 003)
DSUB-9PIN
FID_CAMFID_CAM
S M33_V IS 005(S M33_VIS 007)
S M33_V IS 002
S M33_V IS 008(S M33_VIS 010)
S M33_V IS 009
S M33_V IS 006
S M33_V IS 004
S M33_V IS 011
NEXTEYE B/D
ME G A : S M33_V IS 012
VISION MUX B/D
TO VME
FIX CAM. #1
FIDUCIAL CAM.
INDUSTIAL PC
FLAT CABLE
CAMERA IO B/D
FLY CAM.1
FLY CAM.2
FLY CAM.3
FLY CAM.4
FLY CAM.5
FLY CAM.6
FIX CAM. #2