SM411 Technical Reference_Ver2 - 第103页
Page SAMSUNG TECHWIN 103 SM411 S af et y C on tro l Bo ard I nte rf ace ( 1/3 ) MOLEX CN2P CN2S +24V 24G 24G +24V 4 3 1 2 4 3 1 2 DC POWER SUPPLY#1 MOLEX +24V 24G 4 4 4 4 MOLEX 14PIN CN3 2 2 3 3 MC1 +24V 1 1 READY LP +24…

Page
SAMSUNG TECHWIN
102
SM411
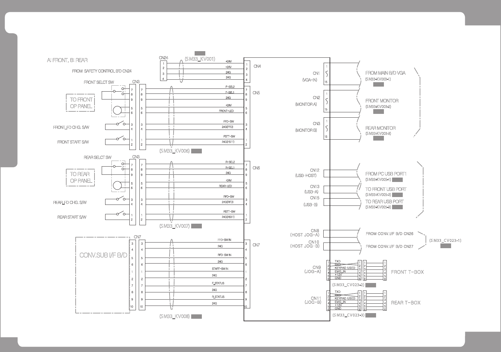
KVMS Board Interface
+24V
1
2
3
4
+24V
24G
24G
FROM SAFETY CONTROL B'D CN24
CN4
24G
F-SEL1
F-SEL2
CN5
FRONT-LED
+24V
A: FRONT, B: REAR
24G(FFD)
15
1
FRONT MONITOR
CN1
REAR MONITOR
15
1
FROM MAIN B/D VGA
15
1
TO FRONT USB PORT
FRONT SELCT SW
FFD-SW
(VGA-IN)
CN2
(MONITOR A)
CN3
(MONITOR B)
CN12
(USB-HOST)
CN13
(USB-A)
CN15
(USB-B)
TO REAR USB PORT
FROM PC USB PORT1
FRONT_FD CHG. S/W
FRONT START S/W
24G(FSTT)
FSTT-SW
TO FRONT
OP PANEL
FFD-SW IN
CN7
5
3
RFD-SW IN
START-SW IN
1
CONV.SUB I/F B/D
(SM33-KV003-1)
(SM33_KV001)
1
2
3
4
4
6
2
24G
24G
24G
CN24
1
2
3
4
5
6
7
8
9
(SM33_KV006)
CN3
8
2
1
4
3
5
6
9
7
88
22
REAR START S/W
OP PANEL
TO REAR
1 1
4
3
4
3
55
6 6
9 9
REAR SELCT SW
CN3
7 7
(SM33_KV007)
RFD-SW
24G(RSTT)
RSTT-SW
24G(RFD)
REAR-LED
+24V
24G
R-SEL2
R-SEL1
CN6
REAR_FD CHG. S/W
F_STATUS
24G
R_STATUS
24G
7
8
9
1010
9
1
8
7
2
5
6
4
3
CN7
(SM33_KV008)
8
2
1
4
3
5
6
9
7
8
2
1
4
3
5
6
9
7
5
3
1
4
6
2
7
8
9
10
(SM33-KV003-2)
(SM33-KV003-3)
(SM33-KV005-1)
(SM33-KV005-2)
(SM33-KV005-3)
CN10
(JOG-A)
(JOG-B)
CN11
CN9
(HOST JOG-B)
FROM CONV.I/F B/D CN26
(HOST JOG-A)
CN8
FROM CONV.I/F B/D CN27
(S M33_C V 023-1)
(S M33_C V 023-2)
(S M33_C V 023-3)
(S M33_C V 023-4)
(S M33_C V 023-5)
KEYPAD USED
GND
+12V
TXD
RXD
EMG_IN
3
4
6
5
2
1
3
4
6
5
REAR T-BOX
2
1
EMG_IN
KEYPAD USED
4
6
5
GND
+12V
1
2
3
TXD
RXD
FRONT T-BOX
6
5
4
3
2
1
6
5
4
3
2
1
6
1
4
3
2
5
6
3
2
1
6
5
4
3
2
1
4
5

Page
SAMSUNG TECHWIN
103
SM411
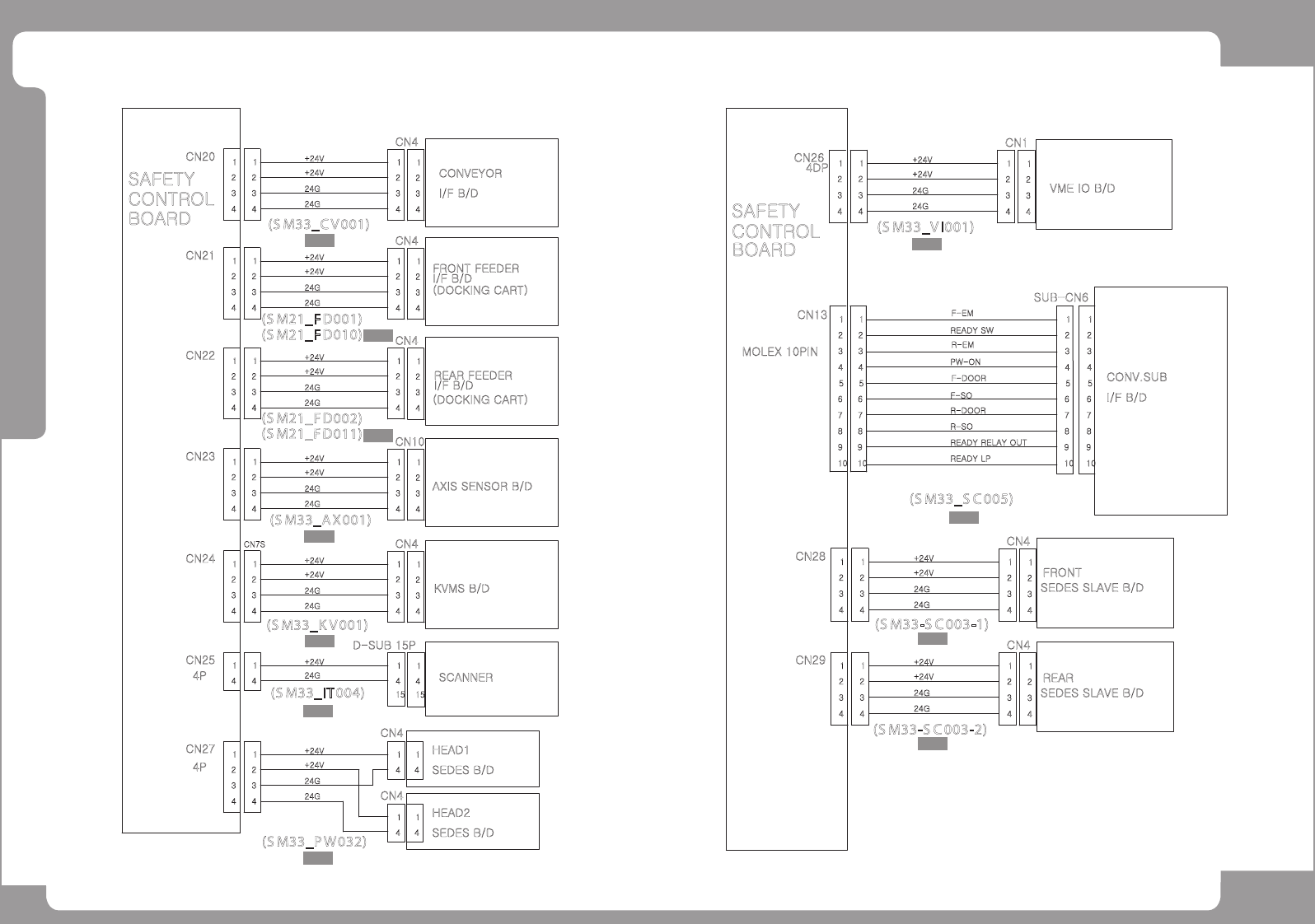
Safety Control Board Interface (1/3)
MOLEX
CN2P
CN2S
+24V
24G
24G
+24V
4
3
1
2
4
3
1
2
DC POWER SUPPLY#1
MOLEX
+24V
24G
4
4
4 4
MOLEX 14PIN
CN3
2 2
33
MC1
+24V
11
READY LP
+24V
FRONT OP PANEL
2
2
3
3
1
1
5
5
6
READY SW
5
66
5
6
24G
FEM SW
24G
10
9
10
9
10
9
REM1
+24V
88
7 7
8
7
24G
FDOOR SW
13
1414
13
14
13
FD1
RD1
1212
11 11
12
11
7
8
9
10
11
12
13
14
FRONT READY SWITCH
FRONT EM SWITCH
FRONT DOOR SWITCH
CN1
14
13
24G
RDOOR SW
14
13
14
13
9
10
11
12
TF1
RD1
12
11
12
11
REM SW
24G
10
9
10
9
REAR DOOR SWITCH
CN4
SAFETY
CONTROL
BOARD
+24V
4
3
5
6
7
8
FD1
REM1
8
7
8
7
MC1
24G
READY SW
5 5
66
4
3
4
3
5
6
4
3
REAR EM SWITCH
REAR READY SWITCH
2
+24V
READY LP
22
1 1
2
1
CN1
1
REAR OP PANEL
(S M33_P W 027)
(S M33_S C 001)
(S M33_S C 002)
MOLEX
CN1P
CN1S
+24V
24G
24G
+24V
4
3
1
2
4
3
1
2
DC POWER SUPPLY#2
MOLEX
+24V
24G
(S M33_P W 027)
MOLEX 14PIN
14
13
12
11
10
9
8
7
SAFETY
CONTROL
BOARD

Page
SAMSUNG TECHWIN
104
SM411
Safety Control Board Interface (2/3)
+24V
11
4 4
CN25
4 4
CN24
3
2
3
2
CN7S
1 1
4 4
3
2
3
2
SCANNER
KVMS B/D
AXIS SENSOR B/D
24G
+24V
24G
1
1
4
4
D-SUB 15P
4
4
+24V
+24V
24G
24G
24G
3
2
1
CN4
3
2
1
4
3
2
4
3
2
44
4 4
CN23
1 1
CN22
2 2
3 3
1 1
2 2
4 4
3 3
CN21
1 1
CN20
22
3 3
1 1
4
4
REAR FEEDER
I/F B/D
FRONT FEEDER
I/F B/D
CN4
24G
+24V
+24V
+24V
24G
4
4
CN10
1
1
3
2
1
3
2
1
24G
24G
+24V
+24V
2
2
4
3
4
3
CN4
1
1
CONVEYOR
I/F B/D
24G
24G
+24V
+24V
CN4
2
3
1
2
3
1
9 9
1010
7 7
88
5
66
5
CN13
MOLEX 10PIN
3
44
3
1
22
1
F-DOOR
READY RELAY OUT
READY LP
R-DOOR
R-SO
F-SO
99
10 10
7
8
6
5
7
8
6
5
F-EM
READY SW
PW-ON
R-EM
4
3
2
1
4
3
2
1
SUB-CN6
CONV.SUB
I/F B/D
4
4
4 4
+24V
+24V
BOARD
CN26
4DP
SAFETY
CONTROL
2 2
33
11
24G
24G
CN1
2
2
3
3
1
1
VME IO B/D
(S M33_C V001)
(S M21_F D001)
(
S
M
2
1
_
F
D
0
0
2
)
(S M33_AX001)
(S M33_K V 001)
(S M33_IT004)
(S M33_VI001)
(S M33_S C 005)
(S M21_F D010)
(
S
M
2
1
_
F D
0
1
1
)
(DOCKING CART)
(DOCKING CART)
CN4
CN29
(S M33-S C 003-2)
+24V
24G
24G
+24V
4 4
2
3
2
3
1 1
4
2
3
1
CN28
(S M33-S C 003-1)
24G
+24V
+24V
24G
4 4
2
3
2
3
1 1
4
2
3
CN4
1
SEDES SLAVE B/D
4
REAR
2
3
1
4
2
3
1
SEDES SLAVE B/D
FRONT
CN27
(S M33_P W 032)
+24V
24G
24G
+24V
4 4
2
3
2
3
1 1
HEAD1
SEDES B/D
4P
15
15
4
1
4
1
CN4
4
CN4
1
4
HEAD2
SEDES B/D
1
4P
BOARD
SAFETY
CONTROL