SM411 Technical Reference_Ver2 - 第106页
Page SAMSUNG TECHWIN 106 SM411 E le ct ric C irc ui t Dia gr am (1 /6) 3 1 2 4 5 6 (a) (a) (a) (b) (b) (b) G R A P H I C S Y M B O L -EMS/W -MC -RY COIL PART SWITCHING PART RELAY SWITCHING PART MAGNETIC CONTACT MAGNET CO…

Page
SAMSUNG TECHWIN
105
SM411
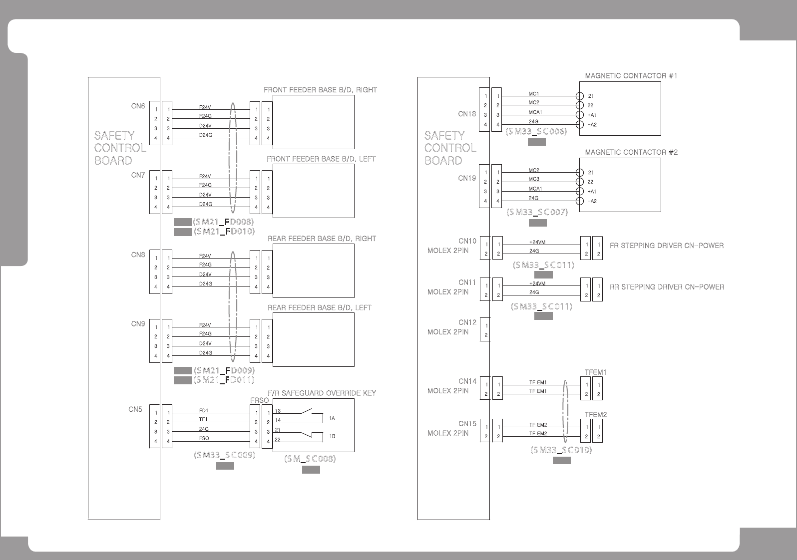
Safety Control Board Interface (3/3)
SAFETY
CONTROL
BOARD
SAFETY
CONTROL
BOARD
-A2
4 4
CN18
2 2
33
24G
MCA1
11
MC2
MC1
22
+A1
21
4
CN6
3
2
1
CN5
F/R SAFEGUARD OVERRIDE KEY
3
2
4
1
24G
FSO
3
44
3
4
3
FD1
TF1
1
22
1
2
1
FRSO
22
21
1B
14
13
1A
MAGNETIC CONTACTOR #1
-A2
+A1
22
21
MCA1
MAGNETIC CONTACTOR #2
CN19
1
2
3
4
MC2
4
3
24G
2
1
MC3
1
2
1
MOLEX 2PIN
2 2
1
24G
+24VM
1
2
CN11
RR STEPPING DRIVER CN-POWER
TF EM1
TF EM1
TFEM1
CN14
MOLEX 2PIN
2
1
1
22
1
2
1
1
2
1
2 2
1
1
2
MOLEX 2PIN
CN15
TFEM2
TF EM2
TF EM2
(S M33_S C 009)
(S M_S C 008)
(S M33_S C 006)
(S M33_S C 007)
(S M33_S C 011)
(S M33_S C 010)
1
2
1
MOLEX 2PIN
2 2
1
24G
+24VM
1
2
CN10
FR STEPPING DRIVER CN-POWER
(S M33_S C 011)
1
MOLEX 2PIN
2
CN12
FRONT FEEDER BASE B/D, RIGHT
3
2
4
1
D24V
D24G
3
4
4
3
F24V
F24G
1
2
2
1
4
CN7
3
2
1
FRONT FEEDER BASE B/D, LEFT
3
2
4
1
D24V
D24G
3
4
4
3
F24V
F24G
1
2
2
1
(S M21_F D008)
4
CN8
3
2
1
REAR FEEDER BASE B/D, RIGHT
3
2
4
1
D24V
D24G
3
4
4
3
F24V
F24G
1
2
2
1
4
CN9
3
2
1
REAR FEEDER BASE B/D, LEFT
3
2
4
1
D24V
D24G
3
4
4
3
F24V
F24G
1
2
2
1
(S M21_F D009)
(S M21_F D010)
(S M21_F D011)

Page
SAMSUNG TECHWIN
106
SM411
Electric Circuit Diagram (1/6)
31 2
4 5 6
(a)
(a)
(a)
(b)
(b)
(b)
G R A P HIC S YMB OL
-EMS/W
-MC
-RY
COIL PART
SWITCHING PART
RELAY
SWITCHING PART
MAGNETIC CONTACT
MAGNET CONTACT
RELAY
COIL PART
SWITCH LAMP
3 PHASE MOTOR
-M
LED TYPE
SWITCH
DOOR INTERLOCK
SWITCH
-DS/W
-LAMP
-NF
ITE M
-MCCB
S Y MB OL
-CP
-SC
S Y M B O L L I S T
G R A P HIC S YMB OL
NOISE FILTER
POWER CONSENT
CIRCUIT BREAKER
CIRCUIT PROTECTOR
EMERGENCY
COOLING FAN
SPARK KILLER (1PH)
-FAN
-SK
(USE FOR AC)
TERMINAL BLOCK
SPARK KILLER (3PH)
-ZM
-TB
G R A P HIC S YMB OLDE S C R IP T ION DE S C R IP T ION
S Y MB OL
ITE M
DE S C R IP T ION
-FUSE
-SD
FUSE
SERVO DRIVER
CONTACT
(THERMAL)
FRAME EARTH
PE
(GENERAL)
CONTACT
(CIRCUIT BREAKER)
(CIRCUIT PROTECTOR)
CONTACT
S Y MB OL
ITE M
DE S C R IP T ION G R A P HIC S YMB OL
S Y MB OL
ITE M
Z2-AXIS DRIVER
3~
M
22
12
21
11
22
12
21
11
VU
tr
W E
L3L1 L2

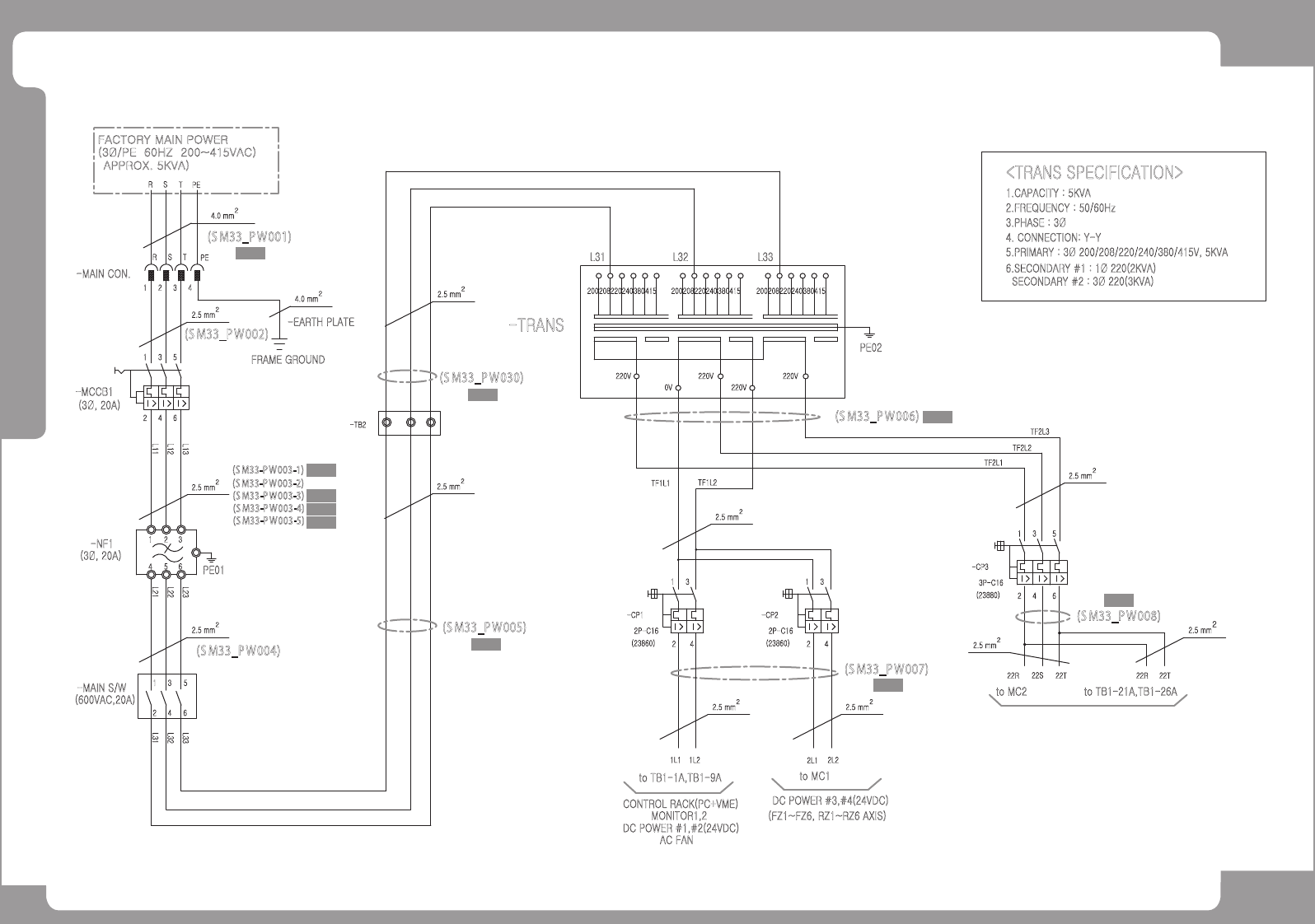
Page
SAMSUNG TECHWIN
107
SM411
Electric Circuit Diagram (2/6)
2 4 6
1 3 5
1
4 5 6
2 3
2
1
2 64
321
1 3 5
4
4
3
2 4
1 3
6
5
2
1
4
3
(S M33_P W 005)
(S M33_P W 004)
2.5 mm
2.5 mm
-MAIN S/W
(600VAC,20A)
L32
L33
L31
-NF1
(3Ø, 20A)
L22
L21
L23
2P-C16
-CP1
(S M33-P W003-1)
(S M33_P W 002)
(S M33_P W 001)
2.5 mm
FACTORY MAIN POWER
4.0 mm
2.5 mm
(3Ø/PE 60HZ 200~415VAC)
-MCCB1
(3Ø, 20A)
L13
L12
L11
-MAIN CON.
TR S
APPROX. 5KVA)
T
SR
-EARTH PLATE
FRAME GROUND
PE
PE
to TB1-1A,TB1-9A
1L1
1L2
22S
22R
(S M33_P W 008)
22T
3P-C16
-CP3
TF2L1
TF2L2
TF2L3
2.5 mm
to MC2
6.SECONDARY #1 : 1Ø 220(2KVA)
SECONDARY #2 : 3Ø 220(3KVA)
2.FREQUENCY : 50/60Hz
1.CAPACITY : 5KVA
3.PHASE : 3Ø
4. CONNECTION: Y-Y
<TRANS SPECIFICATION>
5.PRIMARY : 3Ø 200/208/220/240/380/415V, 5KVA
(23860)
(23880)
DC POWER #3,#4(24VDC)
(FZ1~FZ6, RZ1~RZ6 AXIS)
to MC1
to TB1-21A,TB1-26A
22R 22T
CONTROL RACK(PC+VME)
MONITOR1,2
DC POWER #1,#2(24VDC)
AC FAN
-TB2
(S M33_P W 030)
2.5 mm
TF1L1
4.0 mm
TF1L2
2.5 mm
(S M33_P W 006)
2L1
2L2
2.5 mm
2.5 mm
2.5 mm
(S M33_P W 007)
2P-C16
-CP2
(23860)
2.5 mm
2
2
PE01
2
2
2
2
2
2
2
2
2
2 2
240
-TRANS
220V
208200 220
L31
220V 220V
0V 220V
200220415380 200208
380
240 415
L32
415208220 380240
L33
PE02
(S M33-P W003-2)
(S M33-P W003-3)
(S M33-P W003-4)
(S M33-P W003-5)