SM411 Technical Reference_Ver2 - 第111页
Page SAMSUNG TECHWIN 1 1 1 SM411 E le ct ric C irc ui t Dia gr am (6 /6) E E 13 14 5 9 -A2 +A1 -A2 +A1 13 14 13 14 13 14 24G +24V -FUSE1 -K1 -K1 -MC1 -MC2 -MC1 -READY S/W -K1 -K3 (FRONT) (REAR) -MC2 -K2 -K1 -K3 -K3 (250V…

Page
SAMSUNG TECHWIN
110
SM411
Electric Circuit Diagram (5/6)
32B31B
36B
41B
37B
42B
26B
21B
27B
22B21A
26A
31A
36A
41A
1
3
5
2
4
6
34B
39B
44B
29B
24B
33B
38B
43B
28B
23B
22L1
22L3
22L2
22T
22R
(S M33_P W016)
0.75mm
(S M33-P W 017)
0.75mm
-TB1 (21~40 : 3Ø 220V)
FROM CP3
-MC2
AC220V
22R
22S
22T
(LC1D096BD-20A)
(S M33_P W015)
(S M33-P W 019)
0.75mm
(S M33-P W 018)
0.75mm
DRIVERDRIVER
PE11
U
-M1
3~
M
WV E
3~
-M2
M
U V
PE12
W E
L3
SERVO
r
-SD1
L1
t
SERVO
r t
-SD2
L3L1
DRIVERDRIVER
PE13
U
-M3
3~
M
V W E V
M
3~
-M4
U
PE14
W E
SERVO
r
-SD3
L1
t
SERVO
t
L3
r
-SD4
L2 L3L1
2 2
50W
FS-AXIS
750W
FX-AXIS
50W
RS-AXIS
750W
RX-AXIS
DRIVERDRIVER
PE17
U
-M3
3~
M
V W E V
M
3~
-M4
U
PE18
W E
SERVO
r
-SD7
L2L1
t
SERVO
t
L3
r
-SD8
L2 L3L1
2
1KW
RY1-AXIS
1KW
RY2-AXIS
DRIVERDRIVER
PE15
U
-M3
3~
M
V W E V
M
3~
-M4
U
PE16
W E
SERVO
r
L2L1
t
SERVO
t
L3
r
-SD6
L2 L3L1
2
1KW
FY1-AXIS
1KW
FY2-AXIS
-SD5
L2

Page
SAMSUNG TECHWIN
111
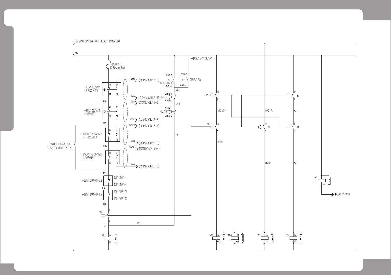
SM411
Electric Circuit Diagram (6/6)
E E
13
14
5
9
-A2
+A1
-A2
+A1
13
14
13
14
13
14
24G
+24V
-FUSE1
-K1
-K1
-MC1
-MC2
-MC1
-READY S/W
-K1
-K3
(FRONT)
(REAR)
-MC2 -K2
-K1
-K3
-K3
(250V,0.5A)
11
7
K3
9
5
K2
12
8
MCEN1
10
6
MCA1
-K4
-K2
NO1A
9
5
NO1B
D24V(STEPPING & FEEDER POWER)
K1
MC2
MC1
CN19-1
CN19-2
CN18-2
CN18-1
CN3-3
CN3-4
CN4-3
CN4-4
22
12
-EM S/W1
21
11
(CONV.CN17-3)
EM1
-EM S/W2
22
12
21
11
EM2
(CONV.CN18-3)
(FRONT)
(REAR)
21
22
11
12
21
11
22
12
-DOOR S/W1
(FRONT)
-DOOR S/W2
(REAR)
DOOR1
(CONV.CN17-4)
DOOR2
24G
(CONV.CN17-5)
(CONV.CN18-4)
24G
(CONV.CN18-5)
24G
(CONV.CN17-6)
24G
(CONV.CN18-6)
READY OUT
REM1
FD1
RD1
TF3
K1
TF2
-EM SPARE1
-EM SPARE2
TF1
-SAFEGUARD
OVERRIDE KEY
K1
DIP SW-1
DIP SW-4
DIP SW-3
DIP SW-2

Page
SAMSUNG TECHWIN
112
SM411
Articles Of Consumption
NO. LEVEL PART NO. PART NAME Q'TY TYPE
Old No. Stock Apply
Reference
A-1 0.1
J90641031A PACKING_BOX_ASSY J90641031A
1
J90641031A
1 ..2 J3601018A FUSE[250V 5A] 2 250V 5A
○
2 ..2 J3601019A FUSE[250V 10A] 2 250V 10A
○
3 ..2 J7055140A STEEL BALL [DIA2, SUS304] 40 DIA2, SUS304
○
4 ..2 J7255021B SILICON TUBE(BLACK 무광) [J7255021B] 12 SA0705-100B J7255076A
○
5 ..2 J7458002A FILTER ELEMENT[LF-M5-60-Z-ELEMENT] 12 LF-M5-60-Z-ELEMENT
○
A-2 0.1
J90551110A NOZZLE_ASSY J90551110A
1
J90551110A
P art L is t