SM411 Technical Reference_Ver2 - 第8页
Page SAMSUNG TECHWIN 8 SM411 F ee de r B as e Ass ’y - DC (4 /4 ) R e f e r e n c e to A i r A s s ' y U2-4-4*2.5 2-J6703034A ASP330F-01-06S J9057180A U2-4-4*2.5 U2-4-4*2.5 J9057168B U2-4-6*4 J9057172B U2-4-4*2.5 FE…

Page
SAMSUNG TECHWIN
7
SM411
Feeder Base Ass’y - DC (3/4)
L
C
1
D
0
9
6
B
D
L
C
1
D
0
9
6
B
D
F
.
R
R
.
L
C
A
N
C
O
N
V
E
Y
O
R
B
O
A
R
D
18
11
10

Page
SAMSUNG TECHWIN
8
SM411
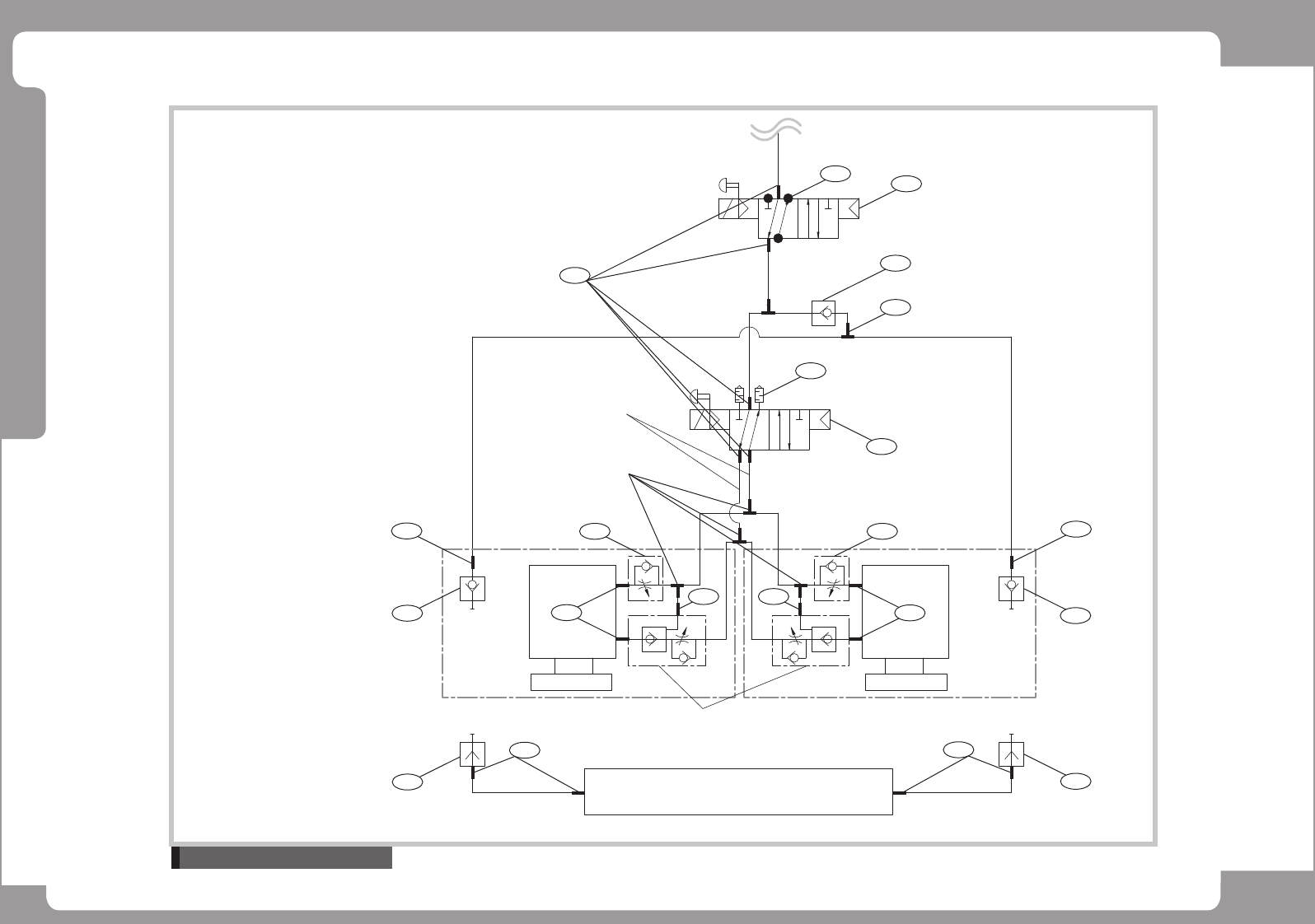
Feeder Base Ass’y - DC (4/4)
R eferenc e to Air As s 'y
U2-4-4*2.5
2-J6703034A
ASP330F-01-06S
J9057180A
U2-4-4*2.5
U2-4-4*2.5
J9057168B
U2-4-6*4
J9057172B
U2-4-4*2.5
FEEDER BASE ASSY (DC)
FEEDER BASE ASSY(FRONT-DC)
FEEDER BASE ASSY(REAR-DC)
Feeder Base (DC)
12
12
2
4
4
8
8
2
2
6
7 7
6
19
1
14
17
15
16
1
SM411 MANIFOLD ASSY
J1300284
KQ2U06-00
4-J6711019A
KQ2U06-00
2

Page
SAMSUNG TECHWIN
9
SM411
Feeder Base Ass’y - DC
NO. LEVEL PART NO. PART NAME Q'TY TYPE
Old No. Stock Apply
Reference
A-1
0.1
J90571011A FEEDER_BASE_ASSY-DC J90571011A
1
J90571011A
X
1
...3
J6702021A SOLENOID VALVE [K180-4E1-21-DC24V]
1
K180-4E1-21-DC24V
○
2
...3
J1301188 FITTING [KQ2L04-M5/PL4-M5M/SQL04-M5]
1
KQ2L04-M5/PL4-M5M/SQL04-M5
○
3
...3
J6711104A STRAIGHT FITTING[KQ2H04-00/PU4]
1
KQ2H04-00/PU4
○
4
...3
J6711256A COUPLER[KD-M5-SA34697KR]
1
KD-M5-SA34697KR
5
....4
J6703033A SPEED CON[AS2201F-01-06S]
1
AS2201F-01-06S
○
6
....4
J6703034A SPEED CON[ASP330F-01-06S]
1
ASP330F-01-06S
○
7
....4
J6711009A ELBOW FITTING [KQ2L06-M5]
1
KQ2L06-M5
○
8
....4
J6711247A ELBOW FITTING[PT18EF]
2
PT18EF
9
...3
J6711001A ELBOW FITTING
1
KQ2L04-M5/PL4-M5M/SQL04-M5
○
10 ...3 J9060339A FEEDER INPUT EXTENSION BOARD[Rev 1.0] 1 REV 1.0 ○
11 ...3 J9060338A FEEDER IO BOARD[Rev 1.1] 1 REV 1.1 ○
12 ...3 J6711257A PLUG[KS-4-M5-SA34698KR] 2 KS-4-M5-SA34698KR ○
13 ...3 J6711245A COUPLING[KD-M5-SA] 56 KD-M5-SA
14 ..2 J6712008A PLUG [PT 1/8] 6 PT 1/8 ○
15 ..2 J6711119A UNION Y FITTING [KQ2U04-06] 2 KQ2U04-06 ○
16 ..2 J6705004A SILENCER [AN101-01] 4 AN101-01 ○
17 ..2 J6703037A CHECK VALVE[AKH06-00] 2 AKH06-00 ○
18 ..2 J6061601000 DOWEL PIN [MS6-10] 8 MS6-10 ○
19 ..2 J1300276 FITTING [KQ2L06-01/PL6-01] 10 KQ2L06-01/PL6-01 J6711007A ○
20
..2
J9083202A FRONT D-CART PWR CABLE ASSY, D-CART[SM21
1
SM21-FD010
○ [9] at 104,105 page
21
..2
J9083203A REAR D-CART PWR CABLE ASSY, D-CARTRT[SM2
1
SM21-FD011
○ [10] at 104,105 page
22
..2
J90831142A F_DOCKING_CART_SNS_CABLE_ASSY SM33-CV019
1
SM33-CV019
[11] at 86 page
23
..2
J90831143A R_DOCKING_CART_SNS_CABLE_ASSY SM33-CV020
1
SM33-CV020
○ [12] at 86 page
24
..2
J90831149A F_DOCKING_CART_SOL_CABLE_ASSY SM33-CV028
1
SM33-CV028
[13] at 84 page
25
..2
J90831150A REAR_DOCKING_CART_SOL_CABLE_ASSY SM33-CV
1
SM33-CV029
○ [14] at 84 page
P art L is t