SM411 Technical Reference_Ver2 - 第81页
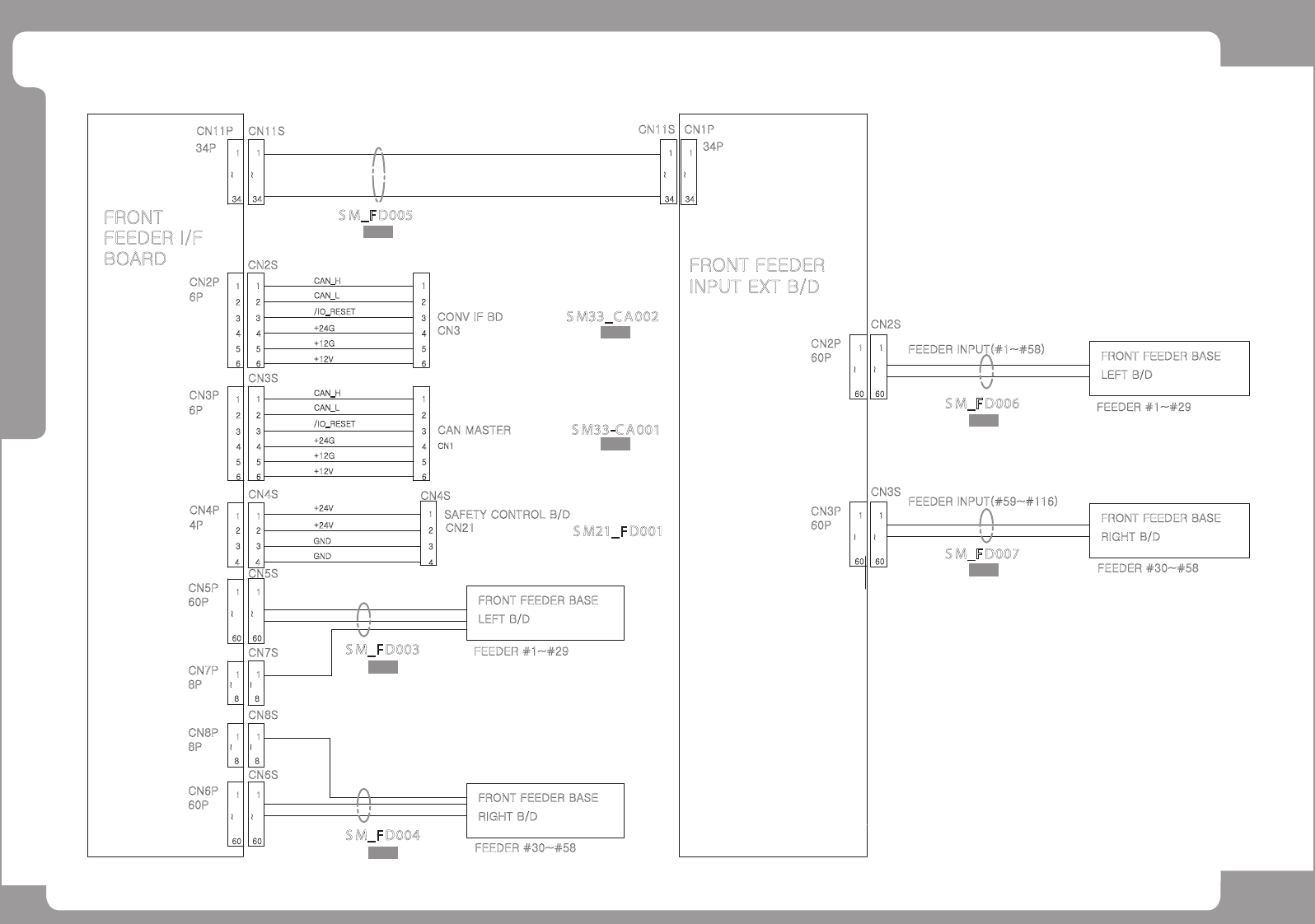
Page SAMSUNG TECHWIN 81 SM411 F ro nt Fe ed er Bo ar d I nt erf ac e CN11P 34P FRONT FEEDER I/F BOARD FRONT FEEDER INPUT EXT B/D +24V GND GND +24V /IO_RESET +24G +12G +12V CAN_H CAN_L CAN_H CAN_L /IO_RESET +24G +12G +12V…

Page
SAMSUNG TECHWIN
80
SM411
VME IO Board Interface
CN5
4P
VME IO
BOARD
VME IO
BOARD
6P
CN3P
3
CN2S
2
5
20P
CN1P
33
4 4
2
1
2
1
24G
24G
+24V
CN1S
+24V
6
1
4
+24V
F_FIX1 SIDE
+24V
+24V
F_FIX1 OUTER
F_FIX1 INNER
6
3
2
5
4
1
CN4P
6P
CN3S
+24V
+24V
F_FIX2 INNER
F_FIX2 OUTER
F_FIX2 SIDE
+24V
6
5
4
3
2
1
FROM SAFETY CONTROL B/D CN26
S M33_V I001
S M33_V I002
S M33_V I003
12
11
10
9
8
7
6
5
4
3
2
HD1-SOL
1
FRONT FLAT
CABLE
12
11
10
9
8
7
6
5
4
3
2
1
H1-VAC
H2-VAC
H3-VAC
H4-VAC
H5-VAC
H6-VAC
13
12
3
5
7
6
4
2
CN9S
20S
H6-BLOW
H4-BLOW
H5-BLOW
H3-BLOW
H2-BLOW
H1-BLOW
2
4
3
1
TO FIX1 LED I/F B/D JP1
TO FIX2 LED I/F B/D JP1
15
14
17
16
S M33_V I004
3
2
5
6
1
4
3
2
5
6
1
4
3
2
5
6
1
4
13
12
3
5
7
6
4
2
15
14
17
16
17 17
16
15
16
15
14
13
14
13
12
7
12
7
6
5
6
5
H6-BLOW
S M33_V I005
12 12
H2-BLOW
H4-BLOW
H3-BLOW
H5-BLOW
H1-BLOW
H6-VAC
H4-VAC
H5-VAC
11
10
11
10
9
8
9
8
7
6
7
6
5
4
5
4
CN2P
20P
CN9S
3
4
3
4
2 2
20S
H2-VAC
H3-VAC
H1-VAC
HD2-SOL
3
2
3
2
1 1
REAR FLAT
CABLE
REAR EDGE PUSHER SOL
REAR WORK STOPPER SOL
FRONT STOPPER SOL
FRONT EDGE PUSHER SOL
FRONT WORK STOPPER SOL
REAR WORK #2 (W2-2)
FRONT WORK #2 (W1-2)
FRONT FEEDER UNLOCK
B1B1
B9B9
B13 B13
B15 B15
B14 B14
B11 B11
B12 B12
B10 B10
REAR BUT SOL
REAR ANC SOL
B5B5
B7B7
B8 B8
B6 B6
B3B3
B4 B4
B2 B2
FRONT BUT SOL
FRONT ANC SOL
BOARD OUT #2 (BO)
A14 A14
A15 A15
A12
A13
A12
A13
A10
A11
A10
A11
A8
A9
A8
A9
REAR FEEDER UNLOCK
GND
GND
REAR STOPPER SOL
A3A3
A6
A7
A6
A7
A4
A5
A4
A5
CN6
A1A1
A2 A2
FRONT WORK #1 (W1-1)
PCB OUT #1 (S2-1)
REAR WORK #1 (W2-1)
PCB OUT #2 (S2-2)
PCB IN #2 (S1-2)
PCB IN #1 (S1-1)
BOARD OUT #1 (BO)
B1B1
B9B9
B13B13
B15B15
B14 B14
B11B11
B12 B12
B10 B10
B5B5
B7B7
B8 B8
B6 B6
B3B3
B4 B4
B2 B2
AXIS SENSOR BOARD
A14A14
A15 A15
A12
A13
A12
A13
A10
A11
A10
A11
A8
A9
A8
A9
A3 A3
A6
A7
A6
A7
A4
A5
A4
A5
A1 A1
A2 A2
CN10
S M33-C S 035-2
S M33-C S 035-1

Page
SAMSUNG TECHWIN
81
SM411
Front Feeder Board Interface
CN11P
34P
FRONT
FEEDER I/F
BOARD
FRONT FEEDER
INPUT EXT B/D
+24V
GND
GND
+24V
/IO_RESET
+24G
+12G
+12V
CAN_H
CAN_L
CAN_H
CAN_L
/IO_RESET
+24G
+12G
+12V
4
5
6
4
5
6
4P
CN4P
6P
CN3P
4
5
6
4
5
6
11
60
~
60
CN5S
2
2
3
3
CN3S
1
1
6P
CN2P
3
3
CN2S
1
2
1
2
4
5
6
3
4
5
6
2
1
CAN MASTER
CN1
3
2
1
CONV IF BD
CN3
S M21_F D001
S M33-C A001
S M33_C A 002
CN5P
60P
CN4S
4
3
2
1
SAFETY CONTROL B/D
CN21
~
~
8
CN7P
8P
1
~
8
1
CN7S
4
1
4
1
CN4S
2 2
3 3
11
60
60P
~
60
~
CN6P
CN6S
FRONT FEEDER BASE
LEFT B/D
FRONT FEEDER BASE
RIGHT B/D
FEEDER #1~#29
FEEDER #30~#58
S M_F D003
S M_F D004
11
34
~
34
~
CN11S
1 1
34
~
34
~
CN1PCN11S
34P
S M_F D005
60 60
1
60P
~
CN3P
1
~
CN3S
11
60
60P
~
60
~
CN2P
CN2S
FEEDER #30~#58
RIGHT B/D
FRONT FEEDER BASE
S M_F D007
FEEDER #1~#29
FRONT FEEDER BASE
LEFT B/D
S M_F D006
FEEDER INPUT(#1~#58)
FEEDER INPUT(#59~#116)
~
~
8 8
CN8P
8P
1
CN8S
1

Page
SAMSUNG TECHWIN
82
SM411
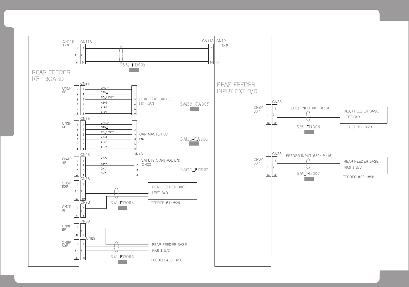
Rear Feeder Board Interface
CN11P
34P
REAR FEEDER
I/F
BOARD
REAR FEEDER
INPUT EXT B/D
+24V
GND
GND
+24V
/IO_RESET
+24G
+12G
+12V
CAN_H
CAN_L
CAN_H
CAN_L
/IO_RESET
+24G
+12G
+12V
4
5
6
4
5
6
4P
CN4P
6P
CN3P
4
5
6
4
5
6
11
60
~
60
CN5S
2
2
3
3
CN3S
1
1
6P
CN2P
3
3
CN2S
1
2
1
2
4
5
6
3
4
5
6
2
1
CAN MASTER BD
CN2
3
2
1
REAR FLAT CABLE
HD-CAN
S M21_F D002
S M33-C A003
S M33_C A 005
CN5P
60P
CN4S
4
3
2
1
SAFETY CONTROL B/D
CN22
~
4
1
4
1
CN4S
2 2
3 3
11
60
60P
~
60
~
CN6P
CN6S
REAR FEEDER BASE
LEFT B/D
REAR FEEDER BASE
RIGHT B/D
FEEDER #1~#29
FEEDER #30~#58
S M_F D003
S M_F D004
11
34
~
34
~
CN11S
1 1
34
~
34
~
CN1PCN11S
34P
S M_F D005
60 60
1
60P
~
CN3P
1
~
CN3S
11
60
60P
~
60
~
CN2P
CN2S
FEEDER #30~#58
RIGHT B/D
REAR FEEDER BASE
S M_F D007
FEEDER #1~#29
REAR FEEDER BASE
LEFT B/D
S M_F D006
FEEDER INPUT(#1~#58)
FEEDER INPUT(#59~#116)
~
~
8 8
~
~
CN8P
8P
1
8
CN8S
1
8
CN7P
8P
1
CN7S
1