SM411 Technical Reference_Ver2 - 第87页
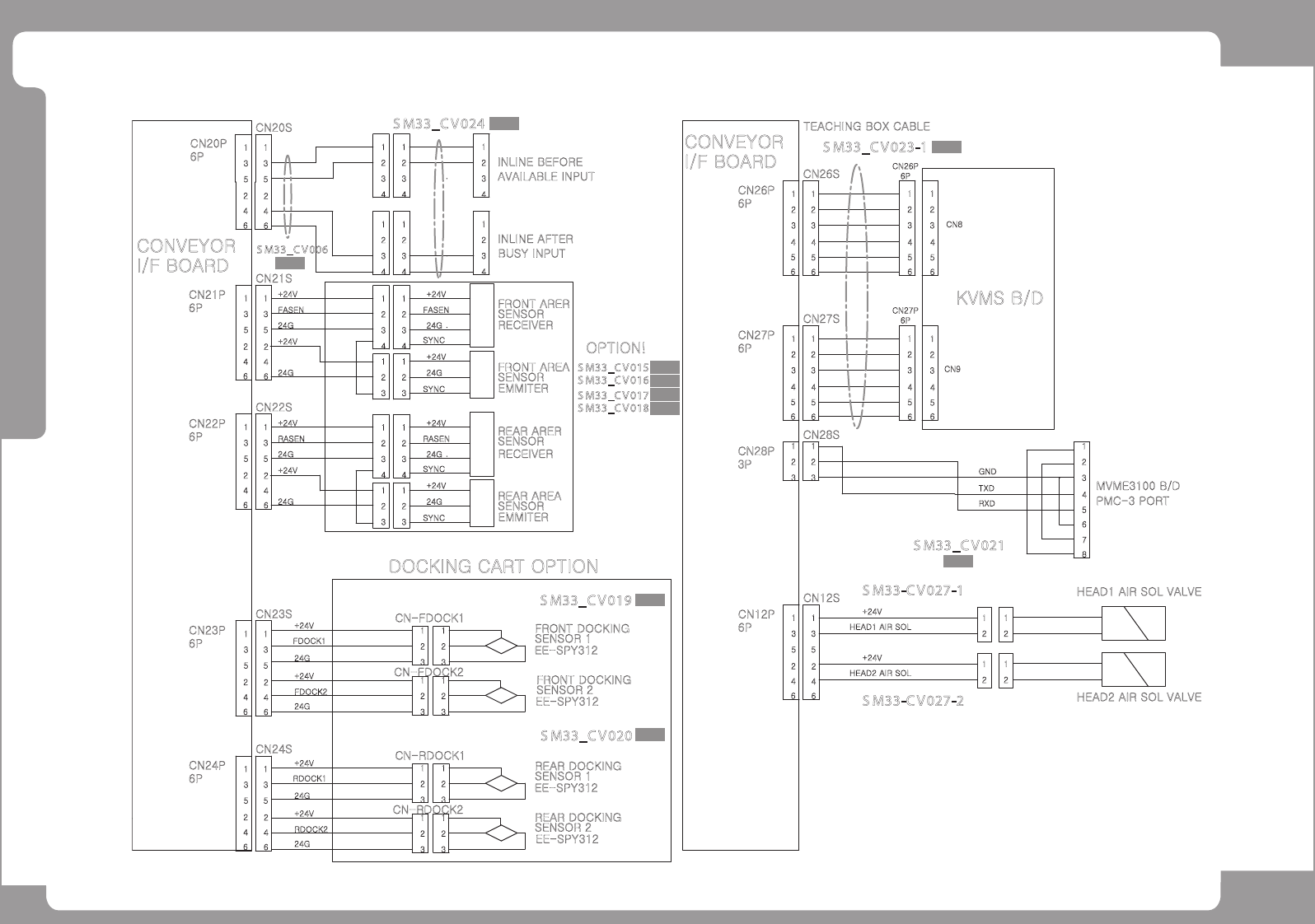
Page SAMSUNG TECHWIN 87 SM411 C on ve yor B oar d Int er fa ce (5 /5) 22 24 22 24 24 22 24 22 15 17 12 13 8 11 10 15 17 12 13 8 11 10 23 21 20 23 21 20 16 18 19 16 18 19 14 14 CONVEYOR I/F BOARD 24P CN15P 9 7 6 4 3 5 2 1…

Page
SAMSUNG TECHWIN
86
SM411
Conveyor Board Interface (4/5)
INLINE BEFORE
INLINE AFTER
6P
CN24P
6
4
4
6
2
5
3 3
2
5
CN24S
1
6
1
6
6P
CN23P
2
5
4
2
5
4
CN23S
3
1
3
1
6P
CN21P
4
6
6
4
3
5
2
5
2
3
CN21S
1 1
6
6
CONVEYOR
I/F BOARD
CN20P
6P
2
5
4
2
5
4
CN20S
3
1
3
1
3
4
2
1
2
1
3
4 4
2
1
3
2
3
4
1
3
4
2
1
3
4
2
1
6
5
4
3
2
1
CN28S
33
CN28P
3P
2
1
2
1
5
6
4
6
5
4
MVME3100 B/D
RXD
TXD
GND
3
6
8
7
5
4
2
1
6
5
4
3
2
1
CONVEYOR
I/F BOARD
CN27S
CN26S
CN27P
6P
2
3
1 1
2
3
5
6
6
5
CN26P
6P
2
3
4
2
3
4
1 1
BUSY INPUT
AVAILABLE INPUT
3
1
2
44
3
1
2
RECEIVER
FRONT ARER
SENSOR
+24V
FASEN
24G
3
1
22
3
1
+24V
24G
FRONT AREA
SENSOR
EMMITER
FASEN
SYNC
SYNC
+24V
24G
+24V
24G
3
1
2
3
1
2
4
2
33
24G
+24V
2
3
1
24G
4
3
2
5
2
5
4
6
6
4
RASEN
+24V
1
11
CN22S
CN22P
6P
REAR ARER
SENSOR
SYNC
SYNC
+24V
24G
24G
EMMITER
REAR AREA
SENSOR
RECEIVER
+24V
RASEN
1
3
1
3
CN12S
4
5
2
4
5
2
CN12P
6P
6
6
OPTION!
S M33_C V 021
CN-FDOCK2
CN-FDOCK1
24G
FDOCK2
+24V
24G
FDOCK1
+24V
3
2
2
3
1
2
1
3
3
2
11
EE-SPY312
EE-SPY312
FRONT DOCKING
SENSOR 2
FRONT DOCKING
SENSOR 1
CN-RDOCK1
CN-RDOCK2
RDOCK2
RDOCK1
+24V
24G
+24V
24G
EE-SPY312
EE-SPY312
REAR DOCKING
SENSOR 2
REAR DOCKING
SENSOR 1
1 1
2
3
3
1
2
1
3
2
2
3
DOCKING CART OPTION
S M33_C V 006
S M33_C V 024
S M33_C V 015
S M33_C V 016
S M33_C V 017
S M33_C V 018
S M33_C V 019
S M33_C V 020
2
1 1
2
HEAD1 AIR SOL VALVE
HEAD1 AIR SOL
+24V
S M33-C V027-1
S M33-C V027-2
PMC-3 PORT
2
1 1
2
HEAD2 AIR SOL
+24V
HEAD2 AIR SOL VALVE
TEACHING BOX CABLE
S M33_C V 023-1
6P
CN26P
6P
CN27P
CN9
CN8
KVMS B/D
1
2
3
4
6
5
1
2
3
6
5
4

Page
SAMSUNG TECHWIN
87
SM411
Conveyor Board Interface (5/5)
22
24
22
24
24
22
24
22
15
17
12
13
8
11
10
15
17
12
13
8
11
10
23
21
20
23
21
20
16
18
19
16
18
19
1414
CONVEYOR
I/F BOARD
24P
CN15P
9
7
6
4
3
5
2
1
9
7
6
4
3
5
2
1
CN15S
CONVEYOR
I/F BOARD
1 1
15
17
12
13
8
11
10
15
17
12
13
8
11
10
23
21
23
20
21
20
18
16
19
18
16
19
14 14
2
3
3
1
2
1
3
2
2
3
CN16S
9
7
6
4
3
5
2
1
9
7
6
4
3
5
2
1
24P
CN16P
FRONT ANC CLOSE SENSOR
FRONT ANC OPEN SENSOR
+24V
FRONT ANC CL
24G
+24V
FRONT ANC OP
24G
FA-CL
FA-OP
ZC153A2
ZC153A2
S M33-C V009-1
RA-OP
RA-CL
24G
REAR ANC OP
+24V
24G
REAR ANC CL
+24V
ZC153A2
ZC153A2
REAR ANC OPEN SENSOR
REAR ANC CLOSE SENSOR
3
2
2
3
1
2
1
3
3
2
11
S M33_C V 010
RA-CL
FA-CL
RA-OP
FA-OP
S M33-C V009-2

Page
SAMSUNG TECHWIN
88
SM411
Head Illumination Board Interface
HEAD ILL
BOARD
/IO_RESET
+24G
+12G
+12V
CAN_H
CAN_L
4P
CN1P
6P
CN2P
4
5
6
4
5
6
11
3
4
2
3
4
2
CN1S
2
2
3
3
CN2S
1
1
3
4
5
6
2
1
HEAD IO B/D
CN2
S M33_C A 006
+24V
+24G
+24G
+24V
4
3
2
1
HEAD IO B/D
CN4
CN3P
12P
CN4P
4P
4
3
4
3
2
1
2
1
CN4S
8
7
CN6P
HEAD ILL
BOARD
8P
2
4
6
5
3
CN6S
1
55
8 8
7
6 6
7
11
33
4 4
2 2
LED BOARD
HEAD OUTER
LED BOARD
HEAD SIDE
S M33_HI001
S M33_HD001
9
12
10
11
+24V
+24V
+24V
+24V
+24V
+24V
H6_OUTER
H5_OUTER
H4_OUTER
H3_OUTER
H2_OUTER
H1_OUTER
9
12
10
11
55
8 8
7
6 6
7
11
33
4 4
2 2
9
12
10
11
9
12
10
11
+24V
+24V
+24V
+24V
+24V
+24V
H6_OUTER
H5_OUTER
H4_OUTER
H3_OUTER
H2_OUTER
H1_OUTER
8
7
2
4
6
5
3
1
ASSY
H1_SIDE
H2_SIDE
H3_SIDE
H4_SIDE
H5_SIDE
H6_SIDE
24G
24G
4
7
2
5
8
5
3
1
J 9060404A
LED BOARD
FID. INNER
+24V
F-INNER
CN5P
4P
4
3
4
3
2
1
2
1
CN5S
LED BOARD
FID. OUTER
+24V
F-OUTER
J 9060402A
J 9060403A